|
|
(21), (22) Заявка: 2003135563/02, 05.12.2003
(24) Дата начала отсчета срока действия патента:
05.12.2003
(45) Опубликовано: 20.07.2005
(56) Список документов, цитированных в отчете о поиске:
Политехнический словарь. Изд. 2-е. – М.: Советская энциклопедия, 1980, с.571. SU 1117146 А, 07.10.1984. SU 1323326 A1, 15.07.1987. SU 1627370 A1, 15.02.1991.
Адрес для переписки:
344038, г.Ростов-на-Дону, ул. Новаторов, 5, ОАО “Роствертол”, ЦСП, В.А. Демченко
|
(72) Автор(ы):
Сарветкин В.А. (RU), Кузьмин Е.А. (RU), Шамшура А.Т. (RU), Ковалевский И.В. (RU)
(73) Патентообладатель(и):
Ростовский вертолетный производственный комплекс – Открытое акционерное общество “Роствертол” (ОАО “Роствертол”) (RU)
|
(54) ФРЕЗЕРНЫЙ СТАНОК
(57) Реферат:
Изобретение относится к области станкостроения, обработке длинномерных или коротких деталей. Станок содержит станину для закрепления обрабатываемой детали и фрезерного модуля с фрезой, размещенного на суппорте, имеющем возможность перемещения вдоль и поперек обрабатываемой детали. Для повышения точности обработки за счет уменьшения влияния сил резания на обрабатываемую деталь, поглощения возникающих в системе температурных напряжений и обеспечения высоких параметров микронеровностей на станине размещены роликовые упоры для установки изготовленной из упругого материала рабочей оболочки с заформованной в нее обрабатываемой деталью. Во фрезерном модуле по обе стороны фрезы размещены регулируемые по высоте опорные лыжи, находящиеся в контакте с упругими опорными площадками рабочей оболочки детали. Фрезерный модуль закреплен на одном конце штанги, качающейся в шарнирной опоре суппорта, а на втором конце штанги установлен противовес на регулируемом от опоры расстоянии. 1 ил.

Изобретение относится к области станкостроения и может быть использовано при механической обработке на фрезерных станках длинномерных и коротких деталей.
Известен фрезерный станок (Политехнический словарь. – М.: Советская энциклопедия, 1980 г., стр.571), содержащий станину для закрепления обрабатываемой детали и фрезерного модуля с фрезой, размещенного на суппорте, имеющем возможность перемещения вдоль и поперек обрабатываемой детали.
Механическая обработка на этом станке сопровождается погрешностями, связанными с установкой детали, деформацией упругой системы станок – приспособление – инструмент – деталь под действием усилий резания; дисбаланса вращающихся элементов фрезерного модуля с фрезой в зоне фрезерования обрабатываемой детали; погрешностями, порождаемыми деформациями нагрева и внутренних напряжений при технологической обработке – когда допуски на базисные размеры не обеспечивают требуемое положение обрабатываемой детали при установке в приспособление.
При работе фрезерного станка не обеспечивается требуемая точность обработки.
Техническим результатом изобретения является уменьшение влияния сил резания на обрабатываемую деталь, поглощение возникающих в системе температурных напряжений, обеспечение высоких параметров микронеровностей.
Упомянутая задача достигается тем, что фрезерный станок содержит станину для закрепления обрабатываемой детали и фрезерного модуля с фрезой, размещенного на суппорте, имеющем возможность перемещения вдоль и поперек обрабатываемой детали, при этом на станине размещены роликовые опоры для установки изготовленной из упругого материала оболочки с заформованной в нее обрабатываемой деталью, а во фрезерном модуле по обе стороны фрезы размещены регулируемые по высоте опорные лыжи, находящиеся в контакте с опорными площадками рабочей оболочки, фрезерный модуль закреплен на одном конце штанги, качающейся в шарнирной опоре суппорта, на втором конце штанги установлен противовес на регулируемом от опоры расстоянии.
Достижение технического результата обеспечивается совмещением опорных площадок рабочей оболочки детали с опорными лыжами фрезерного модуля по плоскости контакта режущей кромки фрезы и обрабатываемой детали, что сводит к минимуму погрешности обработки.
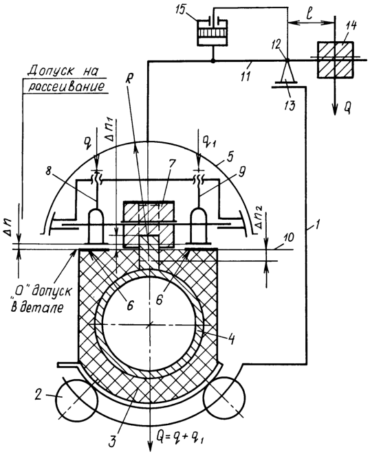
На чертеже представлен фрезерный станок.
Фрезерный станок содержит станину 1 с роликовыми опорами 2 для установки приформованной из упругого материала рабочей оболочки 3 с заформованной в нее обрабатываемой деталью 4 и фрезерного модуля 5 с радиусом R разворота. Рабочая оболочка 3 имеет опорные площадки 6 с нулевыми значениями начала отсчета фрезерования выступа или впадины в обрабатываемой детали 4 и соответственно в допускаемых значениях n1 или n2.
Во фрезерном модуле 5 размещены фреза 7 и регулируемые по высоте опорные лыжи 8, 9, находящиеся в контакте с опорными площадками 6 под действием прилагаемого со стороны фрезерного модуля 5 удельного давления q и q1, позволяющие держать расчетный общий допуск n рассеивания с учетом автоматической корректировки в сторону ужесточения допускаемых значений n1 или n2 на размеры фрезерования выступа или впадины (паза) в детали 4 с учетом отклонения допускаемых размеров на диаметр фрезы 7 или положения в пространстве режущей кромки 10.
Фрезерный модуль 5 закреплен на штанге 11, качающейся в шарнирной опоре 12 подвижного суппорта 13, имеющего возможность перемещаться вдоль или поперек обрабатываемой детали 4 в свободном плавающем режиме. На втором конце штанги 11 установлен противовес 14, вес которого Q1 и расстояние l от шарнирной опоры 12 регулируют прижим силой Q фрезерного модуля 5 к опорным площадкам 6 рабочей оболочки 3 с деталью 4. Для дополнительного поджатия фрезерного модуля 5 через штангу 11 имеется гидравлический демпфер 15.
Фрезерный станок работает следующим образом. Заформованная в рабочей оболочке 3 обрабатываемая деталь 4 с наличием припуска на обработку и фрезерования n1 или n2 в размер в расчетных допусках механически охватывается роликовыми опорами 2. Используя давление Q=q+q1, направленное на прижим фрезерного модуля 5, образованное за счет размещения на штанге 11 фрезерного модуля 5 и противовеса 14, обеспечивается нулевое совмещение (“0” допуск в детали) упругих опорных площадок 6, состыкованных с опорными лыжами 8, 9 с линией реза обрабатываемой детали 4. Подается давление в гидравлический демпфер 15 фрезерного модуля 5, способствуя установлению упругой связи – подвижный суппорт 13, штанга 11, фрезерный модуль 5.
При включении продольного или поперечного фрезерования фрезеруется припуск в заданный размер в детали 4 в допуске n1, n2 на обрабатываемой детали 4 (выступ или паз соответственно), определяемый и контролируемый в автоматическом режиме относительно плоскости начального контакта режущей кромки 10 фрезы 7 и обрабатываемой детали 4, совпадающей с плоскостью контакта опорных лыж 8, 9 с опорными площадками 6 рабочей оболочки 3.
Использованные источники
1. Политехнический словарь. – М.: Советская энциклопедия. – 1980.
Формула изобретения
Фрезерный станок, содержащий станину для закрепления обрабатываемой детали и фрезерного модуля с фрезой, размещенного на суппорте, имеющем возможность перемещения вдоль и поперек обрабатываемой детали, отличающийся тем, что на станине размещены роликовые упоры для установки изготовленной из упругого материала рабочей оболочки с заформованной в нее обрабатываемой деталью, во фрезерном модуле по обе стороны фрезы размещены регулируемые по высоте опорные лыжи, находящиеся в контакте с упругими опорными площадками рабочей оболочки детали, фрезерный модуль закреплен на одном конце штанги, качающейся в шарнирной опоре суппорта, на втором конце штанги установлен противовес на регулируемом от опоры расстоянии.
РИСУНКИ
|
|