|
|
(21), (22) Заявка: 2004103432/02, 05.02.2004
(24) Дата начала отсчета срока действия патента:
05.02.2004
(45) Опубликовано: 20.07.2005
(56) Список документов, цитированных в отчете о поиске:
ЧЕКМАРЕВ А.П., КАЛУЖСКИЙ В.Б. Гнутые профили проката. М.: Металлургия, 1974 г., с.77-78, рис.47, с.60 рис.34. RU 2056194 C1, 20.03.1996. SU 1530284 A1, 23.12.1989. SU 1007783 А, 30.03.1983. US 4176539 A, 04.12.1979.
Адрес для переписки:
455002, г. Магнитогорск, ул. Кирова, 93, ОАО “ММК”, Отдел рационализации, изобретательства и патентной работы, В.Г. Кузнецову
|
(72) Автор(ы):
Сеничев Г.С. (RU), Антипанов В.Г. (RU), Белышев А.С. (RU), Гридневский В.И. (RU)
(73) Патентообладатель(и):
Открытое акционерное общество “Магнитогорский металлургический комбинат” (RU)
|
(54) ВАЛОК ПРОФИЛЕГИБОЧНОГО СТАНА
(57) Реферат:
Изобретение относится к прокатному оборудованию и может быть использовано при производстве профилей. Валок профилегибочного стана содержит ось и укрепленные на оси боковые цилиндроконические элементы с промежуточными цилиндрическими элементами между ними. При этом, по меньшей мере, один боковой элемент выполнен с внутренней проточкой заданных глубины и диаметра, расположенной на поверхности контакта с промежуточным элементом, и, по меньшей мере, один промежуточный элемент выполнен ступенчатым с выступом, ширина и диаметр которого соответствуют аналогичным размерам проточки бокового элемента. Один или два промежуточных элемента выполнены с возможностью их разворота на 180° в горизонтальной плоскости. При этом соотношение величин наименьшего и наибольшего диаметров промежуточного элемента может составлять 0,75…0,80. Достигается снижение производственных затрат за счет уменьшения расхода валков. 1 з.п. ф-лы, 1 ил.

Предлагаемое изобретение относится к прокатному оборудованию и может быть использовано при производстве гнутых профилей.
Основным инструментом при производстве холодногнутых профилей проката являются валки, которые могут быть цельными и составными: на ось, устанавливаемую в подушках станин рабочей клети профилегибочного стана, насаживаются отдельные элементы, образующие бочку валка. Наибольшее распространение получили составные валки, так как они проще в изготовлении, а их оси могут эксплуатироваться в течение длительного времени.
Конструкция разборного (составного) профилегибочного валка описана, например, в справочнике под ред. В.И. Зюзина и А.В. Третьякова Технология прокатного производства , кн.2, М.: Металлургия, 1991, с.820 и рис.VIII.12. Если длина бочки валка достаточно большая, то она может содержать, кроме элементов, непосредственно формующих полосу, и промежуточные цилиндрические элементы, которые могут не контактировать с металлом (при наличии тянущего усилия, исключающего рывки полосы при ее движении через клети).
Известен валок профилегибочного стана, состоящий из оси и бандажа, обе половины которого образуют разъем на середине бочки валка, а эти половины стягиваются болтами (см. пат. Японии №48095, кл. В 21 В, опубл. 04.12.72 г.). Известен также составной валок профилегибочного стана, состоящий из оси, средней части, жестко связанной с осью, и двух фланцев, вращающихся на оси на подшипниках качения (см. пат. США №3757554, кл. В 21 В 27/08, опубл. 11.09.73 г.).
Недостатком известных валков является относительная сложность их конструкции и необходимость замены всех элементов бочки при переходе на новый профилеразмер.
Наиболее близким аналогом к заявляемому объекту является валок профилегибочного стана, описанный в книге А.П. Чекмарева и В.Б. Калужского Гнутые профили проката , М.: Металлургия, 1974, с.77-78 и рис.47.
Этот валок (нижний) содержит ось и укрепленные на ней боковые цилиндроконические элементы с промежуточными цилиндрическими элементами между ними, и характеризуется тем, что средние (промежуточные) элементы жестко закреплены на оси, а боковые – свободно вращаются на ней и установлены на подшипниках качения, причем между промежуточными и боковыми элементами валка расположены упорные подшипники.
Недостатком валка такой конструкции также является сложность его конструкции и необходимость замены всех элементов бочки при переходе на профиль другой ширины, что увеличивает расход валков.
Технической задачей предлагаемого изобретения является снижение производственных затрат за счет уменьшения расхода валков.
Для решения этой задачи у валка, содержащего ось и укрепленные на ней боковые цилиндроконические элементы с промежуточными цилиндрическими элементами между ними, по меньшей мере, один боковой элемент выполнен с внутренней проточкой заданных глубины и диаметра, расположенной на поверхности контакта с промежуточным элементом, и, по меньшей мере, один промежуточный элемент выполнен ступенчатым с выступом, ширина и диаметр которого соответствуют аналогичным размерам проточки бокового элемента, а отношение величин наименьшего и наибольшего диаметров промежуточного элемента может составлять 0,75…0,80.
Сущность заявляемого технического решения заключается в возможности изготовления на одних и тех же валках сортовых профилей с различной шириной горизонтального элемента сечения путем разворота на 180° (в горизонтальной плоскости) одного или двух ступенчатых элементов. В результате этого один комплект валков стана может быть использован для формовки двух-трех и более профилеразмеров в зависимости от количества ступенчатых элементов (см. ниже), что и уменьшает расход дорогостоящего инструмента.
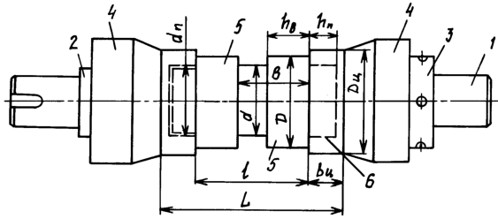
Предлагаемый валок для формовки корытного профиля показан на чертеже.
На оси 1 валка (показан нижний валок) между ребордой 2 и стопорной гайкой 3 установлены два боковых цилиндроконических элемента 4 и два промежуточных ступенчатых элемента 5. Соотношение величин наименьшего и наибольшего диаметров этих элементов: d/D=0,75…0,80. В цилиндроконических элементах 4 выполнены проточки 6, глубина hn которых примерно равна высоте hв части элемента 5 с диаметром d, а диаметр dn проточки выбран таким, чтобы обеспечить легкоходовую посадку промежуточного элемента в этой проточке.
Таким образом, в зависимости от положения промежуточных элементов расстояние “l” между внутренними торцами цилиндроконических элементов будет различным.
При наличии, например, двух промежуточных элементов минимальная величина “l” будет при установке этих элементов с вхождением” в проточки 6. При развороте одного из элементов 5 на 180° в горизонтальной плоскости (как на чертеже) расстояние между элементами 4 будет: l =lmin+hв, а при аналогичном развороте и второго элемента 5: l”=lmin+2hв. Очевидно, что при последовательном снятии промежуточных элементов с оси валка (одного и обоих) получим еще три значения величины “l” и, соответственно, L.
Так как при формовке швеллерных и корытных профилей контакт горизонтальной стенки профиля по всей ее длине с инструментом (т.е. нижним и верхним валками) необязателен – величина D элементов 5 может быть меньше величины Dц диаметра цилиндрической части боковых элементов 4. Это обеспечивает многократное использование промежуточных элементов при переточках (по износу) боковых элементов.
Опытную проверку валков предлагаемой конструкции осуществляли при формовке на стане 2-8×100-600 листопрокатного цеха №7 ОАО Магнитогорский меткомбинат .
С этой целью были изготовлены валки с двумя промежуточными элементами каждый, устанавливаемые во всех формующих клетях стана при прокатке швеллерных и корытных профилей различных типоразмеров, отличавшихся высотой стенки. Полученные профили соответствовали всем требованиям стандартов.
При этом было установлено, что оптимальная величина соотношения d/D должна быть в пределах 0,75…0,80: при d/D<0,75 происходит опасное ослабление ступенчатого элемента (диаметр внутреннего его отверстия – постоянен), а при d/D>0,80, кроме излишнего расхода металла на изготовление этого элемента, ослабляется круговая стенка проточки бокового элемента.
Опытная проверка подтвердила приемлемость найденного технического решения для достижения поставленной цели. Технико-экономический анализ показал, что использование валков предлагаемой конструкции при производстве швеллерных и корытных гнутых профилей сокращает расход дорогостоящего инструмента в 1,5-2 раза с соответствующим снижением производственных затрат и себестоимости проката.
Пример конкретного выполнения
Нижний валок для формовки корытного профиля имеет вид, показанный на чертеже.
Оба боковые цилиндроконические элементы с Dц=296 мм выполнены с цилиндрическим участком шириной bц=30 мм и имеют проточки с dh=220 мм глубиной hn=35 мм.
Между боковыми элементами расположены два промежуточных ступенчатых элемента шириной В=60 мм с hB=26 мм. Диаметры этих элементов: d=218 и D=280 мм, т.е. d/D=218/280=0,78.
Полная длина L горизонтального участка валка может быть: 60 мм (при отсутствии промежуточных элементов); 86 и 120 мм (с одним промежуточным элементом); 112, 146 и 180 мм (с двумя такими элементами).
Формула изобретения
1. Валок профилегибочного стана, содержащий ось и укрепленные на оси боковые цилиндроконические элементы с промежуточными цилиндрическими элементами между ними, отличающийся тем, что, по меньшей мере, один боковой элемент выполнен с внутренней проточкой заданных глубины и диаметра, расположенной на поверхности контакта с промежуточным элементом, и, по меньшей мере, один промежуточный элемент выполнен ступенчатым с выступом, ширина и диаметр которого соответствуют аналогичным размерам проточки бокового элемента, при этом один или два промежуточных элемента выполнены с возможностью их разворота на 180° в горизонтальной плоскости.
2. Валок по п.1, отличающийся тем, что соотношение величин наименьшего и наибольшего диаметров промежуточного элемента составляет 0,75…0,80.
РИСУНКИ
|
|