|
|
(21), (22) Заявка: 2003113843/09, 12.05.2003
(24) Дата начала отсчета срока действия патента:
12.05.2003
(43) Дата публикации заявки: 10.11.2004
(45) Опубликовано: 10.07.2005
(56) Список документов, цитированных в отчете о поиске:
059762 А, 22.10.1991. RU 94027051 A1, 10.05.1996. RU 93016124 А, 27.03.1995. WO 9903308, 21.01.1999.
Адрес для переписки:
634034, г.Томск, ул. Советская, 99, кв.29, ООО “Магнит”
|
(72) Автор(ы):
Земан С.К. (RU), Осипов А.В. (RU)
(73) Патентообладатель(и):
Общество с ограниченной ответственностью (ООО) “Магнит” (RU)
|
(54) УСТРОЙСТВО ИНДУКЦИОННОГО НАГРЕВА С СЕКЦИОНИРОВАННЫМ ИНДУКТОРОМ
(57) Реферат:
Изобретение относится к индукционному нагреву, в частности к устройствам индукционного нагрева с многосекционным индуктором, в которых нагрев разных областей нагреваемого объекта, соответствующих разным секциям индуктора, производится до разных температур, а также к устройствам для методического нагрева заготовок. В устройстве индукционного нагрева, содержащем секционированный индуктор, питающийся от одного высокочастотного источника питания, в котором секции индуктора соединены последовательно и определены отпайками, через которые они соединены с питающими их вторичными обмотками согласующего трансформатора, и резонансный контур, образованный индуктором и резонансной емкостью, питание каждой секции индуктора обеспечивается соответствующим ей согласующим трансформатором, соединенным с источником питания, при этом первичные обмотки согласующих трансформаторов соединены последовательно, резонансный контур образован в каждой секции индуктора ею и резонансной емкостью, причем резонансные емкости включены в отпайки секций индуктора таким образом, чтобы из двух смежных отпаек по крайней мере одна содержала резонансную емкость. Изобретение позволяет проектировать системы с секционированным индуктором для применений, где ограничена стоимость системы, но требуется заданное распределение выделяемой мощности по секциям за счет исключения сложных схем управления, коммутирующих устройств и дополнительных переменных индуктивных элементов. 2 ил.

Изобретение относится к индукционному нагреву, в частности к устройствам индукционного нагрева с многосекционным индуктором, в которых нагрев разных областей нагреваемого объекта, соответствующих разным секциям индуктора, производится до разных температур, а также к устройствам для методического нагрева заготовок. В частности устройства методического нагрева характеризуются тем, что импеданс каждой отдельной детали зависит от ее положения в индукторной системе, поэтому мощность, прикладываемая к разным секциям индуктора, имеет различные значения. Для устройств методического нагрева чаще всего применяется режим нагрева, при котором мощность, потребляемая каждой деталью, поддерживается постоянной, хотя существуют и другие режимы нагрева, при которых потребляемая мощность на каждом участке индукторной системы задается определенным законом. Из вышесказанного следует, что и в том, и в другом случае необходимо поле с переменной напряженностью по длине индуктора. Эта задача в известных устройствах, как правило, решается двумя способами: изменением количества витков индуктора на единицу длины или изменением рабочего тока по длине индуктора, например, путем разбиения индуктора на несколько секций с разным током. Применение неравномерного шага витков для реализации различных режимов нагрева достаточно подробно исследовано в литературе по методическому нагреву, см. например, Яицков “Ускоренный изотермический нагрев заготовок”. Из патентных источников известна индукционная нагревательная установка, включающая внешнюю обмотку, подключенную к источнику питания, в которой перераспределение мощности нагрева по зонам достигается за счет заранее заданного неравномерного шага витков обмотки в разных ее зонах, причем все зоны обмотки соединены последовательно и подключены к одному источнику питания, (авт. св. SU №1152096, Н 05 В 6/36). Наиболее серьезным недостатком этого метода является ограничение изменения шага витка индуктора, вызванное технологическими трудностями, так как минимальное его значение ограничено толщиной изоляции, максимальное – допустимой длиной индуктора. Кроме того, на участках индуктора с малой напряженностью магнитного поля используется большой шаг намотки, что приводит к искажениям магнитного поля, увеличению потока рассеяния. Вышеперечисленные недостатки устраняются использованием секционированного индуктора с раздельным питанием секций. В такой структуре к секциям прикладываются различные напряжения, кратность которых задается коэффициентами трансформации согласующих трансформаторов. При этом либо подбирают коэффициенты трансформации, при которых достигается необходимое распределение мощности, либо применяют стабилизаторы тока по секциям, в любом из этих вариантов устройство получается сложным и дорогим. Другим методом получения нужного распределения мощности может быть работа каждой секции на своей резонансной частоте, что позволяет изменять потребляемую мощность, так как активный импеданс нагреваемой детали зависит от частоты. Однако необходимость питания каждой секции своим источником требует применения своего узла управления, в результате устройство становится сложным и дорогим (см., например, международную заявку WO №9903308, опубл. 21.01.1999 г.) Известны устройства для индукционного нагрева с секционированным индуктором, секции которого питаются от одного высокочастотного источника питания. При этом секции соединены параллельно через соответствующие тиристорные переключатели и для управления температурой, выделяемой в зоне, с которой связана соответствующая секция, мощность, передаваемая в каждую зону, определяется комбинацией замкнутых переключателей, и периода времени, на который подключаются секции к источнику питания (патенты США №№5349167). Такие устройства требуют установления датчиков температуры в каждой зоне нагрева и обратной связи с устройством управления, в результате чего устройство также получается сложным и дорогим. Кроме того, наличие переключателей в силовой цепи снижает к.п.д. устройства и еще более повышает его стоимость.
Наиболее близким к одному из вариантов заявляемого изобретения является устройство многозонного индукционного нагрева, описание которого приведено в патенте США №5059762. В этом устройстве обмотка поделена на несколько последовательно соединенных секций, определенных отпайками и связанных с соответствующей зоной нагреваемого объекта. Перераспределение питания по соответствующим секциям от одного источника с сохранением резонанса в указанном устройстве производится с помощью дополнительного реактивного сопротивления, которое шунтирует нагревательные секции через отпайки. В данном устройстве реактивные сопротивления выполнены на основе насыщаемых индуктивных элементов, которые имеют управляющие обмотки, выполненные так, что подаваемый на них постоянный ток меняет их реактивное сопротивление и сопротивление секции в целом. Недостатками данного устройства являются большие габариты, обусловленные наличием дополнительных обмоток, которые, кроме того, увеличивают индуктивную энергию контура, а значит и мощность конденсаторной батареи и сложная схема управления процессом нагрева.
Задачей изобретения является упрощение устройства индукционного нагрева с сохранением резонанса по всем секциям, а также увеличения к.п.д., снижения его стоимости и габаритов за счет исключения сложных схем управления, переключающих устройств и дополнительных реактивных элементов.
Поставленная задача решается тем, что в устройстве индукционного нагрева, содержащем секционированный индуктор, питающийся от одного высокочастотного источника питания, в котором секции индуктора соединены последовательно и определенны отпайками, через которые они соединены с питающими их вторичными обмотками согласующего трансформатора, и резонансный контур, образованный индуктором и резонансной емкостью, питание каждой секции индуктора обеспечивается соответствующим ей согласующим трансформатором, соединенным с источником питания, при этом первичные обмотки согласующих трансформаторов соединены последовательно, каждый трансформатор имеет свой коэффициент трансформации, задающий ток в соответствующей секции индуктора, а резонансный контур образован в каждой секции индуктора ею и резонансной емкостью, причем резонансные емкости включены в отпайки секций индуктора таким образом, чтобы из двух смежных отпаек по крайней мере одна содержала резонансную емкость.
В этом случае нет контура, соединяющего секцию и питающую обмотку без резонансной емкости, что позволяет полностью скомпенсировать индуктивную энергию каждой секции индуктора, в результате чего согласующие трансформаторы имеют только активную составляющую мощности.
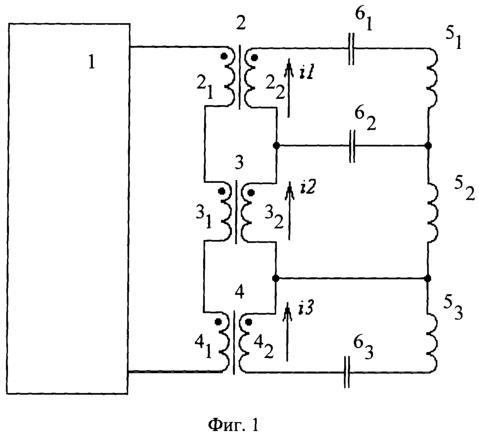
На Фиг.1 изображен один из вариантов данного устройства, состоящий из трех секций индуктора. Очевидно, что в этом случае необходимы три емкости, располагающиеся в любых трех из четырех отпаек, иначе структура не будет согласована.
На Фиг.2 представлены напряжения первичных обмоток трансформаторов и токи секций индуктора структуры Фиг.1.
Устройство на Фиг.1 содержит источник высокочастотного напряжения 1, согласующие трансформаторы 2, 3, 4 с первичными обмотками 21, 31, 41, вторичными обмотками 22, 32, 42, секции индуктора 51, 52, 53, резонансные емкости 61, 62, 63. Индексами i1, i2, i3 обозначены токи вторичных обмоток трансформатора.
Работа устройства происходит следующим образом:
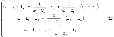
Напряжение источника 1 подается на трансформаторы 2, 3, 4, включенные по входу последовательно, а по вторичной стороне питают соответствующие секции индуктора 51, 52, 53. Такое включение трансформаторов позволяет задавать коэффициентами трансформации любую разумную кратность токов в секциях, а соответственно и необходимое распределение мощности в индукторной системе. Для компенсации реактивной энергии секций индуктора в устройство включены емкости 6 таким образом, чтобы не было контура, соединяющего секцию и питающую обмотку без резонансной емкости, что позволяет скомпенсировать индуктивное напряжение каждой секции путем подбора величины соответствующей емкости. Особенность этой компенсации заключается в том, что некоторые емкости являются общими для двух соседних секций, поэтому для полной компенсации индуктивной энергии каждой секции емкости рассчитываются согласно условию последовательного резонанса, из которого следует, что реактивное напряжение секции должно быть равно суммарному падению напряжения на емкостях

где L1 соответствует секции индуктора 51, L2 – секции 52, L3-53; C1 соответствует емкости 61, С2 – емкости 62, С3 – соответствует емкости 63.
После несложных математических преобразований получим искомое условие компенсации реактивной энергии:

На Фиг.2 представлены напряжения первичных обмоток трансформаторов и токи секций индуктора структуры на Фиг.1, диаграммы построены при условии равенства индуктивного и активного сопротивлений секций, а также при соблюдении условия равенства мощностей секций, заданная кратность токов при этом 1:1,5:2. Из диаграмм видно, что при различных сопротивлениях секций система обеспечивает заданную коэффициентами трансформации кратность тока в секциях, при этом первичные напряжения трансформаторов равны ввиду равенства мощностей секций. Кроме того, трансформаторы имеют только активную составляющую мощности, так как здесь индуктивность каждой секции индуктора 51, 52, 53 фактически полностью компенсируется емкостями 61, 62, 63, рассчитанными из условия (2).
Изменение индуктивностей секций в процессе нагрева, причем непропорционально друг другу из-за наличия индуктивности рассеяния, могут приводить к появлению реактивных напряжений трансформаторов в результате нарушения условия (2). Однако этот эффект будет существенно меньше при увеличении числа секций, поскольку диапазон изменения индуктивности загрузки в пределах каждой секции будет снижаться с ростом их числа. То есть с помощью этой схемы можно получить стабильный режим нагрева, притом, что она существенно дешевле и проще по сравнению с известными аналогами.
Предлагаемое изобретение позволяет проектировать системы с секционированным индуктором для применений, где ограничена стоимость системы, но требуется заданное распределение выделяемой мощности по секциям за счет исключения сложных схем управления, коммутирующих устройств и дополнительных переменных индуктивных элементов.
Формула изобретения
Устройство высокочастотного индукционного нагрева, содержащее секционированный индуктор, питающийся от одного источника высокочастотного питания, при этом секции индуктора соединены последовательно и определены отпайками, через которые они соединены с питающими их вторичными обмотками согласующего трансформатора, и резонансный контур, образованный индуктором и резонансной емкостью, отличающееся тем, что питание каждой секции обеспечивается соответствующим ей согласующим трансформатором, соединенным с источником питания, при этом первичные обмотки согласующих трансформаторов соединены последовательно, каждый трансформатор имеет свой коэффициент трансформации, задающий ток в соответствующей секции индуктора, резонансный контур образован в каждой секции индуктора, ею и резонансной емкостью, причем резонансные емкости включены в отпайки секций индуктора таким образом, чтобы из двух смежных отпаек, по крайней мере, одна содержала резонансную емкость.
РИСУНКИ
|
|