|
|
(21), (22) Заявка: 2003131241/09, 23.10.2003
(24) Дата начала отсчета срока действия патента:
23.10.2003
(45) Опубликовано: 10.07.2005
(56) Список документов, цитированных в отчете о поиске:
RU 2167463 C1, 20.05.2001. RU 2130570 C1, 20.05.1999. SU 685883, 15.09.1979. US 3864933, 11.02.1975. US 3710077, 09.01.1971. US 5148686, 22.09.1992. US 5456087, 10.10.1995. GB 1136541, 11.12.1968.
Адрес для переписки:
620026, г.Екатеринбург, а/я 244, Г.Н. Шаховой
|
(72) Автор(ы):
Володин В.И. (RU)
(73) Патентообладатель(и):
Открытое акционерное общество “Егоршинский радиозавод” (RU)
|
(54) ТАЙМЕР ОТТАЙКИ НА ОДНОПОЛУПЕРИОДНЫХ ВЫПРЯМИТЕЛЯХ
(57) Реферат:
Изобретение относится к автоматике для периодических включений исполнительных устройств переменного тока, например холодильных устройств. Технический результат заключается снижении потребляемой энергии. Таймер содержит счетчик времени (1), трехконтактное электромагнитное реле (2), пороговый элемент (3), выпрямители (4, 5) питания, гасящие элементы (6, 7), переключающие контакты реле (8), нагреватель (9), датчик окончания оттайки (10), компрессор (11), полюсы (12, 13) источника питания. Использование в схеме таймера двух однополупериодных выпрямителей позволяет более плотно располагать элементы схемы относительно друг друга, соблюдая требования безопасности. 1 ил.

Изобретение относится к области автоматики и может быть использовано для периодических включений исполнительных устройств автоматики переменного тока, например холодильных устройств.
Известен таймер (патент РФ №2167463, пр. 03.04.2000 г.), содержащий источник питания, счетчик времени, нагреватель, датчик окончания оттайки, компрессор, трехконтактное реле, подвижный контакт которого подключен к второму полюсу источника питания, счетный вход счетчика времени через нагреватель соединен со вторым неподвижным контактом реле и через датчик окончания оттайки соединен с первым полюсом источника питания, общий вывод счетчика времени соединен с первым неподвижным контактом реле и через компрессор соединен с первым полюсом источника питания, а вывод – с первым выводом обмотки реле, при этом второй вывод обмотки реле подключен к второму полюсу источника питания через дополнительно включенную управляющую цепь, представляющую собой последовательно соединенные пороговый элемент, выпрямитель и первый балластный резистор, входы выпрямителя включены между неподвижными переключающими контактами трехконтактного электромагнитного реле через второй балластный резистор.
Резисторы в известной схеме таймера являются гасящими элементами и предназначены для гашения напряжения источника питания. При этом основная функция второго балластного резистора – накопление энергии на выходе выпрямителя, достаточной для срабатывания реле.
В результате срабатывания реле (при переключении его подвижных контактов из положения “а” в положение “б”) параллельно второму балластному резистору подключается первый балластный резистор, основная функция которого заключается в обеспечении совместно со вторым балластным резистором удержания реле в сработанном состоянии.
Недостатком известной схемы таймера являются значительные потери энергии на выходе выпрямителя, связанные с тем, что при нахождении подвижных контактов реле в первоначальном положении – “а” (до срабатывания реле), первый балластный резистор оказывается подключенным параллельно выпрямителю, т.е. первый балластный резистор шунтирует выпрямитель. При этом через первый балластный резистор происходит утечка тока, питающего выпрямитель. Чем ниже значение сопротивления первого балластного резистора, тем больше ток утечки, проходящий через данный резистор.
При повышении значения сопротивления первого балластного резистора снижаются возможности по удержанию трехконтактного реле в сработанном состоянии (положение “б” подвижного контакта реле). В положении “б” подвижного контакта реле первый и второй балластные резисторы включаются параллельно, поэтому при значительных величинах сопротивления первого балластного резистора значение тока на выходе выпрямителя может быть недостаточно для удержания реле.
Таким образом, величина сопротивления первого балластного резистора зависит от величины сопротивления второго балластного резистора и от величины тока, необходимого для удержания реле. Т.е. выбор каждого из указанных схемных элементов зависит друг от друга и ограничен друг другом.
Кроме того, нормальное функционирование и работоспособность известного таймера обеспечиваются только в том случае, если выпрямитель, питающий обмотку реле, выполнен двухполупериодным, т.е. работает в каждый полупериод сетевого напряжения. При этом связь второго входа выпрямителя с первым неподвижным контактом реле необходима для того, чтобы обеспечить двухполупериодный режим работы выпрямителя.
При использовании в схеме таймера оттайки двухполупериодного выпрямителя расположение гасящих элементов относительно элементов схемы, в частности выпрямителя, строго определено. Второй гасящий элемент обязательно должен быть включен между первым входом выпрямителя и вторым неподвижным контактом реле, а первый гасящий элемент обязательно должен быть включен между первым входом выпрямителя и вторым полюсом источника питания. Только при таком расположении гасящих элементов каждый из них будет выполнять свою функцию, а именно: второй гасящий элемент обеспечит уровень напряжения на выходе выпрямителя, необходимое для срабатывания реле, а первый гасящий элемент совместно с первым – будут удерживать реле в сработанном состоянии.
При ином расположении гасящих элементов относительно выпрямителя функционирование таймера будет нарушено, т.к. гасящие элементы не будут в этом случае выполнять свои функции – обеспечения срабатывания реле и удержания его в сработанном состоянии.
Таким образом, известный таймер будет являться работоспособным, а каждый гасящий элемент выполнять свою функцию только при таком их расположении, как указано в формуле и описании таймера по патенту №2167463.
Строгая заданность месторасположения элементов схемы снижает возможность изменения габаритов схемы таймера, снижает возможность маневра в отношении габаритов таймера в случае, если таймер необходимо встраивать в уже готовые объекты. Кроме того, использование двухполупериодного выпрямителя определяет значительные габариты известной конструкции таймера.
Техническая задача, решаемая предлагаемым изобретением, – снижение потребления электроэнергии за счет снижения ее потерь в процессе работы таймера, повышение степени универсальности таймера, а также минимизация размеров и повышение степени маневренности в отношении габаритов таймера.
Поставленная задача решается тем, что в таймере оттайки на однополупериодных выпрямителях, содержащем источник питания, счетчик времени, нагреватель, датчик окончания оттайки, компрессор, первый и второй однополупериодный выпрямитель, первый и второй гасящий элементы, трехконтактное реле, подвижный контакт которого подключен к второму полюсу источника питания; общий вывод счетчика времени соединен с первым неподвижным контактом реле и через компрессор соединен с первым полюсом источника питания; счетный вход счетчика времени через нагреватель соединен со вторым неподвижным контактом реле и через датчик окончания оттайки соединен с первым полюсом источника питания; выход счетчика времени связан со вторым неподвижным контактом реле, через две соединенные последовательно цепи, образованные с одной стороны (первая цепь) обмоткой реле и пороговым элементом и с другой стороны (вторая цепь) – первым выпрямителем и первым гасящим элементом; выход счетчика связан со вторым полюсом источника питания также через две соединенные последовательно цепи, образованные с одной стороны (первая цепь) – обмоткой реле и пороговым элементом и с другой стороны (третья цепь) – вторым выпрямителем и вторым гасящим элементом.
При решении задачи минимизации габаритов таймера стояла проблема – использовав два однополупериодных выпрямителя, вместо одного двухполупериодного, создать работоспособный таймер, конструкция которого минимизирована и имеет высокую степень маневренности по габаритам.
Такая возможность обеспечена предлагаемой конструкцией таймера.
Таймер включен в систему оттайки холодильника.
При подаче напряжения сети подвижный контакт реле замкнут на первый неподвижный контакт.
От второго полюса источника питания ток через нормально-замкнутый первый неподвижный контакт реле, счетчик времени и датчик окончания оттайки холодильника, контакты которого замыкаются после набора холода, поступает к первому полюсу источника питания, обеспечивая работу счетчика времени, который начинает отсчитывать время работы компрессора, пропорциональное числу колебаний питающей сети (или внутреннего генератора тактовых импульсов). Одновременно, по цепи: второй полюс источника питания, нормально замкнутые в положении “а” контакты”, счетчик времени (после отсчета заданного времени работы компрессора и подачи напряжения со счетчика на первый контакт обмотки реле), последовательно соединенные: обмотку реле, пороговый элемент, первый выпрямитель, первый гасящий элемент; нагреватель, замкнутые после набора холода контакты датчика окончания оттайки, первый полюс источника питания, начинает протекать ток; идет процесс установления выходного напряжения первого выпрямителя. Одновременно, ток от второго полюса источника питания через второй выпрямитель поступает к первому выпрямителю, при этом обеспечивается поддержание тока на выходе первого выпрямителя.
При достижении напряжения на выходе первого выпрямителя, достаточного для надежного срабатывания электромагнитного реле, открывается пороговый элемент и подает напряжение питания на второй контакт обмотки электромагнитного реле. Вследствие относительно высокого сопротивления первого гасящего элемента ток, протекающий через нагреватель, пренебрежимо мал и нагреватель не работает.
При переключении контактов реле с первого неподвижного контакта на второй включается нагревательный элемент, начинается оттайка холодильника. Одновременно подается напряжение на второй выпрямитель по цепи: второй полюс источника питания, второй гасящий элемент, второй выпрямитель, открытый пороговый элемент, обмотка реле, счетчик времени, неработающий компрессор, первый полюс источника питания. В период оттайки холодильника первый выпрямитель не работает, ток через него не протекает.
Когда оттайка произошла, при достижении заданной температуры, контакты датчика окончания оттайки размыкаются. Ток от второго полюса источника питания через контакт реле, замкнутый на второй неподвижный контакт, неработающий нагреватель, счетчик времени, неработающий компрессор поступает к первому полюсу источника питания. Счетчик времени отсчитывает время паузы после оттайки.
По окончании паузы счетчик времени переходит в исходное состояние, снимается напряжение с первого вывода обмотки реле и контакты переключаются на первый неподвижный контакт, цикл повторяется.
Таким образом, обеспечена работа в необходимом (заданном) режиме заявляемого таймера в целом.
При этом не имеет значение то, в какой последовательности относительно неподвижных контактов реле и цепи из последовательно соединенных обмотки реле и порогового элемента включены выпрямители и гасящие элементы. При любом расположении соответствующих гасящих элементов и выпрямителей относительно неподвижных контактов реле и цепи из последовательно соединенных обмотки реле и порогового элемента ток в соответствующие периоды работы таймера всегда будет протекать или через первый, или через второй гасящие элементы. В любой период работы таймера и в любой полупериод напряжения питающей сети или первый, или второй гасящие элементы будут выполнять свою функцию – гашения излишнего напряжения.
При использовании однополупериодных выпрямителей мы получили возможность варьировать взаимное расположение выпрямителя и гасящего элемента. Это важно с точки зрения конструктивного выполнения таймера при жестких ограничениях в объеме устройства. Возможность такого маневра позволяет достичь более плотной компоновки схемы таймера, особенно учитывая, что гасящие элементы (особенно, если в их роли выступают резисторы) должны быть разнесены относительно друг друга с точки зрения соблюдения требований безопасности.
Таким образом, использование в схеме таймера вместо одного двухполупериодного выпрямителя двух однополупериодных обеспечит возможность варьирования местоположением элементов схемы относительно друг друга, что позволит в значительной степени при соблюдении всех требований безопасности более плотно расположить элементы относительно друг друга, обеспечив тем самым дополнительные возможности по снижению габаритов таймера.
Введение второго выпрямителя не привело к увеличению габаритов таймера по сравнению с прототипом, т.к. габариты выпрямителей значительно меньше габаритов гасящих элементов, а также габариты однополупериодных выпрямителей меньше габаритов двухполупериодных.
Вследствие отсутствия схемных элементов (в данном случае – гасящих элементов), подключенных параллельно выпрямителям, при питании последних не происходит непроизводительных потерь энергии.
В предлагаемой схеме таймера основная функция гасящих элементов – обеспечение накопления энергии на выходе выпрямителей, достаточной для срабатывания реле, и удержание трехконтактного реле в сработанном состоянии.
В качестве гасящих могут быть выбраны такие элементы, которые обеспечивают гашение излишнего напряжения своим сопротивлением (активным или реактивным). При этом величина энергии, накапливаемой на выходе выпрямителя, обратно пропорциональна величине этого сопротивления.
Величина этого сопротивления является основной характеристикой гасящего элемента.
Выбор величины основной характеристики гасящих элементов определяется только необходимым временем срабатывания трехконтактного реле и зависит от того, при каком ее значении будет обеспечено удержание реле в сработанном состоянии. Выбор значений основных характеристик обоих гасящих элементов определяется только вышеуказанными условиями и не зависит от величины основной характеристики другого гасящего элемента, поскольку при работе таймера оба гасящих элемента не влияют друг на друга.
Таким образом, обеспечены снижение потерь энергии при работе таймера, а также повышение его универсальности за счет того, что выбор схемных элементов (первого и второго гасящих элементов) определяется только их функциями и не зависит один от другого, что позволяет с меньшими ограничениями изменять некоторые характеристики таймера (например, время срабатывания реле после выдачи сигнала счетчика или потребления таймера в режиме работы компрессора) в зависимости от условий его использования.
Предлагаемая конструкция таймера предназначена для использования в типах холодильных устройств, электрическая схема которых предусматривает подключение общего вывода счетчика времени к неподвижному контакту электромагнитного реле, например в морозильниках “STINOL” – 106, 112.
Из уровня техники не выявлено конструкций таймеров, характеризующихся заявленной совокупностью признаков, следовательно, предлагаемое изобретение соответствует критерию патентоспособности – “новизна”.
Заявленная совокупность признаков изобретения, которая обеспечивает достижение поставленной технической задачи, позволяет сделать вывод о том, что заявляемое изобретение соответствует критерию патентоспособности “изобретательский уровень”.
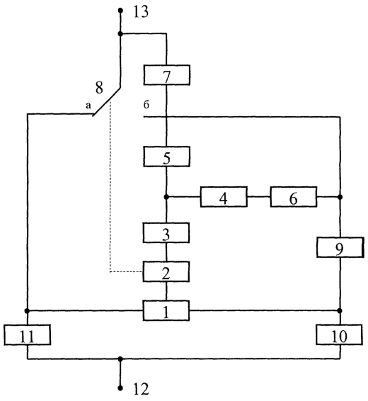
На чертеже представлена блок-схема таймера.
Таймер содержит:
1. Счетчик времени.
2. Трехконтактное электромагнитное реле.
3. Пороговый элемент.
4. Выпрямитель 1 питания.
5. Выпрямитель 2 питания.
6. Резистор 1.
7. Резистор 2.
8. Переключающие контакты трехконтактного электромагнитного реле.
9, 10, 11. Элементы периодического включения управляемого устройства (9 – нагреватель; 10 – датчик окончания оттайки; 11 – компрессор).
12. Первый полюс источника питания.
13. Второй полюс источника питания.
Подвижный контакт реле 2 подключен к второму полюсу источника питания 13. Счетный вход счетчика 1 времени через нагреватель 9 соединен со вторым неподвижным контактом реле 2 и через датчик 10 окончания оттайки соединен с первым полюсом 12 источника питания. Общий вывод счетчика 1 времени соединен через нормально замкнутый контакт “а” переключающих контактов 8 электромагнитного реле 2 со вторым полюсом 13 источника питания и через компрессор 11 – с первым полюсом 12 источника питания. Выход счетчика 1 соединен со вторым неподвижным контактом реле “б” через соединенные последовательно: обмотку реле 2, пороговый элемент 3, выпрямитель 4 и резистор 6. Кроме того, выход счетчика 1 соединен со вторым полюсом источника питания через соединенные последовательно: обмотку реле 2, пороговый элемент 3, второй выпрямитель 5 и резистор 7. Выпрямители 4 и 5 предназначены для питания обмотки реле 2; резисторы 6 и 7 выполняют функции гасящих элементов. Выпрямители 4 и 5 выполнены однополупериодными и обеспечивают протекание тока: выпрямитель 4 – от второго полюса 13 источника питания, счетчик 1 времени, обмотку реле 2, пороговый элемент 3, выпрямитель 4, резистор 6, нагреватель 9, датчик 10 к первому полюсу 12 источника питания; выпрямитель 5 – от второго полюса 13 источника питания, резистор 7, выпрямитель 5, пороговый элемент 3, обмотку реле 2, счетчик 1 времени, компрессор 11, первый полюс 12 источника питания.
Устройство работает следующим образом.
Таймер включен в систему оттайки холодильника.
При подаче напряжения сети подвижный контакт реле 2 находится в нормально-замкнутом состоянии “а” переключающих контактов 8.
От второго полюса 13 источника питания ток через нормально-замкнутый контакт “а”, счетчик 1 и датчик 10 окончания оттайки холодильника, контакты которого замыкаются после набора холода, поступает к первому полюсу 12 источника питания, обеспечивая работу счетчика 1, который начинает отсчитывать время работы компрессора 11, пропорциональное числу колебаний питающей сети (или внутреннего генератора тактовых импульсов). Одновременно идет процесс установления выходного напряжения выпрямителя 4.
При достижении напряжения, достаточного для надежного срабатывания электромагнитного реле 2, открывается пороговый элемент 3 и подает напряжение питания на второй контакт обмотки электромагнитного реле 2.
При переключении контактов 8 из положения “а” в положение “б” включается нагревательный элемент 9, начинается оттайка холодильника. Одновременно подается напряжение на выпрямитель 5.
Когда оттайка произошла, при достижении заданной температуры, контакты датчика 10 размыкаются. Ток от второго полюса 13 источника питания через контакт реле, замкнутый в положении “б”, неработающий нагреватель 9, счетчик 1, неработающий компрессор 11 поступает к первому полюсу 12 источника питания. Счетчик 1 отсчитывает время паузы после оттайки.
По окончании паузы счетчик 1 переходит в исходное состояние, снимается напряжение с первого вывода обмотки реле 2 и контакты 8 переключаются в состояние “а”, цикл повторяется.
Формула изобретения
Таймер оттайки на однополупериодных выпрямителях, содержащий источник питания, счетчик времени, нагреватель, датчик окончания оттайки, компрессор, первый и второй однополупериодные выпрямители, первый и второй гасящие элементы, трехконтактное реле, подвижный контакт которого подключен к второму полюсу источника питания; общий вывод счетчика времени соединен с первым неподвижным контактом реле и через компрессор соединен с первым полюсом источника питания; счетный вход счетчика времени через нагреватель соединен с вторым неподвижным контактом реле и через датчик окончания оттайки соединен с первым полюсом источника питания; выход счетчика времени связан с вторым неподвижным контактом реле через две соединенные последовательно цепи, образованные с одной стороны (первая цепь) обмоткой реле и пороговым элементом и с другой стороны (вторая цепь) – первым выпрямителем и первым гасящим элементом; выход счетчика связан со вторым полюсом источника питания также через две соединенные последовательно цепи, образованные с одной стороны (первая цепь) – обмоткой реле и пороговым элементом, и с другой стороны (третья цепь) – вторым выпрямителем и вторым гасящим элементом.
РИСУНКИ
|
|