|
|
(21), (22) Заявка: 2004104318/09, 13.02.2004
(24) Дата начала отсчета срока действия патента:
13.02.2004
(45) Опубликовано: 10.07.2005
(56) Список документов, цитированных в отчете о поиске:
БИРЮКОВ С.А. Цифровые устройства на МОП-интегральных схемах. – М.: Радио и связь, 1990, с. 55, рис. 10а. SU 886225, 30.11.1981. SU 1132353 A, 30.12.1984. SU 731562, 30.04.1980. US 2003/0076182 A1, 24.04.2003.
Адрес для переписки:
603950, г.Нижний Новгород, ГСП-462, пл. Комсомольская, 1, ФГУП “НПП “Полет”
|
(72) Автор(ы):
Киселев Е.Ф. (RU)
(73) Патентообладатель(и):
Федеральное государственное унитарное предприятие “Научно-производственное предприятие “Полет” (RU)
|
(54) УСТРОЙСТВО ДЛЯ ФОРМИРОВАНИЯ ИМПУЛЬСОВ
(57) Реферат:
Устройство относится к импульсной цифровой технике и может использоваться для формирования выходных импульсов с требуемой длительностью по каждому из трех событий (при включении питания, по сигналу от замыкающей кнопки с подавлением дребезга, при обнаружении пропуска или “зависания” (прекращения изменения) импульсов входного импульсного сигнала, при разрешении обнаружения). Технический результат заключается в расширении функциональных возможностей устройства за счет формирования выходного импульса при включении питания и обеспечения возможности выполнения устройством функции аппаратного сторожевого таймера с разрешением формирования выходного импульса при пропуске или “зависании” импульсов входного импульсного сигнала. Устройство содержит первый и второй резисторы (1, 2), замыкающую кнопку (4), конденсатор (5), логический повторитель (6), выход инверсного импульсного сигнала, общую шину и шину источника питания. Устройство дополнительно содержит третий резистор (3), элемент И-НЕ (7), первый и второй элементы И (8, 9), объединитель сигналов по включению питания и от кнопки (10), обнаружитель импульсов (11), вход импульсного сигнала (12) и управляющий вход (13). 1 ил.

Изобретение относится к импульсной цифровой технике, предназначено для формирования выходных импульсов с требуемой длительностью по каждому из трех событий (при включении питания, по сигналу от замыкающей кнопки с подавлением дребезга, при обнаружении пропуска или “зависания” (прекращения изменения) импульсов входного импульсного сигнала, при разрешении обнаружения) и может быть использовано, например, в качестве устройства для формирования импульсов системного сброса (RESET (RST)) микроконтроллерной или микропроцессорной системы (М-системы) обработки информации и управления с функцией аппаратного сторожевого таймера для перезапуска прикладной программы при “зависании” М-системы, проектируемой с учетом следующих основных принципов [1]: программного управления, магистрального обмена информацией, модульного построения и наращивания вычислительной мощности.
Современная типовая М-система содержит модуль устройства программного управления (УПУ), модули функционально ориентированных контроллеров и модемов для ввода-вывода информации в процессе взаимодействия М-системы с внешними объектами (пультом оператора, датчиками событий в объекте управления, исполнительными устройствами, смежными системами и т.п.), блок питания и системную магистраль, образованную шинами управления (ШУ), адреса (ША) и данных (ШД), для обмена информацией между модулями (функционально законченными составными частями М-системы) в процессе ее функционирования [2, с.14, рис.1.1].
В общем случае модуль УПУ содержит автономную память, например комбинированную (ОЗУ+ПЗУ+РПЗУ), вычислитель, содержащий, например, микроконтроллер, кварцевый резонатор и два конденсатора для обеспечения функционирования внутреннего генератора синхроимпульсов микроконтроллера [2, с 63, рис.2.6а], внутреннюю магистраль и входы и выходы ШУ, выходы ША и двунаправленную ШД системной магистрали, приемопередатчики и адаптер магистралей для функционально ориентированного сопряжения микроконтроллера с внутренней и системной магистралями, и устройство для формирования импульсов системного сброса (в [2] оно не показано) для управления вычислителем при возникновении ряда событий, например включении и выключении блока питания, замыкании на корпус кнопки системного сброса.
При включении напряжения питания Еп устройство для формирования импульсов формирует импульс сброса RST, длительность которого (на основе данных, приведенных, например, в [3, с.27, 28]) можно оценить соотношением

где ty 90 мс – время установки напряжения Еп с точностью примерно 10% после включения;
tRST0 50 мс – длительность импульса RST по окончании ty, определяющая минимальную величину реальной длительности импульса RST при включении напряжения питания.
По окончании каждого импульса RST составные части М-системы приводятся в рабочее состояние (сбрасываются, инициализируются и тестируются под управлением УПУ), а затем М-система в общем случае выполняет с разделением во времени несколько функций управления. Эти функции обычно реализуются циклически как взаимодействующие квазипараллельные процессы [2, с.18-34] на временной сетке М-системы с некоторым элементарным интервалом времени, который формируется с помощью соответствующего таймер/счетчика микроконтроллера, работающего в режиме счета внутренних импульсов. В процессе функционирования М-система как сложный цифровой автомат с оперативной и постоянной памятью подвержена сбоям, приводящим, в частности, к “зависанию” прикладной программы УПУ. В этой связи сторожевой таймер (Watchdog) приобретает все большую популярность у производителей микроконтроллеров. Например, в микроконтроллере AT89S8252 сторожевой таймер при включении аппаратуры инициализируется записью в регистр WMCON кода PS[2:0] периода срабатывания таймера и бита WDTRST включения/сброса и предназначен для формирования сброса микроконтроллера на программно-аппаратном уровне (при WDTRST=1), если прикладная программа выполняет неконтролируемые действия, например “зависла” [2, с.107, 108].
Однако встроенный в микроконтроллер аппаратно-программный сторожевой таймер хотя и полезен, но в общем случае не позволяет полностью исключить “зависание” М-системы, поскольку при сбросе в микроконтроллере бита WDTRST из-за помехи микроконтроллер и далее может по помехам изменять инициализацию и “зависнуть”. Кроме того, при установке из-за помехи в регистре PCON бита PD (или IDL) управления режимом микропотребления (или холостого хода), микроконтроллер “зависает” вообще (или на время отсутствия прерывания, или до прихода импульса RST) [2, с.94, 95], причем выход из режима микропотребления может быть осуществлен только подачей на вход активного импульса RST длительностью tRST1, определяемой ограничением

Таким образом, при построении типовой современной М-системы обработки информации – обслуживаемой с оперативным доступом к кнопке СБРОС (RESET) и особенно необслуживаемой со сбросом только при включении питания и доступом к кнопке СБРОС только в процессе отладки – актуальной является задача надежного автоматического обнаружения “зависания” прикладной программы УПУ и ее перезапуска. В этой связи создание простого устройства для формирования импульсов системного сброса с надежным аппаратным обнаружением “зависания” прикладной программы УПУ (например, за счет обнаружения пропуска или “зависания” импульсов во входном импульсном сигнале, формируемом микроконтроллером УПУ программно как функции временной сетки М-системы с частотой следования импульсов, изменяющейся в определенных пределах) и формирования импульсов сброса с требуемой длительностью (т.е. с учетом ограничения типа (1) при включении питания системы и ограничения типа (2) при формировании импульсов сброса по сигналу от замыкающей кнопки с подавлением дребезга или при обнаружении “зависания” прикладной программы) является актуальной технической задачей.
К формирователям как составным частям современных радиоэлектронных систем обычно относят устройства, предназначенные для преобразования входных и/или внутренних сигналов – событий с соответствующими параметрами в нормализованные по амплитуде и крутизне фронтов выходные цифровые импульсные сигналы требуемой длительности для управления последующими составными частями системы [4, с.263-265].
Следует отметить, что на современной элементной базе формирователи как импульсные цифровые устройства предпочтительно разрабатывать с использованием логических элементов технологии КМОП, которые по сравнению с ТТЛ больше подходят для работы в импульсных устройствах благодаря высокому входному сопротивлению, хорошей температурной стабильности, а также передаточной характеристике, близкой к идеальной [4, с.263].
С точки зрения цифровой схемотехники предлагаемое устройство относится к “вспомогательным” элементам цифровых узлов и устройств [5 с.24-37], известными из которых для формирования импульсов являются следующие четыре группы устройств.
К первой группе отнесены формирователи импульса кнопки с устранением дребезга контактов:
– схема устранения дребезга контактов на основе триггера с асинхронными или синхронными входами сброса и установки и однополюсного переключателя на два положения [5, с.118, рис.3.18:б или в];
– формирователь импульсов [6], содержащий RS-триггер, два JK-триггера, элемент И, входы тактовый и управляющий, выход, два резистора и однополюсный переключатель на два положения, контакты которого соединены с входами RS-триггера, связанными через резисторы с шиной напряжения смещения, предназначен для формирования на выходе одного тактового импульса (или серии тактовых импульсов) по каждому переключению переключателя и логического сигнала “1” (или “0”) на управляющем входе;
– устройство для устранения влияния дребезга контактов [7], содержащее переключатель, шины логических сигналов “0” и “1”, RS-триггер, прямой выход, соединенный с инверсным входом сброса триггера и его прямым выходом, и инверсный выход, соединенный с переключающимся контактом переключателя, инверсным входом установки триггера и его инверсным выходом;
– устройство подавления дребезга [8], содержащее замыкающую кнопку, три резистора два конденсатора, D-триггер и выход, являющийся прямым выходом триггера;
– схема подавления дребезга кнопки с одной парой контактов [9, с.55, рис.100:а, б, в] содержит кнопку с одной парой контактов, два комбинационных элемента технологии КМОП, два резистора, конденсатор и прямой и инверсный выходы;
– схема подавления дребезга контактов с помощью триггера Шмитта [10, с.85, рис.2.41] содержит кнопку с одной парой контактов, два резистора, конденсатор, выход и триггер Шмитта, выход которого является выходом устройства;
– схема использования одновибратора для подавления дребезга контактов кнопки [10, с.119, рис.3.36] содержит кнопку с одной парой контактов, резистор, выход и одновибратор, выход которого является выходом устройства.
Ко второй группе отнесены формирователи импульса начальной установки по включению питания:
– схема начальной установки МК48 [3, с.27, рис.2.7] выполняет функцию объединителя сигналов по включению питания и от кнопки и содержит кнопку с одной парой контактов, два резистора, конденсатор и выход, соединенный с первыми выводами резисторов и конденсатора, второй вывод которого соединен с общей шиной формирователя, соединенной с первым контактом кнопки, второй контакт которой соединен с вторым выводом первого резистора, второй вывод второго резистора соединен с шиной источника питания формирователя;
– формирователь импульса начальной установки по включению питания [10, с.83, рис.2.38] содержит резистор, конденсатор, триггер Шмитта и выход, связанный через триггер Шмитта с первыми выводами резистора и конденсатора, второй вывод которого соединен с общей шиной формирователя, шина напряжения питания которого соединена с вторым выводом резистора.
К третьей группе отнесены формирователи импульсов, огибающих серию импульсов, каждый из которых предназначен для формирования на выходе цифрового сигнала “1” (или “0”) при наличии (или отсутствии) на входе последовательности импульсов:
– устройство для контроля последовательности импульсов [11], содержащее триггеры контроля и памяти, три элемента И, три входа трех тактовых импульсов, вход контролируемой последовательности импульсов и выход, являющийся инверсным выходом триггера памяти;
– формирователь импульсов, огибающих серию импульсов [12], содержащий генератор опорной частоты, два ключа, два триггера, реверсивный счетчик, формирователь импульсов, вход серии импульсов и выход, являющийся выходом первого триггера;
– формирователь сигнала огибающей последовательности входных импульсов [10: с.116, первый (или второй) вариант запуска одновибратора АГЗ на рис.3.33 с пояснением рис.3.35г на с.118] содержит одновибратор с перезапуском, вход последовательности импульсов, соединенный с прямым (или инверсным) входом запуска одновибратора, и выход, являющийся прямым выходом одновибратора;
– формирователь сигнала огибающей входного сигнала на триггерах [10, с.139, рис.4.14] содержит элемент НЕ, два триггера, вход последовательности импульсов, связанный через элемент НЕ с инверсными асинхронными входами сброса обоих триггеров, информационный вход первого из которых соединен с шиной логической “1” формирователя и инверсными асинхронными входами установки обоих триггеров, тактовый вход, соединенный с синхровходами обоих триггеров, и выход, являющийся инверсным выходом второго триггера, информационный вход которого соединен с выходом первого триггера.
К четвертой группе отнесено устройство для обнаружения потери импульса [13], предназначенное для формирования выходных импульсов при потере входных импульсов.
На основе указанных выше “вспомогательных” устройств первой, второй и третьей (или четвертой) групп можно построить устройство с функциями предлагаемого. Однако такое устройство будет повторять недостатки его составных частей, которыми являются узкая специализация или ограниченность их функциональных возможностей и аппаратурная сложность при использовании их для построения устройства для формирования импульсов системного сброса современной М-системы.
Известно устройство [8] подавления дребезга, содержащее замыкающую кнопку, триггер технологии КМОП, прямой выход которого является выходом устройства, три резистора, два конденсатора, шину напряжения питания, связанную через первый резистор с первым выводом первого конденсатора и первым контактом кнопки, второй контакт которой соединен с первым выводом второго резистора и синхровходом триггера, инверсный выход которого связан через третий резистор с информационным входом триггера и первым выводом второго конденсатора, второй вывод которого соединен с вторыми выводами первого конденсатора и второго резистора и с общей шиной устройства.
В исходном состоянии кнопка разомкнута, триггер находится в состоянии Х=0 (или 1), первый конденсатор заряжен до напряжения питания UC1=Еп, синхровход триггера находится в состоянии логического “0” (синхровход через второй резистор связан с общей шиной), а информационный вход триггера находится в состоянии NX (где NX – инверсия X) и второй конденсатор заряжен до напряжения UC2 Еп (или0 В) при Х=0 (или 1). По нажатию кнопки на синхровходе триггера формируется несколько импульсов дребезга контактов в течение времени дребезга tдреб=1-10 мс [5, с.117]).
По первому фронту первого импульса дребезга триггер переключается в противоположное состояние, по окончании дребезга первый конденсатор разряжается до напряжения UC1 0 В, а второй конденсатор заряжается до напряжения UC2 0 В (или Еп) при Х=1 (или Х=0). При отпускании кнопки ее дребезг не оказывает влияния на состояние триггера, поскольку первый конденсатор разряжен до 0 В, а по окончании дребезга первый конденсатор через первое сопротивление заряжается до исходного напряжения UC1=Еп. Таким образом, данное устройство функционирует так, что по каждому нажатию кнопки триггер переключается в противоположное состояние.
Основным недостатком устройства [8] является то, что оно при относительной аппаратурной сложности выполняет только функцию одноразрядного счетчика нажатий кнопки и в нем не предусмотрено выполнение функции формирования одиночного импульса при включений питания. Это ограничивает применение подобных технических решений в качестве даже простейших устройств формирования импульсов сброса при создании современных М-систем.
Известно устройство [13], содержащее два элемента И, элемент задержки, элемент НЕ, регенератор импульсной последовательности (образован последовательно соединенными элементом ИЛИ, элементом задержки и формирователем, выполняющим функцию укорочения входного сигнала по длительности), элемент ИЛИ, счетчик, дешифратор, входы которого соединены с выходами счетчика, вход сброса которого соединен с выходом первого элемента И, входы которого соединены с выходами элемента задержки и элемента ИЛИ, вход импульсной последовательности, соединенный с первыми входами регенератора и элемента ИЛИ и связанный через элемент НЕ с первым входом второго элемента И, второй вход которого соединен с входом элемента задержки и выходом регенератора, первый импульсный выход, соединенный с выходом второго элемента И, вторым входом регенератора и счетным входом счетчика, и второй импульсный выход, являющийся выходом дешифратора, который соединен с вторым входом элемента ИЛИ.
В исходном состоянии счетчик сброшен, каждый входной импульс с задержкой и укорочением проходит на выход регенератора и через элемент НЕ запрещает второй элемент И, а в случае потери импульса во входной последовательности второй элемент И пропускает импульс с выхода регенератора, т.е. формирует на первом выходе выходной импульс, соответствующий потерянному. Эти импульсы подсчитываются счетчиком и, если число пропущенных импульсов достигнет порога, то дешифратор на втором выходе устройства формирует импульс, который через элемент ИЛИ и первый элемент И сбрасывает счетчик в нулевое состояние.
Основным недостатком устройства [13] является то, что оно при значительной аппаратурной сложности имеет ограниченные возможности при выполнении своих функций, так как не обнаруживает потерю импульсов при “зависании” единичного сигнала на входе устройства, поскольку в этом случае на выходе элемента ИЛИ регенератора формируется постоянный единичный сигнал, блокирующий регенерацию.
Из известных технических решений наиболее близким к предлагаемому по принципу формирования выходных импульсов и по составу является устройство [14], содержащее два резистора, первый вывод первого из которых соединен с шиной напряжения питания устройства, конденсатор, логический повторитель технологии КМОП (образован двумя элементами НЕ, вход первого из которых является входом повторителя, выходом которого является выход второго элемента НЕ, вход которого соединен с выходом первого элемента НЕ), замыкающую кнопку, первый контакт которой соединен с общей шиной устройства, и выход инверсного импульсного сигнала, соединенный с выходом повторителя и первым выводом конденсатора, второй вывод которого соединен с входом повторителя и первым выводом второго резистора, второй вывод которого соединен с вторым контактом кнопки и вторым выводом первого резистора.
В процессе функционирования устройства на входе повторителя вырабатывается напряжение IU=UC+OU (где UC – напряжение на конденсаторе, измеряемое на втором выводе относительно его первого вывода; OU – напряжение на выходе повторителя), и в исходном состоянии при не нажатой кнопке IU Еп и OU Еп, которые определяют инверсные цифровые сигналы INX=1 и ONX=1 на входе и выходе повторителя соответственно. Таким образом, при не нажатой кнопке устройство находится в нулевом устойчивом состоянии (НУС) НУС={IU Еп, UC 0 В, ОU Еп, INX=1, ONX=1}. При нажатии кнопки конденсатор и второй резистор образуют укорачивающую цепь (выход цепи подключен к входу повторителя, а вход – к выходу повторителя) и напряжение IU начинает уменьшаться, поскольку конденсатор начинает заряжаться от напряжения ОU Еп через второй резистор и замкнутую кнопку. Если постоянная времени C· R2, где С и R2 – емкость конденсатора и сопротивление второго резистора соответственно, выбрана достаточно большой, то уменьшающееся напряжение IU достигает порога U(-) переключения повторителя из “1” в “0” после прекращения дребезга кнопки при замыкании. В момент IU(t)=U(-) Еп/2 повторитель входит в зону усиления отрицательного приращения dIU(t)=IU(t)-U(-). Поэтому появившееся отрицательное приращение dIU(t) вызывает усиленное уменьшение напряжения OU, которое через конденсатор по петле положительной обратной связи вызывает, как в триггере Шмитта, скачкообразное изменение напряжения OU от OU Eп до OU 0 В с переходом устройства в единичное переходное состояние (ЕПС)
ЕПС={IU UC -Еп/2, OU 0 В, INX=0, ONX=0},
так как (согласно первому закону коммутации [15, с.20]) при любом конечном токе, заряжающем или разряжающем конденсатор, напряжение на нем скачком измениться не может. Далее примерно через время
Т=3· [IR(-)+OR]
конденсатор практически разряжается, и устройство переходит в единичное устойчивое состояние (ЕУС)
ЕУС={IU UC OU 0 В, INX=0, ONX=0}, где
IR(-) – входное внутреннее защитное сопротивление входа повторителя от отрицательного напряжения IU<0 В;
OR – выходное внутреннее сопротивление повторителя.
При отпускании кнопки последовательное соединение первого и второго резисторов (т.е. резистор R с сопротивлением R=R1+R2) и конденсатор образуют интегрирующую цепь (выход цепи подключен к входу повторителя, а вход – к напряжению питания Еп) и напряжение IU начинает увеличиваться, поскольку конденсатор начинает заряжаться от напряжения Еп через R при размыкании кнопки. Так как постоянная времени (C· R)>(C· R2), то увеличивающееся напряжение IU достигает порога U(+) переключения повторителя из “0” в “1” после прекращения дребезга кнопки при размыкании. В момент IU(t)=U(+) Еп/2 повторитель входит в зону усиления положительного приращения dIU(t)=IU(t)-U(+). Поэтому появившееся положительное приращение dIU(t) вызывает усиленное увеличение напряжения OU, которое через конденсатор по петле положительной обратной связи вызывает, как в триггере Шмитта, скачкообразное изменение напряжения OU от OU 0 В до OU Еп с переходом устройства, в соответствии с первым законом коммутации, в нулевое переходное состояние (НПС)
НПС={IU Еп/2+Еп, UC +Еп/2, OU Eп, INX=1, ONX=1},
а затем примерно через время Т=3· [IR(+)+OR] в НУС не нажатой кнопки, где IR(+) – входное внутреннее защитное сопротивление повторителя от входного положительного напряжения IU>Еп.
Таким образом, в процессе функционирования устройство [14] с устранением дребезга повторяет положение кнопки так, что на его выходе при нажатии кнопки формируется цифровой инверсный импульс ONX=0, длительность которого соответствует времени замыкания контактов кнопки, а срез (переключение из “1” в “0”) и фронт (переключение из “0” в “1”) задержаны соответственно относительно замыкания и размыкания контактов кнопки.
Основным недостатком устройства [14] при применении его, например, для построения современной М-системы обработки информации и управления является ограниченность его функциональных возможностей, например оно не формирует выходной импульс при включении питания, а выполняет единственную функцию формирования выходного инверсного цифрового импульса ONX, который моделирует состояние кнопки с устранением дребезга.
Предлагаемым изобретением решается задача комплексного расширения функциональных возможностей устройства за счет формирования выходного импульса при включении питания с учетом ограничения (1) и обеспечения возможности выполнения устройством функции аппаратного сторожевого таймера при разрешении формирования выходного импульса с учетом ограничения (2) при пропуске или “зависании” импульсов входного импульсного сигнала, поступающего на устройство, например, от микроконтроллера М-системы обработки информации и управления.
Для достижения этого технического результата в устройство для формирования импульсов, содержащее первый и второй резисторы, замыкающую кнопку, первый контакт которой соединен с общей шиной устройства, конденсатор, логический повторитель технологии КМОП, шину напряжения питания и выход инверсного импульсного сигнала, соединенный с выходом повторителя и первым выводом конденсатора, введены третий резистор, элемент И-НЕ, первый и второй элементы И, объединитель сигналов по включению питания и от кнопки, первый, второй и третий входы которого соответственно соединены с шиной напряжения питания, общей шиной и вторым контактом кнопки, обнаружитель импульсов, импульсный и установочный входы которого соответственно соединены с выходами первого и второго элементов И, а выход обнаружителя соединен с первым выводом первого резистора, второй вывод которого соединен с вторым выводом конденсатора и первым выводом второго резистора, второй вывод которого соединен с входом повторителя, вход импульсного сигнала, являющийся первым входом первого элемента И, и управляющий вход, связанный через третий резистор с шиной напряжения питания и являющийся первым входом элемента И-НЕ, второй вход которого соединен с выходом формирователя, а выход элемента И-НЕ соединен с первым входом второго элемента И, второй вход которого соединен с вторым входом первого элемента И и выходом объединителя.
Автору неизвестны технические решения, содержащие признаки, эквивалентные отличительным признакам (введение третьего резистора, элемента И-НЕ, двух элементов И, объединителя сигналов по включению питания и от кнопки, обнаружителя импульсов, входа импульсного сигнала и управляющего входа) предлагаемого устройства, которые (по сравнению с прототипом [14]) комплексно расширяют функциональные возможности устройства за счет как формирования выходного импульса при включении питания, так и обеспечения возможности выполнения устройством функции аппаратного сторожевого таймера входного импульсного сигнала при разрешении формирования выходного импульса при пропуске или “зависании” импульсов во входном импульсном сигнале, поступающем на устройство, например, от микроконтроллера обслуживаемой или необслуживаемой М-системы.
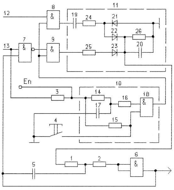
На чертеже приведена функциональная схема устройства для формирования импульсов, содержащего три резистора 1-3, замыкающую кнопку 4, первый контакт которой соединен с общей шиной устройства, конденсатор 5, логический повторитель 6 технологии КМОП (выполненный, например, как элемент И, входы которого объединены и являются входами повторителя 6), шину напряжения питания, элемент 7 И-НЕ, первый 8 и второй 9 элементы И, объединитель 10 сигналов по включению питания и от кнопки, первый, второй и третий входы которого соответственно соединены с шиной напряжения питания, общей шиной и вторым контактом кнопки 4, обнаружитель 11 импульсов, импульсный и установочный входы которого соответственно соединены с выходами первого 8 и второго 9 элементов И, а выход обнаружителя 11 соединен с первым выводом первого резистора 1, выход инверсного импульсного сигнала, соединенный с выходом повторителя 6 и первым выводом конденсатора 5, второй вывод которого соединен с вторым выводом первого резистора 1 и первым выводом второго резистора 2, второй вывод которого соединен с входом повторителя 6, вход 12 импульсного сигнала, являющийся первым входом первого элемента 8 И, и управляющий вход 13, связанный через третий резистор 3 с шиной напряжения питания и являющийся первым входом элемента 7 И-НЕ, второй вход которого соединен с выходом устройства, а выход элемента 7 И-НЕ соединен с первым входом второго элемента 9 И, второй вход которого соединен с вторым входом первого элемента 8 И и выходом объединителя 10.
Возможный вариант объединителя 10 сигналов по включению питания и от кнопки содержит резисторы 14-16, конденсатор 17, элемент 18 И технологии КМОП, первый вход, соединенный с первыми выводами резисторов 14 и 15, второй вход, соединенный с первым выводом конденсатора 17, второй вывод которого соединен с вторым выводом резистора 14 и первым выводом резистора 16, второй вывод которого соединен с первым входом элемента 18 И, третий вход, соединенный с вторым выводом резистора 15 и вторым входом элемента 18 И, и выход, являющийся выходом элемента 18 И.
Следует отметить, что при возможности использования импортной элементной базы в качестве объединителя 10 в настоящее время целесообразно применять микросхему типа DS1233D-10 фирмы DALLAS Semicodactor, являющуюся формирователем инверсного сигнала сброса при отклонении напряжения питания от номинала +5 В. Это отклонение находится в диапазоне от 4,25 В до 4,49 В, а микросхема содержит делитель напряжения со стабильными параметрами в рабочем диапазоне температур (Vcc TOLERANCE AND BIAS), источник опорного напряжения (Т.С. REFERENCE), компаратор, элемент задержки (350 ms DELAY), резистор, МОП-транзистор, вход напряжения питания, соединенный с первым выводом резистора и связанный через делитель напряжения с не инвертирующим входом компаратора, инвертирующий вход которого соединен с выходом источника опорного напряжения, вход общей шины, соединенный со стоком транзистора, и выход инверсного импульса, соединенный с вторым выводом резистора и истоком транзистора, затвор которого через элемент задержки связан с выходом компаратора.
Микросхема DS1233D-10 функционирует в диапазоне температур от -40° С до +85° С так, что при включении напряжения питания Еп 7 В вырабатывает на выходе инверсный импульс сброса NRST=0 длительностью tRST0=250-450 мс, а затем переключается в “1” и непрерывно следит за уровнем напряжения Еп: компаратор сравнивает выходное напряжение делителя с эталонным напряжением источника опорного напряжения и через элемент задержки управляет состоянием ключа – МОП-транзистора. При попадании напряжения Еп в соответствующую точку диапазона от 4,25 В до 4,49 В сигнал NRST на выходе микросхемы переключается из “1” в “0” за время, не большее 100 нc, на время, длительность которого не меньше tRST0=250-450 мс.
При использовании микросхемы DS1233D-10 в качестве объединителя 10 ее входы соединяются с шиной напряжения питания и общей шиной, а выход микросхемы является выходом объединителя 10, который соединяется с вторым контактом кнопки 4 и вторыми входами элементов 8 и 9.
Обнаружитель 11 импульсов может быть реализован на основе любого из указанных ранее устройств третьей группы (т.е. формирователя импульсов, огибающих серию импульсов), а один из возможных вариантов обнаружителя 11 содержит конденсаторы 19 и 20, диоды 21, 22 и 23, резисторы 24, 25 и 26, импульсный вход, соединенный с первым выводом конденсатора 19, второй вывод которого связан через резистор 24 с катодом диода 21 и анодом диода 22, вход установки, связанный через резистор 25 с анодом диода 23, и выход, соединенный с катодами диодов 22 и 23 и первыми выводами конденсатора 20 и резистора 26, вторые выводы которых соединены с анодом диода 21 и общей шиной.
Логические элементы устройства выполнены на КМОП интегральных микросхемах серии 1554 (повторитель 6 и элементы 8, 9 и 18 реализованы на одной микросхеме ЛИ1, содержащей четыре элемента 2 И, а элемент 7 И-НЕ занимает 0,25 микросхемы ЛАЗ, содержащей четыре элемента 2И-НЕ), функционирующей в диапазоне температур от -45° С до +85° С с напряжением питания Еп от +2 до +6 В при постоянном токе по каждому выходу до 24 мА и входном токе по каждому входу от -1 до +1 мкА – см., например, [16, с.15, с.21 табл.3.1]. Кроме того [16, с.16], микросхемы серии 1554 способны работать с выходным током не менее 75 мА и выходным напряжением не менее 3,85 В при Еп =5,5 В на шины с волновым сопротивлением Zo=50 Ом.
В качестве диодов 21-23 обнаружителя 11 можно использовать, например, диоды типа 2Д522Б либо три из восьми диодов диодной матрицы 2Д627А.
Далее описание работы устройства ведется с помощью положений, обозначений и расчетных соотношений, определенных в следующих пунктах.
1. При построении устройств, содержащих интегрирующую (или укорачивающую) цепь RC, подключенную выходом к входу логического элемента, связанного с его выходом через цепь положительной обратной связи, возникает задача оценки времени срабатывания Тcр. логического элемента при изменении сигнала на входе цепи с 0 В до напряжения питания Еп или наоборот от Еп до 0 В. Время Тcр. определяется постоянной времени Т=C· R цепи и порогом срабатывания логического элемента, который для КМОП элемента близок к половине напряжения Еп питания [9, с.58].
Обозначим по входу логического повторителя 6 (или по первому входу элемента 18) пороги его срабатывания по включению и выключению через U(+) и U(-) соответственно, причем



где dUy – небольшой интервал напряжения от U(+) до U(-), в котором повторитель 6 (или элемент 18) является неинвертирующим усилителем изменения входного напряжения с коэффициентом усиления, много большим единицы.
Согласно [15, с.67, 68] и учету близости порога (4) или (5) к величине Еп/2, время срабатывания Тcр. оценивается по формуле

определяющей для интегрирующей (или укорачивающей) цепи время изменения выходного сигнала цепи от исходного уровня до уровня, составляющего половину от скачкообразного изменения входного сигнала (или активную длительность выходного импульса укорачивающей цепи, измеряемую на уровне, составляющем половину от амплитудного).
2. Используется модифицированный язык описания логических функций ABEL, в котором операторы “И” и “НЕ” имеют обозначения “&” и “!” (или “N”) соответственно.
3. Напряжение между вторым и первым выводами резистора 1 обозначим через UR1, а напряжения на конденсаторах 5, 17, 19 и 20 обозначим соответственно через UC5, UC17, UC19 и UC20, причем UC5 (или UC19) измеряется на втором выводе конденсатора 5 (или 19) относительно его первого вывода, UC17 – на втором выводе конденсатора 17 относительно его первого вывода, соединенного с общей шиной, UC20 – на первом выводе конденсатора 20 относительно второго его вывода, соединенного с общей шиной.
Цифровые сигналы на входах 12, 13, в точке соединения резисторов 1, 2 и конденсатора 5 и сигналы на выходах элементов 6, 7, 8, 9 и 18 обозначим через IХ12, IХ13, NIR2 и NOX6, NOX7, 0Х8, OХ9 и NOX18, а соответствующие им аналоговые напряжения обозначим через U12, U13, UIR2 и U6, U7, U8, U9 и U18 соответственно, причем значение “0” или “1” любого цифрового сигнала моделируется аналоговым напряжением “ 0 В” (для UIR2 Еп” (для UIR2>U(-)) соответственно.(+))>
4. Обозначим сопротивления резисторов 1-3, 14-16, 24-26 и емкости конденсаторов 5, 17, 19 и 20 через R1-R3, R14-R16, R24-R26 и С5, С17, С19 и С20 соответственно.
Резистор 2 (или 16) предназначен для ограничения разрядного тока конденсатора 5 (или 14), протекающего через защитные диоды входов элемента 6 И – повторителя 6 (или защитный диод первого входа элемента 18 И) и резистор 2 (или 16) по началу или окончанию выходного импульса NOX6=0 (или при выключении напряжения питания). Сопротивления этих резисторов выбраны равными R2=R16=300 Ом с учетом [16, с.20, рис. 3.12] схемы защиты от электрического разряда с помощью схемы организации входов и выходов микросхем КР1554 с защитной парой диодов по каждому входу и выходу [16, с.25, рис.3.24].
Резисторы 24 и 25 предназначены для ограничения импульсных токов элементов 8 и 9 соответственно. Сопротивления этих резисторов выбраны равными R24=R25=51 Ом.
При не нажатой кнопке 4 на второй вход элемента 18 подается логический сигнал “1” за счет подключения этого входа к напряжению питания через резистор 15, сопротивление которого выбрано равным R15=2 кОм.
Вход 13 является технологическим (используется только при отладке М-системы от стенда), а в штатном режиме системы вход 13 открыт и находится в состоянии IХ13=1 за счет подключения его к напряжению питания через резистор 3, сопротивление которого выбрано равным R3=2 кОм.
5. Элемент 8, конденсатор 19 и диоды 21 и 22 используются только при работе устройства в режиме сторожевого таймера со слежением за поведением во времени входных импульсов IХ12. При установившемся напряжении питания Еп и не нажатой кнопке 4 этот режим выполняется по OХ8=IХ12 при IХ13=1 и поступлении на вход 12 последовательности импульсов IХ12 с периодом Т12=Т12.0+Т12.1, так что IХ12=0 (или 1) в течение Т12.0 (или Т12.1).
6. Объединитель 10 функционирует так, что в нем элемент 18 И выполняет логическую функцию объединения по ИЛИ инверсных сигналов по включению питания и от нажатой кнопки 4 и формирует инверсный выходной сигнал NOX18=0 при включении напряжения питания Еп, а после установления напряжения Еп на выходе элемента 18 повторяется цифровой сигнал положения кнопки 4, а именно NOX18=1 и NOX18=0 при не нажатой и нажатой кнопке 4 соответственно.
7. С использованием принятых обозначений логическое функционирование элементов 6-9 устройства описывается следующими формулами:






где напряжение UIR2 определяется формулой

причем монотонное изменение (возрастание до U(+) или уменьшение до U(-)) напряжения UIR2(t) по петле положительной обратной связи с выходным напряжением U6 через конденсатор С5 и резистор 2 как в триггере Шмитта вызывает скачкообразное переключение цифрового сигнала NOX6 повторителя 6 или из “0” в “1” при достижении порога срабатывания U(+) при возрастании либо из “1” в “0” при достижении порога срабатывания U(-) при уменьшении.
8. Под фронтом или срезом любого цифрового сигнала (прямого или инверсного) понимается смена логического состояния этого сигнала из “0” в “1” или из “1” в “0” соответственно.
На основании изложенного выше опишем последовательно функционирование устройства при возникновении каждого из следующих трех событий: включении напряжения питания, замыкании кнопки 4 с последующим размыканием, обнаружении пропуска или “зависания” входного импульсного сигнала IХ12 при IХ13=1, разрешающем работу устройства в режиме сторожевого таймера за входным импульсным сигналом IХ12.
Перед началом включения питания Eп=UC5=UC17=UC19=UC20=0 В и кнопка 4 разомкнута. С включением напряжения питания через несколько десятков миллисекунд при достижении Еп>2 В при UC17

на время tВКЛ, которое согласно выражению (6) оценивается выражением

В течение времени (15) конденсатор 17 через резистор 14 заряжается до напряжения UC17=U(+) и элемент 18 входит в зону dUy (5), в которой он является неинвертирующим усилителем увеличения входного напряжения UC17 с коэффициентом усиления, много большим единицы. Через время

перехода зоны dUy (5) конденсатор С17 заряжается до напряжения UC17> U(-), по которому элемент 18 устойчиво вырабатывает выходной сигнал NOX18=1. По цифровым сигналам NOX7=1 и NOX18=1 элемент 9 формирует цифровой сигнал OХ9=1, по напряжению U9 Eп которого через диод 23 быстро заряжается конденсатор 20 до напряжения UC20 Eп и устройство оказывается в единичном переходном состоянии (ЕПС)

примерно в течение времени

За время (18) конденсатор 5 от напряжения UC20 Еп через резистор 1 заряжается до напряжения UC5 U(+) и при UIR2=U(+) элемент 6 входит в зону dUy (5) усиления дальнейшего положительного приращения напряжения UIR2 с коэффициентом усиления, много большим единицы. Это вызывает по петле положительной обратной связи (через конденсатор 5 и резистор 2) замыкание выходного сигнала элемента 6 на его вход и лавинообразное переключение сигнала NOX6 из “0” в “1” с переходом устройства в нулевое переходное состояние (НПС)

Таким образом, при каждом включении питания на выходе устройства формируется инверсный импульс NOX6=0, длительность которого, с учетом ограничения (1), оценивается соотношением

По окончании этого импульса примерно через время

конденсатор С5 разряжается, и при IХ13=0 или при поступлении на вход 12 импульсов сигнала IХ12 с периодом Т12, удовлетворяющим условию обнаружения импульсов IХ13 (определен будет ниже), устройство переходит в нулевое устойчивое состояние (НУС) ненажатой кнопки 4

Если устройство находится в НУС (22), то при каждом нажатии кнопки 4 оно работает следующим образом.
При нажатии кнопки 4 на выходе элемента 18 формируется сигнал NOX18, который повторяет цифровой сигнал положения кнопки 4, длительность времени tдреб дребезга которой, согласно [5, с.117] с учетом выражения (18), определяется соотношением

После нажатия кнопки 4 через время (23) элементы 18, 8 и 9 вырабатывают цифровые сигналы NOX18=OХ8=OХ9=0, на выходах элементов 8 и 9 вырабатываются напряжения U8 U9 0 В, диоды 22 и 23 закрываются, и устройство переходит в нулевое переходное состояние нажатой кнопки (НПСНК)

длительность Т6.0 которого оценивается выражением

Функционирование устройства в состоянии (24) в течение Т6.0 заключается в разряде конденсатора С20 от напряжения UC20(t=0) Eп и заряде конденсатора UC5(t=0) 0 В до таких величин, что через время Т6.0 монотонное уменьшение напряжения UIR2 достигает порогового U(-)=UIR2=(UC20+UR1)=(UC5+U6) (UC5+Eп). Дальнейшее непрерывное уменьшение напряжения UIR2 через резистор R2 по входам воспринимается повторителем 6 и вызывает на его выходе усиленное уменьшение напряжения U6. Начавшееся уменьшение U6 по петле положительной обратной связи через конденсатор С5 и резистор R2 передается на входы повторителя 6 и вызывает скачкообразный процесс переключения сигнала NOX6 из “1” в “0”, и устройство переходит в единичное переходное состояние нажатой кнопки (ЕПСНК)

Поскольку U8=U9 0 B, то функционирование устройства в состоянии (26) заключается в разряде конденсаторов 5 и 20. Этот процесс заканчивается переходом устройства в единичное устойчивое состояние нажатой кнопки (ЕУСНК)

При отпускании кнопки через время tдреб (23) элемент 18 вырабатывает цифровой сигнал NОX18=1, и устройство далее функционирует по описанному ранее переходному процессу при включении питания после формирования элементом 9 цифрового сигнала OХ9=1, а именно, по напряжению U9 Еп через диод 23 быстро заряжается конденсатор 20 до напряжения UC20 Еп, с помощью которого устройство последовательно переходит в ЕПС (17) примерно на время Т6.1 (18), в НПС (19) примерно на время tpaзp5 (21) и в НУС (22), являющееся исходным.
Если устройство находится в НУС (22), то при IХ13=NOX18=1 оно переводится в режим сторожевого таймера с наблюдением за поведением во времени входного импульсного сигнала IХ12, определенного периодом Т12=Т12.0+Т12.1 частоты следования его импульсов.
Импульсы IХ12 через элемент 8 поступают на импульсный вход обнаружителя 11 в виде импульсов напряжения U8 таких, что в течение Т12.0 (или Т12.1) напряжение U8 0 В (или Еп). Поэтому с началом каждого фронта сигнала IХ12 в течение времени

по напряжению U8 Еп происходит заряд конденсаторов 19 и 20 через сопротивление (R24+Rd) соответственно до напряжений UC19 и UC20, определяемых выражениями


где
Rd (10-1000) Ом – дифференциальное сопротивление диода 22;
UC20(t=0) – напряжение UC20 в момент фронта импульса IХ12;
UD22 0,2 В – напряжение на открытом диоде 22 в конце Тз(28).
С началом каждого спада сигнала на входе 12 (т.е. при U8 0 В и U9 0 В) в течение времени Т12.0 происходит разряд конденсатора 19 примерно до 0 В, а в течение времени (Т12-Тз) происходят разряд конденсатора 20 от напряжения (30) и изменение (динамическое увеличение и уменьшение) напряжения UC5 через сопротивление 1 от разности напряжений [UC20(t)-U6]) [UC20(t)-Еп] с тенденцией слежения напряжения UIR2(t) (13) за изменяющимся напряжением UC20(t), которое в течение каждого периода Т12 сначала за время Тз (28) увеличивается, а затем в течение (Т12-Тз) уменьшается. Напряжение UIR2(t) при обнаружении на входе 12 импульсного сигнала IХ12 всегда больше порога U(-), а при UIR2(t)=U(-) устройство обнаруживает пропадание одного импульса во входной последовательности IХ12 (или “зависание”), отмечаемое формированием одного импульса NOX6=0 (или переводом устройства в режим автогенератора) с формированием элементом 9 с помощью элемента 7 единичного сигнала OХ9=1 (т.е. напряжения U9 Еп) установки обнаружителя 11 через резистор 25 и диод 23 в исходное состояние UC20 Еп обнаружения импульсов сигнала IХ12.
С использованием выражений (7)-(13) сказанное выше (см. выражения (25), (28)-(30)) формально описывает функционирование обнаружителя 11 импульсов сигнала IХ12 на входе 12, причем условием обнаружения импульсов OХ8=IХ12 является соотношение

а условием обнаружения пропадания или “зависания” импульсов 0Х8=IХ12 является соотношение.

Из (25), (28)-(32) следует, что устойчивая работа устройства в режиме сторожевого таймера со слежением за импульсным сигналом на входе 12 может быть обеспечена выбором значений (Т12-Тз) и С19 с запасом на основе выражений


С учетом сказанного выше функционирование устройства в режиме сторожевого таймера (наблюдения за поведением во времени импульсов OХ8=IХ12 при IX13=NOX18=1), начиная с некоторого момента времени из нулевого динамического состояния обнаружения импульсов (НДСОИ)


можно описать следующим образом.
С началом каждого фронта сигнала OХ8=IХ12 в течение времени Тз (28) по напряжению U8 En происходит заряд конденсаторов 19 и 20 через сопротивление (R24+Rd) до напряжений UC19 (29) и UC20 (30) соответственно. Затем с началом каждого спада сигнала OХ8 в течение времени Т12.0 при U8 0 В происходит разряд конденсатора 19 примерно до 0 В, а разряд конденсатора 20 от начального напряжения (30) происходит в течение времени (Т12-Тз), т.е. в течение большей части периода Т12 частоты следования импульсов OХ8=IХ12. Изменение же напряжения UIR2 происходит непрерывно со слежением за изменениями напряжения UC20>U(-) в течение как Тз, так и (Т12-Тз). В этой связи в данном режиме текущее значение напряжения UIR2(t) в зависимости от длительности (Т12-Тз) воспринимается по входам повторителем 6 при выполнении условия (31) обнаружения импульсов OХ8=IХ12 как цифровой сигнал NIR2=1 (т.e. UIR2(t)>U(-)), а если выполняется условие (32) обнаружения пропуска (или “зависания”) импульсов OХ8=IХ12, то в некоторый момент времени напряжение UIR2(t) уменьшается до порогового напряжения U(-), и через конденсатор 5 и резистор 2 замыкается петля положительной обратной связи, сигнал NOX6 переключается из “1” в “0”, и устройство переходит на время Т6.1 (18) в единичное состояние генерации (ЕСГ)

В течение времени Т6.1 напряжение UIR2(t) непрерывно увеличивается за счет заряда конденсатора С5 от напряжения (UC20-U6) Eп через резистор 1, и при t=T6.1 напряжение UIR2(t) становится равным U(+). Дальнейшее увеличение напряжения UIR2(t) по цепи положительной обратной связи через конденсатор 5 и резистор 2 вызывает переключение выходного сигнала ONX6 из “0” в “1” и возврат устройства в НДСОИ (35). Дальнейшее функционирование устройства определится поведением сигнала 0Х8=IХ12 как функции времени, а при “зависании” сигнала IХ12 (т.е. при неизменном во времени сигнале IХ12=0 или IХ12=1) устройство переходит в режим автогенератора. Режим автогенератора осуществляется как чередование по кольцу описанных процессов формирования NOX6=0 в течение Т6.1 и NOX6=1 в течение Т6.0, причем

в соответствии с выражениями (2), (18) и (25).
М-система выходной сигнал ONX6=0 воспринимает как инверсный импульс сброса NRST=0, по окончании которого она инициализируется, тестируется и приступает к выполнению своих функций. После или в процессе инициализации микроконтроллер УПУ должен начать программно вырабатывать импульсный сигнал IХ12 согласно ограничению (33) для поддержки функционирования устройства в НДСОИ (35) при IХ13=1. При корректном функционировании УПУ период Т12 частоты следовании импульсов IХ12 должен удовлетворять условиям (31) и (33) надежного обнаружения импульсов OХ8=IХ12 обнаружителем 11.
При IХ13=0 режим сторожевого таймера отключается. Это позволяет М-системе в процессе отладки функционировать от эмулятора микроконтроллера в пошаговом режиме.
Непосредственно из описания прототипа [14] и данного устройства следует, что по сравнению с прототипом предлагаемое устройство, благодаря его существенным признакам, обладает значительно расширенными функциональными возможностями за счет формирования выходного импульса при включении питания с учетом ограничения (1), реализованного в виде ограничения (20), а также обеспечения возможности (при IХ13=1) выполнения устройством функции аппаратного сторожевого таймера, обеспечивающего при “зависании” М-системы формирование выходного импульса с учетом ограничения (2), реализованного в виде ограничения (18).
Литература
1. Ушкар М.Н. Микропроцессорные устройства в радиоэлектронной аппаратуре/ под ред. Б.Ф.Высоцкого – М.: Радио и связь, 1988. – 128. “Принципы построения микропроцессорных средств”, с.5-12.
2. Бродин В.Б., Калинин А.В. Системы на микроконтроллерах и БИС программируемой логике. – М.: Издательство ЭКОМ, 2002 – 400 с.
3. Сташин В.В. и др. Проектирование цифровых устройств на однокристальных микроконтроллерах/ В.В.Сташин, А.В.Урусов, О.Ф.Молгонцева. – М: Энергоатомиздат, 1990. – 224 с.
4. Зельдин Е.А. Цифровые интегральные микросхемы в информационно-измерительной технике. Л.: Энергоатомиздат. Ленингр. отд-ние. 1986. – 280 с. “Импульсные устройства на микросхемах” – с.202-276.
5. Угрюмов Е.П. Цифровая схемотехника. – СПб.: БХВ-Петербург, 2001. – 528 с.
6. А.с. №725209, Н 03 К 3/78, СССР. Формирователь импульсов/ В.А.Ртищев. – Опубл. 1980. Бюл. №12.
7. А.с. №731562, Н 03 К 3/286, СССР. Устройство для устранения влияния дребезга контактов/ В.А.Матюшевский. – Опубл. 1980. Бюл. №16.
8. А.с. №1132353, Н 03 К 5/01, СССР. Устройство подавления дребезга/ Ю.Б.Цогоев. – Опубл. 1984. Бюл. №48.
9. Бирюков С.А. Цифровые устройства на МОП-интегральных микросхемах. – М.: Радио и связь, 1990. – 128 с.
10. Новиков Ю.В. Основы цифровой схемотехники. Базовые элементы и схемы. Методы проектирования. – М.: Мир, 2001. – 379 с. (Современная схемотехника).
11. А.с. №599341, Н 03 К 5/18. Устройство для контроля последовательности импульсов/ В.М.Киселев и М.А.Андронов. – Опубл. 1978. Бюл.№11.
12. А.с. №1020986, Н 03 К 5/156, СССР. Формирователь импульсов, огибающих серию импульсов/ А.М.Гамбург и Е.К.Иосипов. – Опубл. 1983. Бюл.№20.
13. А.с. №1157670, Н 03 К 5/13, 5/19, СССР. Устройство для обнаружения потери импульса/ А.Б.Кац и А.C.Креславский. – Опубл. 1985. Бюл.№19.
14. “Подавление дребезга кнопки с одной парой контактов” – с.55, рис.100а – с задержкой включения и выключения. В книге: Бирюков С.А. Цифровые устройства на МОП – интегральных микросхемах. – М.: Радио и связь, 1990. – 128 с. Прототип.
15. Ерофеев Ю.Н. Импульсные устройства: Учеб. Пособие для вузов по спец. “Радиотехника”. – М: Высш. шк. 1989. – 527 с.
16. И.И.Петровский, А.В.Прибыльский, А.А.Троян, B.C.Чувелев. Логические ИС КР1533, КР1554. Справочник. В двух частях. Часть 1. ТОО “БИНОМ”, 1993. – 254 с.
Формула изобретения
Устройство для формирования импульсов, содержащее первый и второй резисторы, замыкающую кнопку, первый контакт которой соединен с общей шиной устройства, конденсатор, логический повторитель технологии КМОП, шину напряжения питания и выход инверсного импульсного сигнала, соединенный с выходом повторителя и первым выводом конденсатора, отличающееся тем, что оно содержит третий резистор, элемент И-НЕ, первый и второй элементы И, объединитель сигналов по включению питания и от кнопки, первый, второй и третий входы которого соответственно соединены с шиной напряжения питания, общей шиной и вторым контактом кнопки, обнаружитель импульсов, импульсный и установочный входы которого соответственно соединены с выходами первого и второго элементов И, а выход обнаружителя соединен с первым выводом первого резистора, второй вывод которого соединен с вторым выводом конденсатора и первым выводом второго резистора, второй вывод которого соединен с входом повторителя, вход импульсного сигнала, являющийся первым входом первого элемента И, и управляющий вход, связанный через третий резистор с шиной напряжения питания и являющийся первым входом элемента И-НЕ, второй вход которого соединен с выходом устройства, а выход элемента И-НЕ соединен с первым входом второго элемента И, второй вход которого соединен с вторым входом первого элемента И и выходом объединителя.
РИСУНКИ
MM4A – Досрочное прекращение действия патента СССР или патента Российской Федерации на изобретение из-за неуплаты в установленный срок пошлины за поддержание патента в силе
Дата прекращения действия патента: 14.02.2009
Извещение опубликовано: 27.04.2010 БИ: 12/2010
(+)> |
|