|
|
(21), (22) Заявка: 2003133615/09, 18.11.2003
(24) Дата начала отсчета срока действия патента:
18.11.2003
(45) Опубликовано: 10.07.2005
(56) Список документов, цитированных в отчете о поиске:
SU 1413697 A1, 30.07.1988. RU 2020717 C1, 30.09.1994. RU 2025883 C1, 30.12.1994. RU 2216096 С2, 10.11.2003. SU 809459 A, 28.02.1981. SU 1769338 A1, 15.10.1992. GB 1245106 A, 08.09.1971. US 4390824 A, 28.06.1983. DE 3219476 A, 01.02.1983. ЕР 0279427, 24.08.1988.
Адрес для переписки:
302020, г.Орел, ул. Наугорское ш., 5, ЗАО “Электротекс”, ген. директору О.А. Тюрину
|
(72) Автор(ы):
Косчинский С.Л. (RU), Колоколов Ю.В. (RU), Багров В.В. (RU)
(73) Патентообладатель(и):
Закрытое акционерное общество “Электротекс” (RU)
|
(54) СПОСОБ ИМПУЛЬСНОГО РЕГУЛИРОВАНИЯ ЭЛЕКТРОДВИГАТЕЛЯ ПОСТОЯННОГО ТОКА
(57) Реферат:
Изобретение относится к электротехнике и может быть использовано в системах автоматизированного электропривода переменного тока, построенных на базе асинхронных электродвигателей, а также в активных корректорах коэффициента мощности. Техническим результатом является повышение качества регулирования и функциональной надежности системы. В способе формируют две последовательности синхронизирующих импульсов постоянной частоты, сдвинутые друг относительно друга на половину периода, верхний и нижний уровни ограничения тока, измеряют текущее значение тока электродвигателя, сравнивают его с верхним и нижним уровнями ограничения тока и в случае превышения током электродвигателя верхнего уровня ограничения тока отключают электродвигатель от источника питания, а при поступлении синхронизирующих импульсов первой последовательности подключают электродвигатель к источнику питания, а в случае уменьшения тока электродвигателя ниже нижнего уровня ограничения тока подключают электродвигатель к источнику питания, а при поступлении синхронизирующих импульсов второй последовательности отключают электродвигатель от источника питания. Определяют текущую ошибку регулирования, интегрируют ее, если величина интеграла ошибки регулирования превышает по модулю заданную ширину зоны гистерезиса, ограничивают полученное значение интеграла ошибки регулирования сверху или снизу величиной заданной ширины зоны гистерезиса. Суммируют полученную величину с текущим уровнем тока уставки и получают величину скорректированного уровня тока уставки. Новое текущее значение тока электродвигателя сравнивают с новыми верхним и нижним уровнями ограничения тока и повторяют процесс. 2 ил.

Предложенный способ относится к электротехнике, в частности к автоматизированному электроприводу постоянного тока, и предназначен для автоматического регулирования тока электродвигателей постоянного тока, и может быть использован в системах автоматизированного электропривода переменного тока, построенных на базе асинхронных электродвигателей, а также в активных корректорах коэффициента мощности.
Известен способ, например (а.с. СССР №1533904, кл. 5 В 60 L 15/04, 1987), заключающийся в том, что формируют первую и вторую последовательности синхронизирующих импульсов постоянной частоты с периодом, равным заданному периоду вынужденных колебаний регулируемого тока электродвигателя, причем вторая последовательность сдвинута относительно первой на половину периода, формируют верхний и нижний уровни ограничения тока, при этом верхний уровень ограничения тока больше уровня тока уставки на величину заданной ширины зоны гистерезиса, а нижний уровень ограничения тока меньше уровня тока уставки на величину заданной ширины зоны гистерезиса, измеряют текущее значение тока электродвигателя, сравнивают его с верхним и нижним уровнями ограничения тока и в случае превышения током электродвигателя верхнего уровня ограничения тока отключают электродвигатель от источника питания, а при поступлении синхронизирующих импульсов первой последовательности подключают электродвигатель к источнику питания, а в случае уменьшения тока электродвигателя ниже нижнего уровня ограничения тока подключают электродвигатель к источнику питания, а при поступлении синхронизирующих импульсов второй последовательности отключают электродвигатель от источника питания.
Однако указанный способ не обеспечивает хорошего качества регулирования из-за наличия статической ошибки регулирования тока двигателя. Кроме того, при использовании указанного способа в электроприводе возможно возникновение “вырожденного” режима, синхронизированного обеими последовательностями синхронизирующих импульсов, когда коммутация преобразователя происходит исключительно по синхронизирующим импульсам первой и второй последовательностей, а также возможно возникновение субгармонических и хаотических колебаний в диапазоне изменения коэффициента заполнения полупроводникового преобразователя, близком к значению 0,5.
Известен также способ (а.с. СССР №1413697, кл. 4 Н 02 Р 5/06, 1987), заключающийся в том, что формируют первую и вторую последовательности синхронизирующих импульсов постоянной частоты с периодом, равным заданному периоду вынужденных колебаний регулируемого тока электродвигателя, причем вторая последовательность сдвинута относительно первой на половину периода, формируют верхний и нижний уровни ограничения тока, при этом верхний уровень ограничения тока больше уровня тока уставки на величину заданной ширины зоны гистерезиса, а нижний уровень ограничения тока меньше уровня тока уставки на величину заданной ширины зоны гистерезиса, измеряют текущее значение тока электродвигателя, сравнивают его с верхним и нижним уровнями ограничения тока и в случае превышения током электродвигателя верхнего уровня ограничения тока отключают электродвигатель от источника питания, а при поступлении синхронизирующих импульсов первой последовательности подключают электродвигатель к источнику питания, а в случае уменьшения тока электродвигателя ниже нижнего уровня ограничения тока подключают электродвигатель к источнику питания, а при поступлении синхронизирующих импульсов второй последовательности отключают электродвигатель от источника питания. При этом для уменьшения статической ошибки регулирования тока используется цифровая коррекция уровня тока уставки, что важно при программном автоведении скоростного электрического подвижного состава и прицельном его торможении. Сущность коррекции заключается в смещении текущего уровня тока уставки на величину измеряемой статической ошибки регулирования тока. Кроме того, одновременно с дополнительной коррекцией тока уставки при изменении алгоритма управления полупроводниковым преобразователем при коэффициенте заполнения, равном значению 0,5, осуществляется стабилизация коэффициента заполнения на время 10-50 периодов регулирования тока Т в зависимости от инерционных свойств объекта регулирования, что практически устраняет колебания регулируемого тока с частотами, меньшими частоты регулирования. Этот способ принят за прототип.
Однако указанный способ позволяет уменьшить величину статической ошибки регулирования тока двигателя в два раза, но не позволяет исключить ее полностью. Кроме того, для реализации указанного способа используется достаточно сложная цифровая система управления, что снижает функциональную надежность системы.
Технической задачей изобретения является повышение качества регулирования и функциональной надежности системы.
Технический результат достигается за счет того, что формируют первую и вторую последовательности синхронизирующих импульсов постоянной частоты с периодом, равным заданному периоду вынужденных колебаний регулируемого тока электродвигателя, причем вторая последовательность сдвинута относительно первой на половину периода, формируют верхний и нижний уровни ограничения тока, при этом верхний уровень ограничения тока больше уровня тока уставки на величину заданной ширины зоны гистерезиса, а нижний уровень ограничения тока меньше уровня тока уставки на величину заданной ширины зоны гистерезиса, измеряют текущее значение тока электродвигателя, сравнивают его с верхним и нижним уровнями ограничения тока и в случае превышения током электродвигателя верхнего уровня ограничения тока отключают электродвигатель от источника питания, а при поступлении синхронизирующих импульсов первой последовательности подключают электродвигатель к источнику питания, а в случае уменьшения тока электродвигателя ниже нижнего уровня ограничения тока подключают электродвигатель к источнику питания, а при поступлении синхронизирующих импульсов второй последовательности отключают электродвигатель от источника питания. При этом для исключения статической ошибки регулирования используют коррекцию уровня тока уставки, которая заключается в том, что в процессе измерения текущего значения тока электродвигателя определяют текущую ошибку регулирования как разность между уровнем тока уставки и текущим значением тока электродвигателя, интегрируют текущую ошибку регулирования и в случае, если величина интеграла ошибки регулирования превышает по модулю ширину заданной зоны гистерезиса, ограничивают полученное значение интеграла ошибки регулирования сверху или снизу величиной заданной ширины зоны гистерезиса, затем суммируют полученную величину с текущим уровнем тока уставки, в результате чего получают величину нового уровня тока уставки, а затем новое текущее значение тока электродвигателя сравнивают с новыми верхним и нижним уровнями ограничения тока и повторяют процесс описанным образом. Кроме исключения статической ошибки регулирования, предлагаемый способ обеспечивает автоматическую смену алгоритма подачи управляющих импульсов на полупроводниковый преобразователь при равенстве коэффициента заполнения импульсов значению 0,5.
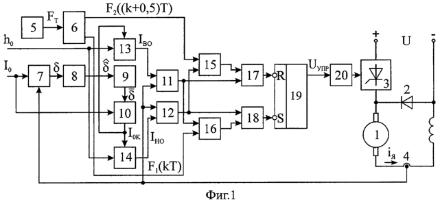
На фиг.1 схематично показано устройство реализации предлагаемого способа; на фиг.2 – временные диаграммы, поясняющие принцип работы способа.
Электропривод постоянного тока (фиг.1) содержит электродвигатель 1, шунтированный диодом 2 и подключенный к полупроводниковому преобразователю 3, датчик тока 4, задающий генератор 5, выход которого соединен с входом формирователя импульсных последовательностей постоянной частоты 6, сдвинутых друг относительно друга на половину периода синхронизации, первый выход формирователя 6 подключен к одному из входов второго логического элемента “ИЛИ-НЕ” 16, а второй выход формирователя 6 подключен к одному из входов первого логического элемента “ИЛИ-НЕ” 15, другой вход которого объединен с выходом второго компаратора 12 и одним из входов четвертого элемента “ИЛИ-НЕ” 18, второй вход которого соединен с выходом второго элемента “ИЛИ-НЕ” 16, один из входов которого объединен с выходом первого компаратора 11 и одним из входов третьего элемента “ИЛИ-НЕ” 17, другой вход которого соединен с выходом первого элемента “ИЛИ-НЕ” 15, а выход соединен с R-входом триггера 19, S-вход которого соединен с выходом четвертого элемента “ИЛИ-НЕ” 18, а прямой выход триггера 19 подключен к входу формирователя-усилителя 20, выход которого подключен к цепям управления полупроводниковым преобразователем 3. Выход датчика тока 4 соединен с прямым входом первого компаратора 11, инверсным входом второго компаратора 12 и инверсным входом сумматора 7, второй вход которого соединен с первым входом сумматора 10. Выход сумматора 7 соединен с входом интегратора 8, выход которого соединен с входом ограничителя 9, выход которого соединен со вторым входом сумматора 10, выход которого объединен с первым входом сумматора 13 и первым входом сумматора 14, инверсный вход которого объединен с первым входом сумматора 13, выход которого соединен с инверсным входом первого компаратора 11. Прямой вход компаратора 12 соединен с выходом сумматора 14.
На фиг.1 и фиг.2 обозначено: U – постоянное напряжение на входе электропривода; FT – напряжение на выходе задающего генератора; F1(kT) – напряжение на выходе формирователя синхронизирующих последовательностей (сигнал первой синхронизирующей последовательности); F2((k+0,5)T) – напряжение на выходе формирователя синхронизирующих последовательностей (сигнал второй синхронизирующей последовательности); UУПР – напряжение на прямом выходе триггера 19; IВО – верхний уровень ограничения тока; I0K – скорректированный уровень тока уставки; I0 – заданный уровень тока уставки; IHO – нижний уровень ограничения тока; iЯ – ток якоря электродвигателя; – напряжение на выходе интегратора; h0 – напряжение, соответствующее заданной ширине зоны гистерезиса; – напряжение коррекции уровня тока уставки на выходе ограничителя 9; – ошибка регулирования.
Задающий генератор 5 формирует импульсы напряжения FТ (фиг.2) с периодом следования Т0, по передним фронтам которых формирователь импульсных последовательностей 6 формирует первую F1(kT) и вторую F2((k+0,5)T) последовательности синхронизирующих импульсов постоянной частоты, сдвинутые друг относительно друга на 180°.
На вход “I0” подается постоянное напряжение, пропорциональное величине заданной уставки тока, а на вход “h0” подается постоянное напряжение, пропорциональное заданной ширине зоны гистерезиса h0.
В зависимости от величины коэффициента заполнения полупроводникового преобразователя автоматически определяется алгоритм переключений релейно-импульсного регулятора и соответственно подачи управляющих импульсов на полупроводниковый преобразователь 3, а именно при меньше 0,5 на открывание полупроводникового преобразователя воздействуют импульсы напряжения первой синхронизирующей последовательности F1(kT), а на закрывание – импульсы, формируемые релейным способом компаратором 11 (фиг.1) при превышении регулируемым током iЯ верхнего уровня ограничения тока IВО (фиг.2а). При больше 0,5 на открывание полупроводникового преобразователя воздействуют импульсы, формируемые релейным способом компаратором 12 (фиг.1) при уменьшении регулируемого тока iЯ (фиг.2б) ниже нижнего уровня ограничения тока IНО, а на закрывание – импульсы напряжения второй синхронизирующей последовательности F2((k+0,5)T) (фиг.2б).
В исходном состоянии постоянное напряжение U (фиг.2а) на входе электропривода равно нулю, ток якорной цепи iЯ электродвигателя 1 равен нулю. Ошибка регулирования на выходе сумматора 7 (фиг.1) равна величине I0 (фиг.2а). На выходе интегратора 8 устанавливается некоторое положительное напряжение “насыщения”, определяемое напряжением питания интегратора, которое далее ограничивается сверху ограничителем 9 до уровня заданной ширины зоны гистерезиса h0 (фиг.2а), после чего суммируется на сумматоре 10 (фиг.1) с уставкой I0 (фиг.2а). В результате суммирования получают скорректированный уровень тока уставки I0K, который далее подается на входы сумматоров 13 и 14. На сумматоре 13 к скорректированному уровню тока уставки I0K прибавляется заданная ширина зоны гистерезиса h0, а на сумматоре 14 из I0K вычитается заданная ширина зоны гистерезиса h0. Напряжения на выходах сумматоров 13 и 14, соответствующие верхнему IВО и нижнему IНО уровням ограничения тока, сравниваются в компараторах 11 и 12 с величиной напряжения, пропорционального току якоря двигателя iЯ с датчика тока 4. В результате сравнения на выходе компаратора 11 устанавливается состояние, равное логическому “0”, а на выходе компаратора 12 состояние, равное логической “1”. Напряжение с выхода компаратора 12 через элемент ИЛИ-НЕ 18 воздействует на S-вход триггера 19, устанавливая его прямой выход UУПР в состояние логической “1” (фиг.2а), что соответствует открытому состоянию полупроводникового преобразователя 3.
Работа предлагаемого способа заключается в следующем.
При включении системы, например, в момент времени t1 на вход электропривода подается постоянное напряжение U. Ток через электродвигатель iЯ (фиг.2а) возрастает. Текущая ошибка регулирования (t), определяемая как разность между уровнем тока уставки I0 и текущим значением тока электродвигателя iЯ(t) в соответствии с формулой

уменьшается.
Напряжение, пропорциональное текущей ошибке регулирования (t), подается на вход интегратора 8, где интегрируется в соответствии с формулой

где – постоянная времени интегратора.
Напряжение, пропорциональное интегралу ошибки регулирования (t), на выходе интегратора 8 уменьшается одновременно с уменьшением текущей ошибки регулирования (t) (фиг.2а).
В силу того что напряжение на выходе интегратора (t) больше уровня заданного гистерезиса h0, оно ограничивается ограничителем 9 до уровня заданного гистерезиса h0 согласно условию

Ширина зоны гистерезиса h0 выбирается исходя из условия

где iMAX – максимальный размах пульсаций тока якоря двигателя, определяемый периодом вынужденных колебаний тока электродвигателя 1 и индуктивностью электродвигателя 1 (фиг.1).
На сумматоре 10 происходит суммирование полученного на выходе ограничителя 9 напряжения коррекции (t) с заданным уровнем уставки тока I0, в результате чего получают скорректированный уровень уставки тока

Напряжение на выходе интегратора по мере увеличения тока якоря двигателя iЯ и, соответственно, уменьшения ошибки регулирования продолжает уменьшаться, а напряжение коррекции по прежнему остается равным уровню заданного гистерезиса h0 (фиг.2а). При этом максимальное перерегулирование не превышает величины 2h0.
Полупроводниковый преобразователь 3 (фиг.1) продолжает оставаться в открытом состоянии до тех пор, пока ток электродвигателя iЯ не превысит верхнего уровня ограничения тока IВО (фиг.2а). При превышении регулируемым током iЯ верхнего уровня ограничения тока IВО в момент времени t2 выход компаратора 11 (фиг.1) переходит в состояние логической “1”, которое через элемент ИЛИ-НЕ 17 воздействует на R-вход триггера 19, устанавливая его прямой выход UУПР в состояние логического “0”, что приводит к закрытию полупроводникового преобразователя 3 и отключению двигателя 1 от источника питания. Ток электродвигателя iЯ уменьшается (фиг.2а).
Очередной импульс напряжения первой синхронизирующей последовательности F1(kT), равный логическому “0”, на входе элемента ИЛИ-НЕ 16 в момент времени t3 через элемент ИЛИ-НЕ 18 воздействует на S-вход триггера 19 и устанавливает его прямой выход UУПР в состояние логической “1”, что приводит к открытию полупроводникового преобразователя 3 и подключению двигателя 1 к источнику питания (фиг.1). Ток электродвигателя iЯ увеличивается. Периодический процесс повторяется (фиг.2а).
В момент времени t4 напряжение на выходе интегратора попадает в заданную зону гистерезиса. Далее напряжение коррекции и соответственно величина скорректированного уровня уставки тока I0K уменьшаются до тех пор, пока среднее значение регулируемого тока двигателя iЯ не достигнет величины заданного уровня тока уставки I0. Исключение статической ошибки регулирования достигается за счет большого коэффициента передачи по постоянному току интегратора 8, а ограничение перерегулирования – за счет выбора уровня ограничения ограничителя 9, который в рассматриваемом способе равен заданной ширине зоны гистерезиса h0. Величина постоянной времени (интегратора 8 выбирается из диапазона (4-10Т), где Т – период вынужденных колебаний тока якоря двигателя. Выбор меньших значений приводит к потере устойчивости системы. Выбор больших значений приводит к затягиванию переходных процессов в системе, однако, не влияет на статическую точность системы.
По мере увеличения частоты вращения двигателя увеличивается коэффициент заполнения полупроводникового преобразователя и амплитуда пульсаций регулируемого тока. При достижении коэффициентом заполнения значения, равного 0,5, автоматически происходит смена алгоритма формирования управляющих импульсов, подаваемых на полупроводниковый преобразователь 3.
При достижении регулируемым током iЯ нижнего уровня ограничения тока IOH (фиг.2б) на выходе компаратора 12 появляется высокий уровень напряжения, который через элемент ИЛИ-НЕ 18 воздействует на S-вход триггера 19, устанавливая его прямой выход UУПР в состояние логической “1”, что приводит к открытию полупроводникового преобразователя и подключению двигателя к источнику питания. Ток электродвигателя iЯ увеличивается. Очередной импульс низкого уровня второй синхронизирующей последовательности на входе элемента ИЛИ-НЕ 15 через элемент ИЛИ-НЕ 17 воздействует на R-вход триггера 19, устанавливая его выход UУПР в состояние логического “0”, что приводит к закрытию полупроводникового преобразователя и отключению двигателя от источника питания. Ток электродвигателя iЯ уменьшается. Периодический процесс повторяется (фиг.2б).
Алгоритм коррекции тока уставки не изменяется с изменением алгоритма подачи управляющих импульсов на полупроводниковый преобразователь 3. Смена алгоритма подачи управляющих импульсов происходит автоматически при равенстве коэффициента заполнения импульсов значению 0,5.
За счет того что измеряют ток электродвигателя, определяют ошибку регулирования, далее полученную ошибку регулирования интегрируют и ограничивают величину интеграла сверху и снизу величиной заданной ширины зоны гистерезиса, а полученную величину затем суммируют с заданным уровнем тока уставки, в результате чего получают скорректированное значение уровня уставки тока, что позволяет повысить качество регулирования путем исключения статической ошибки регулирования тока электродвигателя, а также обеспечить автоматическую смену алгоритма подачи импульсов на полупроводниковый преобразователь при равенстве коэффициента заполнения импульсов значению 0,5. Простой механизм реализации способа повышает функциональную надежность системы.
Формула изобретения
Способ импульсного регулирования электродвигателя постоянного тока, заключающийся в том, что формируют первую и вторую последовательности синхронизирующих импульсов постоянной частоты с периодом, равным заданному периоду вынужденных колебаний регулируемого тока электродвигателя, причем вторая последовательность сдвинута относительно первой на половину периода, формируют верхний и нижний уровни ограничения тока, при этом верхний уровень ограничения тока больше уровня тока установки на величину заданной ширины зоны гистерезиса, а нижний уровень ограничения тока меньше уровня тока уставки на величину заданной ширины зоны гистерезиса, измеряют текущее значение тока электродвигателя, сравнивают его с верхним и нижним уровнями ограничения тока и, в случае превышения током электродвигателя верхнего уровня ограничения тока, отключают электродвигатель от источника питания, а при поступлении синхронизирующих импульсов первой последовательности подключают электродвигатель к источнику питания, а в случае уменьшения тока электродвигателя ниже нижнего уровня ограничения тока подключают электродвигатель к источнику питания, при поступлении синхронизирующих импульсов второй последовательности отключают электродвигатель от источника питания, отличающийся тем, что в процессе измерения текущего значения тока электродвигателя определяют текущую ошибку регулирования как разность между уровнем тока уставки и текущим значением тока электродвигателя, интегрируют текущую ошибку регулирования, и, в случае, если величина интеграла ошибки регулирования превышает по модулю заданную ширину зоны гистерезиса, ограничивают полученное значение интеграла ошибки регулирования сверху или снизу величиной заданной ширины зоны гистерезиса, затем суммируют полученную величину с текущим уровнем тока уставки, в результате чего получают величину скорректированного уровня тока уставки, а затем новое текущее значение тока электродвигателя сравнивают с новыми верхним и нижним уровнями ограничения тока и повторяют процесс описанным образом.
РИСУНКИ
MM4A Досрочное прекращение действия патента Российской Федерации на изобретение из-за неуплаты в установленный срок пошлины за поддержание патента в силе
Дата прекращения действия патента: 19.11.2005
Извещение опубликовано: 27.01.2007 БИ: 03/2007
|
|