|
(21), (22) Заявка: 2004102975/09, 02.02.2004
(24) Дата начала отсчета срока действия патента:
02.02.2004
(45) Опубликовано: 10.07.2005
(56) Список документов, цитированных в отчете о поиске:
SU 1800607 A1, 07.03.1993. SU 1188873 А, 30.10.1985. US 5072141, 10.12.1991. US 5768114 А, 16.06.1998. SU 60985, 14.07.1959.
Адрес для переписки:
630128, г.Новосибирск, ул. Полевая, 8, кв.71, Ю.И. Красникову
|
(72) Автор(ы):
Боровиков В.М. (RU), Красников Ю.И. (RU)
(73) Патентообладатель(и):
ООО “Силовая электроника” (RU)
|
(54) СПОСОБ ОГРАНИЧЕНИЯ ОБРАТНОГО ТОКА ПРИ ВОССТАНОВЛЕНИИ ДИОДА
(57) Реферат:
Изобретение относится к преобразовательной технике. Технический результат заключается в увеличении КПД. Способ ограничения обратного тока при восстановлении диода (Д) путем включения последовательно с диодом дросселя (Др) насыщения, зашунтированного цепью из последовательно соединенных резистора и второго Д, включенного согласно Д, на сердечнике Др вводят дополнительную обмотку, подмагничиваемую постоянным током, причем число витков дополнительной обмотки, направление и величину тока выбирают таким образом, чтобы сердечник Др был насыщен для прямого тока через Д. Для уменьшения перенапряжения на элементах в качестве резистора может использоваться элемент с нелинейной вольт-амперной характеристикой: стабилитрон, варистор, супрессор. Таким образом, обратный ток диода постоянен по величине, пропорционален току подмагничивания, процесс перемагничивания Др начинается сразу после восстановления Д, поэтому нет ограничения на максимальную скважность запертого состояния Д вплоть до 100%. 1 з.п. ф-лы, 4 ил.

Изобретение относится к области электротехники и может быть использовано в преобразовательной технике.
Известен способ ограничения обратного тока при восстановлении диода включением последовательно с диодом индуктивности, зашунтированной дополнительным диодом и резистором (Г.А.Белов, С.А.Кузьмин. Преобразователи переменного напряжения 380 В в стабилизированное постоянное. Электронная техника в автоматике. Под ред. Ю.И.Конева. М., Радио и связь, 1981, выпуск 12, с.53-57) [1].
Недостатками такого способа ограничения обратного тока диода являются большая амплитуда линейно нарастающего обратного тока и низкий КПД из-за рассеяния энергии в резисторе.
Для исключения первого недостатка известно применение дросселя насыщения, включенного последовательно с диодом (Аморфные магнитомягкие сплавы и их применение в источниках вторичного электропитания: Справочное пособие / В.И.Хандогин, А.В.Райкова, Н.Н.Ершов и др. Под ред. В.И.Хандогина. М., 1990, стр. 136-137) [2].
Недостатком такого способа ограничения обратного тока при восстановлении диода является низкий КПД из-за рассеяния энергии в резисторе и потерь на перемагничивание сердечника дросселя насыщения. Низкий КПД связан с большим временем восстановления диода, т.к. потери в сердечнике дросселя насыщения и в резисторе пропорциональны величине изменения индукции сердечника дросселя насыщения под действием приложенного к обмотке дросселя насыщения напряжения во время восстановления диода. Время восстановления диода составляет 5-10 времен жизни неосновных носителей в базе диода, т.к. обратный ток диода пренебрежимо мал (по сравнению с прямым током) из-за большой величины индуктивности дросселя насыщения в ненасыщенном состоянии.
При приложении прямого напряжения к диоду ток течет по цепи резистор – дополнительный диод – диод в течение всего времени перемагничивания сердечника дросселя насыщения, поэтому в резисторе выделяется мощность потерь, которую можно оценить по формуле:

где PR – средняя мощность, выделяющаяся в резисторе;
ID – прямой ток через диод;
UR – падение напряжения на резисторе;
R – время перемагничивания сердечника дросселя насыщения под действием напряжения UR;
f – частота, с которой происходит восстановление диода;
Uo – напряжение, прикладываемое к дросселю насыщения во время восстановления диода;
o – время восстановления диода.
Задача, решаемая изобретением, – увеличение КПД при восстановлении диода.
Сущность предлагаемого изобретения состоит в том, что в известном способе ограничения обратного тока при восстановлении диода путем включения последовательно с диодом дросселя насыщения, зашунтированного цепью из последовательно соединенных резистора и второго диода, включенного согласно диоду, на сердечнике дросселя насыщения вводят дополнительную обмотку, подмагничиваемую постоянным током, причем число витков дополнительной обмотки, направление и величину тока выбирают таким образом, чтобы сердечник дросселя насыщения был насыщен для прямого тока через диод.
С целью уменьшения перенапряжений на элементах, входящих в схему ограничения обратного тока диода или присоединенных к ней, вместо резистора может быть использован элемент с нелинейной вольт-амперной характеристикой (стабилитрон, варистор, супрессор).
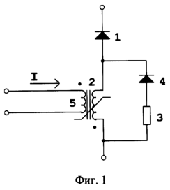
На фиг.1 представлена принципиальная схема реализации предлагаемого способа ограничения обратного тока при восстановлении диода, на фиг.2 – кривые токов и напряжений элементов схемы, на фиг.3, фиг.4 – примеры реализации предлагаемого способа в импульсных регуляторах напряжения понижающего и повышающего типов соответственно.
Схема на фиг.1 содержит включенный последовательно с диодом 1 дроссель насыщения 2, зашунтированный цепью из последовательно соединенных резистора 3 и второго диода 4, включенного согласно диоду 1, дополнительную обмотку 5 с током подмагничивания I, введенную на сердечнике дросселя насыщения 2.
Ограничение обратного тока при восстановлении диода 1 происходит следующим образом.
Пусть в начальный момент t0 (фиг. 2) через диод 1 течет прямой ток, сердечник дросселя насыщения 2 находится в насыщенном состоянии, ток через резистор 3 и второй диод 4 равен нулю.
В момент времени t1 к последовательной цепи диод 1 – дроссель насыщения 2 прикладывается обратное по отношению к диоду 1 напряжение, сердечник дросселя насыщения 2 выходит из насыщения и дроссель насыщения 2 начинает работать как трансформатор. При этом к обмотке дросселя насыщения 2 приложено напряжение, приводящее к изменению индукции в сердечнике дросселя насыщения 2, и по ней течет ток, равный току подмагничивания I, деленному на отношение числа витков обмотки дросселя насыщения 2 к числу витков дополнительной обмотки 5. Этот ток является восстанавливающим для диода 1, поэтому выбором тока подмагничивания I и числа витков дополнительной обмотки 5 можно выбирать темп выноса неосновных носителей заряда из базовой области диода 1, т.е. изменять время восстановления диода 1. В течение этого времени сердечник насыщающегося дросселя 2 не должен войти в насыщение во избежание резкого увеличения обратного тока диода 1.
В момент времени t2 диод 1 восстанавливается, ток, наведенный в обмотке дросселя насыщения 2, замыкается через резистор 3 и второй диод 4, к диоду 1 прикладывается сумма обратного напряжения и напряжения на резисторе 3. Приложенное к обмотке дросселя насыщения 2 напряжение имеет противоположный обратному напряжению знак, поэтому сердечник дросселя насыщения 2 начинает перемагничиваться в обратную сторону. В момент времени t3 сердечник дросселя насыщения 2 насыщается, ток в обмотке дросселя насыщения 2, резисторе 3 и втором диоде 4 становится равным нулю, а к диоду 1 прикладывается напряжение, равное обратному.
В момент времени t4 к диоду 1 прикладывается прямое напряжение и через диод 1 начинает протекать прямой ток. Т.к. дроссель насыщения 2, сердечник которого находится в насыщенном состоянии, имеет некоторую индуктивность, в момент времени t4 ток потечет через резистор 3 и дополнительный диод 4. В период времени t4-t5 будет происходить перераспределение тока через резистор 3 и обмотку дросселя насыщения 2. К моменту времени t5 весь ток потечет через обмотку дросселя насыщения 2.
В момент времени t6 к последовательной цепи диод 1 – дроссель насыщения 2 прикладывается обратное по отношению к диоду 1 напряжение и процесс восстановления диода 1 повторяется аналогично моменту времени t1.
Среднюю мощность потерь в резисторе 3 можно оценить как:

где РR3 – средняя мощность, выделяющаяся в резисторе 3;
I – ток подмагничивания дополнительной обмотки 5;
N5 – число витков дополнительной обмотки 5;
N2 – число витков обмотки дросселя насыщения 2;
UR3 – падение напряжения на резисторе 3;
t3-t2 – время обратного перемагничивания сердечника дросселя насыщения 2 под действием напряжения UR3;
f – частота, с которой происходит восстановление диода;
Uo – напряжение, прикладываемое к дросселю насыщения во время восстановления диода (обратное напряжение);
t2-t1 – время восстановления диода 1.
Для сравнения потерь в резисторе 3 с аналогичными потерями в резисторе прототипа поделим уравнение (2) на уравнение (I):

Если принять I=ID, N5/N2=1/5, т.е. обратный ток диода 1 в пять раз меньше прямого тока через этот диод, то время (t2-t1) восстановления диода 1 будет в несколько раз меньше времени o – времени восстановления диода 1 при отсутствии обратного тока. Соответственно мощность потерь в резисторе 3 будет на порядок меньше, чем мощность потерь в резисторе прототипа, а потери на перемагничивание сердечника дросселя насыщения 2 будут в несколько раз меньше, чем потери на перемагничивание сердечника дросселя насыщения прототипа.
Для уменьшения выброса напряжения на резисторе 3 и насыщающемся дросселе 2 при приложении к диоду 1 прямого напряжения вместо резистора 3 можно использовать элемент с нелинейной вольт-амперной характеристикой (стабилитрон, варистор, супрессор).
Во многих практически важных случаях можно отказаться от использования отдельного источника тока подмагничивания дополнительной обмотки 5, а включить дополнительную обмотку 5 в ту цепь схемы (устройства), где течет постоянный ток, например, в цепь LC-фильтра (фиг.3) или в цепь индуктивного накопителя энергии (фиг.4).
На фиг. 3 представлен пример применения предлагаемого способа ограничения обратного тока при восстановлении диода в импульсном регуляторе напряжения понижающего типа.
Импульсный регулятор напряжения на фиг. 3 содержит входной 6, общий 7 и выходной 8 выводы для подключения источника питания 9 и нагрузки 10 соответственно, силовой ключ 11, обратный диод 1, LC-фильтр, содержащий дроссель 12 и конденсатор 13, дроссель насыщения 2, дополнительный диод 4, резистор 3, а также дополнительно введенную обмотку 5 на сердечнике дросселя насыщения 2.
Рассмотрим, как происходит ограничение обратного тока при восстановлении обратного диода 1 в установившемся режиме.
Пусть силовой ключ 11 разомкнут, ток дросселя 12 замыкается через нагрузку 10, обратный диод 1, обмотку дросселя насыщения 2 и дополнительно введенную обмотку 5, при этом сердечник дросселя насыщения 2 находится в насыщении, ток через дополнительный диод 4 и резистор 3 равен нулю.
При замыкании силового ключа 11 к обмотке дросселя насыщения 2 прикладывается напряжение источника питания 9, выводящее сердечник дросселя 2 из насыщения, в результате дроссель насыщения 2. начинает работать как трансформатор. Через обратный диод 1 начинает протекать обратный ток, равный току дросселя 12, деленному на отношение числа витков дросселя насыщения 2 к числу витков дополнительно введенной обмотки 5. Через силовой ключ 11 в это время течет сумма тока дросселями тока восстановления обратного диода 1.
После восстановления обратного диода 1 ток, протекающий по обмотке дросселя насыщения 2, замыкается через дополнительный диод 4 и резистор 3, при этом под действием напряжения на этих элементах начинается процесс обратного перемагничивания сердечника дросселя насыщения 2, который заканчивается насыщением сердечника и прекращением протекания тока через диод 4 и резистор 3. Сердечник дросселя насыщения 2 удерживается в насыщенном состоянии током дросселя 12, протекающим по дополнительно введенной обмотке 5.
Таким образом, обратный ток при восстановлении обратного диода 1 в импульсном регуляторе напряжения понижающего типа ограничен величиной тока дросселя 12, деленной на отношение числа витков дросселя насыщения 2 к числу витков дополнительно введенной обмотки 5. Выбором числа витков дросселя насыщения 2 и дополнительно введенной обмотки 5 можно минимизировать потери в резисторе 3 и потери на перемагничивание сердечника дросселя насыщения 2 при восстановлении обратного диода 1.
Включение дополнительно введенной обмотки 5 последовательно с дросселем 12 упрощает схему импульсного регулятора напряжения понижающего типа и устанавливает пропорциональность прямого и обратного тока через обратный диод 1.
Импульсный регулятор напряжения повышающего типа, представленный на фиг. 4, содержит входной 6, общий 7 и выходной 8 выводы для подключения источника питания 9 и нагрузки 10 соответственно, дроссель 12, силовой ключ 11, диод 1, конденсатор 13, дроссель насыщения 2, дополнительный диод 4, резистор 3, а также дополнительно введенную обмотку 5 на сердечнике дросселя насыщения 2.
Рассмотрим, как происходит ограничение обратного тока при восстановлении диода 1 в установившемся режиме.
Пусть силовой ключ 11 разомкнут, ток дросселя 12 замыкается через дополнительно введенную обмотку 5, обмотку дросселя насыщения 2, диод 1, нагрузку 10, источник питания 9, при этом сердечник дросселя насыщения 2 находится в насыщении, ток через дополнительный диод 11 и резистор 3 равен нулю.
При замыкании силового ключа 11 к обмотке дросселя насыщения 2 прикладывается напряжение, равное напряжению на нагрузке 10, т.к. диод 1 находится в проводящем состоянии. Это напряжение выводит сердечник дросселя 2 из насыщения, в результате дроссель насыщения 2 начинает работать как трансформатор и через диод 4 начинает протекать обратный ток, равный току дросселя 12, деленному на отношение числа витков дросселя насыщения 2 к числу витков дополнительно введенной обмотки 5. Через силовой ключ 11 в это время течет сумма тока дросселя 12 и тока восстановления диода 1.
После восстановления диода 1 наведенный в обмотке дросселя насыщения 2 ток замыкается через дополнительный диод 4 и резистор 3, ток в силовом ключе 11 становится равным току в дросселе 12. Под действием напряжения на дополнительном диоде 4 и резисторе 3 начинается процесс обратного перемагничивания сердечника дросселя насыщения 2, который заканчивается насыщением сердечника и прекращением тока через диод 4 и резистор 3.
Обратный ток при восстановлении диода 1 в импульсном регуляторе напряжения повышающего типа ограничен величиной тока дросселя 12, деленной на отношение числа витков дросселя насыщения 2 к числу витков дополнительно введенной обмотки 5. Выбором числа витков дросселя насыщения 2 и этого отношения можно минимизировать потери в резисторе 3 и потери на перемагничивание сердечника дросселя насыщения 2 при восстановлении диода 1.
Включение дополнительно введенной обмотки 5 последовательно с дросселем 12 упрощает схему импульсного регулятора напряжения повышающего типа и устанавливает пропорциональность прямого и обратного тока через диод 1.
Таким образом, предлагаемый способ ограничения обратного тока при восстановлении диода обладает следующими положительными качествами:
– обратный ток диода постоянен и равен току подмагничивания дополнительно введенной обмотки, деленному на отношение числа витков обмотки дросселя насыщения к числу витков дополнительно введенной обмотки, поэтому при заданном максимальном обратном токе диода время восстановления диода минимально;
– процесс перемагничивания сердечника дросселя насыщения начинается сразу после восстановления диода, поэтому нет ограничения на максимальную скважность запертого состояния диода вплоть до 100%;
– потери на перемагничивание сердечника дросселя насыщения уменьшены в несколько раз, а потери в резисторе – более чем на порядок по сравнению с прототипом.
Наиболее целесообразно применение данного изобретения в импульсных регуляторах напряжения, корректорах коэффициента мощности, выпрямителях, преобразователях частоты и напряжения, работающих при повышенных входных напряжениях, например, в электроприводе железнодорожного транспорта.
Использованные источники информации
1. Г.А.Белов, С.А.Кузьмин. Преобразователи переменного напряжения 380 В в стабилизированное постоянное. Электронная техника в автоматике. Под ред. Ю.И.Конева. М., Радио и связь, 1981, выпуск 12, с.53-57.
2. Аморфные магнитомягкие сплавы и их применение в источниках вторичного электропитания: Справочное пособие / В.И.Хандогин, А.В.Райкова, Н.Н.Ершов и др. Под ред. В.И.Хандогина, М., 1990, стр. 136-137.
Формула изобретения
1. Способ ограничения обратного тока при восстановлении диода путем включения последовательно с диодом дросселя насыщения, зашунтированного цепью из последовательно соединенных резистора и второго диода, включенного согласно диоду, отличающийся тем, что на сердечнике дросселя насыщения вводят дополнительную обмотку, подмагничиваемую постоянным током, причем число витков дополнительной обмотки, направление и величину тока выбирают таким образом, чтобы сердечник дросселя насыщения был насыщен для прямого тока через диод.
2. Способ ограничения обратного тока при восстановлении диода по п.1, отличающийся тем, что в качестве резистора используют элемент с нелинейной вольт-амперной характеристикой, например, стабилитрон, варистор, супрессор.
РИСУНКИ
QB4A Регистрация лицензионного договора на использование изобретения
Лицензиар(ы): Общество с ограниченной ответственностью “Силовая электроника”
НИЛ
Лицензиат(ы): Общество с ограниченной ответственностью “Силовая электроника МУП”
Договор № РД0011269 зарегистрирован 14.08.2006
Извещение опубликовано: 27.09.2006 БИ: 27/2006
* ИЛ – исключительная лицензия НИЛ – неисключительная лицензия
QB4A Регистрация лицензионного договора на использование изобретения
Лицензиар(ы): Общество с ограниченной ответственностью “Силовая электроника”
НИЛ
Лицензиат(ы): Общество с ограниченной ответственностью “ИРИС”
Договор № РД0020812 зарегистрирован 16.04.2007
Извещение опубликовано: 27.05.2007 БИ: 15/2007
* ИЛ – исключительная лицензия НИЛ – неисключительная лицензия
|