|
|
(21), (22) Заявка: 2003123024/28, 24.07.2003
(24) Дата начала отсчета срока действия патента:
24.07.2003
(43) Дата публикации заявки: 27.01.2005
(45) Опубликовано: 10.07.2005
(56) Список документов, цитированных в отчете о поиске:
Журнал “Конверсия в машиностроении”, “Информконверсия”, 2002, № 1, с.60-67. RU 2150092 C1, 27.05.2000. RU 2010027 С1, 30.03.1994. US 3306105 A, 28.02.1967. US 3999885 A, 28.12.1976. DE 1907848 A, 27.08.1970. FR 2439990 A1, 23.05.1980.
Адрес для переписки:
109439, Москва, ул. Юных Ленинцев, 121, корп.5, кв.72, ООО “Центр исследований экстремальных ситуаций”
|
(72) Автор(ы):
Сущев С.П. (RU), Ларионов В.И. (RU), Суслонов А.А. (RU), Калугин В.Т. (RU), Дьяконов М.Н. (RU), Столярова Е.Г. (RU), Хлупнов А.И. (RU)
(73) Патентообладатель(и):
Общество с ограниченной ответственностью “Центр исследований экстремальных ситуаций” (RU)
|
(54) КОРПУС МОДУЛЯ ДЛЯ РАЗМЕЩЕНИЯ ИССЛЕДОВАТЕЛЬСКОЙ АППАРАТУРЫ
(57) Реферат:
Изобретение относится к области измерительной техники и может быть использовано при обследовании внутренней поверхности газодымоходных труб. Корпус модуля для размещения исследовательской аппаратуры, выполненной в виде кожуха с полусферической головной и цилиндрической боковой частями, содержит не менее двух дисков, установленных на цилиндрической части, причем первый наибольший диск диаметром (4…6)d закреплен на расстоянии (0,3…0,92)d от переднего торца цилиндрической части, расстояние между дисками (1,4…1,6)d, где d – диаметр цилиндрической части, при этом вес модуля не менее чем в пять раз превышает силу его аэродинамического сопротивления, а центр масс модуля расположен не далее половины длины цилиндрической части. Такая форма корпуса модуля обеспечивает устойчивость модуля в восходящем неравномерном закрученном газовом потоке, что исключает раскачивание модуля и позволяет повысить точность и достоверность полученных данных обследования внутренней поверхности газодымоходных труб. 1 ил.

Изобретение относится к области измерительной техники и может быть использовано при обследовании внутренней поверхности газодымоходных труб.
Известен модуль для размещения исследовательской аппаратуры, содержащей корпус в виде кожуха полусферической и цилиндрической формы с элементами крепления размещенной внутри аппаратуры, а также крепления к поддерживающему устройству (см. патент на изобретение России № 2010027, кл. G 12 B 9/10, 1991 г.)
Наиболее близким техническим решением является корпус модуля для размещения исследовательской аппаратуры, выполненный в виде кожуха с полусферической головной частью и цилиндрической боковой, на которой укреплены диски, а в хвостовой части размещены элементы крепления троса для соединения с поддерживающим устройством (см. журнал “Конверсия в машиностроении”, № 1, 2002 г., М.: Информконверсия, стр.60-67, Диагностический комплекс “Сканлайнер” для обследования футеровки дымовых труб без остановки технологических процессов”.)
Однако это устройство не обеспечивает возможности проведения исследований в неравномерном закрученном потоке, т.к. устройство неустойчиво, имеет значительные колебания, которые могут привести к удару устройства о стенки исследуемой трубы и, следовательно, к разрушению устройства. При больших колебаниях невозможно осуществлять достоверный съем информации.
Целью изобретения является получение достоверной информации об исследуемом объекте и сохранение модуля в восходящем неравномерном закрученном потоке путем обеспечения его устойчивости.
Для этого на цилиндрической боковой части установлено не менее двух дисков, причем первый наибольший диск диаметром (4…6)d закреплен на расстоянии (0,3…0,92)d от переднего торца цилиндрической части, расстояние между дисками (1,4…1,6)d, где d – диаметр цилиндрической части, при этом вес модуля не менее чем в пять раз превышает силу его аэродинамического сопротивления, а центр масс модуля расположен на расстоянии не более половины длины цилиндрической части от переднего торца.
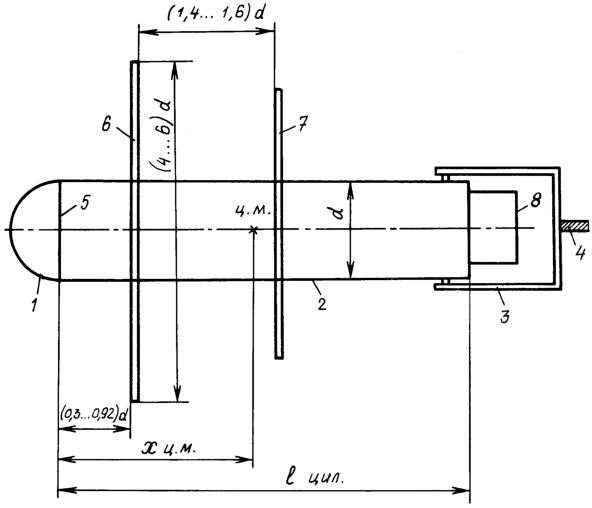
Общий вид корпуса модуля для размещения исследовательской аппаратуры показан на чертеже.
Корпус выполнен в виде кожуха, содержащего головную полусферическую часть 1 и боковую цилиндрическую часть 2. В хвостовой зоне цилиндрической части 2 размещены элементы крепления 3 троса 4 для соединения с поддерживающим устройством. На цилиндрической части с наружным диаметром d на расстоянии (0,3…0,92)d от ее переднего торца 5 закреплен передний диск 6 диаметром (4…6)d, наибольшего диаметра. Последовательно за этим диском на расстоянии (1,4…1,6)d закрепляется второй диск 7 диаметром (2,8…3,2)d. Если длина цилиндрической части небольшая, то достаточно двух дисков. При большой длине этой части 2 необходимо установить на таком же расстоянии третий диск уже меньшего диаметра.
В донной области цилиндрической части 2 размещена система развертки 8 лазерного луча, а в полусферической части 1 система приема лазерного луча. Для повышения чувствительности измерительной системы желательно увеличивать расстояние между источником и приемником лазерного луча, поэтому длина цилиндрической части 2 выбирается в пределах (3,1…5,4)d. Диаметр цилиндрической части определяется размерами сферической части 1, где размещается приемник лазерного излучения. Размеры и размещение дисков 6, 7 на цилиндрической части 2 определяются из условия обеспечения устойчивости положения модуля в закрученном неравномерном потоке, одновременно эти диски не должны мешать возможности попадания лазерного луча в приемник.
Проведенные аэродинамические испытания модели корпуса показали, что устойчивость обеспечивается при условии, что вес модуля не менее чем в пять раз превышает силу его аэродинамического сопротивления, а положение его центра масс хц.м. составляет не более половины длины цилиндрической части 1цил. от переднего торца. Проведенные аэродинамические испытания модуля, имеющего корпус указанной конфигурации, показали, что модуль устойчив в неравномерном восходящем завихренном потоке.
Формула изобретения
Корпус модуля для размещения исследовательской аппаратуры, выполненный в виде кожуха с полусферической головной частью и цилиндрической боковой, на которой укреплены диски, а в хвостовой части размещены элементы крепления троса для соединения с поддерживающим устройством, отличающийся тем, что, с целью получения достоверной информации об исследуемом объекте и сохранения модуля в восходящем закрученном потоке путем обеспечения его устойчивости, на цилиндрической боковой части установлено не менее двух дисков, причем первый наибольший диск диаметром (4…6)d закреплен на расстоянии (0,3…0,92)d от переднего торца цилиндрической части, расстояние между дисками (1,4…1,6)d, где d – диаметр цилиндрической части, при этом вес модуля не менее чем в пять раз превышает силу его аэродинамического сопротивления, а центр масс модуля расположен на расстоянии не более половины длины цилиндрической боковой части от переднего торца.
РИСУНКИ
MM4A Досрочное прекращение действия патента Российской Федерации на изобретение из-за неуплаты в установленный срок пошлины за поддержание патента в силе
Дата прекращения действия патента: 25.07.2005
Извещение опубликовано: 27.01.2007 БИ: 03/2007
|
|