|
|
(21), (22) Заявка: 2003126270/09, 27.08.2003
(24) Дата начала отсчета срока действия патента:
27.08.2003
(43) Дата публикации заявки: 10.03.2005
(45) Опубликовано: 10.07.2005
(56) Список документов, цитированных в отчете о поиске:
RU 2110094 C1, 27.04.1998. RU 2177179 C1, 20.12.2001. WO 9948070 A1, 23.09.1999. RU 2207631 C2, 27.06.2003.
Адрес для переписки:
404120, Волгоградская обл., г. Волжский, пр. Ленина, 97, а/я 149, В.А. Щербакову
|
(72) Автор(ы):
Шуревский Н.П. (RU), Кириллов А.И. (RU), Щербаков В.А. (RU)
(73) Патентообладатель(и):
ООО Научно-технический центр “АИР” (RU)
|
(54) СИСТЕМА ОХРАННО-ПОЖАРНОЙ СИГНАЛИЗАЦИИ
(57) Реферат:
Изобретение относится к устройствам охранно-пожарной сигнализации. Технический результат заключается в увеличении зоны охраны и мониторинга объектов системой охрано-пожарной сигнализации и повышении надежности работы системы. В систему охранно-пожарной сигнализации, содержащую группу пультов централизованного наблюдения, первую группу абонентских комплектов, локальную сеть связи, первую группу концентраторов, группу мультиплексоров и пульты централизованного наблюдения, введены вторая группа абонентских комплектов, блок сервера и вторая группа концентраторов, которые выполнены с возможностью работы как в стандарте GSM, так и по проводным линиям. При этом используется второй, резервный канал коротких сообщений, который включается в работу при нарушении связи в основном канале, и третий канал связи по проводной линии связи для повышения связи с объектами высокой категорийности. 2 з.п. ф-лы, 3 ил.

Изобретение относится к системам охранно-пожарной сигнализации и мониторинга объектов и может быть использовано для передачи информации от абонентских комплектов к пультам централизованного наблюдения через занятые телефонные или радиоволновые каналы связи.
Известна система охранной сигнализации “Циклон” (ТУ 25-08.430-80, ТУ 25-08.431-80, ТУ25-08.432-80 Техника охраны №1/94), содержащая группы абонентских комплектов, соединенных соответственно с группой концентраторов, которые соединены параллельно выделенной линией связи с пультом централизованного наблюдения (ПЦН), причем все концентраторы в группе дополнительно соединены между собой параллельно управляющей шиной.
Недостаток – низкая надежность этой системы охранной сигнализации, которая связана с большим количеством ложных тревог из-за снижения уровня сигнала непрерывной частоты передаваемого с охраняемого объекта при ухудшении параметров телефонной линии связи, и невозможность охраны объектов, с которыми нет телефонных линий связи.
Известен комплект аппаратуры АТС системы охранно-пожарной сигнализации (Патент РФ № 2207631), содержащий группу ретрансляторов и группу устройств доступа, локальную сеть связи, группу концентраторов, первая группа входов/выходов каждого концентратора через линии связи соединена с группами абонентских комплектов, вторая группа входов/выходов соединена с соответствующими телефонными линиями связи АТС, входы/выходы каждого концентратора соединены с соответствующими входами/выходами локальной сети связи, и группу мультиплексоров, входы/выходы каждого из которых соединены с соответствующими входами/выходами локальной сети связи, а группы входов/выходов через линии связи соединены с пультами централизованного наблюдения, группа устройств доступа, каждое из которых состоит из контроллера локальной сети, микропроцессорного блока преобразования интерфейсов и блока линейного сопряжения, причем в каждом устройстве доступа входы/выходы контроллера локальной сети соединены с соответствующими входами/выходами локальной сети связи, а группа входов/выходов контроллера локальной сети соединена с первой группой входов/выходов микропроцессорного блока преобразования интерфейсов, вторая группа входов/выходов которого соединена с первой группой входов/выходов блока линейного сопряжения, а вторая группа входов/выходов которого соединена с соответствующими входами/выходами каналообразующей аппаратуры электронной АТС, соответствующие входы/выходы которой через каналы связи соединены с входами/выходами каналообразующей аппаратуры других электронных АТС, входы/выходы каналообразующей аппаратуры каждой из которых соединены с входами/выходами соответствующих ретрансляторов, а каждый ретранслятор содержит группу устройств доступа, локальную сеть связи и группу концентраторов, первая группа входов/выходов каждого концентратора через соответствующие линии связи соединена с абонентскими комплектами, вторая группа входов/выходов каждого концентратора соединена с соответствующими телефонными линиями связи АТС, а входы/выходы каждого концентратора соединены с соответствующими входами/выходами локальной сети связи, входы/выходы которой соединены соответственно с входами/выходами каждого контроллера локальной сети устройства доступа ретранслятора, первая группа входов/выходов каждого устройства доступа соединена с первой группой входов/выходов микропроцессорного блока преобразования интерфейсов, вторая группа входов/выходов которого соединена с первой группой входов/выходов блока линейного сопряжения, вторая группа входов/выходов которого соединена с соответствующей группой входов/выходов каналообразующей аппаратуры электронной АТС.
Недостатком этой системы является отсутствие резервного канала связи с абонентским комплектом и невозможность охраны объектов, не соединенных с системой проводными линиями связи.
Наиболее близкой по технической сути к предлагаемому решению является система охранно-пожарной сигнализации (Патент РФ № 2110094), содержащая группу пультов централизованного наблюдения, группу абонентских комплектов, локальную сеть связи, группу концентраторов, причем первая группа входов/выходов каждого концентратора через линии связи соединена с группами абонентских комплектов, а вторая группа входов/выходов соединена с соответствующими телефонными линиями связи АТС, входы/выходы каждого концентратора соединены с соответствующим входами/выходами локальной сети связи, и группу мультиплексоров, входы/выходы каждого из которого соединены с соответствующими входами/выходами локальной сети связи, а группы входов/выходов через линии связи соединены с соответствующими пультами централизованного наблюдения.
Известный комплект системы сигнализации работает следующим образом.
В исходном состоянии после включения питания любого из пультов централизованного наблюдения (ПЦН) на его дисплей выводится исходное меню для работы, а ПЦН переходит в режим циклического опроса мультиплексоров соответствующих комплектов аппаратуры АТС по линиям связи, соединяющим ПЦН с мультиплексорами.
После последовательного включения питания на обоих мультиплексорах комплекта аппаратуры АТС системы охранно-пожарной сигнализации и успешно проведенной внутренней диагностики, мультиплексоры начинают отвечать на запросы с каждого ПЦН. Первый включенный мультиплексор определяет себя как ведущий и получает от ПЦН уникальные сетевые адреса – свой и концентраторов и через локальную сеть связи передает полную копию информации во второй мультиплексор, который определил себя ведомым и перешел в режим прослушивания локальной сети. С этого момента все изменения в информационных данных, произведенные ведущим мультиплексором, автоматически через локальную сеть производятся и в ведомом мультиплексоре, а их отличие между собой в том, что ведущий мультиплексор осуществляет циклический опрос концентраторов в сети и прием через локальную сеть информационных сообщений от них. Если ведущий мультиплексор прекращает опрос абонентов на время контролируемое ведомым мультиплексором, то ведомый мультиплексор переходит в режим ведущего с выполнением соответствующих функций ведущего. Каждый ПЦН циклически опрашивает состояние подключенных к ним мультиплексоров, обменивается с ними информацией и выводит при необходимости соответствующую информацию на экраны своих мониторов. После включения концентраторов они выполняют внутреннюю диагностику и начинают отвечать на запросы ведущего мультиплексора, а также обмениваются с ним информацией и выполняют полученные от него команды. Причем каждый концентратор, в свою очередь, через занятые телефонные линии связи, соединяющие его с абонентскими комплектами, выполняет циклический опрос состояний всех абонентских комплектов, которые стоят у него на учете. Опрос абонентских комплектов производится последовательно, согласно номеру телефонной линии и номеру объектового блока абонентского комплекта (ОБ) на телефонной линии. Вся информация об изменении в параметрах ОБ передается концентратором через локальную сеть связи на ведущий мультиплексор, который после предварительной обработки дублирует ее на ведомый мультиплексор и направляет по назначению в соответствующий ПЦН для поднятия тревоги или принятия соответствующего решения.
Недостатком данной системы является ограниченная проводными линиями связи зона охраны и мониторинга объектов и недостаточная надежность связи с абонентским комплектом из-за отсутствия резервного канала связи.
Целью предлагаемого изобретения является увеличение зоны охраны и мониторинга объектов системой охранно-пожарной сигнализации и повышение надежности работы системы.
Указанная цель достигается тем, что в систему охранно-пожарной сигнализации, содержащую группу пультов централизованного наблюдения, первую группу абонентских комплектов, локальную сеть связи, первую группу концентраторов, первая группа входов/выходов каждого концентратора через линии связи соединена соответственно с группами абонентских комплектов, вторая группа входов/выходов соединена с линиями связи, входы/выходы каждого концентратора соединены с соответствующими входами/выходами локальной сети связи, и группу мультиплексоров, входы/выходы каждого из которых соединены с соответствующими входами/выходами локальной сети связи, а группы входов/выходов через линии связи соединены соответственно с пультами централизованного наблюдения, введены вторая группа абонентских комплектов, блок сервера и вторая группа концентраторов, причем каждый концентратор выполнен в виде блока связи, блока приемопередатчика и микроЭВМ, первая группа входов/выходов которой соединена с первой группой входов/выходов блока связи, вторая группа входов/выходов которого соединена с соответствующей группой входов/выходов локальной сети связи, вторая группа входов/выходов микро ЭВМ соединена с группой входов/выходов блока приемопередатчика, радиоволновой вход/выход которого через радиоканал соединен с радиоволновым входом/выходом каналообразующей аппаратуры GSM, группа входов/выходов которой соединена с группой входов/выходов блока сервера.
Кроме того, каждый абонентский комплект второй группы абонентских комплектов содержит блок сопряжения, блок приемопередатчика и объектовый блок, входы/выходы которого соединены с входами/выходами блока сопряжения, входы/выходы которого соединены с входами/выходами блока приемопередатчика, радиоволновой вход/выход которого через радиоканал соединен с радиоволновым входом/выходом каналообразующей аппаратуры GSM.
Кроме того, в каждый абонентский комплект второй группы абонентских комплектов введен фильтр абонентский и блок связи, первые входы/выходы которого соединены со вторыми входами/выходами объектового блока, а вторые входы/выходы через фильтр абонентский, через линию связи соединены с первой группой входов/выходов соответствующего концентратора.
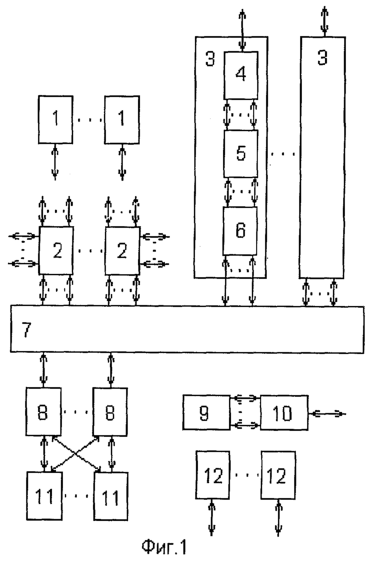
На фиг.1 представлена блок-схема системы сигнализации.
Система сигнализации содержит первую группу абонентских комплектов 1, первую группу концентраторов 2, вторую группу концентраторов 3, блок приемопередатчика 4, микроЭВМ 5, блок связи 6, локальную сеть связи 7, группу мультиплексоров 8, блок сервера 9, каналообразующую аппаратуру GSM 10, группу пультов централизованного наблюдения 11, вторую группу абонентских комплектов 12.
На фиг.2 представлена блок-схема абонентского комплекта второй группы абонентских комплектов 12, который содержит блок приемопередатчика 4, блок сопряжения 13, объектовый блок 14.
На фиг.3 представлена вторая блок-схема абонентского комплекта второй группы абонентских комплектов, который содержит блок приемопередатчика 4, блок сопряжения 13, объектовый блок 14, блок связи 15, фильтр абонентский 16.
Устройство работает следующим образом.
В исходном состоянии после включения питания любого ПЦН 11 на его дисплеи выводится исходное меню для работы дежурного, а ПЦН 11 по соответствующим линиям связи переходит в режим циклического опроса текущего состояния мультиплексоров 8. В ПЦН 11 через соответствующее устройство ввода с клавиатуры вводится вся необходимая для функционирования системы информация об объектах, на которых установлены группы абонентских комплектов 1 и 12. ПЦН 11 записывает всю эту информацию в блок памяти и подготавливает необходимые информационные сообщения для каждого концентратора 2 и 3.
После включения питания на группе мультиплексоров 8 каждый мультиплексор переходит на опрос наличия признака ведущего в своих внутренних схемах. Тот мультиплексор 8, который обнаружил в своих схемах этот признак, считает себя ведущим. После этого он через соответствующие линии связи входит в связь с опрашивающими его ПЦН 11, получает от них уникальные адреса для всех концентраторов 2 и 3. Одновременно с адресами ведущий мультиплексор 8 получает от ПЦН 11 оперативную информацию, предназначенную для загрузки в каждый концентратор 2 и 3, и начинает циклический опрос через локальную сеть связи 7 состояний всех подключенных к ней мультиплексоров 8 и концентраторов 2 и 3, прием от них информационных сообщений и передачу обратно данных и команд. Полученная ведущим мультиплексором 8 информация от концентраторов 2 и 3 через группу входов/выходов и линии связи передается по назначению на соответствующий ПЦН 11. Опрос концентраторов 2 и 3 производится по уникальным адресам в локальной сети 7, которые получены ведомым мультиплексором 8 от ПЦН 11. Ведомый мультиплексор 8 только прослушивает работу ведущего в локальной сети связи 7. По локальной сети связи 7 ведущий мультиплексор 8 передает все изменения в своих данных на ведомые мультиплексоры 8 и контролирует идентичность их и своих данных. Если ведущий мультиплексор 8 прекращает опрос в локальной сети связи 7 на определенный промежуток времени, то ведомый мультиплексор 8 переключается в режим ведущего с выполнением его функций.
По мере включения питания концентраторов 2 они начинают отвечать на опросы ведущего мультиплексора 8 через локальную сеть связи 7, распознав в опросе свой уникальный адрес в локальной сети связи 7. Концентраторы 2 через свои группы входов/выходов и соответствующие линии связи с абонентскими комплектами 1 постоянно опрашивают их состояние и накапливают полученную информацию в своей памяти. После обращения ведущего мультиплексора 8 к концентратору 2 последний принимает от ведущего мультиплексора предназначенную для него информацию и передает обратно через локальную сеть связи 7 информацию для ведущего мультиплексора 8 о себе и состоянии контролируемых им абонентских комплектов 1.
После включения питания концентратор КЦ 3 производит необходимое программирование и диагностику своих внутренних узлов.
После успешно проведенной микроЭВМ 5 внутренней диагностики узлов КЦ 3 микроЭВМ 5 передает эти состояния через блок связи 6, через локальную сеть связи 7, активный мультиплексор 8 на соответствующий ПЦН 11, аналогично как и концентратор 2. Обмен информацией между ПЦН 11 и КЦ 3 осуществляется по соединяющим их линиям связи с микроЭВМ 5 через блок связи КЦ 3. Если результаты диагностики, проведенные микроЭВМ 5, успешны, то активный мультиплексор 8 загружает этот КЦ 3 информацией, необходимой для оперативной работы. После успешного приема информации КЦ 3 его микроЭВМ 5 опрашивает и контролирует функционирование соответствующих абонентских комплектов 12 путем запроса информации о их состоянии у блока сервера 9 (например, работающих в канале USSD стандарта GSM 900/1800) через блок приемопередатчика 4, радиоканал GSM, каналообразующую аппаратуру GSM 10 и группу входов/выходов блока сервера 9. Блок сервера 9 после включения питания и получения опроса от соответствующего КЦ 3 через свою группу входов/выходов, через каналообразующую аппаратуру GSM 10, через радиоканал GSM, через блок приемопередатчика 4 КЦ 3 запрашивает необходимую информацию (адреса, способы кодирования данных, периодичность обращения на сервер 9 и другую необходимую для работы информацию) об абонентских комплектах 12, обслуживаемых этим КЦ 3. КЦ 3, получив запрос о загрузке от блока сервера 9, в следующий сеанс связи по выше описанному каналу связи передает блоку сервера 9 требуемую информацию. После получения информации от соответствующего КЦ 3 об абонентских комплектах 12 сервер 9 включается в режим ожидания обращений этих абонентских комплектов 12. Объектовый блок 14 каждого абонентского комплекта из группы абонентских комплектов 12 после подключения к нему электропитания через блок сопряжения 13 (выполняющего сопряжение интерфейсов объектового блока 14 с блоком приемопередатчика 4), через блок приемопередатчика 4, через радиоканал GSM по каналу каналообразующей аппаратуры GSM 10 и группу входов/выходов сервера 9 передает блоку сервера 9 свое состояние и получает от него через группу входов/выходов сервера 9, через каналообразующую аппаратуру GSM 10, через радиоканал GSM, через блок приемопередатчика 4 команды управления для осуществления охраны и мониторинга объектов. Необходимые для осуществления охраны объектов команды передаются и с ПЦН 11 на соответствующие КЦ 3, а от них на сервер 9 и соответствующий абонентский комплект 12 по каналам связи, описанным ранее.
Каналообразующая аппаратура GSM 10 отличает свои абонентские комплекты (абонентов сервера 9) от обращений других абонентов (в потоке обращений к ней по группе кодов при обращении, заранее занесенных в память каналообразующей аппаратуры GSM) и ответвляет поток обращений с этими кодами на первую группу входов/выходов сервера 9. Сервер 9, распаковывая поток обращений по специальным кодам, распознает в потоке обращений обращения своих абонентских комплектов 12 и чужих абонентов, и если абонент чужой, то он мгновенно получит отказ в обслуживании. Если абонент распознан как свой, то сервер 9 анализирует и записывает переданное от него сообщение в свою память для дальнейшей передачи части ее соответствующему КЦ 3 при их обращении к серверу 9. Кроме того, во время сеанса связи с абонентским комплектом 12 сервер 9 передает свою соответствующую управляющую информацию в абонентский комплект 12, а так же информацию для абонентского комплекта 12 от соответствующего КЦ 3 полученную при сеансе связи этого КЦ 3 с сервером 9, которую сервер 9 так же хранит в свой памяти.
Если сервер 9 зарегистрировал отклонения во времени обращения соответствующего абонентского комплекта 11 к серверу 9 или прекращение обращения на заданное время, то сервер 9 сформирует соответствующее сообщение для соответствующего КЦ 3, которое передаст КЦ 3 в ближайший сеанс связи.
Если абонентский комплект 12 зарегистрировал отказ или молчание сервера 9 при обращении с запросом к нему заданное количество раз, то абонентский комплект 12 через свой блок приемопередатчика 4, радиоканал GSM, каналообразующую аппаратуру GSM 10, блок приемопередатчика 4 соответствующего КЦ 3 в заданные периоды времени передает ему короткие сообщения (например, SMS в стандарте GSM 900/1800) о своем состоянии и получает от этого КЦ 3 обратные короткие сообщения по этому же каналу связи. Как только основной канал связи абонентского комплекта 12 с КЦ 3 через сервер 9 восстановится, работа продолжается выше описанным способом через основной канал связи.
КЦ 3, получив сообщения от своих абонентских комплектов при очередном сеансе связи с сервером 9, анализирует их и записывает в свою память в определенной очередности (первыми стоят тревожные и аварийные сообщения, затем сообщения о состоянии другой информации).
При очередном обращении ПЦН 11 к соответствующему КЦ 3 КЦ 3 через локальную сеть связи 7, через активный мультиплексор 8, через линии связи передает на ПЦН 11 упорядоченную информацию, а ПЦН 11 анализирует и отрабатывает ее в соответствии с заложенным в программу ПЦН 1 алгоритмом, а так же передает обратно в КЦ 3 по вышеописанному каналу связи соответствующую управляющую и другую необходимую для работы блока сервера 9 и соответствующих абонентских комплектов 12 информацию.
Кроме того, в исполнении абонентского комплекта 1 (фиг.3) объектовый блок 14 через блок связи 15, через фильтр абонентский 16, через линию связи, через первую группу входов/выходов соответствующего КЦ 2 и локальную сеть 7 может параллельно или в режиме приоритета вести обмен информацией с ведущим мультиплексором 8 системы охранно-пожарной сигнализации аналогично абонентскому комплекту 1. Введение третьего канала связи с абонентским комплектом 12 по проводным линиям связи повышает надежность связи в системе охранно-пожарной сигнализации и может применяться на объектах повышенной категории важности.
Предложенная система охранно-пожаной сигнализации:
– расширяет зону охраны и мониторинга объектов, с которыми нет проводных линий связи, путем использования в качестве канала связи радиоканалы GSM;
– использует сервер, который ведет диалог с абонентскими комплектами в реальном масштабе времени, что исключает задержки в передаче сообщений на ПЦН и обратно, и повышает быстродействие работы системы сигнализации, работающей по радиоканалам GSM, в целом, а также значительно увеличивает количество обслуживаемых абонентских блоков;
– использует второй, резервный канал коротких сообщений, который включается в работу при нарушении связи в основном канале, что повышает надежность связи в системе;
– использует третий канал связи по проводной линии связи для повышения связи с объектами высокой категорийности.
Формула изобретения
1. Система охранно-пожарной сигнализации, содержащая группу пультов централизованного наблюдения, первую группу абонентских комплектов, локальную сеть связи, первую группу концентраторов, первая группа входов/выходов каждого концентратора через линии связи соединена соответственно с группами абонентских комплектов, вторая группа входов/выходов соединена с линиями связи, входы/выходы каждого концентратора соединены с соответствующим входами/выходами локальной сети связи, и группу мультиплексоров, входы/выходы каждого из которых соединены с соответствующими входами/выходами локальной сети связи, а группы входов/выходов через линии связи соединены соответственно с пультами централизованного наблюдения, отличающаяся тем, что дополнительно введены вторая группа абонентских комплектов, блок сервера и вторая группа концентраторов, причем каждый концентратор выполнен в виде блока связи, блока приемопередатчика и микроЭВМ первая группа входов/выходов которой соединена с первой группой входов/выходов блока связи, вторая группа входов/выходов которого соединена с соответствующей группой входов/выходов локальной сети связи, вторая группа входов/выходов микроЭВМ соединена с группой входов/выходов блока приемопередатчика, радиоволновой вход/выход которого через радиоканал соединен с радиоволновым входом/выходом каналообразующей аппаратуры GSM, группа входов/выходов которой соединена с группой входов/выходов блока сервера.
2. Система по п.1, отличающаяся тем, что каждый абонентский комплект второй группы абонентских комплектов содержит блок сопряжения, блок приемопередатчика и объектовый блок, входы/выходы которого соединены с входами/выходами блока сопряжения, входы/выходы которого соединены с входами/выходами блока приемопередатчика, радиоволновой вход/выход которого через радиоканал соединен с радиоволновым входом/выходом каналообразующей аппаратуры GSM.
3. Система по п.2, отличающаяся тем, что в каждый абонентский комплект второй группы абонентских комплектов введен фильтр абонентский и блок связи, первые входы/выходы которого соединены со вторыми входами/выходами объектового блока, а вторые входы/выходы через фильтр абонентский, через линию связи соединены с первой группой входов/выходов соответствующего концентратора.
РИСУНКИ
|
|