|
|
(21), (22) Заявка: 2003119846/09, 30.06.2003
(24) Дата начала отсчета срока действия патента:
30.06.2003
(43) Дата публикации заявки: 27.02.2005
(45) Опубликовано: 10.07.2005
(56) Список документов, цитированных в отчете о поиске:
RU 2168767 C1 10.06.2001. US 5420440 28.02.1994. GB 1417790 17.12.1975. WO 81/01765 A1 25.06.1981. GB 1583935 04.02.1981.
Адрес для переписки:
420039, г.Казань, ул. Исаева, 18, а/я 134, ЗАО “Телесофт-Сервис”, директору В.Д. Фоминых
|
(72) Автор(ы):
Краев В.В. (RU), Корниенко И.А. (RU), Скачков В.А. (RU)
(73) Патентообладатель(и):
Закрытое акционерное общество “Телесофт-Сервис” (RU)
|
(54) СПОСОБ РЕГИСТРАЦИИ ДЫМА
(57) Реферат:
Изобретение относится к автоматической сигнализации, способам обнаружения наличия взвешенных частиц дыма в окружающей среде. Техническим результатом изобретения является повышение надежности функционирования путем контроля работоспособности и запыленности оптического канала и полный переход на цифровую схемотехнику. Способ регистрации дыма заключается в том, что периодически излучают световые импульсы и принимают фотодатчиком отраженный световой поток, поступающий под углом, отличным от оптической оси излучения, отличается тем, что измеряют длительность цикла заряда – разряда фотодатчика, являющегося элементом RC-цепи при отсутствии излучающих импульсов t1 и при излучении световых импульсов t2, и сравнивают их разность |t1-t2|=k с заданными значениями, по которым судят о наличии или отсутствия дыма и работоспособности канала. 4 ил.

Изобретение относится к автоматической сигнализации, способам обнаружения наличия взвешенных частиц дыма в окружающей среде.
Известны датчики дыма (пожарные извещатели, детекторы), работающие по принципу периодического излучения световых импульсов и последующего приема фотодатчиком света, отраженного от частиц дыма. Сигналы (ток или напряжение) с фотодатчиков усиливаются с помощью различных аналоговых усилительных устройств (транзисторных каскадов, операционных усилителей и т.д.) и сравниваются с опорным сигналом, в результате выдается сигнал о наличии или отсутствии дыма. Излучаемые и принимаемые импульсы могут модулироваться, сравниваться и обрабатываться различными способами, способствующими некоторому повышению чувствительности и помехоустойчивости (см. ФРГ з. 2361403, РФ з. 93021357/09, РФ з. 2037883, RU 2134907, RU 2125739).
Эти способы не предусматривают возможность контроля запыленности оптического канала. При запыленности оптического канала обнаружение дыма на ранней стадии возгорания затруднено, а порой и невозможно. Отсутствие контроля запыленности снижает надежность устройства и является их недостатком.
Известен детектор дыма (патент РФ 2125739, G 08 В 17/10 от 27.01.99), выбранный в качестве прототипа, принцип работы которого заключается в следующем:
– периодически излучается световой поток в оптическую камеру;
– принимают отраженные сигналы фотоприемником, рабочая точка которого устанавливается подачей тока (напряжения), под углом, отличным от оптической оси излучателя;
– усиливают изменение тока (напряжения) на фотодатчике, возникающее под воздействием импульса светового потока;
– формируют сигнал регистрации дыма, являющегося результатом сравнения с опорным сигналом (током, напряжением).
При отсутствии дыма в чувствительной области камеры сигнал фотоприемника находится ниже порогового значения, задаваемого схемой сравнения. Результат сравнения сигнала с фотоприемника с пороговым значением в виде логического сигнала поступает на схему сравнения и запоминания. При появлении дыма световые импульсы, отражаясь от частиц дыма, попадают на фотоприемник, сигнал с которого теперь превышает пороговое значение и со схемы сравнения в виде изменения логического сигнала поступает на схему сравнения и запоминания. При повторении такой ситуации четыре раза подряд выдается сигнал “пожар”.
К недостаткам прототипа следует отнести
– одновременное применение как цифровой так и аналоговой схемотехники;
– отсутствие контроля работоспособности оптического канала в процессе работы. При работе прототипа отказ оптического канала (излучателя, фотоприемника, усилителей) адекватен выдаче сигнала “отсутствии тревоги” при наличии дыма, либо выдаче ложной тревоги “пожар”;
– отсутствие контроля запыленности оптического канала.
Задачей настоящего изобретения является повышение надежности функционирования путем контроля работоспособности и запыленности оптического канала и полный переход на цифровую схемотехнику.
Поставленная задача решается способом регистрации дыма, заключающимся в том, что периодически излучают световые импульсы и принимают фотодатчиком отраженный световой поток, поступающий под углом, отличным от оптической оси излучения, отличающимся тем, что измеряют длительность цикла заряда – разряда фотодатчика, являющегося элементом RC-цепи, при отсутствие излучающих импульсов t1 и при излучении световых импульсов t2, и сравнивают их разность |t1-t2|=k с заданными значениями, по которым судят о наличии или отсутствия дыма и работоспособности канала.
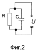
На фиг.1 представлена блок-схема устройства, реализующего способ. На фиг.2 приведена эквивалентная модель фотоприемника 2. На фиг.3 приведены временные диаграммы разряда фотоприемника. На фиг.4 приведена принципиальная схема устройства по фиг.1, реализующего способ.
Устройство по фиг.1 содержит источник световых импульсов 1, оптически связанный с фотоприемником 2, который подключен к логическому порту контроллера 3, сигнализатора 4, вход которого соединен с выходом контроллера 3, вход источника световых импульсов 1 соединен с выходом контроллера 3.
Устройство (фиг.4) по принципиальной схеме содержит контроллер 3 – AT90S1200 (DD1), источник световых импульсов 1 – инфракрасный диод типа АЛ164В1 (VD1) с токоограничительным резистором R1=120 Ом, фотоприемник типа КДФ115, сигнализатор 4 по принципиальной схеме выполнен в виде звукового элемента ЗП1 типа ППА1 и светодиода VD3 типа АЛ307 с токоограничительным сопротивлением R2=500 Ом, С – накопительная емкость типа К-50-35 -100 мкФ. Дымовой извещатель подключается к источнику питания +U напряжением 4,5-6 В.
Способ регистрации дыма заключается в следующем. Пусть фотоприемник 2 является элементом RC-цепи (фиг.2), у которого один или оба элемента одновременно чувствительны к световому потоку Ф. (R=f(Ф) или C=f(Ф)). Следовательно, длительность цикла заряда (разряда) также будет зависеть от светового потока =RC=F(Ф) (фиг.3). Оптический сигнал, излучаемый источником световых импульсов 1, отражается от частиц дыма, попадает на фотоприемник 2, при этом изменяется длительность цикла заряда (разряда).
В реальных устройствах имеется оптическая связь между источником световых импульсов 1 и фотоприемником 2 даже без наличии дыма. Эту оптическую связь можно использовать для определения запыленности и исправности оптического канала.
Алгоритм функционирования устройства по фиг.1 состоит из следующих шагов. Измеряют длительность цикла t1 (фиг.3) заряда (разряда) фотоприемника 2 до некоторого порогового уровня Un при отсутствие светового потока от источника световых импульсов 1, затем включают источник световых импульсов 1 и повторно измеряют длительности цикла заряда (разряда) t2 фотоприемника 2, далее находят t=|t1-t2|. При этом влияние дестабилизирующих факторов (такие как фоновая засветка, температура и т.д.) вычитается и остается только изменение времени t заряда (разряда), вызванное воздействием оптического излучателя. Затем сравнивают t с пороговыми установками t1, t2.. tn. Например, если t2< t< t3, то это может соответствовать отсутствию дыма и целостности оптического канала, если t1< t< t2 – оптический канал запылен, если t< t1 – оптический канал неисправен, если t> t4 – наличие дыма.
В практической реализации удобно применять для измерения t1 и t2 преобразование время – число импульсов (аналогично принципу работы аналого-цифрового преобразователя с время-импульсным преобразованием) N1=t1fг, N2=t2fг, где fг – тактовая частота генератора импульсов. В этом случае разность t=|t1-t2| пропорциональна разности числа импульсов k=N1-N2) =fг|t1-t2|.
Достижение порогового уровня Uп контролируется пороговым устройством, которое может быть выполнено на логических элементах. В этом случае фотоприемник 2 непосредственно подключается к логическому порту. У логических элементов с высоким входным сопротивлением (КМОП – серия) порог переключения от логической единицы к логическому нулю, как правило, равен половине напряжения питания микросхем. В этом случае измеряют количество импульсов, за которое напряжение на фотоприемнике 2 от логической единицы достигнет логического нуля.
Применение контроллера 3 с предложенным время-импульсным преобразованием позволяет уменьшить количество элементов, дает возможность проведения многократных измерений с усреднением их результатов, исключения систематических погрешностей, проведения автоматического контроля правильности работы прибора, коррекцию ошибки, вызванной запыленностью оптической камеры.
Устройство по фиг.1 работает следующим образом. В память контроллера 3 записываются предварительно установленные пороговые значения k1, k2, k3. Устанавливается порт контроллера 3, к которому подключен фотоприемник 2, в высокое состояние (заряжается емкость фотоприемника), затем этот порт контроллера 3 переключается как входной с высоким сопротивлением, при этом включается внутренний счетчик (таймер) контроллера 3, счет которого прекращается, когда вход контроллера 3, к которому подключен фотоприемник 2, разрядится до уровня соответствующего логическому нулю, при этом логический порт м контроллера 3 играет роль порогового устройства. Это состояние счетчика (N1) запоминается контроллером 3. Затем снова устанавливается порт контроллера 3, к которому подключен фотоприемник 2, в высокое состояние (заряжается емкость фотоприемника 2), далее контроллер 3 включает источник световых импульсов 1, устанавливает порт контроллера 3, к которому подключен фотоприемник 2, как входной с высоким сопротивлением, одновременно включается внутренний счетчик (таймер) контроллера 3, счет которого прекращается, когда вход контроллера 3, к которому подключен фотоприемник 2, разрядится до уровня, соответствующего логическому нулю, это состояние счетчика (N2) запоминается контроллером 3. Контроллер 3 выключает источник световых импульсов 1. Находится разность k=N2-N1, которая сравнивается с пороговыми значениями k1, k2, k3 контроллером 3. Если k2k3, то контроллер 3 включает сигнализатор 4, который выдает сигнал тревоги, показывающий наличие дыма. Сигналы по каждому из видов тревоги отличаются друг от друга.
Пороговые значения k1, k2, k3 можно определить следующим образом.
Измерить устройством, реализующим способ, пороговое значение k=k0 при отсутствии дыма и незапыленном оптическом канале (собственное состояние оптического канала устройства) и определить k2=0.7k0. Поместить устройство в дымовую камеру со светлым дымом, оптическая плотность которого составляет, например, 0,1 дБ/м, измерить k=k3. Затем определить k1=0.1k0.
Рассмотрим влияние дестабилизирующих факторов. Предположим, что RC-цепь (фиг.3) заряжена до напряжения U0. Разряд такой цепи производится по известному закону U=U0exp(-t/ ), где =RC. Время разряда будем измерять до некоторого порогового уровня Uп. Предполагается, что постоянная времени достаточно мала и измерение временных интервалов t1 и t2 производится непосредственно один за другим, поэтому изменением порогового уровня Uп, фоновой засветки Ф и температуры за цикл измерения можно пренебречь. При изменении питающих напряжений и температуры изменяется и U0, а также линейно связанное с ним Uп(Uп/U0-const). Рассмотрим, как влияет это на работу устройств. Временные интервалы t1 и t2 определяются из выражений
Uп=U0exp(-t1/ 1),
Uп=U0exp(-t2/ 2),
Где 1=R1·C1 и 2=R2·C2 -постоянные времени цепи при отсутствии и наличии импульса светового потока. Путем логарифмирования и несложного преобразования определим временные интервалы t1, t2:
t1= 1 ln(Uп/U0),
t2= 2 ln(Uп/U0).
Найдем t
t=|t1-t2|=| 1 ln(Uп/U0)- 2 ln(Uп/U0)|=| 1- 2| ln(Uп/U0).
Следовательно, t=|t1-t2| не зависит от напряжения U0.
Рассмотрим влияние фоновой засветки и температуры. Пусть чувствительным к световому потоку будет сопротивление R=f(Ф) фотодатчика. Это сопротивление можно представить в виде R=R0+ R(Ф0)+ R(Фи)+ R(T), где R0 – сопротивление фотоприемника при отсутствии света, R-(Ф0) – изменение сопротивления, вызванное влиянием фоновой засветки, R(Фи) – изменение сопротивления при попадании на фотоприемник светового потока от источника световых импульсов, R(T) – изменение сопротивления фотоприемника под воздействием температуры. Используя ранее приведенные выкладки, найдем t:
t=ln(Uп/U0)| 1- 2|=ln(Uп/U0)|R1·C-R2·C|=ln(Uп/U0)|[R0+ R(Ф0)+ R(T)]·C-[R0+ R(Ф0)+ R(Т)+ R(Фи)]·С|=ln(Uп/U0) R(Фи)·С
Таким образом; t=|t1-t2| не зависит от фоновой засветки и температуры, и, следовательно, не снижает чувствительность дымового извещателя.
Устройство по предложенному способу легко реализуется на современной элементной базе (фиг.4). В данном случае, в качестве контроллера 3 был использован микроконтроллер производства Atmel – AT90S1200 (DD1), на основе полевых транзисторов, со встроенным тактовым генератором, не требующим внешних элементов и имеющим частоту fг, восьмиразрядный таймер-счетчик, двунаправленные логические порты PD и РВ, которые могут работать как входные или как выходные порты. Входное сопротивление более 100 МОм. Источник световых импульсов 1 – инфракрасный диод типа АЛ164В1 (VD1) с токоограничительным резистором R1=120 Ом, сигнализатор 4 – звукового элемента ЗП1 типа ППА1 и светодиода VD3 типа АЛ307 с токоограничительным сопротивлением R2=500 Ом, С – накопительная емкость типа К-50-35 – 100 мкФ. Устройство подключается к источнику питания +U напряжением 4,5-6 В.
Алгоритм работы устройства (фиг.4) заключается в следующем. В память контроллера 3 записываются предварительно установленные пороговые значения k1, k2, k3. Устанавливаются порты контроллера 3 PD0, PD5, РВ4, РВ1 как выходные в высокое состояние, остальные порты отключаются. При установке порта PD5 в высокое состояние заряжается емкость фотоприемника 2. Затем порт PD5 контроллера 3 инициализируется как входной с высоким сопротивлением, одновременно включается внутренний счетчик импульсов внутреннего тактового генератора контроллера 3, который останавливается, когда напряжение на фотоприемнике 2, подключенного к порту PD5 контроллера 3, будет иметь уровень, равный логическому нулю. Это состояние счетчика запоминается (N1). Затем порт PD5 контроллера 3 снова устанавливается в высокое состояние и заряжается емкость фотоприемника 2 VD2. Порт PD5 контроллера 3 инициализируется как входной с высоким сопротивлением, включается порт PD0 как выходной в низкое состояние, при этом через диод VD1, являющийся источником световых импульсов 1, протекает ток, одновременно включается внутренний счетчик импульсов внутреннего тактового генератора контроллера 3, который останавливается, когда напряжение на фотоприемнике 2, подключенного к порту PD5 контроллера 3, будет иметь уровень, равный логическому нулю. Это состояние счетчика снова запоминается (N2) контроллером 3, и выключается источник световых импульсов 1 – VD1. Находится разность k=N2-N1, которая сравнивается с пороговыми значениями k1, k2, k3 контроллером 3. Если k2k3, то через порт РВ1 выдается непрерывный сигнал тревоги частотой f2 на сигнализатор 4 ЗП1, показывающий наличие дыма.
Таким образом, по сравнению с прототипом предлагаемый способ позволяет создавать устройства, выполненные полностью по цифровой схемотехнике, обеспечить контроль работоспособности и запыленности оптического канала в процессе работы, что повышает надежность его функционирования.
Формула изобретения
Способ регистрации дыма, заключающийся в том, что периодически излучают световые импульсы и принимают фотодатчиком отраженный световой поток, поступающий под углом, отличным от оптической оси излучения, отличающийся тем, что измеряют длительность цикла заряда – разряда фотодатчика, являющегося элементом RC-цепи при отсутствии излучающих импульсов t1 и при излучении световых импульсов t2, и сравнивают их разность |t1-t2|=k с заданными значениями, по которым судят о наличии или отсутствии дыма и работоспособности канала.
РИСУНКИ
MM4A – Досрочное прекращение действия патента СССР или патента Российской Федерации на изобретение из-за неуплаты в установленный срок пошлины за поддержание патента в силе
Дата прекращения действия патента: 01.07.2006
Извещение опубликовано: 10.06.2007 БИ: 16/2007
Изменения:
Публикацию о досрочном прекращении действия патента считать недействительной
Номер и год публикации бюллетеня: 16-2007
Извещение опубликовано: 20.07.2007 БИ: 20/2007
MM4A – Досрочное прекращение действия патента СССР или патента Российской Федерации на изобретение из-за неуплаты в установленный срок пошлины за поддержание патента в силе
Дата прекращения действия патента: 01.07.2007
Извещение опубликовано: 20.02.2009 БИ: 05/2009
|
|