|
|
(21), (22) Заявка: 2003122260/09, 22.07.2003
(24) Дата начала отсчета срока действия патента:
22.07.2003
(43) Дата публикации заявки: 27.01.2005
(45) Опубликовано: 10.07.2005
(56) Список документов, цитированных в отчете о поиске:
RU 2001102296 A1, 27.06.2003. RU 2134907 C1, 20.08.1999. DE 2361403 A, 03.06.1975. US 4317113 А, 23.02.1982.
Адрес для переписки:
410600, г.Саратов, ул. Ульяновская, 25, Общество с ограниченной ответственностью “Конструкторское бюро пожарной автоматики” (ООО “КБПА”)
|
(73) Патентообладатель(и):
Общество с ограниченной ответственностью “Конструкторское бюро пожарной автоматики” (ООО “КБПА”) (RU)
|
(54) СПОСОБ РЕГИСТРАЦИИ ДЫМА
(57) Реферат:
Изобретение относится к пожарной сигнализации, а именно к способам регистрации дыма для обнаружения возгорания на ранних стадиях пожара в закрытых помещениях. Технический результат – повышение надежности периодического контроля методом синхронного детектирования и исключения регистрации импульсных помех при формировании информационного сигнала. Способ заключается в формировании синхронных периодических последовательностей счетных импульсов и световых импульсов, излучаемых в оптическую камеру со светопоглощающими стенками, последующем приеме отраженных сигналов, преобразовании их в электрические сигналы, подвергающиеся синхронному детектированию и последующему сравнению с пороговым значением, что позволяет анализировать только часть сигнала, помехи же, возникающие в другие моменты времени, не влияют на формирование сигнала регистрации дыма. 2 ил.

Изобретение относится к области пожарной сигнализации, а именно к способам регистрации дым, предназначенным для обнаружения возгорания, сопровождающегося появлением дыма в закрытых помещениях.
Общеизвестны датчики дыма, пожарные извещатели и детекторы, работающие по принципу периодического излучения световых импульсов и последующего их приема, причем излучаемые и принимаемые импульсы модулируются, сравниваются и обрабатываются различными способами, и в результате выдается сигнал о наличии или отсутствии дыма.
Известен способ регистрации дыма, реализованный в серийно изготавливаемом пожарном оптико-электронном извещателе ИП-212-26 (см. БДВК. 425232.001 ТУ), который заключается в том, что с помощью схемы тактового генератора, схемы управления и запоминания, излучателя формируют периодические пачки световых импульсов, излучаемых в оптическую камеру со светопоглощающими стенками, принимают и преобразуют отраженные сигналы в электрические сигналы фотоприемником под углом, отличным от оптической оси излучателя, и формируют сигнал регистрации дыма при условии приема всей пачки излученных световых импульсов. Формирование сигнала регистрации дыма является результатом выполнения операций сравнения и запоминания. При отсутствии дыма в чувствительной области оптической камеры сигнал фотоприемника находится ниже порогового уровня, задаваемого схемой сравнения. Результат сравнения сигнала фотоприемника с пороговым значением в виде логического сигнала высокого уровня поступает на схему управления и запоминания и разрешает прохождение сигнала обнуления счетчика. При появлении дыма в чувствительной области оптической камеры световые импульсы, отражаясь от частиц дыма, попадают на фотоприемник, сигнал с которого теперь уже превышает пороговое значение и со схемы сравнения в виде логического нуля поступает на схему управления и запоминания. Этот сигнал блокирует прохождение сигнала обнуления счетчика, который при повторении такой ситуации четыре раза подряд, то есть при условии приема заданной всей пачки световых импульсов, регистрирует режим “пожар”, после чего контроль плотности окружающей среды прекращается. Однако указанный способ имеет низкий уровень помехозащищенности при воздействии световой или электромагнитной помехи, проходящей через фотоприемник, схему управления и запоминания в момент опроса оптического канала.
В качестве прототипа выбран способ регистрации дыма, описанный в патенте Российской Федерации № 2134907, 6 G 08 В 17/10, опубликованный 20.08.99 г., который заключается в формировании периодических пачек световых импульсов, излучаемых в оптическую камеру со светопоглощающими стенками, последующем приеме отраженных сигналов под углом, отличным от оптической оси излучения, сравнении их с пороговым значением и запоминании с последующим формированием сигнала регистрации дыма при условии приема всей пачки световых импульсов, так и в промежутках между излучениями световых импульсов пачки, когда достоверна информация об отсутствии полезного сигнала с последующим формированием сигнала наличия помех и корректировкой сигнала регистрации дыма. Если сформированный сигнал обнаруживают по схеме сравнения в момент опроса оптической системы, то схемой управления и запоминания формируют счетный импульс, который запоминают как “первый” импульс пачки, причем сигнал регистрации дыма формируют после приема всей пачки импульсов. Сигналом, образуемым в промежуток времени между регистрациями отдельных излученных световых импульсов пачки и превышаемым порог срабатывания, формируют логический сигнал низкого уровня, который направляют на схему определения помехи, а затем – на схему управления и запоминания, обнуляя счетчик и запрещая счет импульсов, тем самым препятствуют формированию сигнала регистрации дыма.
Недостатком указанного способа является низкая надежность за счет введения операции формирования сигнала помех с последующим воздействием на формирование сигнала обнаружения дыма. В тоже время при отсутствии дыма появление любой помехи, вызванной переходными процессами, обуславливающими снижение величины порогового значения, и сравнимой по длительности с длительностью пачки импульсов, возможно формирование ложного сигнала регистрации дыма.
Задачей настоящего изобретения является повышение надежности обнаружения отраженных сигналов, соответствующих режиму “пожар”, и помехозащищенности способа путем периодического контроля чувствительной области оптической камеры с применением дополнительных приемов определения и выделения помех – методом синхронного детектирования при формировании информационного сигнала, соответствующего изменению плотности окружающей среды.
Поставленная задача решается способом регистрации дыма, заключающимся в формировании синхронных периодических последовательностей счетных импульсов и световых импульсов, излучаемых в оптическую камеру со светопоглощающими стенками, последующем приеме отраженных сигналов, поступающих под углом, отличным от оптической оси излучения, преобразовании принятых отраженных сигналов в электрические сигналы, сравнении их с пороговым значением, причем при наличии приема отраженных сигналов соответствующие им электрические сигналы синхронно детектируют до сравнения с пороговым значением, а сигналами, превышающими пороговое значение, устанавливают начало периода для накопления и подсчета счетных импульсов, синхронных соответствующим периодическим световым импульсам, с последующим формированием сигнала регистрации дыма при накоплении заданного количества счетных импульсов или сигнала сброса при их недостатке.
Новым в заявляемом способе является то, что при наличии приема отраженных сигналов соответствующие им электрические сигналы синхронно детектируют до сравнения с пороговым значением, а сигналами, превышающими пороговое значение, устанавливают начало периода для накопления и подсчета счетных импульсов, синхронных соответствующим периодическим световым импульсам, с последующим формированием сигнала регистрации дыма при накоплении заданного количества счетных импульсов или сигнала сброса при их недостатке, что делает возможным исключение одновременного прихода отраженного сигнала и импульсной помехи.
Технический результат, обусловленный совокупностью операций и приемов, характеризующих заявляемый способ, заключается в повышении надежности за счет обработки принятых отраженных сигналов методом синхронного детектирования и последующего сравнения с пороговым значением, позволяющим обеспечить достоверность формирования сигнала “пожар”. Методом синхронного детектированием из сигнала, соответствующего принятому отраженному сигналу с фотоприемника, выделяют импульс в определенный момент времени, электрическое значение которого и сравнивают с пороговым значением. Анализируют только часть отраженного сигнала и помехи, возникшие в другие моменты времени, не влияют в последующем на формирование сигнала регистрации дыма, при этом начало периода для накопления и подсчета заданного количества счетных импульсов начинается с приходом первого отраженного сигнала при условии, что соответствующий ему электрический сигнал соответствует моменту излучения и выше порогового значения. Введение операции детектирования для электрических значений принятых отраженных сигналов с последующим пороговым сравнением, результат которого определяет период для накопления и подсчета счетных импульсов, синхронных световым импульсам, позволяют исключить прохождение световых и электромагнитных помех при формировании информационного сигнала, соответствующего изменению плотности окружающей среды.
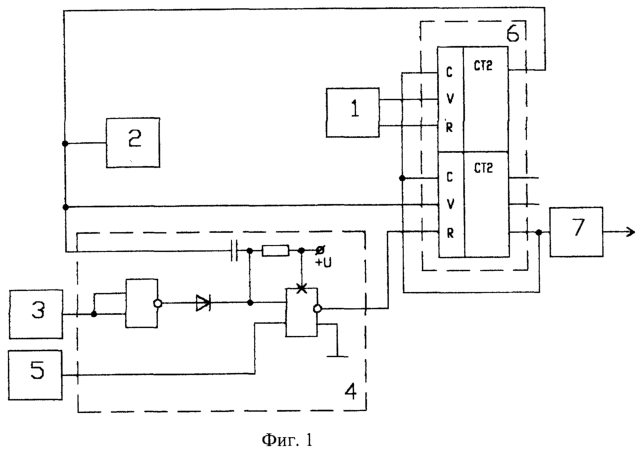
На фиг.1 представлена блок-схема заявляемого способа регистрации дыма, на фиг.2 показан пример реализации способа регистрации дыма.
Заявляемый способ регистрации дыма может быть реализован устройством (фиг.1), которое содержит, например, тактовый генератор 1, излучатель 2, связанный через оптическую камеру со светопоглощающими стенками (на фиг. не показано) с фотоприемником 3, схему 4 синхронного детектирования, содержащую два логических элемента И-НЕ, диод, RC-цепь, причем входы первого логического элемента И-НЕ связаны с выходом фотоприемника 3, а выход – через диод с RC-цепью, которая через конденсатор соединена с выходом первого двоичного счетчика схемы 6 сравнения и запоминания и входом второго логического элемента И-НЕ, другой вход которого связан с выходом схемы 5 сброса, а выход – с R-входом второго двоичного счетчика схемы 6 сравнения и запоминания, выполненной на двух двоичных счетчиках, причем V-вход и R-вход первого двоичного счетчика соединены с соответствующими выходами тактового генератора 1, а выход первого двоичного счетчика схемы 6 соединен параллельно связан с входом излучателя 2, V-входом второго двоичного счетчика и конденсатором RC-цепи схемы 4 синхронного детектирования, при этом выход второго двоичного счетчика схемы 6 соединен с С-входами обоих двоичных счетчиков и входом формирователя 7 сигнала регистрации дыма. Новыми признаками заявляемого способа являются наличие операции синхронного детектирования с последующим сравнением с пороговым значением, по результату которого определяют начало периода накопления и подсчета счетных импульсов, которые реализуются, например, схемой 4 синхронного детектирования, содержащей два логических элемента И-НЕ, диод, RC-цепь, причем входы первого логического элемента И-НЕ связаны с выходом фотоприемника 2, а выход – через диод с RC-цепью, которая через конденсатор соединена с выходом первого двоичного счетчика схемы 6 сравнения и запоминания, и входом второго логического элемента И-НЕ, другой вход которого связан с выходом схемы 5 сброса, а выход – с R-входом второго двоичного счетчика схемы 6 сравнения и запоминания.
Сформированные тактовым генератором 1 и схемой 6 сравнения и запоминания синхронные периодические последовательности счетных импульсов транслируют параллельно на V-вход схемы 6 сравнения и запоминания и RC-цепь схемы 4 синхронного детектирования, а последовательность световых импульсов, преобразуемую и излучаемую излучателем 2, – в оптическую камеру (на фиг. не показано). Отраженные сигналы, поступающие от излучателя 2 под углом, отличным от оптической оси излучения, принимают и преобразуют в электрические сигналы фотоприемником 3, а затем подвергают синхронному детектированию (фиг.1 схема 4 синхронного детектирования – первая логическая схема И-НЕ, диод, RC-цепь) и сравнивают с пороговым значением (фиг.1 схема 4 синхронного детектирования – вторая логическая схема И-НЕ). Сигналами, превышающими пороговое значение, с выхода схемы 4 синхронного детектирования устанавливают на R-вход второго счетчика схемы 6 сравнения и запоминания начало периода для накопления и подсчета счетных импульсов, синхронных (фиг.1 тактовый генератор 1 и выход первого счетчика схемы 6 сравнения и запоминания) соответствующим периодическим световым импульсам, излучаемым излучателем 2, на V-входе второго счетчика схемы 6 сравнения и запоминания, с последующим формированием сигнала регистрации дыма при накоплении заданного количества счетных импульсов (выход второго счетчика схемы 6 сравнения и запоминания) с одновременным формированием сигнала “запрета” на С-вход второго счетчика схемы 6 сравнения и запоминания, блокируя контроль оптической камеры, и на вход формирователя 7, формируя сигнал “пожар”. При накоплении количества счетных импульсов (выход второго счетчика схемы 6 сравнения и запоминания) меньше заданного формируют сигнал сброса на R-входе второго счетчика схемы 6. Сформированные тактовым генератором 1 и схемой 6 сравнения и запоминания синхронные периодические последовательности световых импульсов определяют время преобразования электрических сигналов в световые излучателем 2, а последовательностью счетных импульсов формируют счетные импульсы на V-входе второго счетчика схемы 6 по истечении формирования RC-цепью схемы 4 синхронного детектирования разрешающего сигнала, которым обнуляют второй счетчик схемы 6 при отсутствии приема отраженных сигналов фотоприемником 3. Так как с фотоприемника 3 поступающие сигналы ниже порогового уровня, то схемой 4 разрешают прохождение импульсов схемы 5 сброса, которые обнуляют второй счетчик схемы 6. При наличии приема отраженных сигналов фотоприемником 3, превышающих пороговое значение, задаваемое резистором и второй логической схемой И-НЕ схемы 4 синхронного детектирования, их синхронно детектируют и сравнивают с пороговым значением, блокируя прохождение импульсов схемы 5 сброса, и транслируют на R-вход второго счетчика схемы 6 сигнал, которым устанавливают период для накопления и подсчета количества счетных импульсов, синхронных соответствующим периодическим световым импульсам излучателя 2. При достижении определенного количества зарегистрированных импульсов вторым счетчиком схемы 6 на его выходе и на входе формирователем 7 формируют сигнал регистрации дыма. При этом прекращается контроль оптической плотности окружающей среды, и сформированный сигнал высокого уровня направляют на выходные ключи, с помощью которых уменьшают внутреннее сопротивление до заданной величины (не более 500 Ом при токе 20 мА), являющийся сигналом срабатывания для приемно-контрольного прибора (на фиг. не показан). Возврат устройства в дежурный прием производят после его отключения от питания на определенное время (не менее 1,5 с).
Предлагаемая совокупность операций и приемов, характеризующих способ, позволяет повысить надежность способа. Поскольку начало регистрации счетных импульсов, синхронных соответствующим периодическим световым импульсам, происходит только при наличии приема соответствующего отраженного сигнала, преобразуемого в электрический, который затем синхронно детектируют и сравнивают с пороговым значением, а сигналом, превышающим пороговое значение, устанавливают начало периода для накопления и подсчета количества счетных импульсов с последующим формированием сигнала регистрации дыма при накоплении заданного количества счетных импульсов или сигнала сброса при их недостатке. То есть, каждый счетный импульс, соответствующий периодическим световым импульсам, регистрируется при приеме соответствующего отраженного сигнала, который анализируют только в определенные моменты излучения излучателем, определяемые RC-цепью, которой задают временной интервал для анализа электрического сигнала, соответствующего принятому отраженному сигналу. Начало регистрации заданного количества счетных импульсов начинается с приходом первого отраженного сигнала при условии, что соответствующий ему электрический сигнал соответствует моменту излучения и выше порогового значения. Однако если этот сигнал вызван помехой, то следующие сигналы (второй, третий) мало вероятно будут соответствовать моменту излучения и, одновременно, амплитудные значения этих помех будут превышать пороговое значение. Накопление и подсчет количества счетных импульсов начнется вновь с приходом следующего отраженного сигнала, который снова анализируют на соответствие моменту излучения и превышения порогового значения. Только при появлении заданного количества счетных импульсов, соответствующих принятым отраженным сигналам, электрические значения которых синхронно детектируют и сравнивают с пороговым значением, формируют сигнал регистрации дыма. Синхронное детектирование сигналов заключается в выделении из сигнала, соответствующего принятому отраженному сигналу с фотоприемника, импульса в определенный момент времени, который и сравнивают с пороговым значением. То есть анализируют только часть сигнала и помехи, возникшие в другие моменты времени, не влияют на формирование сигнала регистрации дыма.
Устройство, реализующее заявляемый способ, может быть выполнено, например, как это показано на фиг.2, из известных комплектующих элементов. Тактовый генератор 1 выполнен на двух логических элементах И-НЕ DD1.1, DD1.2, резисторах R1, R2, R3, емкостях C1, C2, причем R3,C1-цепью формируется временная задержка тактовых импульсов на втором выходе тактового генератора 1 на 45-50 мкс по сравнению с первым выходом. Излучатель 2, выполненный на транзисторах VT1, VT2, светодиоде VD3, резисторах R5, R6, образует световые импульсы заданной длительности; фотоприемник 3 с усилителем, охваченный петлей отрицательной обратной связи (R14) по постоянному напряжению для устойчивости к изменению температуры окружающей среды в интервале -25°С до +60°С, выполнен на VT7, VT8 – транзисторах, УД1 – фотодиоде, многоступенчатом RC-фильтре – R7C4, R8R9, C5R11R10C6, R15R16C7, исключающем попадание импульсных помех по питанию; схема 4 синхронного детектирования содержит два логических элемента И-НЕ DD1.3, DD1.4, ограничительный диод VD2, R17C8-цепь, причем входы первого элемента И-НЕ DD1.3 связаны с выходом фотоприемника 3, а выход – через диод VD2 с цепью R17C8 и первым входом второго логического элемента И-НЕ DD1.4, второй вход которого связан с выходом схемы 5 сброса, выполненной на транзисторе VT9, резисторах R18, R19, R20; схема 6 сравнения и запоминания выполнена на двух двоичных счетчиках DD2.1, DD2.2, причем V-вход и R-вход первого двоичного счетчика DD2.2 соединены с соответствующими выходами тактового генератора 1, а первый его выход параллельно связан с входом излучателя 2 (R4), V-входом второго двоичного счетчика DD2.1 и первым входом (С8) схемы 4 синхронного детектирования, выход которой соединен с R-входом второго двоичного счетчика DD2.1, чей третий выход связан с С-входами обоих двоичных счетчиков DD2.1, DD2.2 и входом формирователя 7 сигнала регистрации дыма, выполненного на транзисторах VT3, VT4, резисторах R21, R22, R23, R24 и светодиоде VD4, анод которого связан с источником питания 8, содержащего транзисторы VT5, VT6, резисторы R25, R26 и диод VD5. Контакты 2,2.3,4 обеспечивают подключение устройства в линии приемно-контрольного прибора (на фиг. не показан).
Устройство, реализующее заявляемый способ, работает следующим образом. Тактовым генератором 1 вырабатываются прямоугольные импульсы с периодом около 1 с. Цепью R3,C1 формируется временная задержка на втором выходе генератора 1 (DD1.2), на котором импульс появляется через 45-50 мкс после его появления на первом выходе (DD1.1). Импульсы с тактового генератора 1 подаются на вход первого двоичного счетчика DD2.2 схемы 6, на выходе которого появляется положительный импульс с длительностью порядка 45 мкс, которым определяется время излучения светового импульса излучателем 2. Усилителем фотоприемника 3 усиливаются импульсы, поступающие с фотодиода VD1, которые затем подаются на схему 4 синхронного детектирования И-НЕ DD1.3. Одновременно цепью R17, C8 формируется импульс длительностью около 25 мкс, которым сбрасывают второй двоичный счетчик DD2.1. При каждом импульсе излучения излучателем 2 второй двоичный счетчик DD2.1 схемы 6 сравнения и запоминания считает до “1” (импульсы с первого выхода первого двоичного счетчика DD2.2 схемы 6 поступают на счетный V-вход второго двоичного счетчика DD2.1) и сбрасывается. Импульсы сброса схемы 5 при отсутствии фотоответа обнуляют второй двоичный счетчик DD2.1 схемы 6. При появлении в измерительной камере (на фиг. не показана) дыма отраженный сигнал излучателя 2 усиливается усилителем фотоприемника 3, который поступает затем на первый вход второго логического элемента И-НЕ схемы 4, обеспечивая уровень логической “1”, импульсы сброса со схемы 5 не проходят и второй логический счетчик DD2.1 схемы 6 продолжает счет. Импульс сброса схемы 5 появляется после окончания импульса излучения излучателя 2 (фиг.3) и совпадает по времени с фотоответом фотоприемника 3, т.к. последний задерживается из-за инерционности фотодиода VD1. При появлении дыма счетчик DD2.1 продолжает счет (в течение порядка 4 с) и при появлении четвертого импульса на третьем выходе второго логического счетчика DD2.1 схемы 6 появляется уровень логической единицы, которым блокируется С-вход первого двоичного счетчика DD2.2, включается светодиод VD4 формирователя 7 регистрации дыма и устройство переходит в режим “пожар”. При отключении питания на время более 1,5 с схема сброса на VT9 закрывается (при напряжении около 2,4 V), что приводит к появлению логической “1” на выходе схемы И-НЕ DD1.4 схемы 4 и R-входе второго двоичного счетчика DD2.1 схемы 6. Устройство готово к работе при последующем включении источника 8 питания.
Заявляемый способ повышает надежность и достоверность формирования информационного сигнала, соответствующего режиму “пожар”, за счет исключения воздействия световой или электромагнитной помех, проходящих через фотоприемник, схему управления и запоминания в момент опроса оптического канала.
Формула изобретения
Способ регистрации дыма, заключающийся в формировании синхронных периодических последовательностей счетных импульсов и световых импульсов, излучаемых в оптическую камеру со светопоглощающими стенками, последующем приеме отраженных сигналов, поступающих под углом, отличным от оптической оси излучения, преобразовании принятых отраженных сигналов в электрические сигналы, сравнении их с пороговым значением, отличающийся тем, что при наличии приема отраженных сигналов соответствующие им электрические сигналы синхронно детектируют до сравнения с пороговым значением, а сигналами, превышающими пороговое значение, устанавливают начало периода для накопления и подсчета счетных импульсов, синхронных соответствующим периодическим световым импульсам с последующим формированием сигнала регистрации дыма при накоплении заданного количества счетных импульсов или сигнала сброса при их недостатке.
РИСУНКИ
PC4A – Регистрация договора об уступке патента Российской Федерации на изобретение
(73) Патентообладатель(и):
Общество с ограниченной ответственностью “Конструкторское Бюро Пожарной Автоматики” (ООО “КБ Пожарной Автоматики”)
(73) Патентообладатель:
Общество с ограниченной ответственностью “Группа компаний “РУБЕЖ”
Дата и номер государственной регистрации перехода исключительного права: 17.02.2010 № РД0060632
Извещение опубликовано: 27.03.2010 БИ: 09/2010
|
|