|
|
(21), (22) Заявка: 2004104976/09, 18.02.2004
(24) Дата начала отсчета срока действия патента:
18.02.2004
(45) Опубликовано: 10.07.2005
(56) Список документов, цитированных в отчете о поиске:
SU 1365099 A1, 07.01.1988. RU 2060550 C1, 20.05.1996. RU 2149450 C1, 20.05.2000. SU 1621054 A2, 15.01.1991. US 5905387 А, 18.05.1999.
Адрес для переписки:
432027, г.Ульяновск, ул. Северный Венец, 32, ГОУ ВПО “Ульяновский государственный технический университет”, Проректору по научной работе
|
(72) Автор(ы):
Волгин Л.И. (RU), Зарукин А.И. (RU)
(73) Патентообладатель(и):
Государственное образовательное учреждение высшего профессионального образования “Ульяновский государственный технический университет” (RU)
|
(54) РАНЖИРУЮЩИЙ ПРОЦЕССОР С АДРЕСНОЙ ИДЕНТИФИКАЦИЕЙ НАБОРА ВХОДНЫХ АНАЛОГОВЫХ СИГНАЛОВ
(57) Реферат:
Изобретение относится к реляторной вычислительной и коммутационной технике и может быть использовано в аналоговых вычислительных машинах и коммутационных процессорах. Техническим результатом является расширение функциональных возможностей за счет введения адресной идентификации заданного набора выходных аналоговых сигналов x1, x2,… хk,… xn. Устройство содержит n-1 вертикальных групп коммутационных реляторов, первая, вторая,…, (n-2)-я, (n-1)-я группы содержат соответственно один, два,… , n-2, n-1 реляторов с двумя компараторными входами, с первым и вторым переключательными входами и выходами, первый и второй компараторные входы соединены соответственно с его вторым и первым переключательными входами, n входных и n выходных проводных шин. При этом информация об адресной идентификации представлена логическими уровнями сигналов Iij {0,1} на компараторных выходах всех реляторов, образующих параллельный код. 3 ил.

Изобретение относится к реляторной вычислительной и коммутационной технике и может быть использовано в аналоговых вычислительных машинах и коммутационных процессорах.
Известны реляторные устройства для ранжирования аналоговых сигналов с адресной идентификацией входов, на которые воздействуют входные аналоговые сигналы (см., например, а.с. СССР 1387021, кл. G 06 G 7/06, фиг.1). Указанные устройства имеют ограниченные функциональные возможности, так как предназначены для воспроизведения операций ранжирования только для трех входных сигналов и имеют избыточное число ключей в реляторах.
Известны также реляторные ранжирующие процессоры с произвольным числом n входных аналоговых сигналов x1, x2,… , xn, воспроизводящие операции ранжирования (а.с. 1621054, фиг.3). Недостатком данных ранжирующих процессоров являются ограниченные функциональные возможности из-за отсутствия адресной идентификации.
Наиболее близкими к предлагаемому схемному решению по совокупности существенных признаков и назначению являются ранжирующие процессоры, содержащие 0,5n(n-1) реляторных амплитудных селекторов, которые воспроизводят операции ранжирования заданного числа n входных аналоговых x1,… , xk,… , xn (х(1),… , … x(n)), где rk – ранг k-го входного сигнала k – адрес (порядковый номер) входного сигнала k {1,2,… ,n}, rk={1,2,… ,n} (а.с. СССР 1365099, кл. G 06 G 7/12, фиг.1а, б, фиг.2, прототип) и содержащие 0,5n(n-1) коммутационных реляторов, сгруппированных в n-1 вертикальных групп, n входов n проводной входной шины ранжирующего процессора, на которые подается набор аналоговых сигналов x1,… , xn, n выходов n проводной выходной шины ранжирующего процессора, каждый релятор состоит из компаратора, выход которого соединен с управляющими входами первого, второго замыкающих и первого, второго размыкающих ключей, входные выводы первых замыкающего и размыкающего ключей соединены и образуют первый переключательный вход релятора, входные выводы вторых замыкающего и размыкающего ключей соединены и образуют второй переключательный вход релятора, выходные выводы первого замыкающего, второго размыкающего ключей соединены и образуют первый переключательный выход релятора, выходные выводы второго замыкающего и первого размыкающего ключей соединены и образуют второй переключательный выход релятора, а входные и выходной выводы компаратора образуют соответственно первый, второй входные компараторные входы и компараторный выход релятора, первая, вторая,… ,(n-2)-я, (n-1)-я группы реляторов ранжирующего процессора содержат соответственно один, два,… n-2 и n-1 реляторов, первый и второй входы входной шины соединены соответственно с первым и вторым переключательными входами первого релятора первой группы.
Прототип обладает ограниченными функциональными возможностями из-за невозможности воспроизведения операций адресной идентификации входных сигналов 
Проведенный анализ уровня техники и выявление источников, содержащих сведения об аналогах, позволили установить, что заявитель не обнаружил аналогов с признаками, тождественными всем существенным признакам заявляемого изобретения.
Технический результат заключается в расширении функциональных возможностей за счет введения адресной идентификации заданного набора входных аналоговых сигналов x1, x2,… , xk,… , xn в ранжирующем процессоре.
Поставленная задача решена заявляемым изобретением. Технический результат расширения функциональных возможностей достигается тем, что предлагается ранжирующий процессор с адресной идентификацией набора входных аналоговых сигналов, содержащий 0,5n(n-1) коммутационных реляторов, сгруппированных в n-1 вертикальных групп, n входов n проводной входной шины ранжирующего процессора, на которые подается набор аналоговых сигналов х1,… , xn, n выходов n проводной выходной шины ранжирующего процессора, каждый релятор состоит из компаратора, выход которого соединен с управляющими входами первого, второго замыкающих и первого, второго размыкающих ключей, входные выводы первых замыкающего и размыкающего ключей соединены и образуют первый переключательный вход релятора, входные выводы вторых замыкающего и размыкающего ключей соединены и образуют второй переключательный вход релятора, выходные выводы первого замыкающего, второго размыкающего ключей соединены и образуют первый переключательный выход релятора, выходные выводы второго замыкающего и первого размыкающего ключей соединены и образуют второй переключательный выход релятора, а входные и выходной выводы компаратора образуют соответственно первый, второй входные компараторные входы и компараторный выход релятора, первая, вторая,… , (n-2)-я, (n-1)-я группы реляторов ранжирующего процессора содержат соответственно один, два,… n-2 и n-1 реляторов, первый и второй входы входной шины соединены соответственно с первым и вторым переключательными входами первого релятора первой группы. В отличии от прототипа в каждом реляторе первый и второй компараторные входы соединены соответственно с его вторым и первым переключательными входами, первый и второй переключательные выходы релятора первой группы соединены соответственно с первым переключательным входом первого релятора второй группы и с первым переключательным входом второго релятора второй группы, в каждой i-й (i=2,3,… ,n-2) группе первый переключательный выход j-го по вертикали релятора соединен с первым переключательным входом последующего по горизонтали j-го по вертикали релятора (i+1)-й группы, второй переключательный выход j-го по вертикали релятора i-й группы при (i=2,3,… ,n-1) j i-1 соединен со вторым переключательным входом (j+1)-го по вертикали релятора этой же группы, второй переключательный выход j=i по вертикали релятора 1-й группы соединен с первым переключательным входом (j+1)-го по вертикали релятора i+1 группы при (i=2,3,… ,n-2), первый и второй переключательные выходы (n-1)-го релятора (n-1) группы и первые переключательные выходы (n-2)-го, (n-3)-го,… , второго и первого реляторов этой же группы соединены соответственно с n-й, (n-1)-й,… , вторым и первым выходами выходной шины ранжирующего процессора, в каждой i-й группе реляторов (i=2,3,… ,n-1) вторые переключательные входы первых реляторов (j=1) соединены соответственно с третьим, четвертым,… , (n-1), n-м входами входной шины xk(k=3,4,… ,n), при этом информация об адресной идентификации представлена логическими уровнями сигналов Iij {0,1} на компараторных выходах всех реляторов, образующих параллельный код.
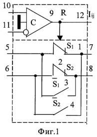
На фиг.1 представлена схема коммутационных реляторов, на которых построены ранжирующие процессоры, изображенные на фиг.2, 3.
На фиг.2 представлена схема ранжирующего процессора при n=3.
На фиг.3 представлена схема ранжирующего процессора с адресной идентификацией при n=4.
В схемах ранжирующих процессоров используются коммутационные реляторы, схема которых изображена на фиг.1.
Каждый релятор содержит первый S1 – 1 и второй S2 – 2 замыкающие и первый и второй размыкающие аналоговые ключи. Входные выводы первых замыкающего и размыкающего ключей соединены и образуют первый переключательный вход релятора 5, выходные выводы вторых замыкающего и размыкающего ключей соединены и образуют второй переключательный вход релятора 6. Выходные выводы первого замыкающего, второго размыкающего ключей объединены и образуют первый переключательный выход релятора 7, выходные выводы второго замыкающего, первого размыкающего ключей объединены и образуют второй переключательный выход релятора 8. Выход 12 компаратора С является компараторным выходом релятора, а входные выводы компаратора являются первым 10 (неинвертирующим) и вторым 11 (инвертирующим) компараторными входами релятора. Состояние ключей (замкнут, разомкнут) задается полярностью напряжений xij=xm1-xm2, подаваемых на неинвертирующий 10 и инвертирующий 11 компараторные входы реляторов, где xm1 и xm2 есть напряжения соответственно на первом и втором входах компаратора С-9 релятора. При xm1>xm2 ключи релятора находятся в положениях, указанных на фиг.1. При xm1m2 имеем обратную картину (замыкающие ключи разомкнуты, размыкающие – замкнуты).
На фиг.2 представлена схема ранжирующего процессора при n=3.
В схемах ранжирующих процессоров используются коммутационные реляторы (фиг.1), работающие в режиме минимаксного амплитудного селектора. Для этого первые и вторые компараторные входы всех реляторов соединены соответственно со вторым и первым переключательными входами реляторов, как это показано на фиг.2 и 3.
Ранжирующий процессор с адресной идентификацией набора входных аналоговых сигналов (фиг.2) содержит 3 входа 13, 14, 15 3-х проводной входной шины 16 ранжирующего процессора, на которые подается набор аналоговых сигналов х1, х2, х3 соответственно, 3 выхода 17, 18, 19 3-х проводной выходной шины 20 ранжирующего процессора с выходными сигналами х(1), х(2), х(3) три коммутационных релятора 21 RLij, сгруппированных в 2 вертикальные группы (i=1, 2) 22, 23 соответственно с компараторными выходами Iij. Здесь i – номер вертикальной группы, j – номер релятора по вертикали в вертикальной группе.
В каждом реляторе первый 10 и второй 11 компараторные входы соединены соответственно с его вторым 6 и первым 5 переключательными входами, соединенными соответственно с первым 13 и вторым 12 входами входной шины 16, первый 7 и второй 8 переключательные выходы релятора первой группы соединены соответственно с первым 5 переключательным входом первого релятора второй группы и с первым 5 переключательным входом второго релятора второй группы, второй переключательный выход 1-го по вертикали релятора 21 RL21 2-й группы соединен со вторым переключательным входом 2-го по вертикали релятора этой же группы 21 RL22, первый и второй переключательные выходы релятора 21 RL22 и первый переключательный выход релятора 21 RL21 этой же группы соединены соответственно с 3-м 19, вторым 18 и первым 17 выходами выходной шины ранжирующего процессора, второй переключательный вход первого релятора второй группы 21 RL21 соединен с третьим 15 входом входной шины, при этом информация об адресной идентификации представлена логическими уровнями сигналов Iij {0,1} на компараторных выходах всех реляторов Iij, образующих параллельный код.
На фиг.3 изображена схема ранжирующего процессора с адресной идентификацией при n=4.
Ранжирующий процессор с адресной идентификацией набора входных аналоговых сигналов содержит 4 входа 24, 25, 26, 27 4-х проводной входной шины 28 ранжирующего процессора, на которые подается набор аналоговых сигналов x1, x2, x3, x4 соответственно, 4 выхода 29, 30, 31, 32 4-х проводной выходной шины 33 ранжирующего процессора. Все 0,5n(n-1) реляторов RL с компараторными выходами Iij ранжирующего процессора сгруппированы в n-1 вертикальных групп 1, 2,… , n-1 (при n=4 – это 1-33, 2-34 и 3-35 группы, как это показано на фиг.3). Двойная индексация ij реляторов RL в схеме ранжирующего процессора образуют прямоугольную матрицу, в которой горизонтальные строки i при j=1 являются порядковым номером (слева направо) горизонтальных групп (i=1,2,… ,n-1), a j являются порядковым номером по вертикали (сверху вниз) реляторов внутри каждой вертикальной группы (j=1,2,… ,n-1), т.е. при n=4 первая, вторая и третья группы содержат соответственно один, два и три релятора, такое же число реляторов содержится по горизонтали.
В каждом реляторе первый 10 и второй 11 компараторные входы соединены соответственно с его вторым 6 и первым 5 переключательными входами, первый 7 и второй 8 переключательные выходы релятора первой группы 21 RL11 соединены соответственно с первым 5 переключательным входом первого релятора второй группы 21 RL21 и с первым переключательным входом 5 второго релятора второй группы 21 RL22, в каждой i-й (i=2,3,… ,n-2) группе первый переключательный выход 7j-го по вертикали релятора 21 RLij соединен с первым переключательным входом 5 последующего по горизонтали j-го по вертикали релятора (i+1)-й группы 21 RL(i+i)j, второй переключательный выход 8j-го по вертикали релятора i-й группы 21 RLij при (i=2,3,… ,n-1) j i-1 соединен со вторым переключательным входом 6 (j+1)-го по вертикали релятора этой же группы 21 RLi(j+1), второй переключательный выход j=i по вертикали релятора i-й группы соединен с первым переключательным входом (j+1)-го по вертикали релятора i+1 группы при (i=2,3,… ,n-2), первый и второй переключательные выходы (n-1)-го релятора (n-1) группы и первые переключательные выходы (n-2)-го, (n-3)-го,… , второго и первого реляторов этой же группы соединены соответственно с n-й, (n-1)-й,… , вторым и первым выходами выходной шины ранжирующего процессора, в каждой i-й группе реляторов (i=2,3,… ,n-1) вторые переключательные входы первых реляторов (j=1) соединены соответственно с третьим, четвертым,… , (n-1), n-м входами входной шины 28 xk (k=3,4,… ,n), при этом информация об адресной идентификации представлена логическими уровнями сигналов Iij {0,1}на компараторных выходах всех реляторов Iij, образующих параллельный код.
Устройство работает следующим образом.
При xm1m2 (напряжение xm1 на инвертирующим компараторном входе релятора меньше напряжения xm2 на его неинвертирующем входе) ключи S1, S2, и находятся соответственно в замкнутом и разомкнутом состоянии, как это показано на фиг.1. При этом при любой ситуации независимо от ранговых отношений хk1k2<… k1<… kn входных аналоговых сигналов xk1, xk2,… , xkn ранговый процессор (фиг.3) воспроизводит операции ранжирования в порядке возрастания выходных сигналов (x1,x2,… ,xk,… ,xn) (x(1),x(2),… , (x(n)) c адресной k идентификацией номера входа, на который воздействует k-входной сигнал где k1 {1,2,… ,n}, k (1,2,… ,n), rk – ранг k-входного сигнала (порядковый номер ранговой переменной в упорядоченной последовательности х(1), x(2),… , х(n), полученной ранжированием входных переменных в порядке их возрастания).
Адресная идентификация осуществляется по логическим уровням сигналов Iij {0,1} на компараторных выходах всех реляторов, совокупность которых образует параллельный код I11 I21 I22· … · (I(n-1)1 I(n-1)2… I(n-1)(n-1).
Для n сигналов x1,… , xn число различных ранговых ситуаций N=n!=1· 2· … · (n-1)· n. В частности, при n=3 в таблицу сведены все N=6 ранговые ситуации хk1k2<хk3, в которых x(1)=min(x1,x2,x3), x(2)=med(x1,x2,x3), x(1)=max(x1,x2,x3) есть соответственно первая (минимальная), вторая (медианная) и третья (максимальная) ранговые переменные входных сигналов x1, x2, x3.
Схема ранжирующего процессора при n=3 изображена на фиг.2. Схема коммутационного релятора (фиг.1) при соединении его первого и второго компараторных входов соответственно со вторым и первым его переключательными входами является элементарным ранжирующим процессором при n=2.
| N |
ранговая |
(x1, x2, x3) (xk1, xk2, xk3) |
|
|
|
код |
| п/п |
ситуация |
|
x(1) |
x(2) |
x(3) |
I11I21I21 |
| 1 |
x123 |
(x1,x2,x3) (x1,x2,x3) |
x1 |
x2 |
x3 |
111 |
| 2 |
x132 |
(x1,x2,x3) (x1,x3,x2) |
x1 |
x3 |
x2 |
110 |
| 3 |
x213 |
(x1,x2,x3) (x2,x1,x3) |
x2 |
x1 |
x3 |
011 |
| 4 |
x231 |
(x1,x2,x3) (x2,x3,x1) |
x2 |
x3 |
x1 |
010 |
| 5 |
x312 |
(x1,x2,x3) (x3,x1,x2) |
x3 |
x1 |
x2 |
100 |
| 6 |
x321 |
(x1,x2,x3) (x3,x2,x1) |
x3 |
x2 |
x1 |
000 |
На самом деле адресная идентификация и ранговые ситуации входных сигналов однозначно идентифицируются параллельным кодом, снимаемым с компараторных выходов ранжирующих процессоров. В частности, согласно приведенной таблицы первая (ситуация 111 при n=3) и последняя (ситуация 000 при n=3) ситуации связаны между собой через операцию покомпонентной инверсии входных сигналов (x1,x2,… ,xn) (xn,… ,x2,x1). При этом логические уровни “1” и “0” в кодовых комбинациях одновременно идентифицируют состояния замыкающих ключей S1 и S2 в соответствующих реляторах RLij: “1” – соответствующие замыкающие ключи замкнуты (прямое прохождение входных сигналов xm1 и xm2 через ключи S1 и S2 реляторов), “0” – замыкающие ключи S1 и S2 разомкнуты, размыкающие ключи и замкнуты (перекрестное прохождение сигналов xm1 и xm2 через реляторы).
Устройство прошло лабораторные испытания. Опытные данные показывают достижение цели.
Таким образом, предлагаемое устройство имеет более широкие функциональные возможности по сравнению с прототипом и может выпускаться промышленностью как на дискретных элементах, так и в виде микросхемы.
Формула изобретения
Ранжирующий процессор с адресной идентификацией набора входных аналоговых сигналов, содержащий 0,5n(n-1) коммутационных реляторов сгруппированных в n-1 вертикальных групп, n входов n проводной входной шины ранжирующего процессора, на которые подается набор аналоговых сигналов x1,… , xn, n выходов n проводной выходной шины ранжирующего процессора, каждый релятор состоит из компаратора, выход которого соединен с управляющими входами первого, второго замыкающих и первого, второго размыкающих ключей, входные выводы первых замыкающего и размыкающего ключей соединены и образуют первый переключательный вход релятора, входные выводы вторых замыкающего и размыкающего ключей соединены и образуют второй переключательный вход релятора, выходные выводы первого замыкающего, второго размыкающего ключей соединены и образуют первый переключательный выход релятора, выходные выводы второго замыкающего и первого размыкающего ключей соединены и образуют второй переключательный выход релятора, а входные и выходной выводы компаратора образуют соответственно первый, второй входные компараторные входы и компараторный выход релятора, первая, вторая,… , (n-2)-я, (n-1)-я группы реляторов ранжирующего процессора содержат соответственно один, два,… n-2 и n-1 реляторов, первый и второй входы входной шины соединены соответственно с первым и вторым переключательными входами первого релятора первой группы, отличающийся тем, что в каждом реляторе первый и второй компараторные входы соединены соответственно с его вторым и первым переключательными входами, первый и второй переключательные выходы релятора первой группы соединены соответственно с первым переключательным входом первого релятора второй группы и с первым переключательным входом второго релятора второй группы, в каждой i-й (i=2,3,… ,n-2) группе первый переключательный выход j-го по вертикали релятора соединен с первым переключательным входом последующего по горизонтали j-го по вертикали релятора (i+1)-й группы, второй переключательный выход j-го по вертикали релятора i-й группы при (i=2,3,… ,n-1), при j ij {0,1} на компараторных выходах всех реляторов, образующих параллельный код.
РИСУНКИ
MM4A – Досрочное прекращение действия патента СССР или патента Российской Федерации на изобретение из-за неуплаты в установленный срок пошлины за поддержание патента в силе
Дата прекращения действия патента: 19.02.2006
Извещение опубликовано: 27.07.2007 БИ: 21/2007
|
|