|
|
(21), (22) Заявка: 2004117929/09, 16.06.2004
(24) Дата начала отсчета срока действия патента:
16.06.2004
(45) Опубликовано: 10.07.2005
(56) Список документов, цитированных в отчете о поиске:
RU 2202822 C1, 20.04.2003. RU 25616 U1, 10.10.2002. SU 1770961 A1, 23.10.1992. SU 1550528 A1, 15.03.1999. JP 2001338090 A, 07.12.2001. US 5815638 A, 29.09.1998.
Адрес для переписки:
109651, Москва, Батайский пр., 1, кв.139, А.А. Бурбе
|
(72) Автор(ы):
Быков И.А. (RU), Карпов А.Е. (RU), Ласковенко А.Г. (RU), Тоценко Виталий Георгиевич (UA)
(73) Патентообладатель(и):
Быков Иван Алексеевич (RU), Карпов Анатолий Евгеньевич (RU), Ласковенко Андрей Георгиевич (RU), Тоценко Виталий Георгиевич (UA)
|
(54) УСТРОЙСТВО ДЛЯ ВЗАИМОДЕЙСТВИЯ С ЭКСПЕРТАМИ ПРИ ОПРЕДЕЛЕНИИ КАРДИНАЛЬНОЙ СОГЛАСОВАННОЙ ОЦЕНКИ
(57) Реферат:
Изобретение относится к автоматике и вычислительной технике и может быть использовано для получения согласованной кардинальной абсолютной групповой экспертной оценки. Техническим результатом является расширение числа арсенала средств, позволяющих осуществлять вычисление коэффициента согласованности и определение степени согласованности экспертных оценок. Для этого устройство содержит входные регистры, элементы НЕ, блоки сравнения, счетчики, блоки индикации, элементы задержки, сумматоры, блоки деления, элементы ИЛИ, коммутаторы, блоки вычитания. 8 ил.

Изобретение относится к автоматике и вычислительной технике и может быть использовано для получения согласованной кардинальной абсолютной групповой экспертной оценки.
Известно устройство для принятия решений в экспертных системах, содержащее блоки ввода оценок параметров объекта, блоки ввода оценок компетентности эксперта, задатчики ранга эксперта, блоки сравнения, регистры рангов, регистр числа оцениваемых параметров, регистр числа экспертов, блоки формирования оценок, блок управления, блок индикации и коммутаторы (авторское свидетельство СССР №1770961, кл. G 06 F 15/00, 1990).
Недостатком данного устройства является отсутствие оценки количественного показателя степени согласованности экспертов.
Наиболее близким аналогом (прототипом) является устройство для выбора рационального варианта, содержащее три группы входных регистров, две группы блоков сравнения, входной регистр, группу элементов И, счетчик, элемент НЕ, два элемента задержки (ЭЗ), шесть элементов ИЛИ, четыре коммутатора, шесть регистров, группу ЭЗ, группу сумматоров, два блока сравнения, блок индикации, генератор тактовых импульсов и распределитель импульсов (патент РФ №2202822, кл. G 06 F 7/06, 15/00, 2003).
Недостатком этого устройства является отсутствие учета порогового значения степени согласованности множества экспертных оценок (МЭО), что не позволяет осуществлять корректировку экспертных оценок.
Техническим результатом заявленного изобретения является повышение уровня согласованности множества индивидуальных экспертных оценок и точности групповой кардинальной экспертной оценки.
Это можно осуществить следующим образом. Определяется относительная компетентность экспертов (ОКЭ)Сj по формуле:

где j – нормированный абсолютный вес j-го эксперта;
m – количество экспертов.
Далее получают индивидуальные экспертные оценки. Причем, если оценивается какая-либо величина, то оценка будет в виде действительных чисел j. В случае, когда оценивается какое-либо событие, то оценка будет в виде булевых переменных j, то есть в случае оценки “да” будет “единица”, а в случае оценки “нет” будет “нуль”.
После этого оценивается спектр S, (i=1,… ,n) экспертных оценок путем сравнения величины j с фиксированными значениями шкалы (n – количество делений шкалы). Значения j путем округления относят к какому-либо делению шкалы спектра. Затем производится суммирование показателей оценок j по фиксированным делениям шкалы.
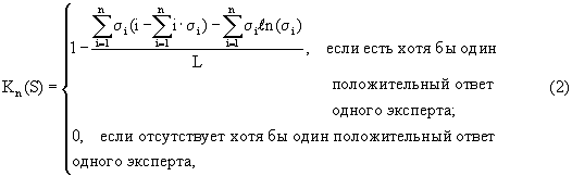
Вычисляется коэффициент согласованности (КС) Kn(S) спектра экспертных оценок по формуле:

где 

n – количество делений шкалы спектра экспертных оценок;
m – количество экспертов;
Si – количество экспертов, оценки которых округлены до i-го деления шкалы;
cjk – относительная компетентность j-го эксперта.
В дальнейшем определяется достаточность степени согласованности экспертных оценок путем сравнения величины КС, вычисленного по формуле (2), с величинами порога обнаружения (ПО) То и порога применения (ПП) Тп, причем если

то выдается рекомендация изменить свои показания тому эксперту, у которого наименьшая ОКЭ.
Если значение индивидуальной оценки не изменилось, то она исключается из МЭО, а эксперт устраняется из бригады. Если это значение меняется, то вычисляют новое значение КС по формуле (2), которое повторно сравнивается с То. В случае, когда на некотором шаге оказалось, что неравенство (3) по-прежнему имеет место, а множество экспертов, которым можно предложить изменить свои оценки – пусто, процесс прекращают и бригаду экспертов заменяют.
Если имеет место неравенство

то определяют среднюю оценку МЭО по формуле:

Далее вычисляют критерий Fj по формуле:

Из m значений этого критерия выбирают наибольшее значение, и соответствующему эксперту предлагается изменить свою оценку. В случае отказа эксперта эту оценку исключают из МЭО. Если же эксперт дает новую оценку, то МЭО корректируется, вычисляется новое значение КС по формуле (2).
После этого проверяют выполнение неравенств (3) и (4), Кроме того, проверяется выполнение неравенства

где ml – число оценок, оставшихся в МЭО после выполнения. l-того шага описываемой процедуры.
Описываемый процесс продолжают до тех пор, пока выполняется неравенство (7). Если на некотором шаге будет иметь место неравенство

то МЭО считается значимым, а среднюю оценку, определенную для него, принимают в качестве согласованной агрегированной экспертной оценки (определяется значимость каждого эксперта в формировании групповой экспертной оценки).
Если неравенства (7) и (8) не соблюдаются, то вычисляют среднюю экспертную оценку по формуле (5). Пользователю выдают информацию о средней оценке, а также о значениях КС и ПП. Если эти значения его устраивают, то процесс завершается. В противном случае бригаду экспертов заменяют новой. Новым экспертам предлагается выдать свои индивидуальные оценки. Затем все перечисленные процедуры повторяются в соответствии с указанным порядком.
Технический результат достигается тем, что устройство для взаимодействия с экспертами при определении кардинальной согласованной оценки, содержащее с первого по пятый входные регистры, первый элемент НЕ, первый и второй блоки сравнения, первый счетчик, первый блок индикации, первый и второй элементы задержки (ЭЗ), регистр, генератор тактовых импульсов, первую, вторую и третью группы входных регистров, шестую группу ЭЗ и первую группу сумматоров, причем выход каждого элемента шестой группы ЭЗ, состоящей из (m-2) элементов, соединен с первым входом соответствующего сумматора первой группы сумматоров, состоящей из (m-1) элементов, начиная со второго, второй вход каждого из которых подключен к выходу предыдущего сумматора, выход второго блока сравнения соединен с входом первого элемента НЕ, информационные входы первой и второй групп входных регистров, каждая из которых состоит из m элементов, являются входом устройства, информационные входы третьей группы входных регистров, состоящей из n элементов, являются входом устройства, дополнительно содержит четвертую группу входных регистров, с первой по пятую и с седьмой по десятую группы ЭЗ, вторую группу сумматоров, первую и вторую группы элементов ИЛИ, первую и вторую группы коммутаторов, второй и третий элементы НЕ, с первого по седьмой элементы ИЛИ, блок деления, первую и вторую группы блоков деления, первую и вторую группы блоков индикации, группу регистров, с третьего по шестой блоки сравнения, со второго по пятый блоки индикации, с третьего по шестой ЭЗ, второй и третий счетчики, с первого по четвертый сумматоры с накоплением, с первого по третий блоки умножения, с первого по третий блоки вычитания, элемент И, группу блоков вычитания по модулю, первый и второй коммутаторы, группу блоков умножения, блок логарифмирования и распределитель импульсов, вход которого соединен с выходом генератора тактовых импульсов, первый, второй, третий и четвертый выходы распределителя импульсов – с входами записи соответственно первой, второй, третьей и четвертой групп входных регистров, пятый, шестой, седьмой, восьмой и девятый выходы – с входами записи соответственно первого, второго, третьего, четвертого и пятого входных регистров, десятый выход – с входами считывания первой группы входных регистров, одиннадцатый выход – с входами записи группы регистров, двенадцатый и тринадцатый выходы – с первыми входами соответственно второй и первой групп элементов ИЛИ, четырнадцатый выход – с входом считывания второго счетчика, пятнадцатый выход – с входом считывания третьей группы входных регистров, шестнадцатый и семнадцатый выходы – с входами соответственно запуска и считывания третьего счетчика, восемнадцатый и девятнадцатый выходы – с входами соответственно запуска и считывания первого счетчика, двадцатый выход – с входами считывания четвертой группы входных регистров, двадцать первый и двадцать второй выходы – соответственно с первым и вторым управляющими входами первого коммутатора, двадцать третий, двадцать четвертый, двадцать пятый и двадцать шестой выходы – с входами считывания соответственно четвертого, первого, второго и третьего входных регистров, двадцать седьмой выход – с входом записи регистра, выходы первого и второго входных регистров первой группы входных регистров подключены соответственно к первому и второму входам первого сумматора первой группы сумматоров, а все последующие регистры первой группы входных регистров своими выходами подключены к входам ЭЗ шестой группы ЭЗ, кроме того, выход каждого регистра первой группы входных регистров соединен с входами каждого из m элементов пятой группы ЭЗ, выход каждого ЭЗ которой подключен к входу делимого каждого из m элементов первой группы блоков деления, выход последнего сумматора первой группы сумматоров соединен с входами делителя каждого их m элементов первой группы блоков деления, выходы которой подключены к входу каждого из m элементов первой группы блоков индикации, а также к информационному входу каждого из m элементов группы регистров, вход считывания каждого регистра группы регистров соединен с выходом каждого из m элементов второй группы элементов ИЛИ, а выход – с информационным входом каждого из m элементов второй группы коммутаторов, первый выход каждого элемента которой подключен к входу каждого из m элементов второй группы ЭЗ, а второй выход – к первому входу каждого из m элементов группы блоков умножения, выход каждого из m элементов второй группы ЭЗ подключен к соответствующему входу, с первого по m-ый, пятого элемента ИЛИ, выход которого соединен входом счета второго счетчика и с входом третьего ЭЗ, выход которого подключен к информационному входу второго коммутатора, выход которого соединен с информационным входом четвертого сумматора с накоплением, выход которого подключен к входам первого, четвертого и шестого ЭЗ, а также ко входу блока логарифмирования, выход которого соединен с первым входом третьего блока умножения, второй вход которого подключен к выходу шестого ЭЗ, а выход – к информационному входу третьего сумматора с накоплением и к первому входу седьмого элемента ИЛИ, выход которого соединен с входом счета третьего счетчика, выход которого подключен к первому входу пятого блока сравнения, выход которого соединен с информационным входом первого коммутатора, первый, второй и третий выходы которого подключены к управляющим входам соответственно первого, второго и третьего сумматоров с накоплением, выход последнего их которых соединен с входом второго ЭЗ, выход которого подключен к входу вычитаемого первого блока вычитания, вход уменьшаемого которого соединен с выходом второго сумматора с накоплением, а выход – с входом делимого блока деления, выход которого подключен к входу вычитаемого третьего блока вычитания, выход которого соединен с входом второго блока индикации и с первыми входами первого и второго блока сравнения, выход последнего из которых подключен к входу первого блока индикации, к первому входу элемента И, ко второму входу каждого из m элементов второй группы элементов ИЛИ, к управляющему входу каждого из m элементов второй группы коммутаторов, ко второму входу каждого из m элементов первой группы элементов ИЛИ, к управляющему входу каждого из m элементов первой группы коммутаторов, первый выход каждого из которых соединен с входом каждого из m элементов первой группы ЭЗ, а второй выход – с входом каждого из m элементов третьей группы ЭЗ, со вторым входом каждого из m элементов группы блоков умножения, выходы первых двух из которых подключены соответственно к первому и второму входам первого сумматора второй группы сумматоров, состоящей из (m-1) элементов, а выход каждого последующего блока умножения с третьего по m-ый – к входу соответствующего элемента седьмой группы ЭЗ, состоящей из (m-2) элементов, выход каждого элемента которой соединен с первым входом соответствующего сумматора второй группы сумматоров, начиная со второго, второй вход каждого из которых подключен к выходу предыдущего сумматора, а выход последнего (m-1)-го сумматора соединен с входом пятого блока индикации и с информационным входом регистра, выход которого подключен к входу уменьшаемого каждого из m элементов группы блоков вычитания по модулю, вход вычитаемого каждого из которых соединен с выходом каждого из m элементов третьей группы ЭЗ, а выход – с входом делимого каждого из m элементов второй группы блоков деления, выход каждого из которых подключен к входу каждого из m элементов второй группы блоков индикации, а вход делителя – к выходу каждого из m элементов четвертой группы ЭЗ, вход каждого из которых соединен со вторым выходом каждого из m элементов второй группы коммутаторов, выход каждого из m элементов второй группы входных регистров подключен к информационному входу каждого из m элементов первой группы коммутаторов, а вход считывания – к выходу каждого из m элементов первой группы элементов ИЛИ, выход каждого из n элементов третьей группы входных регистров соединен с входом каждого из n элементов восьмой группы ЭЗ, выход каждого из которых подключен к соответствующему входу, с первого по n-ый, первого элемента ИЛИ, выход которого соединен со вторым входом шестого блока сравнения, выход которого подключен к управляющим входам второго коммутатора и четвертого сумматора с накоплением, вход считывания регистра соединен с выходом пятого ЭЗ, вход которого подключен к выходу элемента И, второй вход которого соединен с выходом третьего элемента НЕ, вход которого подключен к выходу первого блока сравнения, который этим же выходом соединен с первым входом шестого элемента ИЛИ, выход которого подключен к входу четвертого блока индикации, информационные входы четвертой группы входных регистров, состоящей из n элементов, являются входом устройства, а выход каждого элемента этой группы соединен с входом каждого из n элементов девятой группы ЭЗ и с входом каждого из n элементов десятой группы ЭЗ, выход каждого из которых подключен к соответствующему входу, с первого по n-ый, второго элемента ИЛИ, выход которого соединен с первым входом первого блока умножения, второй вход которого подключен к выходу первого ЭЗ, а выход – ко второму входу седьмого элемента ИЛИ и к информационному входу первого сумматора с накоплением, выход которого соединен с входом вычитаемого второго блока вычитания, выход которого подключен к первому входу второго блока умножения, второй вход которого соединен с выходом четвертого ЭЗ, а выход – с информационным входом второго сумматора с накоплением и с третьим входом седьмого элемента ИЛИ, выход каждого из m элементов первой группы ЭЗ подключен к соответствующему входу, с первого по m-ый, третьего элемента ИЛИ, выход которого соединен с входом счета первого счетчика, выход которого подключен к входу четвертого блока сравнения, выход которого соединен со вторым входом шестого элемента или и с входом второго элемента НЕ, выход которого подключен к входу запуска второго счетчика, выход которого соединен с первым входом шестого блока сравнения, третий вход шестого элемента ИЛИ подключен к выходу элемента И, выход каждого из n элементов девятой группы ЭЗ соединен с соответствующим входом, с первого по n-ый, четвертого элемента ИЛИ, выход которого подключен к входу уменьшаемого второго блока вычитания, информационные входы первого и второго входных регистров являются входом устройства, а их выходы соединены со вторыми входами соответственно первого и второго блоков сравнения, информационный вход третьего входного регистра является входом устройства, а его выход подключен ко второму входу пятого блока сравнения, информационный вход четвертого входного регистра является входом устройства, а его выход соединен с входом делителя блока деления, информационный вход пятого входного регистра является входом устройства, а его выход подключен к входу третьего блока сравнения, выход которого соединен с входом третьего блока индикации.
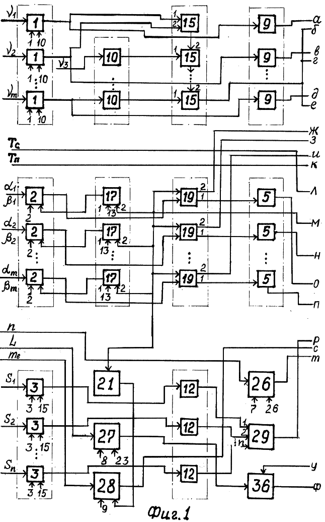
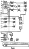
На фиг.1, 2, 3 и 4 представлена функциональная схема устройства для взаимодействия с экспертами при определении кардинальной согласованной оценки (для ликвидации громоздкости связи между распределителем импульсов и управляющими входами соответствующих блоков показаны не полностью, а обозначены путем нумерации входов и выходов); на фиг.5 изображена циклограмма работы заявленного устройства (по оси ординат обозначены номера выходов распределителя импульсов, а по оси абсцисс – число тактов, причем длительность различных вычислительных операций – в верхней части фиг.5 (для возможности исполнения циклограммы принято: m=7, n=5)); на фиг.6 представлен общий случай спектра экспертных оценок; на фиг.7 изображен случай наибольшей степени согласованности МЭО; на фиг.8 представлен случай наименьшей степени согласованности МЭО.
Устройство для взаимодействия с экспертами при определении кардинальной согласованной оценки (фиг.1, 2, 3 и 4) содержит первую 1 и вторую 2 группы входных регистров, каждая из которых состоит из m элементов, третью 3 и четвертую 4 группы входных регистров, каждая из которых состоит из n элементов, первую 5, вторую 6, третью 7, четвертую 8 и пятую 9 группы ЭЗ, каждая из которых состоит из m элементов, шестую 10 и седьмую 11 группы ЭЗ, каждая из которых состоит из (m-2) элементов, восьмую 12, девятую 13 и десятую 14 группы ЭЗ, каждая из которых состоит из n элементов, первую 15 и вторую 16 группы сумматоров, каждая из которых состоит из (m-1) элементов, первую 17 и вторую 18 группы элементов ИЛИ, каждая из которых состоит из m элементов, первую 19 и вторую 20 группы коммутаторов, каждая из которых состоит из m элементов, первый 21, второй 22 и третий 23 элементы НЕ, первый 24, второй 25, третий 26, четвертый 27 и пятый 28 входные регистры, первый 29, второй 30, третий 31, четвертый 32, пятый 33, шестой 34 и седьмой 35 элементы ИЛИ, блок 36 деления, первую 37 и вторую 38 группы блоков деления, каждая из которых состоит из m элементов, первую 39 и вторую 40 группы блоков индикации, группу 41 регистров, которая состоит из m элементов, первый 42, второй 43, третий 44, четвертый 45, пятый 46 и шестой 47 блоки сравнения, первый 48, второй 49, третий 50, четвертый 51 и пятый 52 блоки индикации, первый 53, второй 54, третий 55, четвертый 56, пятый 57 и шестой 58 ЭЗ, первый 59, второй 60 и третий 61 счетчики, первый 62, второй 63, третий 64 и четвертый 65 сумматоры с накоплением, первый 66, второй 67 и третий 68 блоки умножения, первый 69, второй 70 и третий 71 блоки вычитания, элемент И 72, группу 73 блоков вычитания по модулю, которая состоит из m элементов, первый 74 и второй 75 коммутаторы, группу 76 блоков умножения, которая состоит из m элементов, регистр 77, блок 78 логарифмирования, генератор 79 тактовых импульсов и распределитель 80 импульсов.
Устройство для взаимодействия с экспертами при определении кардинальной согласованной оценки работает следующим образом. На информационные входы каждого из элементов первой группы 1 входных регистров (фиг.1, 2, 3 и 4) засылаются величины 1, 2, … , m, характеризующие веса экспертов. При этом управляющий сигнал на входы записи этой группы подается с первого выхода распределителя 80 импульсов, темп работы которого задается генератором 79 тактовых импульсов. На информационные входы каждого из элементов второй группы 2 входных регистров направляются значения экспертных оценок какого-либо события в виде булевых переменных 1, 2, … , m. Управляющий сигнал на входы записи этой группы подается со второго выхода распределителя 80 импульсов. На информационные входы каждого из элементов третьей группы 3 входных регистров засылается заранее определенные величины S1, S2, … , Sn, характеризующие спектр экспертных оценок. Управляющий сигнал на входы записи этой группы засылается с третьего выхода распределителя 80 импульсов. На информационные входы каждого из элементов четвертой группы 4 входных входы каждого из элементов четвертой группы 4 входных регистров направляются значения целых действительных чисел от 1 до n. Управляющий сигнал на входы записи этой группы подается с четвертого выхода распределителя 80 импульсов. На информационные входы первого 24, второго 25, третьего 26, четвертого 27 и пятого 28 входных регистров направляются соответственно величины То, Тп, n, L и ml. Управляющие сигналы на входы записи этих регистров подаются соответственно с пятого, шестого, седьмого, восьмого и девятого выходов распределителя 80 импульсов.
По сигналу с десятого выхода распределителя 80 импульсов на входы считывания первой группы 1 входных регистров величины j подаются на входы шестой группы 10 ЭЗ, на входы первого сумматора первой группы 15 сумматоров ( 1 и 2), а также на входы пятой группы 9 ЭЗ. Наличие групп 10, 15 и 9 обеспечивает одновременное поступление на входы делимого и делителя каждого блока деления первой группы 37 блоков деления величин j и . Следовательно, с группы 37 значения ОКЭ Cj, определяемые по формуле (1), направляются на входы первой группы 39 индикации (для возможности наглядного сравнения) и на информационные входы группы 41 регистров. Управляющий сигнал на входы записи группы 41 подается с одиннадцатого выхода распределителя 80 импульсов.
По сигналу с двенадцатого выхода распределителя 80 импульсов на входы считывания группы 41 регистров значения Cj засылается на информационные входы второй группы 20 коммутаторов. Причем управляющий сигнал от распределителя 80 импульсов засылается на группу 41 через вторую группу 18 элементов ИЛИ. Это объясняется тем, что управляющий сигнал на группу 41 регистров может поступать с выхода второго блока 43 сравнения. Коммутаторы группы 20 настроены таким образом, что при отсутствии управляющего сигнала передаваемая величина будет поступать с первых выходов коммутаторов. Следовательно, значения Сj будут подаваться через вторую группу 6 ЭЗ и пятый элемент ИЛИ 33 поочередно на вход счета второго счетчика 60 и на вход третьего ЭЗ 55.
По сигналу с тринадцатого выхода распределителя 80 импульсов на входы считывания второй группы 2 входных регистров значения j подаются на информационные входы первой группы 19 коммутаторов. Следует подчеркнуть, что управляющий сигнал от распределителя 80 импульсов направляется на группу 2 через первую группу 17 элементов ИЛИ. Это происходит потому, что управляющий сигнал на вторую группу 2 входных регистров может поступать с выхода второго блока 43 сравнения. Коммутаторы группы 20 настроены таким образом, что при отсутствии управляющего сигнала передаваемая величина будет поступать с первых выходов коммутаторов. Значит, величины i будут подаваться через первую группу 5 ЭЗ и третий элемент ИЛИ 31 поочередно на вход счета первого счетчика 59.
Благодаря наличию управляющего сигнала с восемнадцатого выхода распределителя 80 импульсов на вход запуска первого счетчика 59, этот счетчик начинает работать, подсчитывая количество единиц в совокупности величин j. После окончания подсчета по сигналу с девятнадцатого выхода распределителя 80 импульсов на вход считывания первого счетчика 59 с его выхода количество единиц (положительных оценок экспертов) подается на вход четвертого блока сравнения. Наличие только одного входа у этого блока объясняется тем, что входная величина сравнивается с постоянным числом, равным единице. Кроме этого, четвертый блок 45 сравнения настроен следующим образом: если сравниваемая величина больше или равна единице, то на выходе блока 45 сигнала не будет, в противном случае (на входе нуль) – на выходе будет сигнал. Следовательно, если среди экспертных оценок будут отсутствовать положительные оценки (отсутствие единиц), то на четвертый блок 51 индикации через шестой элемент ИЛИ 34 поступит сигнал и на блоке 51 появится надпись: “необходима замена информации”.
В случае, когда будет иметь место хотя бы одна положительная оценка, на выходе четвертого блока 45 сравнения сигнала не будет, а на выходе второго элемента НЕ 22 появится сигнал. Этот управляющий сигнал будет поступать на вход запуска второго счетчика 60, который начнет работать. Подсчитанное значение количества Сj по управляющему сигналу на вход считывания второго счетчика 60 с четырнадцатого выхода распределителя 80 импульсов подается на первый вход шестого блока 47 сравнения. На другой вход блока 47 по сигналу с пятнадцатого выхода распределителя 80 импульсов на входы считывания третьей группы 3 входных регистров будут последовательно через восьмую группу 12 ЭЗ и первый элемент ИЛИ 29 поступать величины Si. Шестой блок 47 сравнения настроен следующим образом: если количество поступающих значений Cj Si, то на его выходе сигнала не будет, в противном случае на выходе блока 47 появится сигнал, который будет поступать на управляющие входы второго коммутатора 75 и четвертый сумматор 65 с накоплением. Наличие только одного выхода у коммутатора 75 объясняется тем, что во втором выходе нет необходимости. Этот коммутатор настроен следующим образом: если управляющий сигнал отсутствует, то он пропускает значение Cj с выхода третьего ЭЗ 55 на информационный вход четвертого сумматора 65 с накоплением. Таким образом осуществляется вычисление значения i для оценки КС по формуле (2).
Вычисленные значения i подаются на входы блока 78 логарифмирования, первого 53, четвертого 56 и шестого 58 ЭЗ. По управляющему сигналу с двадцатого выхода распределителя 80 импульсов на вход считывания четвертой группы 4 входных регистров величины i поступают на входы девятой 13 и десятой 14 групп ЭЗ. С выходов группы 14 величины i через второй элемент ИЛИ 30 последовательно поступают на вход первого блока 66 умножения, на другой вход которого подается с выхода первого ЭЗ 53 значение i. С выхода блока 66 величина i· i засылается на информационный вход первого сумматора 62 с накоплением, а также через седьмой элемент ИЛИ 35 на счетный вход третьего счетчика 61, который начинает работать с помощью управляющего сигнала на его вход запуска с шестнадцатого выхода распределителя 80 импульсов.
После поступления n величин i· i на входы блоков 62 и 61 по управляющему сигналу с семнадцатого выхода распределителя 80 импульсов на вход считывания третьего счетчика 61 количество слагаемых i· i подается на вход пятого блока 46 сравнения. На другой вход блока 46 направляется по сигналу с двадцать шестого выхода распределителя 80 импульсов на вход считывания третьего входного регистра 26 требуемое число слагаемых n. Пятый блок 46 сравнения настроен следующим образом: если количество слагаемых окажется равным значению n, то на его выходе появится управляющий сигнал, который подается на информационный вход первого коммутатора 74. Этот коммутатор настроен так, что при отсутствии управляющих воздействий управляющий сигнал будет появляться на выходе, который соединен с входом считывания первого сумматора 62 с накоплением. При наличии управляющих воздействий с двадцать первого и двадцать второго выходов распределителя 80 импульсов управляющий сигнал с выходов первого коммутатора 74 будет поступать на входы считывания других сумматоров с накоплением.
Таким образом, на выходе первого сумматора 62 с накоплением будем иметь величину . Аналогичным образом осуществляется вычисление других составляющих числителя формулы (2). Величина числителя формулы (2) с выхода первого блока 69 вычитания подается на вход делимого блока 36 деления, на вход делителя которого направляется с выхода четвертого входного регистра 27 величина L по сигналу с двадцать третьего выхода распределителя 80 импульсов на вход считывания регистра 27. Частное от деления этих величин засылается на вход третьего блока 71 вычитания. Отсутствие второго входа у блока 71 объясняется тем, что в качестве уменьшаемого фигурирует постоянная величина – единица. Следовательно, с выхода блока 71 значение КС, вычисленное по формуле (2), подается на вход второго блока 49 индикации, а также на входы первого 42 и второго 43 блоков сравнения.
Степень согласованности экспертных оценок наглядно иллюстрируется на фиг.6, 7 и 8. На фиг.6 изображен общий случай. Здесь для четвертого деления шкалы (i=4) Si(S4)=2. To есть значение оценки, равное четырем, дали два эксперта. На фиг.7 представлен случай наибольшей степени согласованности МЭО, то есть все эксперты имеют одинаковое мнение. На фиг.8 изображен случай наименьшей степени согласованности МЭО, то есть все эксперты имеют различные мнения.
На другие входы первого 42 и второго 43 блоков сравнения поступают соответственно величины То и Тп по сигналам с двадцать четвертого и двадцать пятого выходов распределителя 80 импульсов на входы считывания первого 24 и второго 25 регистров. Первый блок 42 сравнения настроен следующим образом: если Kn(S)o, то на выходе этого блока будет сигнал, в противном случае сигнала не будет. Второй блок 43 сравнения настроен следующим образом: если Kn(S)n, то на выходе этого блока будет сигнал, в противном случае сигнала не будет.
Такой настрой этих блоков позволяет задействовать четвертый блок 51 индикации для появления надписи: “необходима замена информации” (низкий уровень КС). Кроме того, будет подан сигнал на первый блок 48 индикации для появления надписи “согласованная оценка” (высокий уровень КС).
В момент получения значения КС на информационные входы каждого из элементов второй группы 2 входных регистров направляются значения экспертных оценок какой-либо величины в виде действительных чисел 1, 2, … , m Управляющий сигнал на входы записи этой группы подается со второго выхода распределителя 80 импульсов. Считывание величин j осуществляется при помощи управляющего сигнала со второго блока 43 сравнения, поступающего через первую группу элементов ИЛИ 17. Поскольку на управляющих входах первой группы коммутаторов 19 появится сигнал, то пропускаемая величина появится на ее вторых выходах. Следовательно, величины j будут направляться на входы третьей группы ЭЗ и входы группы 76 блоков умножения. На другие входы группы 76 по управляющему сигналу второго блока 43 сравнения с группы 41 регистров через вторую группу 20 коммутаторов засылаются величины Cj.
С выхода группы 76 блоков умножения значения jCj направляются на седьмую группу ЭЗ 11 и вторую группу 16 сумматоров, которые обеспечивают вычисление величины по формуле (5). Величина средней оценки МЭО подается на вход пятого блока индикации, а также на информационный вход регистра 77. Управляющий сигнал на вход записи этого регистра направляется с двадцать седьмого выхода распределителя 80 импульсов.
В дальнейшем осуществляется вычисление критерия Fj в соответствии с формулой (6). По управляющему сигналу с пятого ЭЗ 57 на вход считывания регистра 77 с его выхода величина направляется на входы уменьшаемого группы 73 блоков вычитания по модулю. На входы вычитаемого с выходов третьей группы ЭЗ 7 подаются величины j. С выхода группы 73 значения | – j| засылается на входы делимого второй группы 38 блоков деления, на входы делителя которой направляются с выходов четвертой группы ЭЗ 8 величины Cj. Следовательно, с выходов группы 38 на входы второй группы 40 блоков индикации будут подаваться значения критерия Fj, на основе которого выбирается эксперт, которому предлагается изменить свою оценку.
В случае отсутствия управляющего воздействия на выходе второго блока 43 сравнения осуществляется проверка выполнения неравенства (7). За счет наличия первого элемента НЕ 21 на вход считывания пятого входного регистра 28 величина ml будет направляться на вход третьего блока 44 сравнения. Отсутствие второго входа у этого блока связано с тем, что сравнение величины ml осуществляется с постоянным числом – три. Блок 44 настроен следующим образом: если ml>3, то сигнала на его выходе не будет, в противном случае сигнал будет иметь место. Таким образом, если число оценок оставшихся в МЭО после выполнения l -того шага описываемой процедуры будет меньше трех, то с выхода блока 44 на вход третьего блока 50 индикации будет поступать сигнал, на нем появится надпись: “сообщение пользователю”. Если пользователя устраивает информация о средней оценке , а также о значениях КС и ПП, то процесс завершается. В противном случае бригаду заменяют новой и вычисления повторяются. Частичная замена бригады возможна также при индикации надписи “необходима замена информации”.
Промышленная применимость изобретения обосновывается тем, что оно может быть использовано в различных областях (отраслях) при обработке и использовании экспертных оценок, например, в процессе независимой судебной экспертизы экологических проблем.
Формула изобретения
Устройство для вычисления коэффициента согласованности и определения степени согласованности экспертных оценок, содержащее с первого по пятый входные регистры, первый элемент НЕ, первый и второй блоки сравнения, первый счетчик, первый блок индикации, первый и второй элементы задержки (ЭЗ), регистр, генератор тактовых импульсов, первую, вторую и третью группы входных регистров, шестую группу ЭЗ и первую группу сумматоров, причем выход каждого элемента шестой группы ЭЗ, состоящей из (m-2) элементов, соединен с первым входом соответствующего сумматора первой группы сумматоров, состоящей из (m-1) элементов, начиная со второго, второй вход каждого из которых подключен к выходу предыдущего сумматора, выход второго блока сравнения соединен с входом первого элемента НЕ, информационные входы первой и второй групп входных регистров, каждая из которых состоит из m элементов, являются входом устройства, информационные входы третьей группы входных регистров, состоящей из n элементов, являются входом устройства, отличающееся тем, что оно дополнительно содержит четвертую группу входных регистров, с первой по пятую и с седьмой по десятую группы ЭЗ, вторую группу сумматоров, первую и вторую группы элементов ИЛИ, первую и вторую группы коммутаторов, второй и третий элементы НЕ, с первого по седьмой элементы ИЛИ, блок деления, первую и вторую группы блоков деления, первую и вторую группы блоков индикации, группу регистров, с третьего по шестой блоки сравнения, со второго по пятый блоки индикации, с третьего по шестой ЭЗ, второй и третий счетчики, с первого по четвертый сумматоры с накоплением, с первого по третий блоки умножения, с первого по третий блоки вычитания, элемент И, группу блоков вычитания по модулю, первый и второй коммутаторы, группу блоков умножения, блок логарифмирования и распределитель импульсов, вход которого соединен с выходом генератора тактовых импульсов, первый, второй, третий и четвертый выходы распределителя импульсов – с входами записи соответственно первой, второй, третьей и четвертой групп входных регистров, пятый, шестой, седьмой, восьмой и девятый выходы – с входами записи соответственно первого, второго, третьего, четвертого и пятого входных регистров, десятый выход – с входами считывания первой группы входных регистров, одиннадцатый выход – с входами записи группы регистров, двенадцатый и тринадцатый выходы – с первыми входами соответственно второй и первой групп элементов ИЛИ, четырнадцатый выход – с входом считывания второго счетчика, пятнадцатый выход – с входом считывания третьей группы входных регистров, шестнадцатый и семнадцатый выходы – с входами соответственно запуска и считывания третьего счетчика, восемнадцатый и девятнадцатый выходы – с входами соответственно запуска и считывания первого счетчика, двадцатый выход – с входами считывания четвертой группы входных регистров, двадцать первый и двадцать второй выходы – соответственно с первым и вторым управляющими входами первого коммутатора, двадцать третий, двадцать четвертый, двадцать пятый и двадцать шестой выходы – с входами считывания соответственно четвертого, первого, второго и третьего входных регистров, двадцать седьмой выход – с входом записи регистра, выходы первого и второго входных регистров первой группы входных регистров подключены соответственно к первому и второму входам первого сумматора первой группы сумматоров, а все последующие регистры первой группы входных регистров своими выходами подключены к входам ЭЗ шестой группы ЭЗ, кроме того, выход каждого регистра первой группы входных регистров соединен с входами каждого из m элементов пятой группы ЭЗ, выход каждого ЭЗ которой подключен к входу делимого каждого из m элементов первой группы блоков деления, выход последнего сумматора первой группы сумматоров соединен с входами делителя каждого из m элементов первой группы блоков деления, выходы которой подключены к входу каждого из m элементов первой группы блоков индикации, а также к информационному входу каждого из m элементов группы регистров, вход считывания каждого регистра группы регистров соединен с выходом каждого из m элементов второй группы элементов ИЛИ, а выход – с информационным входом каждого из m элементов второй группы коммутаторов, первый выход каждого элемента которой подключен к входу каждого из m элементов второй группы ЭЗ, а второй выход – к первому входу каждого из m элементов группы блоков умножения, выход каждого из m элементов второй группы ЭЗ подключен к соответствующему входу, с первого по m-й, пятого элемента ИЛИ, выход которого соединен входом счета второго счетчика и с входом третьего ЭЗ, выход которого подключен к информационному входу второго коммутатора, выход которого соединен с информационным входом четвертого сумматора с накоплением, выход которого подключен к входам первого, четвертого и шестого ЭЗ, а также к входу блока логарифмирования, выход которого соединен с первым входом третьего блока умножения, второй вход которого подключен к выходу шестого ЭЗ, а выход – к информационному входу третьего сумматора с накоплением и к первому входу седьмого элемента ИЛИ, выход которого соединен с входом счета третьего счетчика, выход которого подключен к первому входу пятого блока сравнения, выход которого соединен с информационным входом первого коммутатора, первый, второй и третий выходы которого подключены к управляющим входам соответственно первого, второго и третьего сумматоров с накоплением, выход последнего из которых соединен с входом второго ЭЗ, выход которого подключен к входу вычитаемого первого блока вычитания, вход уменьшаемого которого соединен с выходом второго сумматора с накоплением, а выход – с входом делимого блока деления, выход которого подключен к входу вычитаемого третьего блока вычитания, выход которого соединен с входом второго блока индикации и с первыми входами первого и второго блока сравнения, выход последнего из которых подключен к входу первого блока индикации, к первому входу элемента И, ко второму входу каждого из m элементов второй группы элементов ИЛИ, к управляющему входу каждого из m элементов второй группы коммутаторов, ко второму входу каждого из m элементов первой группы элементов ИЛИ, к управляющему входу каждого из m элементов первой группы коммутаторов, первый выход каждого из которых соединен с входом каждого из m элементов первой группы ЭЗ, а второй выход – с входом каждого из m элементов третьей группы ЭЗ, со вторым входом каждого из m элементов группы блоков умножения, выходы первых двух из которых подключены соответственно к первому и второму входам первого сумматора второй группы сумматоров, состоящей из (m-1) элементов, а выход каждого последующего блока умножения с третьего по m-й – к входу соответствующего элемента седьмой группы ЭЗ, состоящей из (m-2) элементов, выход каждого элемента которой соединен с первым входом соответствующего сумматора второй группы сумматоров, начиная со второго, второй вход каждого из которых подключен к выходу предыдущего сумматора, а выход последнего (m-1)-гo сумматора соединен с входом пятого блока индикации и с информационным входом регистра, выход которого подключен к входу уменьшаемого каждого из m элементов группы блоков вычитания по модулю, вход вычитаемого каждого из которых соединен с выходом каждого из m элементов третьей группы ЭЗ, а выход – с входом делимого каждого из m элементов второй группы блоков деления, выход каждого из которых подключен к входу каждого из m элементов второй группы блоков индикации, а вход делителя – к выходу каждого из m элементов четвертой группы ЭЗ, вход каждого из которых соединен со вторым выходом каждого из m элементов второй группы коммутаторов, выход каждого из m элементов второй группы входных регистров подключен к информационному входу каждого из m элементов первой группы коммутаторов, а вход считывания – к выходу каждого из m элементов первой группы элементов ИЛИ, выход каждого из n элементов третьей группы входных регистров соединен с входом каждого из n элементов восьмой группы ЭЗ, выход каждого из которых подключен к соответствующему входу, с первого по n-й, первого элемента ИЛИ, выход которого соединен со вторым входом шестого блока сравнения, выход которого подключен к управляющим входам второго коммутатора и четвертого сумматора с накоплением, вход считывания регистра соединен с выходом пятого ЭЗ, вход которого подключен к выходу элемента И, второй вход которого соединен с выходом третьего элемента НЕ, вход которого подключен к выходу первого блока сравнения, который этим же выходом соединен с первым входом шестого элемента ИЛИ, выход которого подключен к входу четвертого блока индикации, информационные входы четвертой группы входных регистров, состоящей из n элементов, являются входом устройства, а выход каждого элемента этой группы соединен с входом каждого из n элементов девятой группы ЭЗ и с входом каждого из n элементов десятой группы ЭЗ, выход каждого из которых подключен к соответствующему входу, с первого по n-й, второго элемента ИЛИ, выход которого соединен с первым входом первого блока умножения, второй вход которого подключен к выходу первого ЭЗ, а выход – ко второму входу седьмого элемента ИЛИ и к информационному входу первого сумматора с накоплением, выход которого соединен с входом вычитаемого второго блока вычитания, выход которого подключен к первому входу второго блока умножения, второй вход которого соединен с выходом четвертого ЭЗ, а выход – с информационным входом второго сумматора с накоплением и с третьим входом седьмого элемента ИЛИ, выход каждого из m элементов первой группы ЭЗ подключен к соответствующему входу, с первого по m-й, третьего элемента ИЛИ, выход которого соединен с входом счета первого счетчика, выход которого подключен к входу четвертого блока сравнения, выход которого соединен со вторым входом шестого элемента или и с входом второго элемента НЕ, выход которого подключен к входу запуска второго счетчика, выход которого соединен с первым входом шестого блока сравнения, третий вход шестого элемента ИЛИ подключен к выходу элемента И, выход каждого из n элементов девятой группы ЭЗ соединен с соответствующим входом, с первого по n-й, четвертого элемента ИЛИ, выход которого подключен к входу уменьшаемого второго блока вычитания, информационные входы первого и второго входных регистров являются входом устройства, а их выходы соединены со вторыми входами соответственно первого и второго блоков сравнения, информационный вход третьего входного регистра является входом устройства, а его выход подключен ко второму входу пятого блока сравнения, информационный вход четвертого входного регистра является входом устройства, а его выход соединен с входом делителя блока деления, информационный вход пятого входного регистра является входом устройства, а его выход подключен к входу третьего блока сравнения, выход которого соединен с входом третьего блока индикации.
РИСУНКИ
MM4A – Досрочное прекращение действия патента СССР или патента Российской Федерации на изобретение из-за неуплаты в установленный срок пошлины за поддержание патента в силе
Дата прекращения действия патента: 17.06.2008
Извещение опубликовано: 20.06.2010 БИ: 17/2010
|
|