|
|
(21), (22) Заявка: 2004126206/28, 31.08.2004
(24) Дата начала отсчета срока действия патента:
31.08.2004
(45) Опубликовано: 10.07.2005
(56) Список документов, цитированных в отчете о поиске:
RU 2037162 C1, 09.06.1995. RU 2120647 C1, 27.09.1965. SU 1428030 A1, 30.06.1991. US 4727488 А, 23.02.1988.
Адрес для переписки:
117393, Москва, ул.Профсоюзная, 78, оф.3323, СТАРФИЛД, пат.пов. В.Н.Рослову
|
(72) Автор(ы):
Замуруев С.Н. (RU), Зарубин С.П. (RU), Кабиров А.И. (RU), Охинченко А.П. (RU), Писарев С.Б. (RU), Реутов А.П. (RU), Рослов В.Н. (RU), Семенов Г.А. (RU), Шинкарев А.А. (RU)
(73) Патентообладатель(и):
Общество с ограниченной ответственностью “ИНТЕРСЕЙСМОПРОГНОЗ” (RU)
|
(54) РАДИОТЕХНИЧЕСКОЕ УСТРОЙСТВО ДЛЯ ОБНАРУЖЕНИЯ ПРЕДВЕСТНИКОВ ЗЕМЛЕТРЯСЕНИЙ
(57) Реферат:
Изобретение относится к области геофизики и может быть использовано в станциях радиоволнового обнаружения предвестников землетрясений систем прогнозирования землетрясений. Устройство содержит приемоизмерительные модули сигналов фазовой радионавигационной системы (ФРНС), импульсно фазовой радионавигационной системы (ИФРНС) и спутниковых радионавигационных систем (СРНС). С указанными модулями соединены пороговые блоки. Выходы пороговых блоков соединены с сигнальными входами блока передачи выходных данных, предназначенного для передачи выходных данных по каналу связи, связывающему устройство с центром радиоволнового прогноза землетрясений. Устройство содержит также формирователь сигналов опорной частоты и времени, управляющий вход которого соединен с выходом блока привязки шкал времени, а выход – с опорными входами указанных модулей, пороговых блоков и блока передачи выходных данных, а также с входом обратной связи блока привязки шкал времени, опорный вход которого соединен с синхронизирующим выходом модуля приемоизмерительного сигналов СРНС. Технический результат состоит в повышении информативности станции за счет расширения номенклатуры радиосигналов, используемых для обнаружения предвестников землетрясений. 1 ил.

Изобретение относится к области геофизики и может быть использовано в станциях радиоволнового обнаружения предвестников землетрясений систем прогнозирования землетрясений.
Известно, что над зонами переменной геодинамической активности в моменты землетрясений и непосредственно перед ним возникают аномальные изменения в электрических и электромагнитных полях, которые, в частности, воздействуют на ионосферную и магнитосферную плазму, стимулируя появление индуцированных излучений на резонансных частотах плазмы (герцовый диапазон), вызывают свечение атмосферы, квазистационарные возмущения электрического потенциала, изменения критических частот и профилей электронной концентрации и иные наблюдаемые аномальные эффекты, которые являются естественными предвестниками землетрясений (см., например, Липеровский В.А., Похотелов О.А., Шалимов С.Л. Ионосферные признаки землетрясений. М., Наука, 1992, с.196-197, 269 [1]). Кроме этого, возникают аномальные смещения земной коры и изменения проводимости земной поверхности (см., например, Б.Болт. Землетрясения. Пер. с англ. под ред. Н.В.Шебалина. М., Мир, 1981, с.164-170 [2]).
Основываясь на этих известных физических явлениях, делаются попытки создания аппаратуры, способной осуществлять мониторинг состояния электромагнитных полей в околоземном пространстве над сейсмически опасными районами и выявлять их аномальные отклонения, которые в качестве предвестников землетрясений могут быть использованы для краткосрочного прогноза землетрясений в этих районах.
Например, в решении, описанном в патенте RU №2158942 [3], для целей выявления предвестников землетрясений используют устанавливаемую на искусственном спутнике Земли (ИСЗ) аппаратуру, осуществляющую измерение магнитной и электрической компонент поля низкочастотных (0,1-20 кГц) излучений околоземной плазмы, а также плотность потока электронов и температуру плазмы при прохождении ИСЗ над сейсмоопасным районом. Основная проблема при использовании таких устройств заключается в низкой информативности получаемых данных, поскольку затруднительно отделить аномалии, обусловленные предстоящим землетрясением, от аномалий несейсмической природы.
В решении, описанном в патенте RU №2120647 [4], поиск признаков-предвестников землетрясений в виде низкочастотных пространственных волн в ионосфере осуществляется путем зондирования ионосферы над сейсмоопасным районом электромагнитными волнами СВЧ-генератора, с последующей демодуляцией отраженного сигнала и выделением низкочастотной модулирующей составляющей, формирующей “радиоизображение” исследуемого участка ионосферы. Это решение также не обеспечивает достоверности прогноза, поскольку затруднительно отделить аномалии, обусловленные предстоящим землетрясением, от аномалий несейсмической природы.
Известны также иные способы и устройства, обеспечивающие более или менее достоверное прогнозирование землетрясений, например, путем поиска электромагнитных предвестников землетрясений в процессе горизонтального радиопросвечивании волновода “Земля – ионосфера” радиосигналами СДВ-диапазона. В подобном способе состояние нижней ионосферы и атмосферы на трассе “передатчик – приемник” анализируется по изменениям фазы и амплитуды сигналов СДВ-диапазона, вызванных возмущениями концентраций заряженных частиц на трассе распространения радиоволн в результате повышения сейсмической активности в исследуемом районе. Этот способ потенциально более информативен, чем рассмотренные выше способы, поскольку за счет постоянного наблюдения за сигналами на одной трассе, пересекающей сейсмоопасный район, обеспечивается возможность формирования статистического банка данных о характерных часовых, суточных и сезонных вариациях параметров сигналов на этой трассе, что облегчает последующую задачу выделения на этом фоне аномалий сейсмического происхождения.
В опубликованном патенте RU №2037162 [5] описан способ поиска электромагнитных предвестников землетрясений, основанный на горизонтальном радиопросвечивании волновода “Земля – ионосфера” радиосигналами СДВ-диапазона, при этом система, реализующая такой способ, содержит, по меньшей мере, два синхронизированных по фазе радиопередатчика СДВ-диапазона и, по меньшей мере, три станции радиоволнового обнаружения предвестников землетрясений, принимающих сигналы этих радиопередатчиков (в терминологии [5] станции радиоволнового обнаружения предвестников землетрясений названы радиоприемными измерительно-вычислительными комплексами СДВ-диапазона), связанные каналами связи с центром радиоволнового прогноза землетрясений. В качестве радиопередатчиков СДВ-диапазона в [5] использовались передатчики фазовой радионавигационной системы (ФРНС) “Омега” или отечественной аналогичной системы “Маршрут”, размещенные вне границ сейсмоопасного района на земной поверхности с базовыми расстояниями 1-10 тыс. км. Станции радиоволнового обнаружения предвестников землетрясений разнесены в пространстве в дальней зоне радиоприема от границ сейсмоопасного района так, что трассы “передатчик ФРНС – станция радиоволнового обнаружения предвестников землетрясений” пересекаются в границах сейсмоопасного района.
Описанная в [5] станция радиоволнового обнаружения предвестников землетрясений принята в качестве прототипа для заявляемого изобретения.
Станция радиоволнового обнаружения предвестников землетрясений, принятая в качестве прототипа, в соответствии с выполняемыми функциями, описанными в [5], содержит последовательно соединенные приемоизмерительный модуль сигналов ФРНС, служащий для приема сигналов ФРНС и измерения псевдодальностей до соответствующих передатчиков ФРНС, пороговый блок, служащий для сравнения выходных данных приемоизмерительного модуля сигналов ФРНС с пороговыми значениями и фиксации параметров аномальных отклонений, идентифицируемых как предвестники землетрясений, и блок передачи выходных данных, служащий для передачи выходных данных об аномальных отклонениях по каналу связи, связывающему станцию с центром радиоволнового прогноза землетрясений. Кроме этого, станция-прототип содержит формирователь сигналов опорной частоты и времени, например стандарт частоты и времени, синхронизируемый по сигналам точного времени, выход которого соединен с соответствующими входами приемоизмерительного модуля сигналов ФРНС, порогового блока и блока передачи выходных данных.
Приемоизмерительный модуль сигналов ФРНС в соответствии с выполняемыми функциями, описанными в [5], содержит антенный блок, служащий для приема сигналов, излучаемых передатчиками ФРНС, блок предварительного усиления и фильтрации, служащий для предварительного усиления и фильтрации всей композиции сигналов, принимаемых антенным блоком, блок частотно-временной селекции и детектирования, служащий для выделения, детектирования и идентификации каждого из принимаемых сигналов каждого из передатчиков ФРНС, и блок измерений, служащий для измерения фаз каждого из принимаемых сигналов каждого из передатчиков ФРНС относительно опорных сигналов и определения по ним псевдодальностей, т.е. выраженных в долях фазового цикла расстояний до передатчиков ФРНС по каждой из трасс принимаемых сигналов ФРНС.
Приемоизмерительный модуль сигналов ФРНС представляет собой известное устройство – приемоиндикатор ФРНС, работающий в дальномерном режиме. Аппаратно он может быть выполнен на основе модифицированного приемоиндикатора ФРНС типа “РСДН-85”.
Сочетание приемоизмерительного модуля сигналов ФРНС с пороговым блоком образует структуру, реализуемую в обычном контрольном пункте ФРНС, служащем для формирования дифференциальных поправок для потребителей сигналов ФРНС, при этом отличия заключаются в основном в характере формируемых выходных данных. Так, в случае контрольного пункта ФРНС на выходе порогового блока формируется информация о характерных отклонениях, обусловленных суточными и сезонными изменениями условий распространения радиоволн по определенным трассам. Для этого в память порогового блока в качестве пороговых данных закладываются данные о номинальных значениях псевдодальностей. В случае станции радиоволнового обнаружения предвестников землетрясений на выходе порогового блока формируется информация об аномальных отклонениях, связанных с проявлениями сейсмической активности (время появления отклонений, величины отклонений, принадлежность к определенным трассам). Для этого в память порогового блока в качестве пороговых данных закладываются данные о типичных суточных и сезонных вариациях значений псевдодальностей по каждой из трасс, на фоне которых выделяются аномальные отклонения, идентифицируемые как предвестники землетрясений.
Функционирование станции радиоволнового обнаружения предвестников землетрясений, принятой в качестве прототипа, в рамках системы, описанной в [5], происходит следующим образом.
Передатчики ФРНС в соответствии с сигналами единого времени возбуждают в волноводе “Земля – ионосфера” синхронизированные по времени и фазе радиосигналы, содержащие целое число фазовых циклов. Эти сигналы принимаются приемоизмерительным модулем сигналов ФРНС, в котором осуществляется усиление и фильтрация сигналов от помех, частотно-временная селекция и детектирование сигналов, а затем измерение их фаз относительно опорных сигналов (измерение псевдодальностей) по каждой из трасс приема сигналов. Далее в пороговом блоке осуществляется сравнение измеренных значений псевдодальностей по каждой из трасс приема с пороговыми данными, различными в общем случае для разных часов суток и разных дат. Эти пороговые данные хранятся в памяти порогового блока в виде альманаха, предварительно сформированного по результатам статистических исследований распространения сигналов ФРНС на данных трассах. Аномальные отклонения псевдодальностей от пороговых данных идентифицируются как предвестники землетрясений. Данные об этих отклонениях с указанием величин отклонений, временах их появлений и принадлежности к определенным трассам передаются в блок передачи выходных данных. Блок передачи выходных данных запоминает эти данные в своей буферной памяти, формирует на их основе информационные сообщения в определенном формате, т.е. выходные данные станции, и передает их по определенной программе по каналу связи в центр радиоволнового прогноза землетрясений. Центр радиоволнового прогноза землетрясений принимает выходные данные от всех станций радиоволнового обнаружения предвестников землетрясений, контролирующих данный район, расшифровывает их, а затем по определенной методике осуществляет прогноз места и времени предстоящего землетрясения.
Как во всяком прогнозе, имеющем дело с событием, заведомо обладающим индивидуальными особенностями, достоверность прогноза землетрясения зависит, в числе прочего, от количества и разнообразия факторов, учитываемых как предвестники прогнозируемого события. В этом смысле информативность рассмотренной станции радиоволнового обнаружения предвестников землетрясений, выявляющей аномалии распространения только сигналов ФРНС, причем на ограниченном числе трасс (реально это две-три трассы), невелика, что уменьшает достоверность прогноза землетрясения.
Задачей заявляемого изобретения является повышение информативности устройства радиоволнового обнаружения предвестников землетрясений (далее по тексту – “станция”) за счет расширения номенклатуры радиосигналов, используемых для обнаружения предвестников землетрясений.
Технический результат достигается за счет введения в состав станции дополнительных элементов, обеспечивающих поступление дополнительных данных, позволяющих повысить достоверность прогноза. При этом сущность заявляемого изобретения заключается в следующем. Станция содержит последовательно соединенные приемоизмерительный модуль сигналов ФРНС, служащий для приема сигналов ФРНС и измерения псевдодальностей до соответствующих передатчиков ФРНС, первый пороговый блок, служащий для сравнения выходных данных приемоизмерительного модуля сигналов ФРНС с пороговыми значениями и фиксации параметров аномальных отклонений, идентифицируемых как предвестники землетрясений, и блок передачи выходных данных, служащий для передачи выходных данных об аномальных отклонениях по каналу связи, связывающему станцию с центром радиоволнового прогноза землетрясений, а также формирователь сигналов опорной частоты и времени, выход которого соединен с опорными входами приемоизмерительного модуля сигналов ФРНС, первого порогового блока и блока передачи выходных данных. В состав станции дополнительно введены приемоизмерительный модуль сигналов импульсно-фазовой радионавигационной системы (ИФРНС), служащий для приема сигналов ИФРНС и измерения псевдодальностей до соответствующих передатчиков ИФРНС, подключенный к выходу приемоизмерительного модуля сигналов ИФРНС второй пороговый блок, служащий для сравнения выходных данных приемоизмерительного модуля сигналов ИФРНС с пороговыми значениями и фиксации параметров аномальных отклонений, идентифицируемых как предвестники землетрясений, приемоизмерительный модуль сигналов спутниковых радионавигационных систем (СРНС), например, GPS, ГЛОНАСС или GALLILEO, служащий для приема сигналов СРНС и измерения псевдодальностей до соответствующих навигационных искусственных спутников Земли (НИСЗ), излучающих эти сигналы, подключенный к сигнальному выходу приемоизмерительного модуля сигналов СРНС третий пороговый блок, служащий для сравнения выходных данных приемоизмерительного модуля сигналов СРНС с пороговыми значениями и фиксации параметров аномальных отклонений, идентифицируемых как предвестники землетрясений, а также блок привязки шкал времени, служащий для формирования управляющих сигналов для подстройки шкалы времени, формируемой формирователем сигналов опорной частоты и времени, в соответствии со шкалой времени СРНС. При этом выходы второго и третьего пороговых блоков соединены с соответствующими сигнальными входами блока передачи выходных данных, опорный вход и выход блока привязки шкалы времени соединены соответственно с синхронизирующим выходом модуля приемоизмерительного сигналов СРНС и управляющим входом формирователя сигналов опорной частоты и времени, а выход формирователя сигналов опорной частоты и времени соединен также с опорными входами модуля приемоизмерительного сигналов ИФРНС и модуля приемоизмерительного сигналов СРНС, с опорными входами второго и третьего пороговых блоков, а также с входом обратной связи блока привязки шкалы времени.
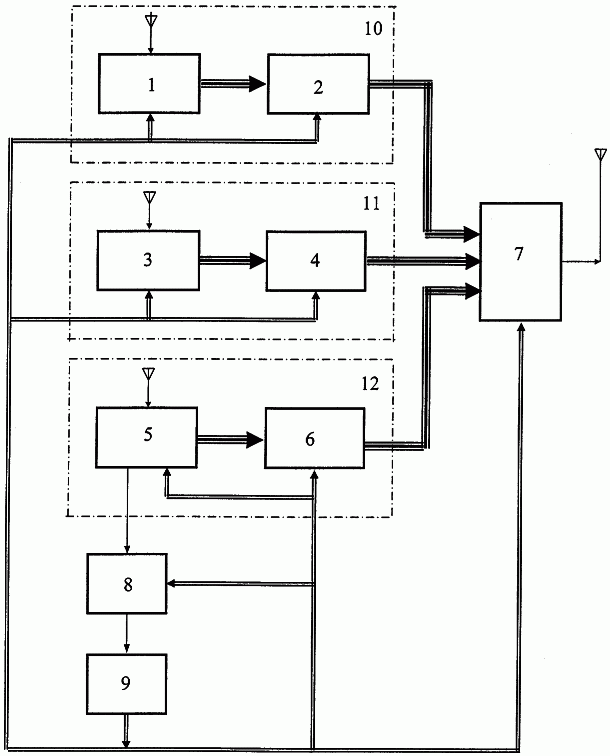
Более детально сущность изобретения и возможность его осуществления поясняются представленной на чертеже укрупненной функциональной схемой станции радиоволнового обнаружения предвестников землетрясений.
Заявляемая станция содержит модуль 1 приемоизмерительный сигналов ФРНС и подключенный к его выходу первый пороговый блок 2, модуль 3 приемоизмерительный сигналов ИФРНС и подключенный к его выходу второй пороговый блок 4, а также модуль 5 приемоизмерительный сигналов СРНС и подключенный к его сигнальному выходу третий пороговый блок 6.
Кроме этого, станция содержит блок 7 передачи выходных данных, сигнальные входы которого соединены с выходами пороговых блоков 2, 4 и 6, а также блок 8 привязки шкал времени и формирователь 9 сигналов опорной частоты и времени.
Опорный вход блока 8 соединен с синхронизирующим выходом модуля 5. Выход и вход обратной связи блока 8 соединены соответственно с управляющим входом и выходом формирователя 9.
Выход формирователя 9 соединен также с опорными входами блока 7, модулей 1, 3, 5 и пороговых блоков 2, 4, 6. За счет этих связей обеспечивается синхронная работа модулей 1, 3, 5 и блоков 2, 4, 6, 7 под действием опорных сигналов и сигналов времени, формируемых в формирователе 9 в соответствии со шкалой времени СРНС, а также исключается необходимость применения индивидуальных опорных генераторов в модулях 1, 3, 5.
Модуль 1 предназначен для приема сигналов ФРНС и измерения псевдодальностей до передатчиков ФРНС по каждой из трасс приема сигналов ФРНС. Пороговый блок 2 предназначен для сравнения выходных данных модуля 1 с пороговыми значениями и фиксации параметров аномальных отклонений, идентифицируемых как предвестники землетрясений (время появления отклонений, величины отклонений, принадлежность к определенным трассам). В совокупности модуль 1 и пороговый блок 2 образуют канал 10 обнаружения предвестников землетрясений по трассам приема сигналов ФРНС, аналогичный примененному в прототипе [5]. Аппаратно канал 10 реализуется, например, на стандартном оборудовании контрольной станции ФРНС, при этом в память порогового блока 2 в качестве пороговых данных закладываются данные о среднестатистических суточных и сезонных вариациях значений псевдодальностей по каждой из трасс (см., например, Быков В.И., Никитенко Ю.И. Судовые радионавигационные устройства. М., Транспорт, 1976, с.214-223, рис.3.10, 3.11, [6]), на фоне которых выделяются аномальные отклонения, идентифицируемые как предвестники землетрясений.
Модуль 3 предназначен для приема сигналов ИФРНС и измерения псевдодальностей до передатчиков ИФРНС по каждой из трасс приема сигналов ИФРНС. Пороговый блок 4 предназначен для сравнения выходных данных модуля 3 с пороговыми значениями и фиксации параметров аномальных отклонений, идентифицируемых как предвестники землетрясений (время появления отклонений, величины отклонений, принадлежность к определенным трассам). В совокупности модуль 3 и пороговый блок 4 образуют канал 11 обнаружения предвестников землетрясений по трассам приема сигналов ИФРНС. Аппаратно канал 11 реализуется, например, на стандартном оборудовании контрольной станции ИФРНС, при этом в память порогового блока 4 в качестве пороговых данных закладываются данные о действительных значениях псевдодальностей по каждой из трасс, на фоне которых выделяются аномальные отклонения, идентифицируемые как предвестники землетрясений.
Модуль 5 предназначен для приема сигналов СРНС и измерения псевдодальностей до соответствующих НИСЗ, излучающих эти сигналы. Пороговый блок 6 предназначен для сравнения выходных данных модуля 5 с пороговыми значениями и фиксации параметров аномальных отклонений, идентифицируемых как предвестники землетрясений (время появления отклонений, величины отклонений, принадлежность к определенным трассам определенных НИСЗ). В совокупности модуль 5 и пороговый блок 6 образуют канал 12 обнаружения предвестников землетрясений по трассам приема сигналов СРНС. Аппаратно канал 12 реализуется, например, на стандартном оборудовании контрольной станции СРНС, формирующей дифференциальные поправки для потребителей сигналов СРНС, при этом в память порогового блока 4 в качестве пороговых данных закладываются данные о среднестатистических суточных и сезонных вариациях значений псевдодальностей по каждой из контролируемых трасс приема сигналов СРНС.
Кроме указанной функции по приему сигналов СРНС и измерения псевдодальностей до соответствующих НИСЗ, излучающих эти сигналы, модуль 5 выполняет функцию по приему сигналов шкалы времени СРНС, которые выделяются на синхронизирующем выходе модуля 5. Примером возможного выполнения модуля 5, реализующего указанные функции и к тому же работающего от внешнего синхронизирующего сигнала, может служить известный интегрированный приемник сигналов СРНС, описанный в патенте RU №2146378 [7].
Блок 7 передачи выходных данных служит для передачи по каналу связи, связывающему станцию с центром радиоволнового прогноза землетрясений, выходных данных об аномальных отклонениях, обнаруженных в каналах 10, 11, 12. Для реализации своей функции блок 7 содержит в своем составе средства для запоминания поступающих с каналов 10, 11, 12 данных об аномальных отклонениях (буферную память), средства для формирования на их основе выходных данных, представленных в виде информационных сообщений определенного формата (кодирующее устройство), средства для передачи выходных данных в центр радиоволнового прогноза землетрясений (передатчик канала связи), а также средства управления, реализованные, например, на микропроцессорной технике, обеспечивающие работу блока 7 по определенной временной программе в соответствии с сигналами опорной частоты и времени, поступающими на опорный вход блока 7 с выхода формирователя 9.
Формирователь 9 сигналов опорной частоты и времени служит для формирования высокостабильных опорных сигналов и сигналов шкалы времени, синхронизированных со шкалой времени СРНС, используемых для формирования в модулях 1, 3, 5 тактовых и гетеродинных (в модуле 5) частот, для маркировки по времени в пороговых блоках 2, 4, 6 обнаруживаемых аномалий, идентифицируемых как предвестники землетрясений, а также для реализации временных программ работы модулей 1, 3, 5 и блока 7. В простейшем случае формирователь 9 реализуется, например, как подстраиваемый генератор с набором делителей частоты, формирующих сетку частот и сигналов шкалы времени, например как в системе синхронизации часов по радиоканалу, описанной в патенте RU №2080646 [8].
Блок 8 привязки шкал времени служит для выработки управляющих сигналов, под действием которых местная шкала времени, формируемая формирователем 9, подстраивается под шкалу времени СРНС. Такая привязка, в частности, позволяет решить проблему взаимной синхронизации станций при их совместной работе в составе общей системы прогнозирования землетрясений. В простейшем случае блок 8 выполняется, например, в виде устройства сравнения шкал времени (в данном случае сравнения местной шкалы времени, формируемой формирователем 9, и опорной шкалы времени, формируемой по сигналам СРНС, принимаемых модулем 5) и соединенного с ним формирователя управляющих сигналов, например как в системе синхронизации часов по радиоканалу, описанной в [8].
Рассмотренная станция радиоволнового обнаружения предвестников землетрясений функционирует в составе локальной системы краткосрочного прогнозирования землетрясений, контролирующей определенный сейсмоопасный район. Наземный сегмент этой системы включает в себя действующие стационарные передатчики ФРНС, например, передатчики ФРНС “Маршрут”, передвижные передатчики ИФРНС, например передатчики мобильной ИФРНС “Тропик”, стационарный или передвижной центр радиоволнового прогноза землетрясений, а также размещенные стационарно и/или на передвижных платформах станции радиоволнового обнаружения предвестников землетрясений. Космический сегмент этой системы включает в себя действующие НИСЗ СРНС ГЛОНАСС и/или GPS. В перспективе предполагается использовать также СРНС GALLILEO. В качестве рабочих трасс, на которых станции осуществляют поиск предвестников землетрясений, используются трассы, проходящие через и над контролируемым районом.
Функционирование станции происходит следующим образом.
Станция принимает сигналы передатчиков ФРНС, ИФРНС и НИСЗ СРНС, поступающие с трасс, проходящих через и над контролируемым сейсмоопасным районом. Эти сигналы принимаются и обрабатываются соответственно в каналах 10, 11, 12 с помощью модулей 1, 3, 5 и пороговых блоков 2, 4, 6, причем в модулях 1, 3, 5 измеряются псевдодальности до соответствующих передатчиков ФРНС, ИФРНС и НИСЗ СРНС, а в пороговых блоках 2, 4, 6 фиксируются аномальные отклонения измеренных псевдодальностей от пороговых значений, идентифицируемые как предвестники землетрясения. Обработка принимаемых сигналов в каналах 10, 11, 12 осуществляется аналогично общеизвестной обработке сигналов в контрольных станциях ФРНС, ИФРНС и СРНС с той лишь разницей, что в пороговых блоках 2, 4, 6 на основе сравнения с пороговыми значениями формируются данные об аномальных отклонениях, идентифицируемых как предвестники землетрясения (а не дифференциальные поправки, фиксирующие все возникающие отклонения).
Данные об аномальных отклонениях, содержащие информацию о величинах отклонений, временах их появлений и принадлежности к определенным трассам, передаются с выходов каналов 10, 11, 12 (т.е. с выходов пороговых блоков 2, 4, 6) на сигнальные входы блока 7 передачи выходных данных. Блок 7 запоминает эти данные в своей буферной памяти, формирует на их основе информационные сообщения в определенном формате, т.е. выходные данные станции, и передает их по определенной программе по каналу связи в центр радиоволнового прогноза землетрясений.
Все рассмотренные процессы по формированию выходных данных, несущих информацию об аномальных отклонениях, синхронизированы в соответствии с местной шкалой времени, формируемой формирователем 9, которая в свою очередь привязана к шкале времени СРНС. Эта привязка осуществляется путем сравнения в блоке 8 выходных сигналов формирователя 9, поступающих на вход обратной связи блока 8, с сигналами шкалы времени СРНС, поступающими на опорный вход блока 8 с синхронизирующего выхода модуля 5, определения величины их временного рассогласования и формирования управляющих сигналов, под действием которых осуществляется перестройка управляемого генератора формирователя 9.
Такая привязка местной шкалы времени к шкале времени СРНС обеспечивает возможность совместной обработки в центре радиоволнового прогноза землетрясений выходных данных всех станций, входящих в состав системы прогнозирования землетрясений, по всем трассам приема радиосигналов.
В центре радиоволнового прогноза землетрясений данные, принятые от станций, расшифровываются, а затем по определенной методике, например аналогичной описанной в [5], основанной на анализе выявленных станциями аномалий на трассах приема радиоволн, осуществляет прогноз места, времени и интенсивности предстоящего землетрясения. При этом за счет повышения информативности станций, обеспечиваемой за счет введения в сферу обнаружения предвестников землетрясений сигналов ИФРНС и СРНС, создаются предпосылки для более достоверного прогноза землетрясений.
Возможность использования сигналов СРНС для обнаружения предвестников землетрясений обусловлена отмеченными выше физическими явлениями, а именно возникающими перед землетрясениями аномальными явлениями в ионосфере [1] и смещениями земной коры [2], что проявляет себя в аномалиях в измерениях псевдодальностей на трассах, проходящих над районом предстоящего землетрясения.
Возможность использования сигналов ИФРНС для обнаружения предвестников землетрясения обусловлена возникающими перед землетрясениями аномальными изменениями в магнитном и электромагнитных полях и в проводимости земной поверхности [2], что проявляет себя в аномалиях в измерениях псевдодальностей на трассах, проходящих через район предстоящего землетрясения.
Совместный учет аномалий, обнаруживаемых на трассах приема сигналов ФРНС, ИФРНС, СРНС, дает возможность более точно идентифицировать аномалии сейсмической природы, например, по совпадению во времени аномалий, возникающих на трассах приема всех трех типов сигналов ФРНС, ИФРНС, СРНС, и тем самым повысить достоверность прогноза землетрясения.
Технически, возможность использования сигналов ИФРНС для обнаружения предвестников землетрясений в заданном сейсмоопасном районе обусловлена мобильностью передатчиков определенных модификаций ИФРНС (например, ИФРНС “Тропик”), которые в необходимом количестве размещают по периметру контролируемого района. Возможность использования сигналов СРНС для обнаружения предвестников землетрясений в любом сейсмоопасном районе обусловлена глобальным характером СРНС. Этим же свойством глобальности обладают ФРНС.
Таким образом, можно сделать вывод о том, что заявляемое изобретение осуществимо и решает поставленную задачу повышения информативности станции радиоволнового обнаружения предвестников землетрясений за счет усовершенствования ее устройства, обеспечив расширения номенклатуры радиосигналов, используемых для обнаружения предвестников землетрясений.
Формула изобретения
Радиотехническое устройство для обнаружения предвестников землетрясений, содержащее последовательно соединенные приемоизмерительный модуль сигналов фазовой радионавигационной системы (ФРНС), первый пороговый блок сравнения выходных данных приемоизмерительного модуля сигналов ФРНС с пороговыми значениями и фиксации параметров аномальных отклонений, идентифицируемых как предвестники землетрясений, и блок передачи выходных данных об аномальных отклонениях по каналу связи, соединяющему радиотехническое устройство с центром радиоволнового прогноза землетрясений, а также формирователь сигналов опорной частоты и времени, выход которого соединен с опорными входами модуля приемоизмерительного сигнала ФРНС, первого порогового блока и блока передачи выходных данных, отличающееся тем, что в устройство дополнительно введены:
приемоизмерительный модуль сигналов импульсно-фазовой радионавигационной системы (ИФРНС), обеспечивающий прием сигналов ИФРНС и измерение псевдодальностей до соответствующих передатчиков ИФРНС,
подключенный к выходу приемоизмерительного модуля сигналов ИФРНС второй пороговый блок, обеспечивающий сравнение выходных данных приемоизмерительного модуля сигналов ИФРНС с пороговыми значениями и фиксацию параметров аномальных отклонений, идентифицируемых как предвестники землетрясений;
приемоизмерительный модуль сигналов спутниковых радионавигационных систем (СРНС), обеспечивающий прием сигналов СРНС и измерение псевдодальностей до соответствующих навигационных искусственных спутников Земли, излучающих эти сигналы;
подключенный к сигнальному выходу приемоизмерительного модуля сигналов СРНС третий пороговый блок, обеспечивающий сравнение выходных данных модуля приемоизмерительного сигналов СРНС с пороговыми значениями и фиксацию параметров аномальных отклонений, идентифицируемых как предвестники землетрясений;
блок привязки шкал времени, обеспечивающий формирование управляющих сигналов для подстройки шкалы времени, формируемой формирователем сигналов опорной частоты и времени, в соответствии со шкалой времени СРНС,
при этом выходы второго и третьего пороговых блоков соединены с соответствующими сигнальными входами блока передачи выходных данных, опорный вход и выход блока привязки шкалы времени соединены, соответственно, с синхронизирующим выходом модуля приемоизмерительного сигнала СРНС и управляющим входом формирователя сигналов опорной частоты и времени, а выход формирователя сигналов опорной частоты и времени соединен также с опорными входами приемоизмерительного модуля сигналов ИФРНС и приемоизмерительного модуля сигналов СРНС, с опорными входами второго и третьего пороговых блоков, а также с входом обратной связи блока привязки шкалы времени.
РИСУНКИ
|
|