|
|
(21), (22) Заявка: 2003121688/09, 14.07.2003
(24) Дата начала отсчета срока действия патента:
14.07.2003
(43) Дата публикации заявки: 10.02.2005
(45) Опубликовано: 10.07.2005
(56) Список документов, цитированных в отчете о поиске:
RU 2123708 C1, 20.12.1998. RU 2207589 С2, 27.06.2003. US 5262787 А, 16.11.1993. ЕР 0068852 А2, 05.01.1983. GB 2230913 А, 31.10.1990.
Адрес для переписки:
603950, г.Нижний Новгород, ул. Шапошникова, 5, ФГУП “Нижегородский НИИ радиотехники”
|
(72) Автор(ы):
Бомштейн А.Д. (RU), Коган С.М. (RU), Колдоркина Н.Р. (RU), Москаленко С.В. (RU), Харитонов С.А. (RU)
(73) Патентообладатель(и):
Федеральное государственное унитарное предприятие “Нижегородский научно-исследовательский институт радиотехники” (RU)
|
(54) ПОДВИЖНАЯ НАЗЕМНАЯ ДВУХКООРДИНАТНАЯ РЛС КРУГОВОГО ОБЗОРА МЕТРОВОГО ДИАПАЗОНА ВОЛН
(57) Реферат:
Изобретение относится к радиолокации. Техническим результатом является расширение арсенала двухкоординатных РЛС кругового обзора метрового диапазона волн и повышение потребительского уровня РЛС при оптимальном сочетании достигаемых технических, эксплуатационных и стоимостных характеристик. Это обеспечивается использованием в РЛС взаимосвязанного комплекса функциональных и конструктивных технических средств, который включает основную и компенсационную антенны, шкаф с аппаратурой приемопередающего устройства, состоящего из твердотельного монопередатчика, двух формирователей зондирующих сигналов и приемника основного канала, устройства первичной обработки радиолокационных сигналов, содержащего блоки обнаружения сигналов дальней и ближней зон, подавления сигналов, принятых по боковым лепесткам диаграммы направленности основной антенны, пеленга поставщиков активных помех и блок измерения координат, устройства компенсации шумовых активных помех в составе приемника и автокомпенсатора. 2 ил.

Изобретение относится к радиолокации и может быть использовано для обнаружения воздушных целей, измерения их координат и выдачи целеуказания по дальности и азимуту как при автономной работе, так и при работе в составе автоматизированных систем управления.
Традиционно проблемы, решаемые при создании РЛС, обособлены из-за группирования разнородных функциональных, конструктивных и иных технических средств, привлекаемых для повышения технических, эксплуатационных или конструктивных параметров РЛС. Однако рынок кроме предпочтительной ориентации на высокие отдельные показатели РЛС диктует требования к потребительским качествам техники, возникающим в результате оптимизации сочетания технических, эксплуатационных и стоимостных характеристик, определяющих повышенный спрос на ту или иную модель в пределах одной разновидности РЛС.
Таким образом возникает проблема взаимоувязки функционального, конструктивного, ресурсного и иного совершенствования РЛС, определяемого рыночным заказом, и РЛС предстает в качестве единого комплекса электронных, конструктивных, материально-технических и иных средств, позволяющего в той или иной мере обеспечить выходные параметры РЛС в лучших эксплуатационных и стоимостных условиях.
Известны РЛС, представляющие собой функционально-конструктивные комплексы аналогичного заявляемому назначения [1, 2]. РЛС [1] содержит антенну и размещенные в кабине передающее устройство на электровакуумных приборах, приемник, устройство защиты РЛС от пассивных и несинхронных импульсных помех и другие необходимые системы, обеспечивающие работоспособность РЛС. Недостатком этой РЛС является низкая точность измерения координат, длительное время включения и переключения на другую частоту, незащищенность от активных помех, невысокая надежность и в целом низкий потребительский уровень решения радиолокационной задачи.
РЛС [2] кроме вышеперечисленных устройств содержит устройства компенсации шумовых активных помех (ШАП) и пеленга помехоносителя, однако имеет недостаточно высокую точность измерения координат и не соответствующие спросу эксплуатационные характеристики.
Указанные аналоги являются наиболее близкими по технической сущности к заявляемой РЛС, но представляют собой поколение электровакуумных РЛС. Сведения о реализации подвижной наземной двухкоординатной РЛС кругового обзора метрового диапазона волн с твердотельным монопередатчиком, размещенным в кабине транспортного средства, заявителем не выявлены, т.е. прототип заявляемого решения отсутствует.
В связи с этим в соответствии с “Рекомендациями по составлению документов заявки на выдачу патента на изобретение…” (под редакцией А.Д.Корчагина, ИНИЦ Роспатента, 2000, стр. 38) формула изобретения составлена без разделения на ограничительную и отличительную части.
Предлагаемое изобретение расширяет арсенал двухкоординатных РЛС кругового обзора метрового диапазона волн и позволяет повысить потребительский уровень РЛС при оптимальном сочетании достигаемых технических, эксплуатационных и стоимостных характеристик, что обеспечивается использованием в РЛС взаимосвязанного комплекса функциональных и конструктивных технических средств, который включает перестраиваемое в полосе частот приемопередающее устройство с основной антенной, устройство компенсации шумовых активных помех, устройство первичной обработки радиолокационных сигналов, устройство вторичной обработки радиолокационной информации и сопряжения, устройство отображения, управления и контроля, а также кабину транспортного средства с размещенными в ней аппаратурой и оборудованием. При этом передающее устройство содержит твердотельный монопередатчик, суммирующий мощности большого числа широкополосных транзисторных усилителей, выполненных в виде герметичных модулей по тонкопленочной технологии на микрополосковых линиях, два формирователя зондирующих сигналов и приемник основного канала, основная антенна содержит датчик угла ее поворота, устройство компенсации шумовых активных помех включает приемник и автокомпенсатор, а также стационарную компенсационную антенну с четырьмя излучателями, расположенными попарно под углом 90° в горизонтальной плоскости на двух мачтах, установленных по разные стороны основной антенны так, чтобы угол между всеми четырьмя излучателями составлял 90° в горизонтальной плоскости, устройство первичной обработки радиолокационных сигналов содержит два блока обнаружения сигналов – дальней и ближней зон, коммутатор сигналов, блок подавления сигналов, принятых по боковым лепесткам диаграммы направленности основной антенны, блок пеленга постановщиков активных помех и блок измерения координат; кабина транспортного средства разделена шумопоглощающей стенкой (с дверью) на обитаемый отсек с рабочим местом оператора и аппаратный отсек с аппаратным шкафом, конструктивно сопряженным с оборудованием приточно-вытяжного воздушного охлаждения, оснащенным холодильной установкой, расположенным под днищем кабины и обеспечивающим охлаждение аппаратуры шкафа и вентиляцию обитаемого отсека кабины; аппаратный шкаф содержит аппаратуру приемопередающего устройства, устройств первичной обработки и компенсации шумовых активных помех, расположенную ярусно в двух или более вертикальных стойках, разделенных между собой внутренними перегородками, имеющими ряд боковых вентиляционных отверстий между ярусами с уменьшением диаметров отверстий при понижении ярусов, причем в стойке (или в нескольких стойках) с приточным воздушным охлаждением расположена маломощная аппаратура, а в стойке с вытяжным воздушным охлаждением – усилители мощности твердотельного монопередатчика; рабочее место оператора содержит аппаратуру устройства отображения, управления и контроля, устройства вторичной обработки и сопряжения и оснащено ЭВМ.
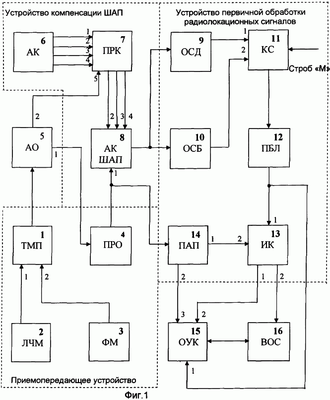
Для пояснения работы предлагаемого изобретения приведены структурная схема РЛС (фиг.1), соответствующая п.2 формулы изобретения, и расчетные диаграммы направленности (ДН) основной и компенсационной антенн в азимутальной плоскости (фиг.2).
На фиг.1 обозначены:
1 – 4 – приемопередающее устройство,
где:
1 – твердотельный монопередатчик (ТМП),
2 – формирователь линейно-частотно-модулированного зондирующего сигнала (ЛЧМ),
3 – формирователь фазоманипулированного зондирующего сигнала (ФМ),
4 – приемник основного канала (ПРО);
5 – антенна основная с датчиком угла ее поворота (АО);
6 – 8 – устройство компенсации шумовых активных помех (ШАП),
где:
6 – антенна компенсационная (АК),
7 – приемник компенсационного канала (ПРК),
8 – автокомпенсатор ШАП (АК ШАП);
9 – 14 – устройство первичной обработки радиолокационных сигналов,
где:
9 – блок обнаружения сигналов дальней зоны (ОСД),
10 – блок обнаружения сигналов ближней зоны (ОСБ),
11 – коммутатор сигналов (КС),
12 – блок подавления сигналов, принятых по боковым лепесткам диаграммы направленности основной антенны (ПБЛ),
13 – блок измерения координат (ИК),
14 – блок пеленга постановщиков активных помех (ПАП),
15 – устройство отображения, управления и контроля (ОУК);
16 – устройство вторичной обработки радиолокационной информации и сопряжения (ВОС).
Стрелками показаны связи между блоками и устройствами. Как видно из структурной схемы, РЛС содержит приемопередающее устройство в составе твердотельного монопередатчика 1, двух формирователей зондирующих сигналов 2,3 и приемника 4 основного канала, основную антенну 5 с датчиком угла ее поворота, устройство компенсации шумовых активных помех, включающее компенсационную антенну 6, приемник 7 и автокомпенсатор 8, устройство первичной обработки радиолокационных сигналов, состоящее из двух блоков обнаружения сигналов – дальней 9 и ближней 10 зон, коммутатора сигналов 11, блоков подавления сигналов, принятых по боковым лепесткам диаграммы направленности основной антенны 12, пеленга постановщиков активных помех 14 и блока измерения координат 13, устройство вторичной обработки и сопряжения 16, устройство отображения, управления и контроля 15, причем выходы двух формирователей 2, 3 зондирующих сигналов соединены с первым и вторым входами твердотельного монопередатчика 1, соединенного последовательно с входом основной антенны 5, первый выход которой соединен со входом приемного устройства основного канала 4, выход которого соединен с входом блока пеленга постановщиков активных помех 14 и с первым входом автокомпенсатора 8, второй, третий и четвертый входы которого через приемник компенсационного канала 7 соединены с четырьмя выходами компенсационной антенны 6, пятый вход приемника компенсационного канала 7 соединен со вторым выходом основной антенны 5, а выход автокомпенсатора 8 через параллельно соединенные блоки обнаружения сигналов дальней 9 и ближней 10 зон соединен соответственно с первым и вторым входами коммутатора сигналов 11, выход которого соединен с входом блока подавления сигналов, принятых по боковым лепесткам диаграммы направленности основной антенны 12, выход которого соединен с первыми входами блока измерения координат 13 и устройства отображения, управления и контроля 15, второй и третий входы которого соединены соответственно с первым выходом блока измерения координат 13 и вторым выходом блока пеленга постановщиков активных помех 14, первый выход которого соединен со вторым входом блока измерения координат 13, второй выход которого соединен с входом устройства вторичной обработки и сопряжения 16, выход-вход которого соединен с входом-выходом устройства отображения, управления и контроля 15.
Кроме того, РЛС содержит кабину транспортного средства с размещенными в ней аппаратурой и оборудованием, при этом РЛС характеризуется тем, что кабина разделена шумопоглощающей стенкой (с дверью) на обитаемый отсек с рабочим местом оператора и аппаратный отсек с аппаратным шкафом, конструктивно сопряженным с оборудованием приточно-вытяжного воздушного охлаждения, оснащенным холодильной установкой, расположенным под днищем кабины и обеспечивающим охлаждение аппаратуры шкафа и вентиляцию обитаемого отсека кабины; аппаратный шкаф содержит аппаратуру приемопередающего устройства, устройств первичной обработки и компенсации шумовых активных помех, расположенную ярусно в двух или более вертикальных стойках, разделенных между собой внутренними перегородками, имеющими ряд боковых вентиляционных отверстий между ярусами с уменьшением диаметров отверстий при понижении ярусов, причем в стойке (или в нескольких стойках) с приточным воздушным охлаждением расположена маломощная аппаратура, а в стойке с вытяжным воздушным охлаждением – усилители мощности твердотельного монопередатчика; рабочее место оператора содержит аппаратуру устройства отображения, управления и контроля, устройства вторичной обработки и сопряжения и оснащено ЭВМ.
РЛС работает следующим образом.
С целью повышения разрешающей способности по дальности и вероятности обнаружения цели на фоне местных предметов в ближней зоне обзора зондирование пространства осуществляется двумя последовательностями импульсов: основной, длительность импульсов которой выбирается из условия обеспечения требуемого энергетического потенциала РЛС, и дополнительной последовательности коротких импульсов, имеющих меньшую среднюю мощность, предназначенной для обнаружения радиолокационных целей, находящихся в ближней зоне на дальностях, соответствующих длительности зондирующего импульса основной последовательности. Обе последовательности импульсов имеют одинаковую среднюю частоту повторения, но смещены во времени.
В качестве основной последовательности импульсов используются линейно-частотно-модулированные (ЛЧМ) сигналы, а в качестве дополнительной – фазоманипулированные (ФМ), например по закону
Баркера, сигналы [3]. Эти сигналы с формирователей соответственно 2 и 3 усиливаются по высокой частоте твердотельным монопередатчиком 1 и через антенный коммутатор (не показанный на фиг.1) излучаются основной антенной 5 в пространство. Отраженные от цели эхосигналы через основную антенну 5 и антенный коммутатор поступают в приемник основного канала 4, где селектируются по частоте, усиливаются и преобразуются в цифровой код. С выхода приемника 4 сигналы поступают на вход 1 трехканального автокомпенсатора 8. На входы 2,3.4 автокомпенсатора 8 поступают сигналы с приемника компенсационного канала 7, на который поступают четыре сигнала стационарной компенсационной антенны 6. Компенсационная антенна 6 состоит из четырех излучателей, расположенных попарно под углом 90° в горизонтальной плоскости на двух мачтах, установленных по разные стороны основной антенны с шагом 90° между излучателями.
На фиг.2 показаны диаграммы направленности 17 основной антенны 5 и отдельных излучателей 18, 19, 20 компенсационной антенны 6, сплошной линией показана объединенная ДН компенсационной антенны 6. При вращении основной антенны 5 через каждые 90° по сигналу датчика угла ее поворота в компенсационном приемнике 7 производится выбор трех из четырех сигналов излучателей компенсационной антенны 6, диаграммы направленности которых в данный момент перекрывают переднюю полусферу основной антенны 5.
Таким образом, с помощью переключения сигналов излучателей объединенная ДН компенсационной антенны 6 “вращается” в горизонтальной плоскости дискретно, синхронно с вращением основной антенны 4, обеспечивая прием сигналов, приходящих с любого азимутального направления от 0 до 360°.
При совместной работе трех компенсационных каналов автокомпенсатор обеспечивает подавление ШАП, воздействующих по боковым лепесткам ДН основной антенны с одного, двух или трех направлений [4].
С выхода автокомпенсатора ШАП 8 сигнал поступает на входы блоков обнаружения сигналов дальней 9 и ближней 10 зон устройства первичной обработки радиолокационных сигналов [5].
В блоке ОСД 9 производится обнаружение и подавление несинхронной импульсной помехи, длительность которой много меньше длительности зондирующего сигнала, оптимальная внутрипериодная обработка (сжатие) эхосигналов ЛЧМ-фильтром, а также оптимальная межпериодная обработка азимутального пакета эхосигналов с помощью когерентного накопителя, обеспечивающего минимальные потери в отношении сигнал-шум, обнаружение эхосигналов на фоне собственных шумов приемного тракта, стабилизацию уровня ложных тревог и позволяющего обнаружить эхосигнал в условиях воздействия дипольных помех.
Блок ОСБ 10 обеспечивает защиту РЛС от пассивных помех в зоне “местных предметов”, оптимальную внутрипериодную обработку сигналов (сжатие) фильтром ФМ сигналов, некогерентное накопление азимутального пакета, стабилизацию уровня ложных тревог [6], защиту от несинхронных импульсных помех.
В коммутаторе сигналов 11 происходит объединение информации из блоков обнаружения сигналов двух зон. Управление коммутатором осуществляется при помощи кругового строба (строб “М”), длительность которого устанавливается оператором исходя из размеров зоны “местных предметов” для конкретной позиции РЛС.
С выхода коммутатора 11 сигнал поступает через блок ПБЛ 12, устраняющий прием сигналов по боковым лепесткам ДН основной антенны 4 [7], на первые входы блока измерения координат 13 и устройства отображения, управления и контроля 15. На второй вход блока измерения координат 13 поступает сигнал пеленга постановщиков активных помех 14. Этот сигнал формируется из эхосигнала основной антенны 5, который после обработки в приемнике 4 подается на вход блока пеленга постановщиков активных помех 14. Сигнал пеленга формируется в момент времени, когда уровень помехи, принятой по основному лепестку ДН антенны 5, превышает уровень порога обнаружения пеленга [8].
С выхода 2 блока пеленга постановщиков активных помех 14 на вход 3 устройства отображения, управления и контроля 15 поступает сигнал, несущий информацию об уровне мощности активных помех, который отображается на индикаторе кругового обзора устройства отображения, управления и контроля 15 в направлении на источник помехи, а по дальности – обратно пропорционально ее мощности, что позволяет оператору выбрать другую рабочую частоту РЛС, свободную от активных помех в нужном направлении [9].
В блоке измерения координат 13 производится измерение азимута и дальности цели и азимута (пеленга) постановщика активной помехи. По результатам измерений формируются соответствующие кодограммы, которые передаются на устройства отображения, управления и контроля 15 и вторичной обработки и сопряжения 16.
Устройство вторичной обработки и сопряжения 16 обеспечивает автоматическое и полуавтоматическое обнаружение и сопровождение траекторий движения целей [10, 11] по информации, поступающей от блока измерения координат 13, обмен информацией с устройством отображения, управления и контроля 15, выдачу первичной и вторичной радиолокационной информации потребителям (комплексам средств автоматизации), обмен информацией с радиовысотомером и радиозапросчиком.
Устройство отображения, управления и контроля 15 обеспечивает отображение на видеомониторе рабочего места оператора [12] первичной, вторичной и служебной информации, поступающей с блоков ПБЛ 12, ИК 13, ПАП 14 и устройства ВОС 16 [13].
Устройство отображения, управления и контроля 15 обеспечивает также управление режимами работы РЛС, управление радиовысотомером и радиозапросчиком через устройство ВОС 16, контроль основных параметров, определяющих тактико-технические характеристики РЛС, в том числе контроль ряда параметров без нарушения штатного режима работы РЛС, и автоматизированный поиск неисправностей [14].
Из описания видно, что признаки, характеризующие предлагаемую РЛС, а именно: твердотельный монопередатчик метрового диапазона волн, особенности его конструктивного исполнения и размещения, конструктивная реализация охлаждения аппаратного шкафа с монопередатчиком, кабина, разделенная на обитаемый и аппаратный отсеки со звукоизоляцией между ними, особенности конструкции и размещения стационарной компенсационной антенны, наличие двух формирователей зондирующих сигналов и соответственно двух блоков обнаружения сигналов дальней и ближней зон, а также рабочее место оператора с аппаратурой и ЭВМ, обладая новизной выполнения отдельных устройств, позволяют в совокупности с остальными признаками создать двухкоординатную РЛС кругового обзора метрового диапазона волн и при этом расширить арсенал РЛС подобного назначения и обеспечить необходимые технические и улучшить такие эксплуатационные характеристики, как простота, надежность, ресурс, ремонтопригодность, безопасность (из-за отсутствия высокого напряжения) и комфортность работы при сравнительно невысокой стоимости (с учетом всего жизненного цикла РЛС), тем самым повысив ее потребительский уровень.
В соответствии с материалами заявки изготовлен опытный образец РЛС, испытания которого подтвердили возможность достижения указанного технического результата.
Таким образом, можно сделать вывод о том, что приведенные в формуле изобретения признаки существенны, а в целом изобретение соответствует критерию патентоспособности.
Источники информации
1. РЛС 1 РЛ 131, Техническое описание, часть 1, 1974 г.
2. РЛС 1 Л 13, Техническое описание, часть 1, 1986 г.
3. Справочник по радиолокации, ред. М.Сколник, т.3, М., Сов. Радио, 1979 г., стр. 400-429.
4. Радиоэлектронные системы. Основы построения и теория. Справочник. Ред. Я.Д.Ширман, ЗАО “МАКВИС”, 1998 г., стр. 704-712.
5. С.З.Кузьмин. Цифровая радиолокация, Киев, КВИЦ, 2000 г., стр. 88-169.
6. Приемное устройство со стабилизацией уровня ложных тревог. А.С. №266965, МПК С 01 S 7/36, з-ка №3126435 от 23.10.85 г.
7. Устройство для подавления эхосигналов, принятых по боковым лепесткам диаграммы направленности антенны. Пат. RU 2123708, МПК G 01 S 7/36, з-ка №3167328/09 от 02.04.87 г.
8. Амплитудный пеленгатор для постановщиков активных помех. Пат. RU 2074403, з-ка №2222204/09 от 06.06.77 г.
9. РЛС 1 Л 13, Техническое описание, часть 2, 1986 г., стр. 30-33.
10. С.З.Кузьмин. Цифровая радиолокация, Киев, КВИЦ, 2000 г., стр. 183-307.
11. С.З.Кузьмин. Цифровая обработка радиолокационной информации, М., Сов. Радио, 1967 г., стр. 255-379.
12. Автоматизированное рабочее место оператора. 3-ка на промышленный образец №2003500153/49 (001901) от 22.01.03.
13. А.В.Фролов, Г.В.Фролов. Программирование видеоадаптеров, М., Диалог-МИФИ, 1995 г.
14. А.И.Заковряшин. Конструирование РЭА с учетом особенностей эксплуатации, М., Радио и связь, 1988 г., стр. 27-46, 95-111.
Формула изобретения
Подвижная наземная двухкоординатная радиолокационная станция (РЛС) кругового обзора метрового диапазона волн, представляющая собой взаимосвязанный комплекс функциональных и конструктивных технических средств обеспечения потребительского уровня РЛС и включающая перестраиваемое в полосе частот приемопередающее устройство в составе твердотельного монопередатчика, двух формирователей зондирующих сигналов и приемника основного канала, основную антенну с датчиком угла ее поворота, устройство компенсации шумовых активных помех, включающее компенсационную антенну, приемник компенсационного канала и автокомпенсатор, устройство первичной обработки радиолокационных сигналов, состоящее из двух блоков обнаружения сигналов дальней и ближней зон, коммутатора сигналов, блока подавления сигналов, принятых по боковым лепесткам диаграммы направленности основной антенны, блока пеленга постановщиков активных помех и блока измерения координат, устройство вторичной обработки радиолокационной информации и сопряжения, устройство отображения, управления и контроля, причем выходы двух формирователей зондирующих сигналов соединены с двумя входами твердотельного монопередатчика, выход которого соединен со входом основной антенны, первый выход которой соединен со входом приемника основного канала, выход которого соединен со входом блока пеленга постановщиков активных помех и с первым входом автокомпенсатора, второй, третий и четвертый входы которого соединены с тремя выходами приемника компенсационного канала, четыре входа которого соединены с четырьмя выходами компенсационной антенны, а пятый его вход соединен со вторым выходом основной антенны, выход автокомпенсатора через параллельно соединенные блоки обнаружения сигналов дальней и ближней зон соединен, соответственно, с первым и вторым входами коммутатора сигналов, выход которого соединен с входом блока подавления сигналов, принятых по боковым лепесткам диаграммы направленности основной антенны, выход которого соединен с первыми входами блока измерения координат и устройства отображения, управления и контроля, второй и третий входы которого соединены, соответственно, с первым выходом блока измерения координат и вторым выходом блока пеленга постановщиков активных помех, первый выход которого соединен со вторым входом блока измерения координат, второй выход которого соединен с входом устройства вторичной обработки радиолокационной информации и сопряжения, выход-вход которого соединен с входом-выходом устройства отображения, управления и контроля, при этом для размещения аппаратуры РЛС используется кабина транспортного средства, разделенная шумопоглощающей стенкой с дверью на обитаемый отсек с рабочим метом оператора, содержащим устройство отображения, управления и контроля и устройство вторичной обработки радиолокационной информации и сопряжения, и аппаратный отсек с аппаратным шкафом, содержащим приемопередающее устройство, устройство первичной обработки радиолокационных сигналов, приемник компенсационного канала и автокомпенсатор шумовых активных помех и конструктивно сопряженным с оснащенным холодильной установкой оборудованием приточно-вытяжного воздушного охлаждения, расположенным под днищем кабины и обеспечивающим охлаждение аппаратуры шкафа и вентиляцию обитаемого отсека кабины.
РИСУНКИ
PD4A – Изменение наименования обладателя патента Российской Федерации на изобретение
(73) Новое наименование патентообладателя:
Открытое акционерное общество «Федеральный научно-производственный центр «Нижегородский научно-исследовательский институт радиотехники» (RU)
Адрес для переписки:
603950, г. Нижний Новгород, ул. Шапошникова, д. 5, ОАО «ФНПЦ «ННИИРТ»
Извещение опубликовано: 10.09.2009 БИ: 25/2009
|
|