|
|
(21), (22) Заявка: 2003137379/28, 26.12.2003
(24) Дата начала отсчета срока действия патента:
26.12.2003
(45) Опубликовано: 10.07.2005
(56) Список документов, цитированных в отчете о поиске:
RU 2144198 C1, 10.01.1998. SU 1734054 А1, 15.05.1992. SU 947793 A, 30.07.1982. JP 5180891 A, 23.07.1993. JP 63271173 А, 09.11.1988.
Адрес для переписки:
390000, г.Рязань, пр-д Шабулина, 2а, ОАО завод “Красное знамя”
|
(72) Автор(ы):
Карпов С.В. (RU), Усатый А.И. (RU), Мороз А.И. (RU), Евтюхин А.С. (RU), Бутурлинов И.В. (RU), Адамов Д.Н. (RU), Бирюков О.Ю. (RU), Гусынин М.В. (RU)
(73) Патентообладатель(и):
Открытое акционерное общество завод “Красное знамя” (RU)
|
(54) УСТРОЙСТВО ДЛЯ ПАРАМЕТРИЧЕСКОГО КОНТРОЛЯ МНОГОСЛОЙНЫХ ПЕЧАТНЫХ ПЛАТ
(57) Реферат:
Изобретение относится к области контрольно-измерительной техники и может найти применение при неразрушающем контроле печатного монтажа многослойных печатных плат. Сущность: устройство для параметрического контроля многослойных печатных плат (МПП) содержит N измерительно-коммутационных модулей, 2N зондовых головок, 2N блоков координатного многоосевого перемещения, 2N блоков управления перемещением, блок ввода видеоизображения, микроЭВМ, интерфейс, адаптер, интерфейс с гальванической развязкой, контролируемую МПП, зафиксированную на неподвижной рамке, при этом каждая из 2N зондовых головок состоит из первого и второго подпружиненных контактов, а также видеокамеры, каждый измерительно-коммутационный модуль содержит первый, второй, третий и четвертый узлы подключения, выполненные на 2N-канальных аналоговых мультиплексорах, измеритель напряжения, источник стабилизированного тока, первый, второй и третий аналоговые мультиплексоры, операционный усилитель, выполняющий функцию формирователя напряжения, равного нулю, первый и второй образцовые резисторы, источник испытательного напряжения, источник опорного напряжения, первый и второй аналоговые ключи, компаратор, блок ввода-вывода цифровых сигналов. Технический результат изобретения: повышение достоверности контроля МПП за счет достижения качественного контактирования подпружиненных контактов всех зондовых головок перед проведением измерений и снижения влияния помех в шинах питания на результаты измерений, а также расширения функциональных возможностей за счет проведения параметрического контроля МПП. 1 ил.

Изобретение относится к области контрольно-измерительной техники и может найти применение при неразрушающем контроле печатного монтажа многослойных печатных плат (МПП).
Известно устройство для контроля межслойных переходов печатной платы, содержащее первую и вторую контактные головки, первые и вторые контактные модули, фотоприемники, светоизлучатели, контактные элементы, усилители-формирователи, первый и второй коммутаторы, реле, цифровой измеритель, блок переполюсовки, источник тока, первый, второй и третий координатные приводы, первый, второй и третий программные блоки, датчик контактирования, формирователь импульсов, пульт управления, блок управления, первый и второй регистры, вентили, сумматор, первый и второй сдвиговые регистры, блок сравнения, задатчик эталонного сигнала, регистратор, блок анализа, второй сдвиговый регистр, RS-триггер, элемент запрета, счетчик, генератор импульсов, дешифратор, блок усилителей мощности [1].
Недостатком известного устройства является низкое быстродействие измерений сопротивлений межслойных переходов МПП из-за проведения измерения сопротивления только одной контролируемой цепи за один цикл измерения.
Наиболее близким к изобретению является устройство для измерения сопротивлений проводников многослойных печатных плат, содержащее N измерительно-коммутационных модулей, N четырехпроводных линий связи, адаптер, интерфейс, микро-ЭВМ, контролируемую МПП, каждый измерительно-коммутационный модуль содержит источник стабилизированного тока, измеритель напряжения, операционный усилитель, выполняющий функцию формирователя напряжения, равного нулю, первый, второй, третий и четвертый узлы подключения, первый, второй, третий, четвертый и пятый аналоговые мультиплексоры, причем прямой вход операционного усилителя и вход источника стабилизированного тока подключены к общей шине, выход источника тока подключен к первому входу первого аналогового мультиплексора и второму входу второго аналогового мультиплексора, выход операционного усилителя подключен к первому входу второго аналогового мультиплексора и второму входу первого аналогового мультиплексора, выход третьего аналогового мультиплексора подключен к инверсному входу операционного усилителя, выходы первого и второго аналоговых мультиплексоров соединены соответственно с первыми выводами первого и второго узлов подключения, первый вывод третьего узла подключения соединен с первым и вторым входами четвертого аналогового мультиплексора, а также со вторым входом третьего аналогового мультиплексора, первый вывод четвертого узла подключения соединен с первым входом аналогового мультиплексора и третьим входом четвертого аналогового мультиплексора, а также с первым входом третьего аналогового мультиплексора, второй и третий входы пятого аналогового мультиплексора подключены к общей шине, вторые выводы первого, второго, третьего и четвертого узлов подключения являются соответственно первым, вторым, третьим и четвертым выходами измерительно-коммутационного модуля, выходы четвертого и пятого аналоговых мультиплексоров подключены соответственно к первому и второму входам измерителя напряжения, выход которого является пятым выходом измерительно-коммутационного модуля, объединенные управляющие входы первого, второго и третьего аналоговых мультиплексоров, управляющие выводы первого, второго, третьего и четвертого узлов подключения, объединенные управляющие входы четвертого и пятого аналоговых мультиплексоров, управляющий вход измерителя напряжения являются соответственно первым, вторым, третьим, четвертым, пятым, шестым и седьмым входами измерительно-коммутационного модуля, четырехпроводная линия связи обеспечивает подключение первого, второго, третьего и четвертого выходов измерительно-коммутационного модуля к двум металлизированным отверстиям (точкам подключения) группы металлизированных отверстий контролируемой многослойной печатной платы 6, N измерительно-коммутационных модулей соответственно подключены к N группам металлизированных отверстий (точкам подключения), на которые произвольно разбита контролируемая многослойная печатная плата, два провода четырехпроводной линии связи обеспечивают соединение первого и второго выхода каждого из N измерительно-коммутационных модулей соответственно с токовым и потенциальным контактами для подсоединения к первой точке подключения соответствующего измеряемого участка цепи, а два других провода тех же четырехпроводных линий связи обеспечивают соединение третьего и четвертого выхода каждого из N измерительно-коммутационных модулей соответственно с токовым и потенциальным контактами для подсоединения ко второй точке подключения соответствующего измеряемого участка цепи, первые, вторые, третьи, четвертые, пятые, шестые и седьмые входы N измерительно-коммутационных модулей объединены в шину сигналов управления и подключены к выходам адаптера, входы которого подключены к пятым выходам N измерительно-коммутационных модулей, а входы-выходы адаптера подключены к интерфейсу, входы-выходы которого подключены к микро-ЭВМ [2].
Недостатком известного устройства является отсутствие контроля сопротивлений изоляции цепей, металлизированных отверстий и электрических соединений между монтажными площадками на наружных слоях контролируемой МПП, а также невысокая достоверность контроля из-за возможного отсутствия контактирования отдельных контактов в точках подключения к измеряемым участкам цепи МПП.
Изобретение решает задачу повышения достоверности контроля МПП за счет достижения качественного контактирования подпружиненных контактов всех зондовых головок перед проведением измерений и снижения влияния помех в шинах питания на результаты измерений, а также расширения функциональных возможностей за счет проведения параметрического контроля МПП.
Это достигается тем, что в устройство для параметрического контроля многослойных печатных плат, содержащее микроЭВМ, интерфейс, адаптер, N измерительно-коммутационных модулей, где N=2, 3,…, каждый из которых содержит первый, второй, третий и четвертый узлы подключения, выполненные на 2N-канальных аналоговых мультиплексорах, измеритель напряжения, источник стабилизированного тока, вход которого подключен к общей шине, первый, второй и третий аналоговые мультиплексоры, операционный усилитель для формирования напряжения, равного нулю, прямой вход которого подключен к общей шине, а инверсный вход соединен с выходом первого узла подключения, при этом выходы первого и второго узлов подключения соединены с первыми входами соответствующих аналоговых мультиплексоров, выходы которых соответственно соединены с первым и вторым входами измерителя напряжения, выход источника стабилизированного тока подключен к первому входу третьего аналогового мультиплексора, выход которого соединен с выходом третьего узла подключения, входы-выходы адаптера подключены к интерфейсу, входы-выходы которого соединены с микроЭВМ, введены 4, 5,…, 2N зондовые головки, 4, 5,…, 2N блоков координатного многоосевого перемещения, 4, 5,…, 2N блоков управления перемещением, блок ввода видеоизображения, интерфейс с гальванической развязкой, при этом каждая из 2N зондовых головок, состоящая из первого и второго подпружиненных контактов, а также видеокамеры, соединена кинематически с соответствующим блоком координатного многоосевого перемещения, обеспечивающего подключение первого и второго подпружиненного контактов данной зондовой головки к требуемой контактной площадке контролируемой МПП, зафиксированной на неподвижной рамке, входы-выходы 4, 5,…, 2N блоков управления перемещением и блока ввода видеоизображения подключены к интерфейсу, выход каждого из 2N блоков управления перемещением соединен с входом соответствующего блока координатного многоосевого перемещения, в каждый из N измерительно-коммутационных модулей введены первый и второй образцовые резисторы, источник испытательного напряжения, источник опорного напряжения, первый и второй аналоговые ключи, компаратор, блок ввода-вывода цифровых сигналов, интерфейсные линии связи которого являются интерфейсными линиями связи измерительно-коммутационного модуля, входы источника испытательного и опорного напряжения подключены к общей шине, выход измерителя напряжения подключен к первому входу блока ввода-вывода цифровых сигналов, второй вход которого подключен к выходу компаратора, прямой вход компаратора соединен с выходом источника опорного напряжения, а инверсный вход соединен с выходом операционного усилителя, первой ножкой первого образцового резистора, первым выводом первого аналогового ключа и вторым входом второго аналогового мультиплексора, вторая ножка первого образцового резистора и первая ножка второго образцового резистора подключены к первому выводу второго аналогового ключа, второй вывод которого подключен к инверсному входу операционного усилителя, выход четвертого узла подключения, вторая ножка второго образцового резистора, второй вывод первого аналогового ключа и второй вход первого аналогового мультиплексора соединены между собой, управляющие входы первого, второго, третьего и четвертого узлов подключения, первого и второго аналогового ключа, третьего аналогового мультиплексора, измерителя напряжения, а также объединенные управляющие входы первого и второго аналоговых мультиплексоров образуют шину сигналов управления, которая подключена к выходам блока ввода-вывода цифровых сигналов, каждый из 2N каналов первого и второго узлов подключения соответственно соединены между собой и объединены в первую группу 2N каналов измерительно-коммутационного модуля, каждый из 2N каналов третьего и четвертого узлов подключения соответственно соединены между собой и объединены во вторую группу 2N каналов измерительно-коммутационного модуля, каждый из 2N каналов первой группы всех N измерительно-коммутационных модулей соединены между собой и подключены к первому подпружиненному контакту соответствующей зондовой головки, каждый из 2N каналов второй группы всех N измерительно-коммутационных модулей соединены между собой и подключены ко второму подпружиненному контакту соответствующей зондовой головки, выход видеокамеры каждой из 2N зондовых головок подключен к соответствующему входу блока ввода видеоизображения, интерфейсные линии связи каждого из N измерительно-коммутационных модулей и адаптера подключены к интерфейсу с гальванической развязкой.
Предлагаемое устройство для параметрического контроля многослойных печатных плат отличается от прототипа тем, что введены 4, 5,…, 2N зондовые головки, 4, 5,…, 2N блоков координатного многоосевого перемещения, 4, 5,…, 2N блоков управления перемещением, блок ввода видеоизображения, интерфейс с гальванической развязкой, при этом каждая из 2N зондовых головок, состоящая из первого и второго подпружиненных контактов, а также видеокамеры, соединена кинематически с соответствующим блоком координатного многоосевого перемещения, обеспечивающего подключение первого и второго подпружиненного контактов данной зондовой головки к требуемой контактной площадке контролируемой МПП, зафиксированной на неподвижной рамке, входы-выходы 4, 5,…, 2N блоков управления перемещением и блока ввода видеоизображения подключены к интерфейсу, выход каждого из 2N блоков управления перемещением соединен с входом соответствующего блока координатного многоосевого перемещения, в каждый из N измерительно-коммутационных модулей введены первый и второй образцовые резисторы, источник испытательного напряжения, источник опорного напряжения, первый и второй аналоговые ключи, компаратор, блок ввода-вывода цифровых сигналов, интерфейсные линии связи которого являются интерфейсными линиями связи измерительно-коммутационного модуля, входы источника испытательного и опорного напряжения подключены к общей шине, выход измерителя напряжения подключен к первому входу блока ввода-вывода цифровых сигналов, второй вход которого подключен к выходу компаратора, прямой вход компаратора соединен с выходом источника опорного напряжения, а инверсный вход соединен с выходом операционного усилителя, первой ножкой первого образцового резистора, первым выводом первого аналогового ключа и вторым входом второго аналогового мультиплексора, вторая ножка первого образцового резистора и первая ножка второго образцового резистора подключены к первому выводу второго аналогового ключа, второй вывод которого подключен к инверсному входу операционного усилителя, выход четвертого узла подключения, вторая ножка второго образцового резистора, второй вывод первого аналогового ключа и второй вход первого аналогового мультиплексора соединены между собой, управляющие входы первого, второго, третьего и четвертого узлов подключения, первого и второго аналогового ключа, третьего аналогового мультиплексора, измерителя напряжения, а также объединенные управляющие входы первого и второго аналоговых мультиплексоров образуют шину сигналов управления, которая подключена к выходам блока ввода-вывода цифровых сигналов, каждый из 2N каналов первого и второго узлов подключения соответственно соединены между собой и объединены в первую группу 2N каналов измерительно-коммутационного модуля, каждый из 2N каналов третьего и четвертого узлов подключения соответственно соединены между собой и объединены во вторую группу 2N каналов измерительно-коммутационного модуля, каждый из 2N каналов первой группы всех N измерительно-коммутационных модулей соединены между собой и подключены к первому подпружиненному контакту соответствующей зондовой головки, каждый из 2N каналов второй группы всех N измерительно-коммутационных модулей соединены между собой и подключены ко второму подпружиненному контакту соответствующей зондовой головки, выход видеокамеры каждой из 2N зондовых головок подключен к соответствующему входу блока ввода видеоизображения, интерфейсные линии связи каждого из N измерительно-коммутационных модулей и адаптера подключены к интерфейсу с гальванической развязкой, что обеспечивает повышение достоверности контроля МПП за счет проверки качества контактирования подпружиненных контактов каждой зондовой головки к контактной площадке контролируемой цепи, обработки видеоизображения участка топологии платы в месте, где отсутствует контактирование у зондовой головки и корректировки ее местоположения для достижения необходимого качества контактирования, а также повышение достоверности контроля за счет снижения влияния помех в шинах питания на результаты измерений, кроме того решает задачу расширения функциональных возможностей путем проведения параметрического контроля МПП, в том числе измерения сопротивлений изоляции цепей, всех металлизированных отверстий и электрических соединений как на внутренних слоях, так и между монтажными площадками на наружних слоях контролируемой МПП, и сравнения измеренных сопротивлений контролируемых участков цепей с заданными величинами (эталонными значениями), определенных для каждого конкретного сопротивления участка цепи.
Сравнение заявляемых технических решений с прототипом позволило выявить совокупность существенных (по отношению к усматриваемому заявителем техническому результату) отличительных признаков в заявляемом объекте, изложенных в формуле изобретения.
Следовательно, заявляемые технические решения соответствуют требованию “новизна” по действующему законодательству.
Проведенный анализ уровня техники, включающий поиск по патентным и научно-техническим источникам информации и выявление источников, содержащих сведения об аналогах заявляемых технических решений, позволяет установить, что заявителем не обнаружены технические решения, характеризующиеся признаками, идентичными всем существенным признакам заявляемых технических решений. На основании этого сделан вывод, что заявляемые технические решения соответствуют критерию “изобретательский уровень”.
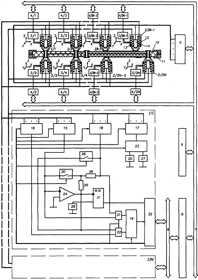
На чертеже представлена функциональная схема устройства для параметрического контроля многослойных печатных плат.
Устройство для параметрического контроля многослойных печатных плат, содержащее N измерительно-коммутационных модулей 1, 2N зондовых головок 2, 2N блоков координатного многоосевого перемещения 3, 2N блоков управления перемещением 4, блок ввода видеоизображения 5, микро-ЭВМ 6, интерфейс 7, адаптер 8, интерфейс с гальванической развязкой 9, контролируемую МПП 10, зафиксированную на неподвижной рамке 11.
Зондовая головка 2 состоит из первого и второго подпружиненных контактов 12,13, а также видеокамеры 14.
Измерительно-коммутационный модуль 1 содержит первый, второй, третий и четвертый узлы подключения 15, 16, 17, 18, выполненные на 2N-канальных аналоговых мультиплексорах, измеритель напряжения 19, источник стабилизированного тока 20, первый, второй и третий аналоговые мультиплексоры 21, 22, 23, операционный усилитель 24, выполняющего функцию формирователя напряжения, равного нулю, первый и второй образцовые резисторы 25, 26, источник испытательного напряжения 27, источник опорного напряжения 28, первый и второй аналоговые ключи 29,30, компаратор 31, блок ввода-вывода цифровых сигналов 32, интерфейсные линии связи которого являются интерфейсными линиями связи измерительно-коммутационного модуля 1.
Прямой вход операционного усилителя 24 подключен к общей шине, а инверсный вход соединен с выходом первого узла подключения 15, при этом выходы первого и второго узлов подключения 15, 16 соединены с первыми входами соответствующих аналоговых мультиплексоров 21, 22, выходы которых соответственно соединены с первым и вторым входами измерителя напряжения 19, выход источника стабилизированного тока 20 подключен к первому входу третьего аналогового мультиплексора 23, выход которого соединен с выходом третьего узла подключения 17, входы источника стабилизированного тока 20, источника испытательного 27 и опорного напряжения 28 подключены к общей шине, выход измерителя напряжения 19 подключен к первому входу блока ввода-вывода цифровых сигналов 32, второй вход которого подключен к выходу компаратора 31, прямой вход компаратора 31 соединен с выходом источника опорного напряжения 28, а инверсный вход соединен с выходом операционного усилителя 24, первой ножкой первого образцового резистора 25, первым выводом первого аналогового ключа 29 и вторым входом второго аналогового мультиплексора 22, вторая ножка первого образцового резистора 25 и первая ножка второго образцового резистора 26 подключены к первому выводу второго аналогового ключа 30, второй вывод которого подключен к инверсному входу операционного усилителя 24, выход четвертого узла подключения 18, вторая ножка второго образцового резистора 26, второй вывод первого аналогового ключа 29 и второй вход первого аналогового мультиплексора 21 соединены между собой, управляющие входы первого, второго, третьего и четвертого узлов подключения 15, 16, 17, 18, первого и второго аналогового ключа 29, 30, третьего аналогового мультиплексора 23, измерителя напряжения 19, а также объединенные управляющие входы первого и второго аналоговых мультиплексоров 21, 22 образуют шину сигналов управления, которая подключена к выходам блока ввода-вывода цифровых сигналов 32, каждый из 2N каналов первого и второго узлов подключения 15, 16 соответственно соединены между собой и объединены в первую группу 2N каналов измерительно-коммутационного модуля 1, каждый из 2N каналов третьего и четвертого узлов подключения 17, 18 соответственно соединены между собой и объединены во вторую группу 2N каналов измерительно-коммутационного модуля 1.
Каждая из 2N зондовых головок 2 соединена кинематически с соответствующим блоком координатного многоосевого перемещения 3, обеспечивающего подключение первого и второго подпружиненных контактов 12, 13 данной зондовой головки 2 к требуемой контактной площадке контролируемой МПП 10, входы-выходы 2 N блоков управления перемещением 4 и блока ввода видеоизображения 5 подключены к интерфейсу 7, выход каждого из 2N блоков управления перемещением 4 соединен с входом соответствующего блока координатного многоосевого перемещения 3, входы-выходы адаптера 8 подключены к интерфейсу 7, входы-выходы которого соединены с микроЭВМ 6, каждый из 2N каналов первой группы всех N измерительно-коммутационных модулей 1 соединены между собой и подключены к первому подпружиненному контакту 13 соответствующей зондовой головки 2, каждый из 2N каналов второй группы всех N измерительно-коммутационных модулей 1 соединены между собой и подключены ко второму подпружиненному контакту 14 соответствующей зондовой головки 2, выход видеокамеры 14 каждой из 2N зондовых головок 2 подключен к соответствующему входу блока ввода видеоизображения 5, интерфейсные линии связи каждого из N измерительно-коммутационных модулей 1 и адаптера 8 подключены к интерфейсу с гальванической развязкой 9.
Зондовая головка 2 обеспечивает двухзондовое подключение к контактной площадке контролируемой печатной платы 10 и получение при помощи видеокамеры 14 видеоизображения данного участка топологии платы с прижатыми (подключенными установленными на) к контактной площадке двумя подпружиненными контактами 12,13. Видеокамера 14 может быть типа WAT-902В фирмы Watec [3].
В измерительно-коммутационном модуле 1 источник стабилизированного тока 20 предназначен для формирования тестового воздействия (испытательного тока) через первый подпружиненный контакт 12 одной из зондовых головок 2 на первую (требуемую) точку подключения измеряемого участка цепи контролируемой печатной платы 10. Источник стабилизированного тока 20 может быть выполнен на базе прецизионного источника тока AD587 фирмы “ANALOG DEVICES” [4] или аналогично [5]. Источник испытательного напряжения 27 предназначен для формирования тестового воздействия (испытательного напряжения) через первый подпружиненный контакт 12 одной из зондовых головок 2 на требуемую точку подключения тестируемой цепи контролируемой печатной платы 10. Источник опорного напряжения 28 предназначен для задания требуемого порога срабатывания компаратора 31. Источник испытательного 27 и опорного напряжения 28 могут быть выполнены на базе регулируемого стабилизатора напряжения КР1157ЕН1. Измеритель напряжения 19 предназначен для измерения и преобразования напряжения в двоичный код, эквивалентный параметру контроля цепи. Измеритель напряжения 19 может быть выполнен на базе аналого-цифрового преобразователя AD7730 или AD7710 фирмы “ANALOG DEVICES” [6]. Блок ввода-вывода цифровых сигналов 32 предназначен для приема и передачи данных с измерительно-коммутационного модуля 1 по интерфейсным линиям связи в интерфейс с гальванической развязкой 9. Блок ввода-вывода цифровых сигналов 32 может быть выполнен на базе микроконтроллера AT90S8515 фирмы “ATMEL” [7].
Адаптер 8 предназначен для сопряжения интерфейса 7, к которому подключена микро-ЭВМ 6, и интерфейса с гальванической развязкой 9. Адаптер 8 может быть выполнен на базе адаптера PCI-485i фирмы “National Instruments” [8].
Интерфейс 7 предназначен для информационной связи микро-ЭВМ 6 с адаптером 8, 2N блоками управления перемещением 4, блоком ввода видеоизображения 5. В качестве интерфейса 7 может быть использована системная шина PCI фирмы “PCI SIG” [9].
Интерфейс с гальванической развязкой 9 предназначен для обмена информацией по гальванически развязанным линиям связи между адаптером и N измерительно-коммутационными модулями 1. В качестве интерфейса с гальванической развязкой 9 может быть использован интерфейс RS-485 или USB с оптической изоляцией [10].
Блок координатного многоосевого перемещения 3 предназначен для перемещения по осям X, Y, Z зондовой головки 2 в требуемой точке контролируемой МПП 10, зафиксированной на неподвижной рамке 11, а также для обеспечения необходимого контактного давления первого и второго подпружиненных контактов 12, 13 зондовой головки 2 на контактную площадку контролируемой МПП 10. Блок координатного многоосевого перемещения 3 может быть выполнен на планарных двигателях PF-211-75-2-3HS для перемещения по осям X, Y и линейного двигателя LCF-47-190-2-3HS для перемещения по оси Z фирмы “RUCH servomotor” [11].
Блок управления перемещением 4 предназначен для формирования сигналов управления серво- или шаговыми двигателями блока координатного многоосевого перемещения 3, позиционирующих зондовую головку 2 по осям X, Y, Z. Блок управления перемещением 4 может быть выполнен на контроллере PCI-7334 фирмы “National Instruments” [12].
Блок ввода видеоизображения 5 предназначен для ввода и преобразования видеоизображений с видеокамер 14, размещенных в 2N зондовых головках 2, в данные для передачи через интерфейс 7 в микро-ЭВМ 6.
МикроЭВМ 6 представляет собой стандартную ПЭВМ, в которую введены данные, необходимые для проведения параметрического контроля многослойных печатных плат.
Контролируемая МПП 10 предполагает двухстороннее размещение контактных площадок, представляющих совокупность переходных и монтажных отверстий, а также монтажные площадки.
Устройство для параметрического контроля многослойных печатных плат работает следующим образом.
Контролируемая МПП 10 устанавливается на неподвижную рамку 11.
2N зондовых головок 2, кинематически соединенных с соответствующими блоками координатного многоосевого перемещения 3, в исходном состоянии размещены вне контролируемой МПП 10.
Процесс контроля МПП 10 осуществляется по программе, сформированной в микро-ЭВМ 6 из исходных данных о плате. После запуска программы из микро-ЭВМ 6 через интерфейс 7 осуществляется передача данных в блоки управления перемещением 4, после чего в них формируется сигнал на включение блоков координатного многоосевого перемещения 3, кинематически соединеных с зондовыми головками 2. Каждый блок координатного многоосевого перемещения 3, кинематически соединенный с зондовой головкой 2, работает до тех пор, пока не сработает датчик положения, размещенного в соответствующем блоке управления перемещением 4 и сигнализирующего о том, что первый и второй подпружиненные контакты 12, 13 зондовой головки 2 опустились в требуемой точке подключения контролируемой МПП 10 и обеспечивают необходимое контактное давление.
После фиксации всех подпружиненных контактов 12, 13 зондовых головок 2 в заданных точках контролируемой МПП 10 осуществляется проверка качества контактирования этих подпружиненных контактов 12, 13 с контактными площадками (точками подключения) платы. Устройство осуществляет одновременную проверку качества контактирования подпружиненных контактов 12, 13 N зондовых головок 2 путем контроля прохождения стабилизированного тока через первый 12 на второй 13 подпружиненные контакты N измерительно-коммутационными модулями 1. Для чего в каждом измерительно-коммутационном модуле 1 из первой и второй группы 2N каналов выбирается канал с номером, соответствующим номеру зондовой головки 2, в которой осуществляется проверка качества контактирования подпружиненных контактов 12, 13 данным измерительно-коммутационным модулем 1. По выбранному каналу первой группы 2N каналов стабилизированный ток с источника стабилизированного тока 20 через третий аналоговый мультиплексор 23 и третий узел подключения 17 измерительно-коммутационного модуля 1 поступает на первый подпружиненный контакт 12 зондовой головки 2, а по выбранному каналу второй группы 2N каналов стабилизированный ток со второго подпружиненного контакта 13 зондовой головки 2 поступает через первый узел подключения 15, второй аналоговый ключ 30 и первый образцовый резистор 25 того же измерительно-коммутационного модуля 1 на выход операционного усилителя 24, выполняющего функцию формирователя напряжения, равного нулю. Контроль прохождения стабилизированного тока через подпружиненные контакты 12, 13 зондовой головки 2 осуществляется путем сравнения величины падения напряжения на втором аналоговом ключе 30 и первом образцовом резисторе 25 с опорным напряжением источника 28, величина напряжения которого определяется выражением:

где Icт – стабилизированный ток источника стабилизированного тока 20;
Rкл – сопротивление открытого второго аналогового ключа 30;
Rобр – сопротивление первого образцового резистора 25.
Uдоп – допустимая погрешность измерения.
При качественном контактировании подпружиненных контактов 12, 13 зондовой головки 2 абсолютная величина напряжения на втором аналоговом ключе 30 и первом образцовом резисторе 25 превышает уровень опорного напряжения источника 28, что вызывает срабатывание компаратора 31, сигнал с которого поступает на второй вход блока ввода-вывода цифровых сигналов 32 измерительно-коммутационного модуля 1 для пересылки через интерфейс с гальванической развязкой 9, адаптер 8, интерфейс 7 в микроЭВМ 6.
В случае выявления некачественного контактирования подпружиненных контактов 12,13 зондовой головки 2 блок ввода видеоизображения 5 принимает видеосигнал с видеокамеры 14 данной зондовой головки 2 и передает полученные данные через интерфейс 7 в микро-ЭВМ 6 для обработки видеоизображения и формирования данных, необходимых для управления смещением зондовой головки 2 относительно прежней точки подключения к контролируемой МПП 10. Таким образом, блок ввода видеоизображения 5 и видеокамера 14 данной зондовой головки 2 выступает в роли обратной связи для блока координатного многоосевого перемещения 3, соединенного кинематически с зондовой головкой 2, с целью обеспечения подключения первого и второго подпружиненных контактов 12, 13 данной зондовой головки 2 к требуемой контактной площадке контролируемой МПП 10.
После завершения проверки качества контактирования подпружиненных контактов 12, 13 всех зондовых головок 2 с требуемыми контактными площадками контролируемой МПП 10 устройство осуществляет одновременное измерение N сопротивлений контролируемых участков цепей, представляющих собой металлизированные отверстия и печатные проводники, путем использования четырехзондового подключения каждого измеряемого участка цепи через подпружиненные контакты 12, 13 двух зондовых головок 2 и четырехканальную линию связи с одним из N измерительно-коммутационных модулей 1, таким образом, что на первые контактные площадки каждого измеряемого участка цепи подается через первый подпружиненный контакт 12 зондовой головки 2 стабилизированный ток, формируемый источником стабилизированного тока 20 измерительно-коммутационного модуля 1, а на вторые контактные площадки измеряемых участков цепи подают нулевой потенциал с соответствующего формирователя напряжения, равного нулю, выполненного на операционном усилителе 24, работающем в режиме повторителя напряжения, равного нулю. Измерительно-коммутационные модули 1 осуществляют измерение падения напряжения одновременно на N контролируемых участках цепей МПП 10, преобразуют их в двоичный код при помощи соответствующих измерителей напряжения 19, пересылают результаты измерений через интерфейс с гальванической развязкой 9, адаптер 8, интерфейс 7 в микро-ЭВМ 6, где осуществляется их обработка и отображение результатов измерений участков цепей контролируемой МПП 10.
Выбор режима работы каждого из N измерительно-коммутационных модулей 1 и синхронизация измерений осуществляется путем передачи данных по интерфейсными линиями связи в измерительно-коммутационные модули 1 от микроЭВМ 6 через интерфейс 7, адаптер 8 и интерфейс с гальванической развязкой 9.
При одновременном измерении сопротивлений N участков цепей контролируемой МПП 10 в каждом измерительно-коммутационном модуле 1 из первой и второй группы 2N каналов выбирается по два канала с номерами, соответствующими номерам двух зондовых головок 2, осуществляющих двухзондовое подключение к каждой из двух контактных площадок одного из N измеряемых участков цепей, при этом первый, второй, третий и четвертый узлы подключения 15, 16, 17, 18 измерительно-коммутационных модулей 1 обеспечивают четырехзондовое подключения каждого измеряемого участка цепи к одному из измерительно-коммутационных модулей 1. В каждом измерительно-коммутационном модуле 1 третий аналоговый мультиплексор 23 обеспечивает подключение источника стабилизированного тока 20 через узел подключения 17 по каналу с номером, соответствующему номеру первого выбранного канала из первой группы 2N каналов, и через первый подпружиненный контакт 12 первой зондовой головки 2 к первой точке подключения измеряемого участка цепи, первый аналоговый ключ 29 обеспечивает подключение выхода операционного усилителя 24 через узел подключения 18 по каналу с номером, соответствующему номеру второго выбранного канала из первой группы 2N каналов, и через первый подпружиненный контакт 12 второй зондовой головки 2 ко второй точке подключения измеряемого участка цепи, причем второй аналоговый ключ 30 выключен, а включенный первый аналоговый ключ 29 шунтирует первый и второй образцовые резисторы 25, 26, обеспечивая необходимый режим работы операционного усилителя 24, аналоговый мультиплексор 21 обеспечивает подключение первого входа измерителя напряжения 19 через узел подключения 15 по каналу с номером, соответствующему номеру первого выбранного канала из второй группы 2N каналов, и через второй подпружиненный контакт 13 первой зондовой головки 2 к первой точке подключения измеряемого участка цепи, аналоговый мультиплексор 22 обеспечивает подключение второго входа измерителя напряжения 19 через узел подключения 16 по каналу с номером, соответствующему номеру второго выбранного канала из второй группы 2N каналов, и через второй подпружиненный контакт 13 второй зондовой головки 2 ко второй точке подключения измеряемого участка цепи, при этом определение падения напряжения на измеряемом участке цепи осуществляется путем вычитания падений напряжений, поступающих на первый и второй вход измерителя напряжения 19 и преобразования полученного напряжения в двоичный код. В этом случае окончательное определение величины сопротивления каждого из N измеряемых участков цепей МПП осуществляется путем пересылки полученного кода из соответствующего измерительно-коммутационного модуля 1 через интерфейс с гальванической развязкой 9, адаптер 8, интерфейс 7 в микроЭВМ 6 и вычислением сопротивления измеряемого участка цепи контролируемой МПП 10 из формулы:

где UR – падение напряжения на измеряемом участке цепи;
Icт – стабилизированный ток источника стабилизированного тока 20;
Rизм – сопротивление измеряемого участка цепи контролируемой МПП 10;
Uccп – напряжение синфазной составляющей помехи;
Uдсп – напряжение дифференциальной составляющей помехи.
При этом напряжение синфазной составляющей помехи Uccn благодаря дифференциальному входу измерителя напряжения 19 и напряжение дифференциальной составляющей помехи Uдсп благодаря гальванической развязке шин питания измерительно-коммутационного модуля 1 от шин питания других блоков устройства снижаются до величин, которыми можно пренебречь при вычислении сопротивления измеряемого участка цепи контролируемой МПП 10.
Бракуются участки цепи, в том числе и металлизированные отверстия, у которых омическое сопротивление превышает заданную величину, определенную для каждого конкретного участка и хранящихся в памяти микроЭВМ 6.
В режиме контроля изоляции цепей контролируемой МПП 10 устройство осуществляет одновременное измерение сопротивлений изоляции N цепей с близлежащими к ним цепями путем соответствующего подключения их через подпружиненные контакты зондовых головок 2 к N измерительно-коммутационным модулям 1 таким образом, что на контактную площадку каждого измеряемого участка цепи подается через подпружиненные контакты 12, 13 зондовой головки 2 нулевой потенциал с соответствующего формирователя напряжения, равного нулю, выполненного на операционном усилителе 24, работающем в режиме повторителя напряжения, равного нулю, а на контактную площадку участка цепи, близлежащей к измеряемому участку, подают через первый подпружиненный контакт 12 зондовой головки 2 испытательное напряжение, формируемое источником испытательного напряжения 27 измерительно-коммутационного модуля 1. Измерительно-коммутационные модули 1 осуществляют одновременное измерение токов, протекающих через N сопротивления изоляции контролируемых цепей МПП 10, путем преобразования их на образцовых резисторах в напряжение, которое затем преобразуют в двоичный код при помощи соответствующих измерителей напряжения 19, пересылают результаты измерений через интерфейс с гальванической развязкой 9, адаптер 8, интерфейс 7 в микро-ЭВМ 6, где осуществляется их обработка и отображение результатов измерений сопротивлений изоляции цепей контролируемой МПП 10.
При одновременном измерении сопротивлений изоляции N цепей с близлежащими к ним цепями контролируемой МПП 10 в каждом измерительно-коммутационном модуле 1 первый, третий и четвертый узлы подключения 15, 17, 18 обеспечивают трехзондовое подключение каждого измеряемого сопротивления изоляции к одному из измерительно-коммутационных модулей 1. В каждом измерительно-коммутационном модуле 1 выход операционного усилителя 24 подключен через первый и второй образцовые резисторы, узел подключения 18 и через первый подпружиненный контакт 12 второй зондовой головки 2 к точке подключения контролируемой цепи, причем первый и второй аналоговые ключи 29, 30 выключены, обеспечивая необходимый режим работы операционного усилителя 24, инверсный вход которого подключен через узел подключения 15 и второй подпружиненный контакт 13 первой зондовой головки 2 к той же точке подключения контролируемой цепи, формируя в этой точке подключения напряжение, равное нулю, а третий аналоговый мультиплексор 23 обеспечивает подключение источника испытательного напряжения 27 через узел подключения 17 и первый подпружиненный контакт 12 второй зондовой головки 2 к точке подключения близлежащей цепи, вторые входы аналоговых мультиплексоров 21, 22 обеспечивают подключение первого и второго входа измерителя напряжения 19 к первому и второму образцовым резисторам 25, 26, при этом определение падения напряжения на них осуществляется путем вычитания падений напряжений, поступающих на первый и второй вход измерителя напряжения 19 и преобразования полученного напряжения в двоичный код. В этом случае окончательное определение величины сопротивления изоляции каждого из N измеряемых цепей МПП осуществляется путем пересылки полученного кода из соответствующего измерительно-коммутационного модуля 1 через интерфейс с гальванической развязкой 9, адаптер 8, интерфейс 7 в микроЭВМ 6 и вычислением сопротивления изоляции цепи контролируемой МПП 10 из формулы:

где Iизм – измеряемый ток, пртекающий через контролируемое сопротивление изоляции цепи;
Uисп – напряжение источника испытательного напряжения 27;
Rизол – измеряемое сопротивление изоляции цепи контролируемой МПП 10;
Rкл – сопротивление открытых каналов третьего аналогового мультиплексора 23 и третьего узла подключения 17;
Iп – ток помехи в шинах питания.
Ток помехи In благодаря гальванической развязке шин питания измерительно-коммутационного модуля 1 от шин питания других блоков устройства снижается до величины, которой можно пренебречь при вычислении сопротивления изоляции цепи контролируемой МПП 10. Так же можно пренебречь величиной сопротивления Rкл открытых каналов третьего аналогового мультиплексора 23 и третьего узла подключения 17, которое значительно меньше величины измеряемого сопротивления изоляции Rизол.
Бракуются цепи, у которых сопротивление изоляции меньше заданной величины, установленной для всех цепей контролируемой МПП 10 и хранящейся в памяти микро-ЭВМ 6.
В качестве аналоговых мультиплексоров и узлов подключения в измерительно-коммутационных модулях 1 могут использоваться аналоговые мультиплексоры и ключи 590 серии.
Предложенное устройство для параметрического контроля многослойных печатных плат обеспечивает проверку качества контактирования подпружиненных контактов каждой зондовой головки к контактной площадке контролируемой цепи, обработку видеоизображения участка топологии платы в месте, где отсутствует контактирование у зондовой головки, и корректировку ее местоположения для достижения необходимого качества контактирования, а также обеспечивает снижение влияния помех в шинах питания на результаты измерений, что повышает достоверность контроля МПП, кроме того устройство обеспечивает проведение параметрического контроля МПП, в том числе измерений сопротивлений изоляции цепей, всех металлизированных отверстий и электрических соединений как на внутренних слоях, так и между монтажными площадками на наружних слоях контролируемой МПП, и сравнение измеренных сопротивлений контролируемых участков цепей с заданными величинами (эталонными значениями), определенных для каждого конкретного сопротивления участка цепи, что решает задачу расширения функциональных возможностей.
Источники информации
1. Антонов О.В., Алексеев Ю.И., Воробьев П.Т. и Ермаков Ю.В. Устройство для контроля межслойных переходов печатной платы, А.с. СССР №947793, кл. G 01 R 31/28, заявл. 12.12.1980, опубл. 30.07.1982, Бюл. №28.
2. Карпов С.В., Потин С.Н., Гусынин М.В., Способ измерения сопротивлений проводников многослойных печатных плат и устройство для его осуществления, Патент РФ №2144198, кл. G 01 R 27/00, 27/14, заявл. 29.12.1998, опубл. 10.01.2000, Бюл. №1 – прототип способа.
3. Журнал “Системы безопасности, связи и телекоммуникаций”, №3/2002, часть 2, “CCTV. Каталог” – М: “Гротек”, 2002 г., стр.31.
4. Справочник “Интегральные микросхемы: Микросхемы для аналого-цифрового преобразования и средств мультимедиа.” Выпуск 1-М. ДОДЭКА, 1996 г., стр.327-333.
5. Гутников В. С. Интегральная электроника в измерительных устройствах. – 2-е изд., перераб. и доп. – Л.: Энергоатомиздат. Ленингр. отделение, 1988, стр.69-74.
6. Справочник “Интегральные микросхемы: Микросхемы для аналого-цифрового преобразования и средств мультимедиа.” Выпуск 1-М. ДОДЭКА, 1996 г., стр.131-156.
7. Каталог фирмы “Atmel Corporation”, США, 2000 г., раздел “AVR 8-Bit RISC-Data Sheets”.
8. Каталог 2003. “Measurement and automation” фирмы “National Instruments”, США, 2003 г., стр.704-705.
9. Гук М. Аппаратные средства IBM PC. Энциклопедия, 2-е изд. – Спб. Литер, 2003 г., стр.715.
10. Гук М. Аппаратные средства IBM PC. Энциклопедия, 2-е изд. – Спб. Литер, 2003 г., раздел “Последовательные интерфейсы”.
11. Каталог фирмы “СП Рухсервомотор”, Республика Беларусь, 2003 г., раздел “Планарные сервомоторы” и “Z-моторы”.
12. Каталог 2003. “Measurement and automation” фирмы “National Instruments”, США, 2003 г., стр.625-626.
Формула изобретения
Устройство для параметрического контроля многослойных печатных плат (MПП), содержащее микроЭВМ, интерфейс, адаптер, N измерительно-коммутационных модулей, где N=2, 3, …, каждый из которых содержит первый, второй, третий и четвертый узлы подключения, выполненные на 2N-канальных аналоговых мультиплексорах, измеритель напряжения, источник стабилизированного тока, вход которого подключен к общей шине, первый, второй и третий аналоговые мультиплексоры, операционный усилитель для формирования напряжения, равного нулю, прямой вход которого подключен к общей шине, а инверсный вход соединен с выходом первого узла подключения, при этом выходы первого и второго узлов подключения соединены с первыми входами соответствующих аналоговых мультиплексоров, выходы которых соответственно соединены с первым и вторым входами измерителя напряжения, выход источника стабилизированного тока подключен к первому входу третьего аналогового мультиплексора, выход которого соединен с выходом третьего узла подключения, входы-выходы адаптера подключены к интерфейсу, входы-выходы которого соединены с микроЭВМ, отличающееся тем, что введены 4, 5,…, 2N зондовые головки, 4, 5…, 2N блоков координатного многоосевого перемещения, 4, 5,… 2N блоков управления перемещением, блок ввода видеоизображения, интерфейс с гальванической развязкой, при этом каждая из 2N зондовых головок, состоящая из первого и второго подпружиненных контактов, а также видеокамеры, соединены кинематически с соответствующим блоком координатного многоосевого перемещения, обеспечивающего подключение первого и второго подпружиненного контактов данной зондовой головки к требуемой контактной площадке контролируемой МПП, зафиксированной на неподвижной рамке, входы-выходы 4, 5,…, 2N блоков управления перемещением и блока ввода видеоизображения подключены к интерфейсу, выход каждого из 2N блоков управления перемещением соединен с входом соответствующего блока координатного многоосевого перемещения, в каждый из N измерительно-коммутационных модулей введены первый и второй образцовые резисторы, источник испытательного напряжения, источник опорного напряжения, первый и второй аналоговые ключи, компаратор, блок ввода-вывода цифровых сигналов, интерфейсные линии связи которого являются интерфейсными линиями связи измерительно-коммутационного модуля, входы источника испытательного и опорного напряжения подключены к общей шине, выход измерителя напряжения подключен к первому входу блока ввода-вывода цифровых сигналов, второй вход которого подключен к выходу компаратора, прямой вход компаратора соединен с выходом источника опорного напряжения, а инверсный вход соединен с выходом операционного усилителя, первой ножкой первого образцового резистора, первым выводом первого аналогового ключа и вторым входом второго аналогового мультиплексора, вторая ножка первого образцового резистора и первая ножка второго образцового резистора подключены к первому выводу второго аналогового ключа, второй вывод которого подключен к инверсному входу операционного усилителя, выход четвертого узла подключения, вторая ножка второго образцового резистора, второй вывод первого аналогового ключа и второй вход первого аналогового мультиплексора соединены между собой, управляющие входы первого, второго, третьего и четвертого узлов подключения, первого и второго аналогового ключа, третьего аналогового мультиплексора, измерителя напряжения, а также объединенные управляющие входы первого и второго аналоговых мультиплексоров образуют шину сигналов управления, которая подключена к выходам блока ввода-вывода цифровых сигналов, каждый из 2N каналов первого и второго узлов подключения соответственно соединены между собой и объединены в первую группу 2N каналов измерительно-коммутационного модуля, каждый из 2N каналов третьего и четвертого узлов подключения соответственно соединены между собой и объединены во вторую группу 2N каналов измерительно-коммутационного модуля, каждый из 2N каналов первой группы всех N измерительно-коммутационных модулей соединены между собой и подключены к первому подпружиненному контакту соответствующей зондовой головки, каждый из 2N каналов второй группы всех N измерительно-коммутационных модулей соединены между собой и подключены ко второму подпружиненному контакту соответствующей зондовой головки, выход видеокамеры каждой из 2N зондовых головок подключен к соответствующему входу блока ввода видеоизображения, интерфейсные линии связи каждого из N измерительно-коммутационных модулей и адаптера подключены к интерфейсу с гальванической развязкой.
РИСУНКИ
|
|