|
|
(21), (22) Заявка: 2004117028/28, 04.06.2004
(24) Дата начала отсчета срока действия патента:
04.06.2004
(45) Опубликовано: 10.07.2005
(56) Список документов, цитированных в отчете о поиске:
RU 2127887 C1, 20.03.1999. DE4119885.07.01.1993. ШВАБ А. Измерения на высоком напряжении. – М.: Энергия, 1973, с.156 – 157.
Адрес для переписки:
432027, г.Ульяновск, ул. Северный Венец, 32, ГОУ ВПО “Ульяновский государственный технический университет”, Проректору по научной работе
|
(72) Автор(ы):
Казаков М.К. (RU), Крамаренко С.В. (RU), Казаков Н.М. (RU)
(73) Патентообладатель(и):
Ульяновский государственный технический университет (RU)
|
(54) ИЗМЕРИТЕЛЬНЫЙ ПРЕОБРАЗОВАТЕЛЬ ПЕРЕМЕННОГО ТОКА
(57) Реферат:
Измеритель предназначен для измерения переменных токов в электроэнергетике. Измеритель содержит пояс Роговского, два коммутирующих блока, интегратор на операционном усилителе, генератор прямоугольных импульсов, блок управления. Коммутаторы синхронно переключают зажимы обмотки пояса Роговского и обкладки интегрирующего конденсатора. Блок управления задает порядок переключения коммутирующих блоков. Блок управления позволяет устранить смещение нулевой линии интегратора, вызванное неравенством полупериодов прямоугольных импульсов генератора. 1 з.п. ф-лы, 2 ил.

Изобретение относится к области электрических измерений, в частности к измерению переменных токов в электроэнергетике.
Известны трансформаторы тока для преобразования больших токов в стандартные вторичные токи 1 или 5 А.
Недостатками таких устройств является снижение точности преобразования тока, что связано, в частности, с нелинейной характеристикой кривой намагничивания. Кроме этого, значение выходного тока не согласовано с входными параметрами современных измерительных электронных устройств, в которых достаточными являются сигналы по току до 5-10 мА.
Известны также преобразователи тока на основе пояса Роговского и пассивного интегратора (Шваб А. Измерения на высоком напряжении. – М.: Энергия, 1973, стр.156-157). Недостатком таких устройств является снижение точности преобразования из-за погрешности интегрирования и отбора мощности от пояса.
Наиболее близким по технической сущности к заявляемому является измерительный преобразователь на основе пояса Роговского и активного интегратора на операционном усилителе (ОУ) с переключением обкладок интегрирующего конденсатора (см. патент РФ 2127887, G 01 R 19/04), который выбран в качестве прототипа. Для снижения погрешности интегрирования напряжения смещения и входных токов (паразитных параметров) ОУ процесс интегрирования разбивается на такты, в которых производится переключение обкладок конденсатора и зажимов обмотки пояса с помощью двух коммутирующих блоков. В итоге, результаты интегрирования входного (полезного) сигнала в каждом такте складываются, а результаты интегрирования паразитных сигналов вычитаются.
Недостатком прототипа является неполное устранение погрешности от интегрирования паразитных параметров ОУ вследствие нестабильности длительностей тактов, на которые разбивается процесс интегрирования, что определяется неидеальностью используемого генератора прямоугольных импульсов.
Технический результат – повышение точности преобразования тока за счет снижения погрешности от интегрирования входных токов и напряжения смещения используемого ОУ.
Указанный технический результат при осуществлении предлагаемого изобретения достигается тем, что в известном устройстве особенность заключается в том, что в него введен блок управления, включающий в себя делитель частоты прямоугольных импульсов, два логических элемента И, а также логический элемент ИЛИ, причем вход делителя частоты подключен к выходу генератора прямоугольных импульсов, который соединен также с одним из входов первого элемента И, другой вход которого соединен с прямым выходом делителя частоты, один вход второго логического элемента И соединен с инвертирующим выходом этого делителя, а другой – с выходом логического инвертора, выходы первого и второго логических элементов И соединены с входами логического элемента ИЛИ, выход которого, являющийся выходом блока управления, подключен к входам управления первого и второго коммутирующих блоков.
Отличительной особенностью заявляемого решения является также выбор коэффициента деления делителя частоты в виде четного числа.
Проведенный анализ уровня техники позволил установить, что заявителем не обнаружено аналога, характеризующегося признаками, тождественными всем признакам заявленного изобретения. Определение из перечня аналогов прототипа, как наиболее близкого по совокупности признаков аналога, позволило выявить совокупность существенных по отношению к усматриваемому заявителем техническому результату отличительных признаков в заявленном способе, изложенных в формуле изобретения. Следовательно, заявляемое изобретение соответствует условию “новизна”.
Для проверки соответствия заявленного изобретения условию “изобретательский уровень” заявитель провел дополнительный поиск известных решений, чтобы выявить признаки, совпадающие с отличительными от прототипа признаками заявленного способа. Результаты поиска показали, что заявленное изобретение не вытекает для специалиста явным образом из известного уровня техники. Следовательно, заявленное изобретение соответствует условию “изобретательский уровень”.
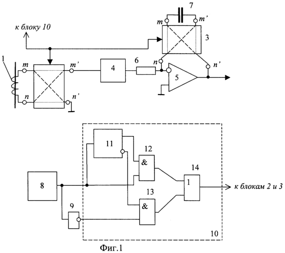
Сущность изобретения поясняется фиг.1 и 2. На фиг.1 изображена схема устройства, фиг.2 поясняет работу устройства.
Устройство содержит (фиг.1): источник сигнала в виде вторичной обмотки пояса Роговского 1; первый 2 и второй 3 коммутирующие блоки; повторитель напряжения 4; операционный усилитель (ОУ) 5; резистор 6; интегрирующий конденсатор 7; генератор прямоугольных импульсов (ГПИ) 8; логический инвертор 9; блок управления 10, включающий делитель частоты прямоугольных импульсов 11, первый 12 и второй 13 логические элементы И, логический элемент ИЛИ 14.
Работа устройства заключается в следующем. Пояс Роговского охватывает шины с измеряемым током. ГПИ 8 генерирует напряжение прямоугольной формы u8, имеющее период Т (фиг.2а), причем, в течение различных полупериодов этого напряжения входные зажимы m и n первого 2 и второго 3 коммутирующих блоков соединяются соответственно к их же выходным клеммам m1 и n1 по сигналу, снимаемому с выхода блока управления 10 (а конкретно при сигнале логической “1”), что можно обозначить следующим образом:

В течение другого полупериода напряжения ГПИ 8 вход m блоков 2 и 3 соединяется с выходом n1, а вход n – с выходом m1, что можно обозначить, как:

Таким образом, полезное напряжение с обмотки 1 пояса Роговского подается через повторитель напряжения 4 на интегратор (включающий ОУ 5, резистор 6 и интегрирующий конденсатор 7) с изменением полярности, причем синхронно изменяется также полярность подключения интегрирующего конденсатора. В итоге, изменения знака интегрирования полезного напряжения в течение всего времени Т не происходит. Что касается паразитных факторов (входной ток и напряжение смещения используемого в интеграторе ОУ), то знаки интегрирования для них в течение разных полупериодов напряжения ГПИ 8 различны: происходит их вычитание за время Т, поэтому смещение нулевого уровня интегратора уменьшается.
Отметим, что использование интегратора необходимо для восстановления прямо пропорциональной зависимости его выходного напряжения, являющегося выходным напряжением устройства, от измеряемого тока, поскольку выходное напряжение пояса пропорционально производной тока.
В отличие от вышеописанного, алгоритм коммутации блоков 2 и 3 в прототипе иной:


т.е. коммутация осуществляется непосредственно по сигналам с выхода ГПИ 8, поэтому полному устранению смещения нулевого уровня мешает возможное на практике неравенство полупериодов Ti и Ti+1 (например T1 и Т2 (фиг.2а)), что приводит к неполной компенсации паразитного напряжения на выходе интегратора (из-за различных длительностей сигналов логических “1” и “0”).
Для устранения этого недостатка выходное напряжение ГПИ 8 подается на блок управления 10, а конкретно – на делитель частоты 11, коэффициент деления k которого выбирается в виде четного числа. На фиг.2в показано его выходное напряжение при k=2. На фиг.2б показано выходное напряжение логического инвертора 9. На входы первого логического элемента И 12 подаются напряжения с выхода ГПИ 8 (фиг.2а) и с прямого выхода делителя 11 (фиг.2в), а выходное напряжение этого элемента показано на фиг.2д. На входы второго логического элемента И 13 подаются напряжения с выхода инвертора 9 (фиг.2б) и с инверсного выхода делителя 11 (фиг.2г), а выходное напряжение этого элемента показано на фиг.2е. Выходные напряжения элементов 12 и 13 суммируются с помощью логического элемента ИЛИ 14, выходное напряжение которого в виде сигналов логических “1” и “0” показано на фиг.2ж. Эти сигналы подаются на входы управления коммутирующих блоков 2 и 3, для осуществления их коммутации в соответствии с алгоритмами (1) и (2), которые отличаются от алгоритмов (3) и (4) разным чередованием логических “1” и “0” (1-0; 0-1; 1-0 и т.д. (фиг.2е)) в каждом такте, соответствующем периоду Т напряжения ГПИ 8. Отметим, что для прототипа имеет место одинаковое чередование логических сигналов (1-0; 1-0; 1-0 и т.д. (фиг.2а)).
В итоге, за два такта работы даже при разных длительностях полупериодов Ti и Ti+1 суммарная длительность сигналов, соответствующих логическим “1” и “0”, будет одинаковой, что, в свою очередь, будет способствовать снижению погрешности от интегрирования входных токов и напряжения смещения используемого ОУ.
Таким образом, средство, воплощающее заявленное изобретение при его осуществлении, способно обеспечить достижение усматриваемого заявителем технического результата, заключающегося в повышении точности преобразования тока за счет снижения указанной погрешности. Следовательно, заявленное изобретение соответствует условию “промышленная применимость”.
Формула изобретения
1. Измерительный преобразователь переменного тока, содержащий пояс Роговского с обмоткой на неферромагнитном каркасе, операционный усилитель (ОУ), резистор, интегрирующий конденсатор, повторитель напряжения, первый и второй коммутирующие блоки, генератор прямоугольных импульсов, логический инвертор, причем обмотка пояса Роговского подключена к первому коммутирующему блоку, один выход которого заземлен, а второй через повторитель напряжения и резистор соединен с инвертирующим входом ОУ, неинвертирующий вход которого заземлен, инвертирующий вход и выход ОУ, являющийся выходом преобразователя, подключены ко второму коммутирующему блоку, а к выходным зажимам последнего подсоединен интегрирующий конденсатор, выход генератора прямоугольных импульсов подключен к логическому инвертору, отличающийся тем, что в него введен блок управления, включающий в себя делитель частоты прямоугольных импульсов, два логических элемента И, а также логический элемент ИЛИ, причем вход делителя частоты подключен к выходу генератора прямоугольных импульсов, который соединен также с одним из входов первого элемента И, другой вход которого соединен с прямым выходом делителя частоты, один вход второго логического элемента И соединен с инвертирующим выходом этого делителя, а другой – с выходом логического инвертора, выходы первого и второго логических элементов И соединены с входами логического элемента ИЛИ, выход которого, являющийся выходом блока управления, подключен к входам управления первого и второго коммутирующих блоков.
2. Измерительный преобразователь переменного тока по п.1, отличающийся тем, что коэффициент деления делителя частоты прямоугольных импульсов выбирается четным.
РИСУНКИ
MM4A – Досрочное прекращение действия патента СССР или патента Российской Федерации на изобретение из-за неуплаты в установленный срок пошлины за поддержание патента в силе
Дата прекращения действия патента: 05.06.2006
Извещение опубликовано: 20.11.2007 БИ: 32/2007
|
|