|
|
(21), (22) Заявка: 2004126389/02, 30.08.2004
(24) Дата начала отсчета срока действия патента:
30.08.2004
(45) Опубликовано: 10.07.2005
(56) Список документов, цитированных в отчете о поиске:
Описание подлодочной акустико-индукционной донной мины МДТ. М.: Воениздат МО СССР, 1955, с.16-20. US 3111089 А, 19.11.1963. US 3111901 А, 26.11.1963.
Адрес для переписки:
188662, Ленинградская обл., Всеволожский р-н, пос. Мурино, ул. Лесная, 3, ФГУП “НИИ “ПОИСК”, начальнику отдела В.Н. Жилину
|
(72) Автор(ы):
Андреев В.В. (RU), Егоренков Л.С. (RU), Киселев В.И. (RU), Кескинов А.Я. (RU), Платонов Н.А. (RU), Смирнов А.П. (RU), Селезнев Д.В. (RU)
(73) Патентообладатель(и):
Федеральное государственное унитарное предприятие “Научно-исследовательский институт “ПОИСК” (RU)
|
(54) ЗАПАЛЬНОЕ УСТРОЙСТВО ДЛЯ МОРСКИХ МИН
(57) Реферат:
Изобретение относится к запальным устройствам для морских мин. Запальное устройство содержит исполнительно-детонационную цепь, включающую боевой электровоспламенитель и детонатор, и соединитель, обеспечивающий связь по электрический цепи устройства с прибором управления действием мины, при этом устройство заключено в защитный корпус из электропроводного материала и в него дополнительно введены микропереключатель и кинематически связанные с его штоком подпружиненные сигнальный и блокирующий стопоры, а также движок с капсюлем-детонатором, передаточный заряд, защитный электрический контур в виде LC-фильтров, пусковые электровоспламенитель и стопор, связанный кинематически с движком, причем передний торец движка имеет выступ со стороны блокирующего стопора. Капсюль-детонатор в движке смещен относительно передаточного заряда, расположенного над детонатором, а выводы боевого электровоспламенителя, установленного в движке, размещены напротив контактов микропереключателя. Защитный электрический контур соединен с соединителем последовательно, причем его выходная электрическая цепь разомкнута, а входная электрическая цепь пускового электровоспламенителя замкнута через контакты микропереключателя. Техническим результатом изобретения является повышение безопасности и помехозащищенности запального устройства для морских мин. 2 з.п. ф-лы, 1 ил.

Изобретение относится к военной технике, в частности к запальным устройствам для морских мин.
Ужесточение условий эксплуатации морских мин, в частности, резкое изменение электромагнитной обстановки (расширение частотного диапазона и мощности излучаемых электромагнитных полей), результаты испытаний подобных запальных устройств по токам наводки в боевой цепи при электромагнитных воздействиях, а также общая проблема в боеприпасной отрасли, связанная с созданием взрывателей, взрывательных устройств, средств инициирования, запальных и других устройств пониженного риска, ставят задачу создания запальных устройств повышенной безопасности и помехозащищенности для мин в условиях воздействия интенсивных электромагнитных помех и других экстремальных внешних воздействий. Запальное устройство должно обладать, во-первых, способностью быть защищенным от воздействия мощных электромагнитных излучений на всем этапе эксплуатации ЗУ как до установки, так и после установки ЗУ в мину, во-вторых, обеспечивать безопасность объекта даже при несанкционированном срабатывании наиболее опасных огневых элементов запального устройства, содержащих инициирующие взрывчатые вещества (электровоспламенители и электродетонаторы, капсюли-детонаторы), в-третьих, исключить возможность постановки ЗУ в объект (мину) при несанкционированных нарушениях в конструкции ЗУ в процессе служебного обращения с этим устройством. Особенностью эксплуатации морского минного оружия и, в частности ЗУ к минам, является то, что задача взведения и управления ЗУ может быть решена только за счет регулирования отдельных устройств ЗУ при поступлении соответствующих команд или одной команды от прибора управления действием мины. Эти команды могут быть сформированы различными датчиками и устройствами аппаратуры управления миной, обеспечивающими контроль взаимоположения мины и цели, а также параметры движения цели (скорости, расстояния, угол подхода цели, число проходов цели и другие) и характер цели (надводный корабль, подводная лодка, торпеда и другие объекты), например, таким устройством может быть прибор кратности.
Известны электрические инициирующие элементы, описанные в патентах США №2887056 (опубликован 19.05.1959, С1, 102/216, С1. 102-70.2), №3111089 (опубл. 21.11.1963, C1, 102/216, C1. 102-70.2), №3111901 (опубл. 26.11.1963, C1. 102/216, C1, 102-70.2), №3372642 (опубл. 12.03.1968, C1, 102/216, C1, 102-70.2). Эти устройства состоят из источника электрической энергии, электрического инициатора, содержащего чувствительное к нагреву взрывчатое вещество, и контактной системы, подключающей инициатор к источнику энергии при непосредственном взаимодействии снаряда (мины) с объектом (целью). Основное различие устройств, представленных в этих патентах, состоит в конструктивном исполнении контактной системы, кроме того, в патентах №3111089 и №3111901 последовательно с электрическим инициатором включен газовый разрядник, который совместно с контактной системой образуют в исходном положении замкнутый контур, а при встрече с целью инициатор подключается к источнику энергии.
Признаками, общими с заявляемым изобретением, является наличие электрического инициатора, соединителя, обеспечивающего связь инициатора с источником энергии и с контактной системой (в заявляемом изобретении с прибором управления действием мины). Эти элементы непосредственно расположены в устройствах и не решают задач, связанных с обеспечением требований безопасности и помехозащищенности в условиях воздействия мощных электромагнитных излучений; несанкционированное срабатывание инициатора в подобных устройствах приводит к подрыву снарядов (ракет, мин).
Наиболее близким к предлагаемому запальному устройству для морских мин является запальное устройство подлодочной акустико-индукционной донной мины МДТ (Описание подлодочной акустико-индукционной донной мины МДТ. – М.: Воениздат МО СССР, 1955, стр.16-20), имеющее первичный детонатор – запальный патрон, вторичный детонатор – запальный стакан с дополнительным детонатором и соединитель. ЗУ имеет электрическую связь с прибором управления действием мины (прибором кратности). Срабатывание данного запального устройства осуществляется при поступлении от прибора кратности соответствующей электрической команды. Наличие в запальном патроне электрического запала накаливания, состоящего из капсюля-детонатора и заготовки воспламенителя, которые в свою очередь содержат высокочувствительные инициирующие вещества (азид свинца и тринитрорезорцинат свинца) в капсюле-детонаторе и мостик накаливания с зажигательным составом в заготовке воспламенителя не исключает возможности преждевременного срабатывания этих элементов как при различных механических, тепловых и электромагнитных воздействиях в служебном обращении, так и в условиях боевого применения. Механические воздействия на ЗУ возможны в служебном обращении при перевозках данных ЗУ различными видами транспорта, возможных падений ЗУ на различные преграды, удары при постановке мины в воду; в условиях боевого применения интенсивные механические воздействия возможны при соседнем надводном или подводном взрыве. Тепловые воздействия высокой интенсивности возможны в результате пожара как в условиях складского хранения, при перевозках, так и на кораблях. Особую опасность для изделий типа ЗУ на основе запала накаливания, как показали результаты испытаний подобных устройств по токам наводки в боевой цепи накаливания, представляют электромагнитные воздействия, уровень которых и частотный диапазон в настоящее время существенно увеличился и расширился в связи с резким изменением электромагнитной обстановки и увеличением мощности излучаемых электромагнитных полей на флоте.
Задачей данного технического решения является создание запального устройства для морских мин, обладающего повышенной безопасностью и помехозащищенностью в условиях воздействия электромагнитных помех и других экстремальных внешних воздействиях (механических, тепловых).
К причинам, препятствующим достижению указанного ниже технического результата при использовании известного устройства, принятого за прототип, являются, отсутствие изоляции наиболее опасных элементов (заготовки воспламенителя т капсюля-детонатора) исполнительно-детонационной цепи, содержащих инициирующие взрывчатые вещества, и как следствие, отсутствие в ЗУ элементов блокировки, исключающих возможность стыковки соединителя с ЗУ при наличии в ЗУ несанкционированного преждевременного взведения исполнительно-детонационной цепи (взведенного движка с капсюлем-детонатором), а также отсутствие элементов защиты электрической цепи ЗУ. Непосредственная электрическая связь между соединителем и мостиком накаливания заготовки воспламенителя делает устройство по прототипу особенно уязвленным к электромагнитным воздействиям, а отсутствие изоляции заготовки воспламенителя и капсюля-детонатора от последующих элементов детонационной цепи ЗУ к механическим и тепловым воздействиям.
Общими признаками предлагаемого изобретения с устройством, выбранным в качестве прототипа является наличие в исполнительно-детонационной цепи боевого электровоспламенителя (или запала накаливания) и детонатора, а также наличие в запальном устройстве для морских мин соединителя ЗУ, связующего это устройство с прибором управления действием мины (прибор кратности) по электрической цепи.
Сущность заявляемого изобретения заключается в том, что запальное устройство для морских мин, содержащее исполнительно-детонационную цепь, включающую боевой электровоспламенитель и детонатор, и соединитель, связывающий это устройство с прибором управления действием мины (прибором кратности) по электрической цепи, дополнительно заключено в защитный корпус из электропроводного материала и в него введены микропереключатель и кинематически связанные со штоком микропереключателя подпружиненные сигнальный и блокирующий стопоры, что в совокупности составляет блокировочное устройство, исключающее возможность стыковки соединителя с ЗУ при наличии несанкционированного преждевременного взведения исполнительно-детонационной цепи (взведенного движка с капсюлем-детонатором), а также движок с капсюлем-детонатором, передаточный заряд, смещенный относительно капсюля-детонатора на безопасное расстояние и расположенный непосредственно над детонатором, выводы боевого электровоспламенителя, установленного в движке, размещены напротив контактов микропереключателя, защитный электрический контур в виде LC-фильтров, пусковые электровоспламенитель и стопор, кинематически связанный с движком, причем передний торец движка имеет выступ со стороны блокирующего стопора, кроме того, защитный электрический контур соединен с соединителем последовательно, причем выходная цепь контура электрически разомкнута, а входная электрическая цепь пускового электровоспламенителя замкнута через контакты микропереключателя.
Запальное устройство представляет собой моноблок и все устройства и механизмы его размещаются во втулках, соединенных между собой винтами и металлическим кожухом. Герметичность изделия обеспечивается уплотнительными прокладками.
Технический результат, достигаемый при осуществлении изобретения, выражается в создании класса морских мин повышенной безопасности и пониженного риска, применяемых против различных типов целей, безопасных в ужесточенных условиях эксплуатации, в частности резкого изменения электромагнитной обстановки.
Технический результат обеспечивается путем защиты ЗУ от воздействия мощных электромагнитных излучений на всем этапе эксплуатации ЗУ как до установки, так и после установки ЗУ в мину, обеспечением безопасности объекта даже при несанкционированном срабатывании наиболее опасных огневых элементов запального устройства, содержащих инициирующие взрывчатые вещества (электровоспламенители и электродетонаторы, капсюли-детонаторы), исключением возможности постановки ЗУ в мину при несанкционированных нарушениях в конструкции ЗУ в процессе служебного обращения с этим устройством.
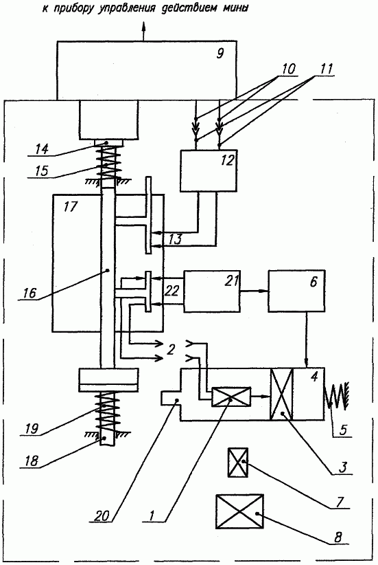
Устройство предлагаемого технического решения поясняется чертежом, где представлена электрокинематическая схема запального устройства.
Исполнительно-детонационная цепь ЗУ включает боевой электровоспламенитель 1 с контактами 2 и капсюль-детонатор 3, расположенные в движке 4, причем движок находится под воздействием пружины 5, а удерживается в исходном положении пусковым стопором 6. В состав исполнительно-детонационной цепи также входят передаточный заряд 7 и детонатор 8. Капсюль-детонатор 3 и передаточный заряд 7 смещены в исходном положении относительно друг друга на расстояние, обеспечивающее несрабатывание передаточного заряда при несанкционированном срабатывании капсюля-детонатора 3.
Для подключения запального устройства к прибору управления действием мины служит соединитель 9, имеющий вилку 10, а напротив этих элементов в ЗУ расположены гнезда 11, электрически связанные с защитным электрическим контуром в виде LC-фильтров 12 с выходными контактами 13, и сигнальный стопор 14 с пружиной 15, упирающийся в шток 16 микропереключателя 17. Другим концом шток 16 микропереключателя 17 упирается в блокирующий стопор 18 с пружиной 19. Сигнальный стопор 14, шток 16 микропереключателя 17, блокирующий стопор 18 совместно с выступом 20 на движке 4 составляют блокирующее устройство данного ЗУ.
Для освобождения пускового стопора 6 служит пусковой электровоспламенитель 21, электрическая цепь которого в исходном положении замкнута контактами 22 микропереключателя 17.
В исходном положении изделия до установки его в мину и стыковки соединителя 9 с запальным устройством электрические цепи приборов управления действием мины отключены от гнезд 11, цепи пускового электровоспламенителя 21 зашунтированы контактами 22 микропереключателя 17, а боевого электровоспламенителя 1 резистором, расположенным в движке 4 (резистор на электрокинематической схеме не указан).
Действие ЗУ состоит из двух этапов: установка ЗУ в мину и непосредственно действие устройства.
При установке запального устройства в запальный стакан мины и подключении соединителя 9 происходит снятие шунтирования за счет поджатия сигнального стопора 14 и, следовательно, штока 16 микропереключателя 17, который при стыковке соединителя опускается вниз, при этом контакты микропереключателя 22 размыкаются и пусковой электровоспламенитель 21 подключается через микропереключатель 17 к выходным контактам 13 защитного электрического контура 12.
Таким образом, происходит подключение пускового электровоспламенителя к электрической схеме приборов управления действием мины. Следует отметить, что в момент касания вилки 10 соединителя запального устройства гнезд 11 электрическая цепь пускового электровоспламенителя 21 еще зашунтирована контактами 22 микропереключателя 17. Этим достигается дополнительная защита изделия от воздействия электромагнитных полей.
Снятие шунтирования происходит только после полного оседания сигнального стопора 14, при котором переключаются контакты микропереключателя. Это происходит при полной стыковке соединителя 9 с запальным устройством.
Действие изделия заключается в том, что при подаче на гнезда 11 электрического импульса любой полярности силой тока не менее 0,15 А, длительностью не менее 0,25 с (напряжение на контактах вилки соединителя в пределах 1,9-25,0 В) срабатывает пусковой электровоспламенитель 21, под давлением газов которого перемещается пусковой стопор 6, освобождая при этом движок 4. Движок 4 под действием силы сжатой пружины 5 перемещается во взведенное положение, при котором продольные оси капсюля-детонатора 3, передаточного заряда 7 и детонатора 8 совмещаются, то есть ЗУ взводится по огневой цепи. При перемещении движка 4 происходит замыкание контактов 2 и подключение боевого электровоспламенителя 1 к защитному электрическому контуру 12. Электрический импульс от прибора управления действием мины, поданный на гнезда 12, поступит на боевой электровоспламенитель 1, срабатывание которого вызовет срабатывание всей исполнительно-детонационной цепи ЗУ (капсюля-детонатора 3, передаточного заряда 7 и детонатора 8) и детонацию взрывчатого вещества запального стакана объекта.
При несанкционированном перемещении движка 4 при эксплуатации в боевое положение движок своим выступом 20 займет положение на пути штока 16 микропереключателя 17 и не даст возможности перемещению штока микропереключателя и сигнального стопора 14 при стыковке соединителя 9 с ЗУ. При проверке или установке такого изделия из-за отсутствия перемещения сигнального стопора 14 установка ЗУ в запальный стакан становится невозможной, изделие остается безопасным и его функционирование исключается.
Высокая надежность и безопасность данного запального устройства подтверждена многочисленными лабораторными и натурными испытаниями.
Формула изобретения
1. Запальное устройство для морских мин, содержащее исполнительно-детонационную цепь, включающую боевой электровоспламенитель и детонатор, и соединитель, обеспечивающий связь по электрический цепи устройства с прибором управления действием мины, отличающееся тем, что устройство заключено в защитный корпус из электропроводного материала и в него дополнительно введены микропереключатель и кинематически связанные с его штоком подпружиненные сигнальный и блокирующий стопоры, а также движок с капсюлем-детонатором, передаточный заряд, защитный электрический контур в виде LC-фильтров, пусковые электровоспламенитель и стопор, связанный кинематически с движком, причем передний торец движка имеет выступ со стороны блокирующего стопора.
2. Устройство по п.1, отличающееся тем, что капсюль-детонатор в движке смещен относительно передаточного заряда, расположенного над детонатором, а выводы боевого электровоспламенителя, установленного в движке, размещены напротив контактов микропереключателя.
3. Устройство по п.1 или 2, отличающееся тем, что защитный электрический контур соединен с соединителем последовательно, причем его выходная электрическая цепь разомкнута, а входная электрическая цепь пускового электровоспламенителя замкнута через контакты микропереключателя.
РИСУНКИ
MM4A – Досрочное прекращение действия патента СССР или патента Российской Федерации на изобретение из-за неуплаты в установленный срок пошлины за поддержание патента в силе
Дата прекращения действия патента: 31.08.2007
Извещение опубликовано: 10.03.2009 БИ: 07/2009
|
|