|
|
(21), (22) Заявка: 2002134912/06, 23.12.2002
(24) Дата начала отсчета срока действия патента:
23.12.2002
(43) Дата публикации заявки: 10.07.2004
(45) Опубликовано: 10.07.2005
(56) Список документов, цитированных в отчете о поиске:
ДИНКОВ В.А. и др. Повышение эффективности использования газа на компрессорных станциях. М.: Недра, 1981, с.262-264, рис. 117. GB 2103354 A, 03.08.1982. RU 2171420 C1, 27.07.2001. US 4418530 A, 06.12.1983. US 3879616 A, 22.04.1975. RU 2174615 C2, 27.04.1997. RU 2170876 C2, 20.07.2001.
Адрес для переписки:
603136, г.Нижний Новгород, ул. Малиновского, 2, кв.283, Д.Е. Рудакову
|
(72) Автор(ы):
Рудаков Д.Е. (RU)
(73) Патентообладатель(и):
Рудаков Дмитрий Евгеньевич (RU)
|
(54) ЭНЕРГЕТИЧЕСКАЯ УСТАНОВКА ДЛЯ КОМПРЕССОРНОЙ СТАНЦИИ МАГИСТРАЛЬНОГО ГАЗОПРОВОДА
(57) Реферат:
Изобретение предназначено для использования на компрессорной станции газотранспортной системы. Паросиловая установка с нагнетателем, включенная в сеть магистрального газопровода, дополняется турбодетандером с электрогенератором. Тем самым не вся энергия, выработанная паросиловой установкой, направляется в сеть магистрального газопровода, часть ее, определяемая величиной выработки электрической энергии, с потоком газа направляется в турбодетандер с электрогенератором, в котором вырабатывается электрическая энергия. Изобретение позволяет расширить возможность применения утилизируемой энергии на компрессорной станции, сократить потребление топливного газа на 35%, вырабатывать электрическую энергию собственным источником, что повышает надежность электроснабжения потребителей компрессорной станции. 1 з.п. ф-лы, 1 ил.

Комбинация паросиловой установки и турбодетандера для компрессорной станции магистрального газопровода. Изобретение может быть использовано на компрессорной станции газотранспортной системы.
Известна классическая схема бинарного парогазового цикла с утилизацией теплоты выхлопных газов газоперекачивающих агрегатов на компрессорной станции магистрального газопровода [стр.5-13, “Утилизация и использование вторичных энергоресурсов компрессорных станций”. Шелковский Б.И., Патыченко А.С., Захаров В.П. Издательство “Недра”, 1991 год]. Схема бинарного парогазового цикла состоит из двух основных частей, первая – газоперекачивающий агрегат, вторая – паросиловая установка, которая утилизирует тепловую энергию выхлопных газов газоперекачивающего агрегата. В паросиловой установке тепловая энергия выхлопных газов газоперекачивающего агрегата утилизируется в паровом котле-утилизаторе, выработанный пар направляется на вход в паровую турбину, где совершается полезная работа вращения вала, сработанный пар поступает в конденсатор, где пар конденсируется, вода конденсатными насосами подается в установку водоподготовки, из нее питательными насосами вода поступает в паровой котел-утилизатор, и так по кругу. Вал паровой турбины паросиловой установки соединяют либо с нагнетателем для перекачивания газа, либо с генератором для выработки электрической энергии. В первом варианте утилизируемая энергия выхлопных газов газоперекачивающих агрегатов используется для перекачивания магистрального газа. Во втором варианте утилизируемая энергия выхлопных газов газоперекачивающих агрегатов используется для выработки электрической энергии.
Недостаток классического использования тепловой энергии газоперекачивающего агрегата в паросиловой установке на компрессорной станции состоит в том, что выработанная энергия используется в одном из способов, либо для перекачивания магистрального газа, либо для выработки электрической энергии. Тем самым не получило широкого распространения в газовой отрасли. Отсюда, неиспользование большого количества тепловых ресурсов выхлопных газов газоперекачивающих агрегатов.
Техническая задача изобретения – расширить возможность применения тепловой энергии выхлопных газов газоперекачивающих агрегатов на компрессорной станции. Обеспечить использование энергии выхлопных газов для компримирования магистрального газа и выработку электрической энергии для потребителей компрессорной станции.
Сущность изобретения заключается в том, что паросиловая установка с нагнетателем на валу паровой турбины, включенным в сеть магистрального газопровода, дополняется турбодетандером, включенным таким образом, что выход и вход нагнетателя соединяется с входом и выходом турбодетандера соответственно. Таким образом, часть потока газа, перекачиваемого нагнетателем паросиловой установки, определяемая величиной выработки электрической энергии, направляется в турбодетандер, в котором вырабатывается электрическая энергия, оставшаяся часть потока газа поступает в магистральный газопровод.
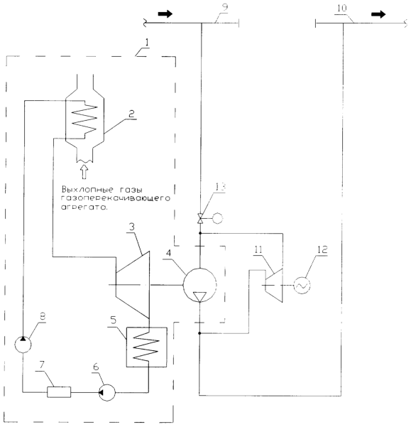
Схема комбинации паросиловой установки и турбодетандера показана на чертеже.
Схема комбинации паросиловой установки и турбодетандера содержит паросиловую установку 1, в состав которой входит паровой котел-утилизатор 2, паровую турбину 3, нагнетатель 4, конденсатор 5, конденсатный насос 6, установка водоподготовки 7, питательный насос 8, замкнутые в цикл. Нагнетатель газа 4 и турбодетандер 11 с электрогенератором 12 включены во входную 9 и выходную 10 сети магистрального газопровода. Во входную сеть нагнетатель и турбодетандер включается через регулируемый кран 13.
Схема комбинации паросиловой установки и турбодетандера работает следующим образом. Утилизируемая тепловая энергия выхлопных газов газоперекачивающего агрегата преобразуется в паросиловой установке в механическую энергию вращения вала паровой турбины. Энергия вращения в нагнетателе преобразуется в потенциальную энергию компримированного газа. Основная часть энергии компримированного газа направляется с потоком газа для перекачивания в сеть магистрального газопровода. Другая часть, определяемая величиной выработки электрической энергии, направляется с потоком газа в турбодетандер, где потенциальная энергия компримированного газа преобразуется в механическую энергию вращения вала турбодетандера. Энергия вращения в электрогенераторе преобразуется в электрическую энергию. Тем самым, утилизируемая тепловая энергия газоперекачивающего агрегата преобразуется в энергию перекачивания газа и в электрическую энергию для собственных потребителей компрессорной станции. Таким образом добиваются сокращения потребления топливного газа на 35%, необходимого для газоперекачивающих агрегатов, вырабатывается электроэнергия собственным источником, повышается надежность электроснабжения потребителей компрессорной станции.
Для обеспечения работы турбодетандера в рабочей зоне, от входного магистрального газопровода до узла соединения входа нагнетателя и выхода турбодетандера ставится регулируемый кран, который начинает регулировать на понижение давления на входе в нагнетатель и выходе турбодетандера, в том случае, когда перепад давления на турбодетандере меньше требуемого для турбодетандера. Таким образом перепад давления на турбодетандере возрастает, до требуемого нижнего значения перепада давления на турбодетандере.
Данный объект расширяет возможность применения тепловой энергии выхлопных газов газоперекачивающих агрегатов на компрессорной станции. Обеспечивает использование энергии выхлопных газов газоперекачивающих агрегатов для компримирования магистрального газа и выработку электрической энергии для потребителей компрессорной станции. За счет объединения паросиловой установки с нагнетателем газа и турбодетандера с генератором, включенных в сеть магистрального газопровода таким образом, что выход и вход нагнетателя паросиловой установки соединены с входом и выходом турбодетандера соответственно. Таким образом, энергии компримируемого газа, которую вырабатывает паросиловая установка, направляется в магистральный газопровод, а часть ее направляется в турбодетандер, где вырабатывается электрическая энергия. Этим самым добиваются использования энергии выхлопных газов газоперекачивающих агрегатов как для компримирования газа, так и для выработки электрической энергии.
Формула изобретения
1. Энергетическая установка для компрессорной станции магистрального газопровода, содержащая паросиловую установку с нагнетателем газа на валу паровой турбины, включенным в сеть магистрального газопровода, отличающаяся тем, что установка снабжена турбодетандером с генератором, вход и выход турбодетандера соединены с выходом и входом нагнетателя паросиловой установки, соответственно.
2. Энергетическая установка по п.1, отличающаяся тем, что для обеспечения работы турбодетандера при малых перепадах давления на турбодетандере перед узлом соединения входа нагнетателя и выхода турбодетандера ставится регулируемый кран.
РИСУНКИ
|
|