|
|
(21), (22) Заявка: 2003129173/06, 01.10.2003
(24) Дата начала отсчета срока действия патента:
01.10.2003
(43) Дата публикации заявки: 27.03.2005
(45) Опубликовано: 10.07.2005
(56) Список документов, цитированных в отчете о поиске:
SU 231266 А, 15.11.1968. DE 2417122 В2, 31.05.1979. DE 1451888 А, 24.08.1972. ЕР 0510935 A3, 28.10.1992. GB 2100342 A, 22.12.1982.
Адрес для переписки:
125993, Москва, ул. Часовая, 22/2, (РГОТУПС), Проректору РГОТУПС по научной работе, проф. В.М. Алексееву
|
(72) Автор(ы):
Луков Н.М. (RU), Ромашкова О.Н. (RU), Космодамианский А.С. (RU), Алейников И.А. (RU)
(73) Патентообладатель(и):
Российский государственный открытый технический университет путей сообщения Министерства путей сообщения Российской Федерации (РГОТУПС) (RU)
|
(54) СИСТЕМА РЕГУЛИРОВАНИЯ ТЕМПЕРАТУРЫ НАДДУВОЧНОГО ВОЗДУХА ТЕПЛОВОЙ МАШИНЫ
(57) Реферат:
Изобретение относится к системам регулирования температуры теплоносителей тепловых машин. Система регулирования температуры наддувочного воздуха тепловой машины содержит нагнетатель наддувочного для нагнетания его через теплообменник в тепловую машину, охлаждаемую водой. Поток воды распределяется трехходовым перепускным клапаном с приводом между теплообменником и водо-воздушным радиатором, обдуваемым воздухом, подаваемым вентилятором и проходящим через поворотные створки жалюзи. Датчик температуры надувочного воздуха установлен на магистрали нагнетания воздуха между теплообменником и тепловой машиной для управления двумя приводами, один из которых связан с клапаном, а другой – с жалюзи. Вал вентилятора соединен с валами двух одинаковых асинхронных двигателей с фазными роторами, статорные обмотки которых подключены к генератору переменного тока, приводимому во вращение от вала тепловой машины. Роторные обмотки асинхронных двигателей соединены последовательно и подключены к выпрямителю, к выходу которого подключен термоэлектрический охладитель, управляемый переключателем полярности, соединенным с первым выходом микропроцессорного контроллера. Блок замыкания роторных обмоток соединен со вторым выходом микропроцессорного контроллера. Статор одного из асинхронных двигателей выполнен поворотным и связан с приводом, подключенным к третьему выходу микропроцессорного контроллера. К четвертому и пятому выходам микропроцессорного контроллера подключены приводы трехходового перепускного клапана и жалюзи, а к двум его входам подключены датчики температуры наддувочного воздуха и температуры воды тепловой машины. Изобретение обеспечивает улучшение качества рабочего процесса, а также уменьшение расхода топлива и повышение надежности тепловой машины. 1 ил.

Предлагаемое изобретение относится к области совершенствования систем регулирования температуры теплоносителей тепловых машин, например дизелей, воды, масла, наддувочного воздуха.
Температура наддувочного воздуха на входе в дизель оказывает значительное влияние на технико-экономические показатели дизеля. Значения оптимальной температуры надувочного воздуха увеличиваются при снижении мощности. Требуемые оптимальные значения температуры наддувочного воздуха могут обеспечиваться путем его подогрева или охлаждения, для подогрева наддувочного воздуха может использоваться теплота выпускных газов при работе дизеля на частичных нагрузках и при низких температурах наружного воздуха.
Известна автоматическая система регулирования температуры наддувочного воздуха автомобильного двигателя, оборудованного воздушной системой охлаждения наддувочного воздуха, содержащая двигатель с V-образно расположенными цилиндрами, нагнетатель наддувочного воздуха, состоящий из газовой турбины и компрессора, воздушный охладитель наддувочного воздуха, вентилятор, управляющий орган, расположенный во всасывающем ресивере (US 4124979, F 02 B 29/04, 1978). На холостом ходу и при низких температурах наружного воздуха предусмотрен подогрев наддувочного воздуха путем перепуска горячих выпускных газов дизеля из выхлопного коллектора во впускной ресивер с помощью поворотной заслонки.
Недостатками этой системы является следующее.
Перепуск горячих выпускных газов дизеля во впускной ресивер повышает температуру наддувочного воздуха, но, с другой стороны, ухудшает рабочий процесс за счет уменьшения количества кислорода, поступающего в цилиндры двигателя. Способ перепуска позволяет использовать только часть теплоты выхлопных газов. Кроме того, как отмечает в (Холич А.З. и др. “Экономия топлива и теплотехническая модернизация тепловозов”, М., Транспорт, 1975, с.188), перепуск выпускных газов на всасывание приводит к закоксовыванию проточной части компрессора. Таким образом, наиболее рационален подогрев наддувочного воздуха за счет утилизации теплоты, выделяемой дизелем в выпускные газы.
Известны системы регулирования температуры наддувочного воздуха дизелей, содержащие нагнетатель наддувочного воздуха для нагнетания воздуха через теплообменник охладителя наддувочного воздуха в дизель, охлаждаемый водой, распределяемой трехходовым перепускным клапаном между теплообменником охладителя наддувочного воздуха и водо-воздушным радиатором, обдуваемым воздухом, подаваемым вентилятором с приводом через поворотные створки жалюзи с исполнительным механизмом. В системе на магистрали нагнетания наддувочного воздуха между теплообменником охладителя наддувочного воздуха и дизелем установлен датчик температуры воды на выходе из дизеля для управления двумя исполнительными механизмами, один из которых взаимодействует с трехходовым перепускным клапаном, а другой – с поворотными створками жалюзи (SU 231266, F 02 N 17/04, 1968; SU 476368, F 01 Р 11/04, 1975). Система по SU 476368 отличается от системы по SU 231266 только наличием дополнительного трубопровода, соединяющего вход трехходового перепускного клапана с его выходом к радиатору. Это сделано для того, чтобы в случае, когда клапан полностью закрывает подачу горячей воды в радиатор, незначительная часть горячей воды проходила через радиатор и предохраняла его от замораживания. Однако есть и более простые способы решения этой задачи: неполное закрывание клапана, отверстие в клапане, проточка в седле клапана.
Недостатками этих систем регулирования температуры наддувочного воздуха является то, что при этом имеется значительно меньший температурный напор, чем при использовании теплоты выпускных газов. Кроме того, при низких температурах наружного воздуха и низкой мощности дизеля эта теплота нужна для подогрева масла. Это аналоги, наиболее близкие к предполагаемому изобретению.
Техническая задача заключается в улучшении качества рабочего процесса, что в свою очередь приводит к уменьшению расхода топлива и повышению надежности тепловой машины.
Техническая задача решается за счет того, что система регулирования температуры наддувочного воздуха тепловой машины содержит нагнетатель наддувочного воздуха для нагнетания воздуха через теплообменник в тепловую машину, охлаждаемую водой, распределяемой трехходовым перепускным клапаном с приводом между теплообменником и водо-воздушным радиатором, обдуваемым воздухом, подаваемым вентилятором и проходящим через жалюзи; датчик температуры наддувочного воздуха, установленный на магистрали нагнетания воздуха между теплообменником и тепловой машиной для управления двумя приводами, один из которых связан с клапаном, а другой – жалюзи, при этом вал вентилятора соединен с валами двух одинаковых асинхронных двигателей с фазными роторами, статорные обмотки которых подключены к генератору переменного тока, приводимому во вращение от вала тепловой машины, роторные обмотки асинхронных двигателей соединены последовательно и подключены к выпрямителю, к выходу которого подключен термоэлектрический охладитель, управляемый переключателем полярности, соединенным с первым выходом микропроцессорного контроллера, блок замыкания роторных обмоток, соединен со вторым выходом микропроцессорного контроллера, статор одного из асинхронных двигателей выполнен поворотным и связан с приводом, подключенным к третьему выходу микропроцессорного контроллера, к четвертому и пятому выходам микропроцессорного контроллера подключены приводы трехходового перепускного клапана и жалюзи, а к двум его входам подключены датчики температуры наддувочного воздуха и температуры воды тепловой машины.
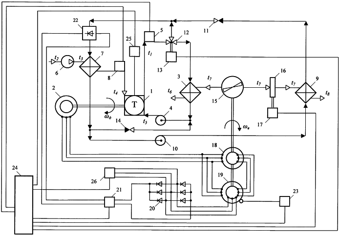
Предлагаемая система регулирования температуры наддувочного воздуха тепловой машины (см. чертеж принципиальную схему системы регулирования) содержит тепловую машину 1, приводящую во вращение ротор синхронного генератора 2; водо-воздушную систему охлаждения тепловой машины и систему охлаждения или подогрева наддувочного воздуха. Водо-воздушная система охлаждения тепловой машины состоит из водовоздушного радиатора 3, насоса 4 и соединительных трубопроводов. Температура воды t1 на выходе из тепловой машины 1 является регулируемой величиной водо-воздушной системы охлаждения тепловой машины и измеряется датчиком температуры воды 5. Нагнетатель наддувочного воздуха 6 забирает воздух с температурой t2, сжимает его и подает с температурой t3 в теплообменник наддувочного воздуха 7, который имеет температуру на выходе t4. Эта температура, измеряемая датчиком температуры наддувочного воздуха 8, является регулируемой величиной в водо-воздушной системе охлаждения или подогрева охлаждающего воздуха. Водо-воздушная система охлаждения или подогрева наддувочного воздуха содержит кроме теплообменника наддувочного воздуха 7, водо-воздушного радиатора 9 и насоса 10 – еще обратный клапан 11. Водо-воздушная система охлаждения тепловой машины и водо-воздушная система охлаждения или подогрева наддувочного воздуха могут соединяться с помощью трехходового перепускного клапана 12 и его привода 13 с обратным клапаном 14. Подача охлаждающего воздуха через водо-воздушный радиатор 3 и водо-воздушный радиатор 9 осуществляется с помощью вентилятора 15, скорость охлаждающего воздуха в водо-воздушном радиаторе 9 может изменяться с помощью жалюзи 16 с исполнительным механизмом 17. Вал вентилятора 15 приводит во вращение двумя одинаковыми асинхронными двигателями 18 и 19 с фазными роторами, статорные обмотки которых подключены к статорным обмоткам синхронного генератора 2, а роторные обмотки соединены последовательно и подключены к выпрямителю 20, к выходу которого посредством переключателя полярности 21 подключен термоэлектрический охладитель 22, вмонтированный в трубопровод водо-воздушной системы охлаждения или подогрева наддувочного воздуха перед теплообменником наддувочного воздуха 7. Статор асинхронного двигателя 19 выполнен поворотным и связан с приводом 23, подключенным к выходу микропроцессорного контроллера 24. Датчики температуры воды 5 и температуры наддувочного воздуха 8 подключены ко входам микропроцессорного контроллера 24, к выходам которого подключены блок управления 25 тепловой машиной, переключатель полярности 21, приводы 13 и 17 и привод 23. Система снабжена блоком замыкания 26 роторных обмоток асинхронных двигателей, подключенным к микропроцессорному контроллеру 24.
Предлагаемая система отличается от известных тем, что в ней применен электрический привод вентилятора на переменном токе, содержащий два одинаковых асинхронных двигателя 18 и 19 с фазными роторами, валы которых соединены с валом вентилятора 15. Это позволяет эффективно использовать электрическую энергию скольжения асинхронных двигателей 18 и 19 для подогрева или охлаждения наддувочного воздуха. В термоэлектрическом охладителе 22 в результате действия термоэлектрического явления Пельтье может выделяться холод или теплота при прохождении через него постоянного тока. Применение термоэлектрического охладителя в водо-воздушной системе охлаждения наддувочного воздуха позволяет повысить КПД электрического привода вентилятора, уменьшить требуемую подачу вентилятора, уменьшить мощность, затрачиваемую на привод (зависящую в третьей степени от подачи вентилятора), так как при выделении холода в термоэлектрическом охладителе в систему охлаждения или подогрева наддувочного воздуха уменьшается теплоотвод в водо-воздушных радиаторах системы охлаждения тепловой машины при всех прочих равных условиях.
Предлагаемая система регулирования температуры надувочного воздуха тепловой машины работает следующим образом.
При увеличении t4 выше нижнего предела диапазона регулирования сигналы на выходе датчика температуры наддувочного воздуха 8 и на входе в привод 13 трехходового перепускного клапана 12 увеличиваются и клапан 12 уменьшает поток горячей воды из тепловой машины, идущей через теплообменник наддувочного воздуха 7, и увеличивает поток воды, идущей через водо-воздушный радиатор 3. При этом поток воды, идущей через клапан 11, также уменьшается. При увеличении t4 выше нижнего предела диапазона регулирования примерно на величину половины диапазона регулирования сигналы на выходе датчика температуры наддувочного воздуха 8 и на входе в привод 13 трехходового перепускного клапана 12, такие, что клапан 12 занимает такое крайнее положение, при котором вся горячая вода из тепловой машины проходит через водо-воздушный радиатор 3, при этом подогрев наддувочного воздуха прекращается. При дальнейшем увеличении t4 увеличение сигнала датчика температуры наддувочного воздуха 8 и входного сигнала привода 17 заставляют открываться жалюзи 16. Наружный воздух, прогоняемый вентилятором 15 через водо-воздушный радиатор 9, охлаждает воду в водо-воздушной системе охлаждения или подогрева наддувочного воздуха, которая охлаждает наддувочный воздух в теплообменнике надувочного воздуха 7. Таким образом, система регулирования температуры наддувочного воздуха тепловой машины автоматически поддерживает температуру t4 на входе в тепловую машину 1 на оптимальных уровнях в пределах диапазона регулирования путем подогрева этого воздуха теплотой, выделяемой тепловой машиной в водо-воздушную систему охлаждения тепловой машины, и теплотой, выделяемой термоэлектрическим охладителем 22 в водо-воздушную систему охлаждения или подогрева наддувочного воздуха (в первой половине диапазона регулирования) и охлаждения его с помощью вентилятора 15 и термоэлектрического охладителя 22 (во второй половине диапазоне регулирования). В данной системе регулирования при работе электрического привода вентилятора на частичных режимах в асинхронных двигателях 18 и 19 выделяется энергия скольжения, которая может составлять до 16% от номинальной мощности при в=0,75 в синх синхронной. Для полезного использования этой энергии скольжения она подается в термоэлектрический охладитель 22, в котором в результате действия является Пельтье термоэлектрического охлаждения или нагревания поглощается или выделяется теплота. В результате воздействия термоэлектрического охладителя на подогрев и охлаждение наддувочного воздуха уменьшается мощность, потребляемая вентилятором, и обеспечивается надежное поддержание температуры t4 на оптимальных уровнях в зависимости от мощности тепловой машины и независимо от температуры охлаждающего воздуха t2.
При работе тепловой машины на частичных нагрузках при пониженных температурах наружного воздуха существует проблема неотвода теплоты от тепловой машины, а удержания теплоты в системе охлаждения тепловой машины и системы охлаждения или подогрева наддувочного воздуха тепловой машины. Подогрев наддувочного воздуха тепловой машины приводит к улучшению ее рабочего процесса: к уменьшению жесткости работы тепловой машины (что приводит к увеличению моторесурса тепловой машины), к улучшению показателей процесса сгорания топлива, к повышению температуры газов, к уменьшению расхода топлива и даже к уменьшению выброса вредных веществ с выпускными газами. В результате повышение температуры газов в рабочем процессе тепловой машины приводит к увеличению тепловыделения тепловой машины в воду, происходит процесс рециркуляции теплоты. Такая рециркуляция теплоты в тепловой машине и ее системе охлаждения приводит к тому, что все тепловые процессы в тепловой машине и ее системе охлаждения протекают при температурах более высоких, чем в условиях отсутствия подогрева наддувочного воздуха, что в свою очередь дает большие возможности для автоматического поддержания температуры воды и наддувочного воздуха на уровнях, близких к оптимальным значениям, особенно при работе ее на частичных нагрузках и при пониженных температурах наружного воздуха.
Формула изобретения
Система регулирования температуры наддувочного воздуха тепловой машины, содержащая нагнетатель наддувочного воздуха для нагнетания его через теплообменник в тепловую машину, охлаждаемую водой, распределяемой трехходовым перепускным клапаном с приводом между теплообменником и водо-воздушным радиатором, обдуваемым воздухом, подаваемым вентилятором и проходящим через жалюзи; датчик температуры наддувочного воздуха, установленный на магистрали нагнетания воздуха между теплообменником и тепловой машиной для управления двумя приводами, один из которых связан с клапаном, а другой – с жалюзи, отличающаяся тем, что вал вентилятора соединен с валами двух одинаковых асинхронных двигателей с фазными роторами, статорные обмотки которых подключены к генератору переменного тока, приводимому во вращение от вала тепловой машины, роторные обмотки асинхронных двигателей соединены последовательно и подключены к выпрямителю, к выходу которого подключен термоэлектрический охладитель, управляемый переключателем полярности, соединенным с первым выходом микропроцессорного контроллера, блок замыкания роторных обмоток соединен со вторым выходом микропроцессорного контроллера, статор одного из асинхронных двигателей выполнен поворотным и связан с приводом, подключенным к третьему выходу микропроцессорного контроллера, к четвертому и пятому выходам микропроцессорного контроллера подключены приводы трехходового перепускного клапана и жалюзи, а к двум его входам подключены датчики температуры наддувочного воздуха и температуры воды тепловой машины.
РИСУНКИ
MM4A Досрочное прекращение действия патента Российской Федерации на изобретение из-за неуплаты в установленный срок пошлины за поддержание патента в силе
Дата прекращения действия патента: 02.10.2005
Извещение опубликовано: 27.01.2007 БИ: 03/2007
|
|