|
|
(21), (22) Заявка: 2002123977/12, 09.09.2002
(24) Дата начала отсчета срока действия патента:
09.09.2002
(43) Дата публикации заявки: 10.02.2005
(45) Опубликовано: 10.07.2005
(56) Список документов, цитированных в отчете о поиске:
SU 738522 C1, 05.06.1980. SU 1320366 A1, 30.06.1987. SU 2164 C1, 31.01.1927. US 5025647 А, 25.06.1991. US 967066 А, 09.08.1910.
Адрес для переписки:
398019, г.Липецк, ул. Скороходова, 2, Липецкая торгово-промышленная палата, Д.В. Погудину
|
(72) Автор(ы):
Клейменов М.А. (RU)
(73) Патентообладатель(и):
Клейменов Михаил Андреевич (RU)
|
(54) СПОСОБ ИЗГОТОВЛЕНИЯ ЗАМКА
(57) Реферат:
Изобретение относится к области скобяных изделий и касается способа изготовления замка, при котором изготавливают регулируемый ключ с кулачками и корпус с толкателями, ключ поворачивают на неопределенный угол и жестко скрепляют с корпусом, после чего полученную сборку разрезают на две части, составляющие запирающую плоскость скольжения, образованную рабочей поверхностью корпуса и поверхностью засова, причем в пустотах засова расположены подпружиненные штанги, в корпусе расположены толкатели, взаимодействующие с кулачками ключа, а засов имеет возможность перемещаться. Замок, изготовленный данным способом, имеет повышенную устойчивость к взлому и обеспечивает захват ключа или отмычки. 7 ил.

Изобретение относится к скобяным изделиям и может найти применение в сфере защиты индивидуальных охраняемых объектов, например помещений, сейфов, транспортных средств и т.п.
Известен способ изготовления замка по патенту СССР №738522, кл. Е 05 В 27/08, 1980. Замок, полученный данный способом, недостаточно надежен, что обусловлено возможностью изготовления дубликата отпирающего средства или отмычки.
Задачей настоящего изобретения является создание такого способа изготовления замка, который бы обеспечил невозможность вскрытия замка ни методом подбора ключей, ни отмычками.
Данный технический эффект достигается тем, что при этом способе изготовления замка изготавливают регулируемый ключ с кулачками и корпус с толкателями, ключ поворачивают на неопределенный угол и жестко скрепляют с корпусом, после чего полученную сборку разрезают на две части, составляющие запирающую плоскость скольжения, образованную рабочей поверхностью корпуса и поверхностью засова, причем в пустотах засова расположены подпружиненные штанги, в корпусе расположены толкатели, взаимодействующие с кулачками ключа, а засов имеет возможность перемещаться.
Изобретение подробно поясняется чертежами, где изображено на:
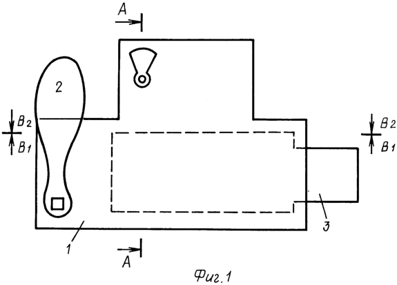
фиг.1 – вид корпуса 1;
фиг.2 – сечение А-А по фиг.1;
фиг.3 – сечение Б-Б по фиг.2, режим работы кулачка – закрыто;
фиг.4 – сечение Б-Б по фиг.2, режим работы кулачка – открыто;
фиг.5 – сечение Б-Б по фиг.2, режим работы кулачка – захват;
фиг.6 – сечение В1-В1 по фиг.1;
фиг.7 – сечение В2-В2 по фиг.1;
Дверной замок, изготовленный предложенным способом, содержит корпус 1, установленный в нем с возможностью перемещения засов 3, управляющую ручку 2 с поводком, орган блокировки засова в положениях открыто и закрыто, ключевой запирающий механизм. Изготовляется дверной замок составленным из двух частей, выполненных в сопряжении скольжения. С одной стороны, это рабочая плоскость 11 (фигура 6) корпуса туннельного типа, в каналах которого размещены соответствующие каждому кулачку 6 ключа 5 толкатели (фигура 2). Другая часть – это плоскость 12 (фигура 7) отрезанного от корпуса 1 замка управляемого засова, в пустотах которого каждому толкателю через замыкающую плоскость 4 подпружинены по ответной штанге 8.
Эффективность секрета такого замка достигается определенной последовательностью изготовления системы ключ, замок, толкатели, штанги. Прежде следует изготовить регулируемый ключ (он подробно описан в авторском свидетельстве СССР №1320366, 1987), затем корпус с толкателями. Потом, повернув ключ в замке на неопределенный угол, временно жестко скрепляют ключ и замок вместе. Криволинейные кулачки ключа контактируют с толкателями. Разрезают эту сборку по линии В1-В1 (фигура 1) на две части. После снятия крепления получаем запирающую плоскость 4 (фигура 2), где все размерные цепи, т.е. кулачки 6, толкатели 7, штанги 8 (фигуры 2-6) и засов с корпусом, имеют нулевые допуски между собой. Для пояснения описываемого дверного замка ниже приведена схема одного из кулачков ключа в трех режимах, при этом следует отметить, что остальные кулачки работают также.
На фигуре 1 представлен вид корпуса 1 с управляющей ручкой 2 и засов 3, а также показана линия разреза на две части В1-В1.
На фигуре 2 представлено сечение А-А на фигуре 1, при этом ключ 5 имеет кулачки 6 и контактирующие с ними толкатели 7, а через запирающую плоскость 4 с толкателями 7 могут взаимодействовать ответные штанги 8, которые находятся в пустотах отрезанного засова 3. Засов 3 расположен в туннеле 9 с эластичным элементом 10.
На фигуре 3 представлено сечение Б-Б на фигуре 2 в режиме работы кулачка – закрыто. Толкатели 7 и штанги 8 перекрыли запирающую плоскость 4.
На фигуре 4 представлено сечение Б-Б на фигуре 2 в режиме работы кулачка – открыто, т.е. вращением ключа толкатели и штанги подведены своими сопряжениями к запирающей плоскости 4, поэтому засов получил возможность передвигаться управляющей ручкой 2 и пружиной 13 в положение – открыто.
На фигуре 5 изображено сечение Б-Б по фигуре 2 в режиме работы кулачка – захват, т.е. нарушено соотношение углов поворота кулачков ключа или отмычки, при этом обратный выход ключа или отмычки закрыт толкателем 7 и штангой 8.
На фигуре 6 изображено сечение В1-В1 с рабочей поверхностью 11 корпуса, при этом видны толкатели 7 после разреза на две части.
На фигуре 7 изображено сечение В2-В2 с рабочей поверхностью 12 засова 3 и штангами 8, ответными толкателям 7.
Таким образом, достигается три режима работы дверного замка 1 – закрыто; 2 – открыто; 3 – захват. При этом также обеспечивается неповторяемость ключа, т.к. все размерные цепи замка имеют нулевые допуски.
Предлагаемый объект позволяет обеспечить неповторяемость ключа, а также захват и удержание отмычки в замке.
Формула изобретения
Способ изготовления замка, отличающийся тем, что изготавливают регулируемый ключ с кулачками и корпус с толкателями, ключ поворачивают на неопределенный угол и жестко скрепляют с корпусом, после чего полученную сборку разрезают на две части, составляющие запирающую плоскость скольжения, образованную рабочей поверхностью корпуса и поверхностью засова, причем в пустотах засова расположены подпружиненные штанги, в корпусе расположены толкатели, взаимодействующие с кулачками ключа, а засов имеет возможность перемещаться.
РИСУНКИ
PC4A – Регистрация договора об уступке патента Российской Федерации на изобретение
(73) Патентообладатель(и):
Клейменов Михаил Андреевич
(73) Патентообладатель:
Назаров Валентин Андреевич
Дата и номер государственной регистрации перехода исключительного права: 19.02.2008 № РД0032930
Извещение опубликовано: 27.03.2008 БИ: 09/2008
|
|