|
|
(21), (22) Заявка: 2003128670/09, 26.09.2003
(24) Дата начала отсчета срока действия патента:
26.09.2003
(45) Опубликовано: 27.06.2005
(56) Список документов, цитированных в отчете о поиске:
Под ред. Б.А.Гордиенко. Военные системы коммутации и телефония. ВАС, 1984, с.117. GB 1481825, 03.08.1977. ЕР 0024725 A1, 11.03.1981. SU 1800645 A1, 07.03.1993. SU 165693 A1, 15.06.1991. RU 2127025 C1, 27.02.1999.
Адрес для переписки:
141006, Московская обл., г. Мытищи-6, 16 ЦНИИИ МО РФ, зам. начальника института по научной работе В.А. Лазутину
|
(72) Автор(ы):
Вергелис Н.И. (RU), Кривенко М.В. (RU)
(73) Патентообладатель(и):
16 Центральный научно-исследовательский испытательный институт Министерства обороны Российской Федерации (RU)
|
(54) АВТОМАТИЧЕСКАЯ ТЕЛЕФОННАЯ СТАНЦИЯ
(57) Реферат:
Изобретение относится к технике телефонной связи, в частности к автоматическим телефонным станциям (АТС). Техническим результатом является повышение надежности тракта передачи информации и расширение функциональных возможностей станции. Технический результат достигается тем, что АТС содержит абонентские комплекты, коммутационный блок абонентского искания в составе первого, второго и третьего коммутаторов, первого и второго блоков промежуточных линий, маркер абонентского искания, блок шнуровых комплектов, коммутационный блок регистрового искания, блок регистров, маркер регистрового искания, маркер группового искания, коммутационный блок группового искания в составе первого и второго коммутатора, блока промежуточных линий, первый, второй и третий комплекты соединительных линий, блок межстанционной связи, блок сигналов взаимодействия, комплект канала дальней связи, блок приема и передачи цифровой информации, блок согласования, блок программного контроля и блок общестанционной сигнализации, причем дополнительно введены трехзвенный коммутационный блок абонентского искания в составе первого, второго и третьего коммутаторов, первого и второго блоков промежуточных линий, маркеров абонентского, регистрового и группового искания, двухзвенного коммутационного блока группового искания в составе первого и второго коммутаторов и блока промежуточных линий, блока межстанционной связи, блока сигналов взаимодействия, блока приема и передачи цифровой информации, блока согласования, блока программного контроля и блока общестанционной сигнализации. 8 ил.

Изобретение относится к технике телефонной связи, в частности к устройствам автоматической коммутации, и может использоваться для обеспечения абонентов телефонной связью по абонентским и соединительным линиям, каналам дальней связи стационарной и полевой сетей связи.
Известен ряд автоматических телефонных станций, содержащих линейные комплекты, включающие абонентские комплекты и комплекты соединительных линий, обслуживающие приборы в составе шнуровых комплектов, регистров и управляющие устройства [1, 2, 3].
Однако указанные станции обладают рядом недостатков, ограничивающих их применение на современных сетях и в системах связи.
Из известных автоматических телефонных станций наиболее близкой по технической сущности является автоматическая телефонная станция типа АТС ВС-100, описанная в [4].
Эта станция содержит линейные комплекты (ЛК) в составе абонентских комплектов (АК) и комплектов соединительных линий (КСЛ), однозвенный коммутационный блок абонентского искания, блок шнуровых комплектов (ШК) и блок межстанционных шнуровых комплектов (МШК), однозвенный коммутационный блок группового искания, блок регистров, регистровый искатель (РИ) и управляющее устройство в виде общестанционного маркера.
Известной автоматической телефонной станции присущи следующие недостатки.
Коммутационное поле указанной станции, выполненное по однозвенной схеме, не позволяет наращивать емкость станции при ее развитии, имеет значительное число точек коммутации, что приводит к снижению надежности трактов передачи информации и ухудшению качества обслуживания абонентов.
Целью изобретения является повышение надежности тракта передачи информации и качества обслуживания абонентов, а также расширение функциональных возможностей станции.
Поставленная цель достигается тем, что в автоматическую телефонную станцию, содержащую n абонентских комплектов, блок шнуровых комплектов, коммутационный блок регистрового искания, первые входы-выходы которого соединены с первыми входами-выходами блока регистров, к управляющим выходам-входам которого подключены первые управляющие входы-выходы каждого из n абонентских комплектов, первый, второй и третий комплекты соединительных линий, комплект канала дальней связи, введены трехзвенный коммутационный блок абонентского искания в составе первого, второго и третьего коммутаторов, первого и второго блока промежуточных линий, маркер абонентского искания, маркер регистрового искания, маркер группового искания, двухзвенный коммутационный блок группового искания в составе первого и второго коммутаторов и блока промежуточных линий, блок межстанционной связи, абонентский комплект линии внешней связи, линию заказной связи, блок сигналов взаимодействия, блок программного контроля и блок общестанционной сигнализации, к первому, второму и третьему сигнальным входам-выходам которого подключены соответствующие выходы-входы блока межстанционной связи, блока сигналов взаимодействия и блока программного контроля, при этом информационные входы-выходы каждого из n абонентских комплектов подключены ко входам-выходам первого коммутатора блока абонентского искания, m выходов-входов которого через первый блок промежуточных линий соединены с первыми входами-выходами второго коммутатора, вторые выходы-входы которого соединены с первыми информационными входами-выходами блока шнуровых комплектов, вторые информационные входы-выходы которого через замыкающие контакты исполнительных элементов первого коммутатора блока группового искания подключены к первому комплекту соединительной линии, третьи выходы-входы первого коммутатора через блок промежуточных линий соединены с первыми входами-выходами второго коммутатора блока группового искания, вторые, третьи и четвертые информационные входы-выходы которого подключены соответственно к первым входам-выходам третьего коммутатора блока абонентского искания, ко второму комплекту соединительной линии и к первым информационным входам-выходам абонентского комплекта линии внешней связи, четвертые и пятые входы-выходы первого коммутатора блока группового искания подключены соответственно к первым информационным выходам-входам третьего комплекта соединительной линии и комплекта канала дальней связи, второй вход-выход которого соединен со вторым информационным выходом-входом блока сигналов взаимодействия, первые, вторые, третьи, четвертые и пятые информационные входы-выходы блока межстанционной связи подключены соответственно к третьему дополнительному информационному входу-выходу блока шнуровых комплектов, ко второму информационному входу-выходу третьего комплекта соединительной линии, ко второму информационному входу-выходу абонентского комплекта линии внешней связи, ко второму информационному входу-выходу линии заказной связи и к третьему информационному входу-выходу блока сигналов взаимодействия, третьи информационные входы-выходы абонентского комплекта линии внешней связи подключены к первому информационному входу-выходу линии заказной связи, а третьи информационные входы-выходы комплекта канала дальней связи соединены с дополнительными входами-выходами коммутационного блока регистрового искания, вторые информационные входы-выходы которого подключены к первым дополнительным информационным выходам-входам блока шнуровых комплектов, вторые дополнительные входы-выходы которого соединены со вторыми информационными выходами-входами блока регистров, вторые выходы-входы третьего коммутатора трехзвенного блока абонентского искания через второй блок промежуточных линий соединены со вторыми входами-выходами второго коммутатора блока абонентского искания, первые управляющие входы-выходы маркера абонентского искания соединены со вторыми управляющими выходами-входами каждого из n абонентских комплектов, а вторые, третьи и четвертые управляющие входы-выходы маркера абонентского искания подключены к цепям включения исполнительных элементов первого, второго и третьего коммутаторов блока абонентского искания, а пятые и шестые управляющие входы-выходы маркера абонентского искания подключены к управляющим выходам-входам блока шнуровых комплектов и блока регистров, первые, вторые и третьи управляющие входы-выходы маркера регистрового искания подключены соответственно к дополнительным управляемым входам-выходам блока шнуровых комплектов, коммутационного блока регистрового искания и блока регистров, третьи информационные входы-выходы которого подключены к соответствующим входам-выходам маркера группового искания, первые и вторые управляющие входы-выходы которого подключены к цепям включения исполнительных элементов соответственно первого и второго коммутаторов блока группового искания, а третьи, четвертые и пятые управляющие входы-выходы маркера группового искания подключены к управляющим выходам-входам первого и второго комплектов соединительных линий и блока сигналов взаимодействия, первые, вторые и третьи управляющие входы-выходы блока программного контроля подключены к контролируемым выходам-входам соответственно маркера абонентского искания, блока шнуровых комплектов и блока регистров.
Сопоставительный анализ с прототипом показывает, что предлагаемая автоматическая телефонная станция отличается наличием новых блоков: трехзвенного коммутационного блока абонентского искания в составе первого коммутатора, первого блока промежуточных линий, второго коммутатора, второго блока промежуточных линий и третьего коммутатора, маркеров абонентского, регистрового и группового искания, двухзвенного коммутационного блока группового искания в составе первого коммутатора, блока промежуточных линий и второго коммутатора, блока межстанционной связи, абонентского комплекта линии внешней связи, линии заказной связи, блока сигналов взаимодействия, блока программного контроля и блока общестанционной сигнализации, а также их связями с остальными элементами станции.
Все вновь введенные в предлагаемую автоматическую телефонную станцию блоки реализуемы, хорошо известны специалистам в данной области техники и дополнительного творчества, учитывая приведенные ниже пояснения, для их воспроизведения не требуется.
Таким образом, заявляемая автоматическая телефонная станция удовлетворяет критерию “новизна”.
Однако при их введении в указанной связи с остальными элементами схемы в заявляемую автоматическую телефонную станцию вышеуказанные блоки проявляют новые свойства, что приводит к повышение надежности тракта передачи информации и качества обслуживания абонентов, а также расширению функциональных возможностей станции за счет возможности работы по каналам дальней связи и обеспечения взаимодействия ее с различными станциями телефонной связи. Это позволяет сделать вывод о соответствии технического решения критерию “существенные отличия”.
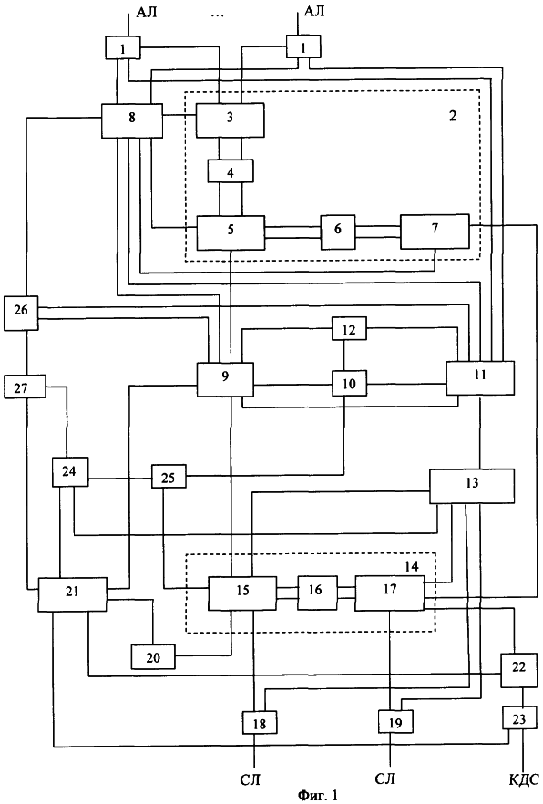
На фиг.1 представлена структурная схема предлагаемой автоматической телефонной станции.
Автоматическая телефонная станция содержит абонентские комплекты 1, к которым подключены абонентские линии (АЛ), коммутационный блок абонентского искания 2 в составе первого 3 коммутатора (звено А), первого 4 блока промежуточных линий, второго 5 коммутатора (звено В), второго 6 блока промежуточных линий и третьего 7 коммутатора (звено С), маркер абонентского искания 8, блок 9 шнуровых комплектов, коммутационный блок 10 регистрового искания, блок 11 регистров, маркер регистрового искания 12, маркер группового искания 13, коммутационный блок 14 группового искания в составе первого 15 коммутатора (звено А), блока 16 промежуточных линий и второго 17 коммутатора (звено В), первый 18, второй 19 и третий 20 комплекты соединительных линий, к которым подключены соединительные линии к аналогичной автоматической телефонной станции и соединительные линии к блоку межстанционной связи, блок 21 межстанционной связи, абонентский комплект 22 линии внешней связи, линия 23 заказной связи, блок 24 сигналов взаимодействия, комплект 25 канала дальней связи, блок 26 программного контроля и блок 27 общестанционной сигнализации.
Абонентские линии (АЛ) подключены к абонентским комплектам 1, информационные входы-выходы каждого из которых подключены к соответствующим n входам-выходам первого 3 коммутатора (звено А), то есть первая абонентская линия соединена с первым комплектом, вторая – со вторым и т.д., a m выходов-входов первого 3 коммутатора через первый блок 4 промежуточных линий соединены со входами-выходами второго 5 коммутатора (звено В) трехзвенного коммутационного блока 2 абонентского искания. Часть информационных входов-выходов через второй 5 коммутатор (первые выходы-входы) и через второй 6 блок промежуточных линий подключена ко входам-выходам третьего 7 коммутатора (звено С) коммутационного блока 2 абонентского искания для обеспечения входящей связи с каналов дальней связи и от других АТС. Вторые выходы-входы второго 5 коммутатора блока 2 подключены к первым информационным входам-выходам блока 9 шнуровых комплектов, вторые информационные входы-выходы которого соединены с первыми информационными выходами-входами первого 15 коммутатора двухзвенного коммутационного блока 14 группового искания. Первый дополнительный информационный вход-выход блока 9 шнуровых комплектов подключен ко вторым выходам-входам блока 10 регистрового искания, первые информационные входы-выходы которого соединены с первыми информационными выходами-входами блока 11 регистров, вторые информационные входы-выходы которого подключены ко вторым дополнительным выходам-входам блока 9 шнуровых комплектов, третьи дополнительные информационные входы-выходы которого соединены с первыми информационными входами блока 21 межстанционной связи. Первые управляющие входы-выходы каждого из абонентских комплектов 1 подключены к соответствующим управляющим входам-выходам блока 11 регистров, первые управляющие входы-выходы маркера 8 абонентского искания соединены со вторыми управляющими выходами-входами каждого из n абонентских комплектов 1, а вторые, третьи и четвертые управляющие входы-выходы маркера 8 абонентского искания подключены к цепям включения исполнительных элементов первого 3, второго 5 и третьего 7 коммутаторов блока 2 абонентского искания. Пятые и шестые управляющие входы-выходы маркера 8 абонентского искания подключены к соответствующим выходам-входам блока 9 шнуровых комплектов и блока 11 регистров. Первые, вторые и третьи управляющие входы-выходы маркера 12 регистрового искания подключены соответственно к дополнительным управляющим выходам-входам блока 9 шнурового комплекта, коммутационного блока 10 регистрового искания и блока 11 регистров, третьи информационные входы-выходы которого соединены с первыми информационными выходами-входами маркера 13 группового искания, первые и вторые управляющие входы-выходы которого подключены к цепям включения исполнительных элементов соответственно первого 15 и второго 17 коммутаторов блока 14 группового искания, а третьи, четвертые и пятые управляющие входы-выходы маркера 13 группового искания подключены к управляющим выходам-входам первого 18 и второго 19 комплектов соединительных линий и блока 24 сигналов взаимодействия. Вторые информационные входы-выходы первого 15 коммутатора (звено А) коммутационного блока 14 группового искания подключены к первому 18 комплекту соединительной линии, а третьи информационные входы-выходы первого 15 коммутатора блока 14 подключены к первым выходам-входам блока 16 промежуточных линий и через него соединены с первыми информационными входами-выходами второго 17 коммутатора (звено В) двухзвенного блока 14 группового искания. Вторые, третьи и четвертые информационные входы-выходы второго 17 коммутатора блока 14 подключены соответственно к первым входам-выходам третьего 7 коммутатора (звено С) блока 2 абонентского искания, ко второму 19 комплекту соединительной линии и к первым информационным входам-выходам абонентского комплекта 22 линии внешней связи, а четвертые и пятые информационные входы-выходы первого 15 коммутатора (звено А) блока 14 группового искания подключены соответственно к первым информационным выходам-входам третьего комплекта 20 соединительной линии и комплекта 25 канала дальней связи, второй информационный вход-выход которого соединен со вторым информационным входом-выходом блока 24 сигналов взаимодействия. Первые, вторые, третьи, четвертые и пятые информационные входы-выходы блока 21 межстанционной связи подключены соответственно к третьему дополнительному информационному входу-выходу блока 9 шнуровых комплектов, ко второму входу-выходу третьего 20 комплекта соединительной линии, ко второму информационному входу-выходу абонентского комплекта 22 линии внешней связи, ко второму информационному входу-выходу линии 23 заказной связи и к третьему информационному входу-выходу блока 24 сигналов взаимодействия, а третьи информационные входы-выходы абонентского комплекта 22 линии внешней связи подключены к первому информационному входу-выходу линии 23 заказной связи. Первые, вторые и третьи управляющие входы-выходы блока 26 программного контроля подключены к контролируемым выходам-входам соответственно маркера 8 абонентского искания, блока 9 шнуровых комплектов и блока 11 регистров, а первые, вторые и третьи входы-выходы блока 27 общестанционной сигнализации подключены к сигнальным входам-выходам соответственно блока 21 межстанционной связи, блока 24 сигналов взаимодействия и блока 26 программного контроля.
Абонентские комплекты 1 содержат линейное оборудование, предназначенное для подключения абонентских линий к коммутационной системе станции, согласования их с коммутационным полем, маркерами и с обслуживающими приборами станции (шнуровыми комплектами, регистрами). Абонентские комплекты 1 предназначены для приема вызова от абонентов, занятия маркера и передачи в него информации о номере вызывающего абонента, передачи сигнала “Занято” абоненту в случае занятости вызываемой линии или соединительных путей в направлении искания, ограничение права абонента на внешнюю связь. В состав абонентского комплекта могут входить индивидуальные приемники вызова для каждого абонента, дифференциальные системы, генератор индукторного вызова, элементы согласования уровней сигналов, коммутационные элементы для переключения разговорных и вызывных цепей, составления разговорного тракта в процессе установления соединения и ведения связи между абонентами.
Коммутационный блок 2 абонентского искания выполнен по трехзвенной схеме и включает первый 3 коммутатор (звено А), первый 4 блок промежуточных линий, второй 5 коммутатор (звено В), второй 6 блок промежуточных линий и третий 7 коммутатор (звено С). При этом блок 2 абонентского искания имеет n входов-выходов (по числу абонентских комплектов 1) в звено А для включения абонентских линий, m выходов-входов (по числу промежуточных линий блока 4) для исходящей связи (из звена A), k выходов-входов (из звена В) к ступени группового искания и k входов-выходов для входящей связи (в звено С). Между звеньями А и В включено m промежуточных линий (в блоке 4), а между звеньями В и С включено n промежуточных линий. Таким образом в блоке 2 абонентского искания исходящие соединения осуществляются через два звена коммутации (А и В), а входящие – через три звена (С, В и А).
Коммутационный блок 2 может быть выполнен в виде коммутаторов различной емкости, построенных на основе матричного координатного соединителя или прямоугольной матрицы. В каждой точке коммутации в качестве исполнительных элементов могут быть включены, например, два трехпроводных поляризованных герконовых реле типа РЭС-44. При этом четыре провода используются для коммутации четырехпроводного разговорного тракта, один провод для сигнализации и один – для удержания точки коммутации.
Маркер 8 абонентского искания обеспечивает управление процессами установления соединения между абонентами, выбор линии и режима работы по ней, приведение элементов станции в исходное состояние по окончании переговоров. Маркер 8 в процессе установления соединения опознает вызывающего абонента, выдает команды на проключение линии вызывающего абонента через коммутационный блок 2 к блоку 9 шнуровых комплектов и к блоку 11 регистров, а по полученной из регистра адресной информации он определяет путь установления соединения и выдает исполнительные команды для осуществления соединения в коммутационный блок 2.
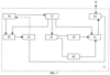
В качестве технической реализации маркера 8 абонентского искания (МАИ) на фиг.2 приведен вариант его структурно-функциональной схемы.
Он содержит абонентский опознаватель 28, определитель 29 вида связи, фиксатор 30 номера, пробное устройство 31, блок 32 включения коммутационных элементов, определитель входов 33, кодовый приемопередатчик 34 и блок 35 пробы абонентских линий.
Работа маркера 8 при установлении исходящего соединения происходит следующим образом. При снятии абонентом микротелефонной трубки его абонентский комплект 1 дает сигнал занятия в абонентский опознаватель 28, который определяет номер вызывающего абонента и блокирует маркер 8 от занятий другими абонентами до окончания установления соединения. По сигналу из блока 28 определитель 29 вида связи устанавливает, что маркер 8 занят для обслуживания исходящего соединения, и дает разрешение на передачу номера вызывающего абонента из опознавателя 28 в фиксатор 30. По команде определителя 29 пробное устройство 31 выбирает свободный шнуровой комплект в блоке 9 и промежуточную линию блока 4 между звеньями 3 и 5 коммутационного блока 2 абонентского искания, обеспечивающую соединение выбранного шнурового комплекта блока 9 с вызывающей абонентской линией. Информация о выбранном шнуровом комплекте блока 9 и промежуточной линией блока 4 передается в блок 32 включения коммутационных элементов, в который из фиксатора 30 номера также передана информация о вызывающем абоненте. По этой информации блок 32 выдает сигнал на включение коммутационных элементов на звеньях 3 и 5. В результате срабатывания коммутационных элементов в коммутационных матрицах 3 и 5 линия вызывающего абонента через блоки 3, 4 и 5 блока 2 подключается к выбранному шнуровому комплекту блока 9, а его абонентский комплект 1 дает в абонентский опознаватель 28 сигнал на освобождение маркера 9.
При установлении входящего соединения регистр блока 11 по тракту соединения дает сигнал занятия в определитель входов 33, который определяет номер вызывающего входа и блокирует маркер 8 от аналогичных занятий до окончания установления соединения. По сигналу определителя входов 33 определитель вида связи 29 устанавливает, что маркер 8 занят для обслуживания входящего соединения, и дает разрешение на подключение кодового приемопередатчика 34 к входящей линии через контакты реле определителя входов 33. Кодовый приемопередатчик 34 принимает, декодирует и передает в фиксатор номера 30 две последние цифры номера вызываемого абонента. Информация передается также в пробное 31 устройство, которое производит пробу и выбор свободных промежуточных линий 6 между звеньями 7 и 5, промежуточных линий 4 между звеньями 5 и 3. По окончании пробы контактами реле фиксатора 30 номера и блока пробы 35 создаются цепи включения коммутационных элементов в блоках 3, 5 и 7. Контактами сработавших коммутационных элементов и реле определителя входов 33 блок пробы 35 абонентских линий подключается к выбранной промежуточной линии между звеньями 5 и 7 и через точки коммутации в звеньях 5 и 3 осуществляет пробу на занятость линии вызываемого абонента. Если вызываемый абонент свободен, блок пробы 35 выдает в кодовый приемопередатчик 34 сигнал “Абонент свободен”. Кодовый приемопередатчик 34 передает сигнал в регистр блока 11 на его освобождение и через контакты реле определителя входов 33 включает коммутационный элемент звена в блоке 7 и дает сигнал в определитель входов 33 на освобождение маркера 8 абонентского искания. Очередность обслуживания или использования приборов в маркере 8 регулируется имеющимися в составе его блоков распределителями очередности.
Блок 9 содержит шнуровые комплекты (ШК), выполняющие функции создания тракта передачи информации, обеспечения блокировки созданного тракта передачи информации, контроля за окончанием связи и передачи различного рода сигналов, информирующих абонента об этапах его обслуживания коммутационной системой станции. Шнуровой комплект (ШК) предназначен для создания внутристанционных трактов передачи сигналов электросвязи между входом и выходом коммутационной системы в процессе соединения между собой абонентских, соединительных линий и каналов дальней связи.
Коммутационный блок 10 ступени регистрового искания построен на основе однозвенной полнодоступной схемы, работающей в режиме свободного искания. Он выполнен на одном коммутаторе m×n, в горизонтали которого включено m шнуровых комплектов блока 9 шнуровых комплектов, а в горизонтали включено n регистров блока 11 регистров. Блок 10 предназначен для выбора свободного регистра в блоке 11, соединения выбранных шнурового комплекта блока 9 и регистра блока 11 при установлении соединения вызывающего абонента с вызываемым.
Блок 11 регистров обеспечивает прием импульсов набора и фиксацию номера вызываемого абонента от вызывающего абонента, преобразование его в вид, удобный для работы маркеров 8, 12 и 13, передачу преобразованного адреса (номера) в маркеры.
Основными частями каждого регистра блока 11 регистров, структурная схема которого приведена на фиг.3, являются приемник 36 импульсов, счетная схема 37, блок подключения фиксаторов 38, первый 39 и второй 40 фиксаторы знаков, распределитель 41 очередности считывания, приемопередатчик 42, осуществляющий обмен информацией между регистром и маркером, отбойное устройство 43 и контрольное устройство 44.
Импульсы набора принимаются приемником импульсов 36 и транслируются в счетную схему 37, затем через блок 38 передаются в первый 39 и второй 40 фиксаторы, осуществляющие регистрацию первых двух цифр номера, а третий знак номера фиксируется в счетной схеме 37. По окончании набора номера через приемопередатчик 42 осуществляется запрос маркера и по его команде информация о набранном номере передается в маркер. Порядок передачи цифр номера определяет распределитель очередности считывания 41. Регистр блока 11 освобождается по сигналу, поступающему из маркера в отбойное устройство 43 регистра. Контрольное устройство 44 реагирует на возможные неисправности и сигналы о повреждениях передает через блок 26 программного контроля на блок 27 общестанционной сигнализации. Передача информации из регистров блока 11 в маркеры осуществляется с использованием не кодированного способа передачи сигналов постоянным током.
Маркер 12 регистрового искания выполняет следующие функции: опознает линию (ШК), по которой поступает сигнал занятия, осуществляет пробу и выбор свободных регистров, включает электромагниты координатного соединителя коммутационного блока 10 регистрового искания.
Маркер 12, обслуживающий однозвенный коммутационный блок 10 регистрового искания, содержит (фиг.4) определитель входов 45, пробное устройство 46 и блок 47 включения коммутационных элементов. В состав определителя входов 45 и пробного устройства 46 входят распределители очередности, которые обеспечивают поочередное обслуживание входов блока 10 регистрового искания и занятие регистров блока 11 регистров.
Функционирование маркера 12 регистрового искания происходит следующим образом.
При занятии шнурового комплекта блока 9 шнуровых комплектов вызов поступает на соответствующий вход блока 10 регистрового искания и в схеме определителя входов 45 срабатывают реле, фиксирующие номер вызывающего входа. При наличии нескольких вызовов порядок их обслуживания определяется распределителем очередности данного блока 45. Опознаватель входов 45 включает пробное устройство 46, которое производит пробу регистров блока 11 на занятость и с помощью своего распределителя очередности выбирает один из свободных. По окончании пробы в контактах реле определителя входов 45 и пробного устройства 46 создаются цепи включения электромагнитов МКС (или коммутационных элементов матрицы). Благодаря срабатыванию электромагнитов МКС или коммутационной матрицы блока 10 регистрового искания выбранный шнуровой комплект подключается к выбранному регистру блока 11, а в опознаватель входов 45 подается сигнал на освобождение маркера 12 регистрового искания.
Маркер 13 группового искания выполняет следующие функции: опознает линию, по которой поступил сигнал занятия, принимает из регистра блока 11 регистров информацию о направлении искания (одну или две цифры), осуществляет выбор направления, пробу и выбор свободных соединительных путей, обеспечивает ограничение по входящей внешней связи групп абонентов и включает электромагниты координатного соединителя первого 15 коммутатора (звено А) и второго 17 коммутатора (звено В) коммутационного блока 14 группового искания.
Структурная схема маркера 13 группового искания, управляющего установлением соединения в пределах одного двухзвенного коммутационного блока 14, приведена на фиг.5. Он содержит определитель входов 48, кодовый приемопередатчик 49, определитель направлений 50, пробное устройство 51 и блок включения 52 коммутационных элементов, находящихся в коммутационных матрицах 15 и 17 соответственно звена А и В коммутационного блока 14 группового искания.
Функционирование маркера 13 группового искания осуществляется следующим образом.
Регистр блока 11 регистров, приняв и зафиксировав полный абонентский номер, по тракту соединения дает сигнал занятия в определитель входов 48, который определяет номер вызывающего входа. При одновременном поступлении нескольких вызовов они обслуживаются в порядке, определяемом распределителем очередности блока 48. Затем определитель входов 48 подключает к опознанному входу кодовый приемопередатчик 49. Последний после передачи сигнала готовности к приему информации принимает из регистра блока 11 цифры номера, определяющие направление группового искания, декодирует их и выдает в определитель направлений 50. По полученной информации определитель направлений 50 находит нужное направление группового искания. После того как в маркере 13 зафиксирована информация о номере вызывающего входа и номере требуемого направления, пробное устройство 51 производит пробу и выбор свободных промежуточных линий блока 16 между звеньями 15 и 17 коммутационного блока 14 и выходов в данном направлении. Порядок их занятия определяется с помощью распределителя очередности пробного устройства 51. По окончании пробы и выбора в контактах реле определителя направлений 50, определителя входов 48 и пробного устройства 51 создаются цепи включения коммутационных элементов первого 15 и второго 17 коммутаторов блока 14. Сработав, коммутационные элементы обеспечивают подключение шнурового комплекта блока 9 к одному из выходов нужного направления и дают в определитель входов 48 сигнал на освобождение маркера 13 группового искания.
При отсутствии свободных выходов и промежуточных линий кодовый приемопередатчик 49 получает из пробного устройства 51 сигнал “Абонент недоступен”, кодирует его и передает в регистр блока 11 регистров. Опознаватель входов 48 получает из шнурового комплекта блока 9 шнуровых комплектов сигнал на освобождение маркера 13 группового искания.
Двухзвенный коммутационный блок 14 группового искания в составе первого 15 коммутатора (звено А), блока 16 промежуточных линий и второго 17 коммутатора (звено В) предназначен для подключения первого 18, второго 19 и третьего 20 комплектов соединительных линий и комплекта 23 канала дальней связи, создания трактов для установления соединения и ведения переговоров между абонентами по соединительным линиям и каналам дальней связи. Коммутационный блок 14 может быть выполнен также в виде коммутаторов различной емкости, построенных на основе матричного координатного соединителя или прямоугольной матрицы. В каждой точке коммутации в качестве исполнительных элементов могут быть включены, например, два трехпроводных поляризованных герконовых реле типа РЭС-44. При этом четыре провода используются для коммутации четырехпроводного разговорного тракта, один провод для сигнализации и один – для удержания точки коммутации.
Первый 18, второй 19 и третий 20 комплекты соединительных линий (СЛ) предназначены для приема сигнала занятия от встречной станции, подключения к линии через свою схему регистра и трансляцию в него импульсов, посылки и контроля посылки вызова, приема от абонента сигнала ответа и питания микрофона абонента, приема сигнала отбоя и передачи сигнала “Занято” на встречную станцию в случае занятости абонента.
Комплекты 18, 19 и 20 соединительных линий (КСЛ) могут быть одностороннего и двустороннего действия, работающие по двухпроводным, трехпроводным или четырехпроводным соединительным линиям. Комплекты соединительных линий могут работать как в двухпроводном, так и в четырехпроводном режимах. К комплектам СЛ станции подключаются в двухпроводном режиме линии от станций АТС и ЦБ, а в четырехпроводном режиме подключаются линии от станций АТС дальней связи. Переход с четырехпроводного режима на двухпроводный режим в предлагаемой станции обеспечивается с помощью блока дифференциальных систем.
Блок 21 межстанционной связи предназначен для обслуживания станции, установления двухсторонней полуавтоматической и автоматической связи между различными АТС и оказания помощи абонентам при возникновении аварийной ситуации на телефонной станции и для выхода на каналы дальней связи через другие телефонные станции, не входящие в данную сеть телефонной связи.
Вариант выполнения блока 21 межстанционной связи приведен на фиг.6. Блок 19 содержит первый 53 приемник вызова, пульт управления 54, блок 55 разговорных приборов, коммутационную матрицу 56 и второй 57 приемник вызова. При этом к первому информационному входу-выходу коммутационной матрицы 56 подключен пятый выход-вход блока 9 шнуровых комплектов, второй информационный вход-выход коммутационной матрицы 56 подключен к третьему 20 комплекту соединительной линии и параллельно ко входу первого 53 приемника вызова, выход которого соединен с первым входом пульта управления 54, управляющие выходы которого подключены к управляемым входам коммутационной матрицы 56, к третьему и четвертому информационным входам-выходам которого подключены соответственно линия 22 внешней связи и линия 23 заказной связи, а разговорные цепи и цепи управления коммутационной матрицы соединены с соответствующими цепями блока 55 разговорных приборов, сигнальный вход-выход пульта управления 54 является сигнальными входом-выходом блока 21 межстанционной связи и подключен к соответствующим выходу-входу блока 27 общестанционной сигнализации.
Пульт управления 54 блока 21 оборудован ключами и кнопками для выбора линейных комплектов и выдачи управляющей команды на соединение выбранных входа и выхода в коммутационной матрице 56, вызывными приборами в составе генератора вызова и номеронабирателя, с помощью которых оператор осуществляет посылку вызова по линиям и каналам связи.
Разговорные приборы блока 55 включают микротелефонную трубку, ручной микрофон с усилителем передачи и громкоговоритель с усилителем приема, при помощи которых оператор станции подключается в сторону линии или абонента, ведет опрос абонентов.
Блок 21 межстанционной связи подключается к линиям и каналам связи через первый 15 коммутатор, блок 16 промежуточных линий, второй коммутатор 17 коммутационного блока 14 группового искания или через блок 9 шнуровых комплектов и коммутационный блок 14 группового искания, а линия 22 внешней связи и линия 23 заказной связи подключены к блоку 21 непосредственно. При выходе к абонентам своей АТС и других станций номер абонента набирается с помощью номеронабирателя на пульте управления 54 блока 21.
Блок 24 предназначен для обмена сигналами взаимодействия между оконечными приборами телефонной станции при работе по каналам дальней связи. Он обеспечивает анализ сигналов взаимодействия, номеров абонентов и команд на установление вида связи, передачу и прием сигналов из канала, преобразование принятых сигналов взаимодействия в соответствующие команды, формирование на основе принятой информации сигналов управления и посылку вызова как в сторону абонента через блоки 21 и 9, так и в сторону канала через комплект 25 канала дальней связи.
Техническая реализация блока 24 сигналов взаимодействия приведена на фиг.7. Блок 24 содержит приемник 58 сигналов взаимодействия, транслятор 59 и генератор 60 сигналов взаимодействия, управляемый вход которого соединен с управляющим выходом транслятора 59, к сигнальному входу которого подключен выход приемника 58. Информационные вход и выход транслятора 59 подключены соответственно к приемной и передающей цепям комплекта 25 канала дальней связи, к приемной цепи которого параллельно с информационным входом транслятора 59 подключен вход приемника 58, а выход генератора 60 сигналов взаимодействия соединен с передающей цепью комплекта 25 канала дальней связи и параллельно с информационным выходом транслятора 59.
Транслятор 59 предназначен для формирования, кодирования и декодирования линейных сигналов, трансляции сигналов управления, автоматического регулирования уровней приема и передачи, а также величины остаточного затухания канала при оконечных и транзитных соединениях, сопряжения двухпроводных разговорных трактов с четырехпроводными каналами при оконечных соединениях. Используемый в станции транслятор двустороннего действия содержит блок дифференциальных систем и удлинителей, блок исходящей связи, блок входящей связи, определитель вида связи и блок сигнализации.
Блок 24 сигналов взаимодействия может быть выполнен также в виде устройства для сопряжения ручных телефонных станций с АМТС по каналам дальней связи, описанного в [5].
Комплект 25 канала дальней связи предназначен для подключения к станции четырехпроводных стандартных каналов тональной частоты или цифровых каналов и выхода через транслятор 59 блока 24 сигналов взаимодействия на второй 17 коммутатор коммутационного блока 14 группового искания.
Блок 26 программного контроля предназначен для контроля маркеров абонентского 8, регистрового 12 и группового 13 искания, шнуровых комплектов блока 9 шнуровых комплектов и регистров блока 11 регистров посредством установления контрольных соединений.
В качестве технической реализации блока 26 программного контроля на фиг.8 приведен вариант его структурно-функциональной схемы. Блок 26 программного контроля содержит приемник вызова 61, блок 62 формирования сигналов сброса, блок 63 элементов памяти, формирователь 64 блокировки контролируемых приборов, блок 65 формирования режимов контроля, блок 66 памяти блокировки приборов, блок 67 запуска, формирователь 68 команд управления, формирователь 69 блокировки системы контроля станции и схему 70 набора номера.
Блок 27 общестанционной сигнализации предназначен для визуального контроля за состоянием (свободен или занят, авария) каналов и линий, отображения данных о состоянии абонентских, соединительных линий и каналов связи, элементов коммутационного поля и режима работы станции в целом. Он содержит платы управления, схемы управления светодиодами и реле, схемы приема и запоминания декодированных команд, поступающих с выхода маркера 8 и блока 9 шнуровых комплектов, передачи в блок 26 данных о ходе процессов установления соединения, а также приема с выхода блока 21 межстанционной связи сигналов об установлении соединения и ведения обмена по каналам дальней связи.
Автоматическая телефонная станция обеспечивает установление внутренних, входящих, исходящих и транзитных соединений, а также исходящие, входящие и транзитные соединения по каналам дальней связи.
Внутреннее соединение осуществляется между абонентами сети местной связи, т.е. между абонентами, включенными в одну и ту же станцию.
Общий порядок установления соединения разделяется на два этапа:
на первом этапе происходит прием вызова от абонентского комплекта или комплекта соединительной линии (СЛ), отыскание и подключение регистра к ним для приема информации;
на втором этапе по принятой информации определяется характер соединения (внутреннее или внешнее), проба на занятость вызываемого абонентского комплекта (АК) или комплекта СЛ, выбор и занятие шнурового комплекта и составление разговорного тракта.
При внутреннем соединении абонентский комплект 1 принимает вызов от абонента с АЛ и формирует сигнал запроса в маркер 8 абонентского искания, который отыскивает свободный регистр (Peг) в блоке 11 и промежуточную линию, доступную как для абонентского комплекта, так и для регистра. После подключения регистра блока 11 абонент получает сигнал “Ответ станции” (“ОС”) и может набирать номер вызываемого абонента.
Процесс установления соединения происходит следующим образом.
При снятии вызывающим абонентом микротелефонной трубки сигнал вызова с телефонного аппарата через абонентскую линию (АЛ) поступает на абонентский комплект 1. Абонентский комплект 1 фиксирует вызов и занимает маркер 8 абонентского искания для обслуживания соединения, передает в него информацию о номере вызывающего абонента. Маркер 8 определяет этот номер, отыскивает свободный шнуровой комплект (ШК) в блоке 9 и промежуточную линию в блоке 4 между первым 3 и 5 коммутаторами (звено А и В) блока 2, по которой может быть установлено соединение вызывающего абонента с этим шнуровым комплектом. Если такой свободный ШК отсутствует, то маркер 8 абонентского искания через определенное время освобождается, а абонент получает сигнал “Занято” из своего абонентского комплекта 1.
Если свободный ШК выбран, то маркер 8 включает точки коммутации в первом 3 и втором 5 коммутаторах (звено А и В) блока 2, соединяя абонентский комплект 1 со свободным шнуровым комплектом блока 9, и отключается. К шнуровому комплекту блока 9 подключается маркер 10 регистрового искания (МРИ), который выбирает свободный регистр в блоке 11 регистров, обеспечивает подключение его через схему регистрового искания блока 10 к выбранному шнуровому комплекту блока 9 и отключается. Из схемы регистра блока 11 абонент получает сигнал ответ станции (“ОС”). На этом заканчивается первый этап установления соединения.
Второй этап начинается с фиксации первой цифры в регистре блока 11 и запроса маркера 8 абонентского искания для анализа этой цифры. Если цифра соответствует индексу своей станции, то запрос снимается и регистр блока 11 фиксирует все остальные цифры абонентского номера. Затем вновь производится запрос маркера 8 и анализ принятого номера, а также проба на занятость требуемого абонентского комплекта 1, и если он свободен, то отыскивается свободный и доступный ему в данный момент времени шнуровой комплект блока 9, а от выбранного шнурового комплекта производится проба в блоке 4 промежуточной линии, доступной вызываемому абоненту.
В результате включения точек коммутации в первом 3 и втором 5 коммутаторах блока 2 составляется разговорный тракт, регистр блока 11 отключается, из шнурового комплекта блока 9 абоненту посылается вызов, а вызывающему абоненту – контроль посылки вызова (КПВ). Шнуровой комплект блока 9 фиксирует ответ и удерживает соединение до отбоя.
При этом абонент, услышав сигнал “ОС”, набирает номер вызываемого абонента, который фиксируется регистром блока 11. Регистр после фиксации последней цифры полного номера через регистровый искатель блока 10 и шнуровой комплект блока 9 занимает маркер 13 группового искания (МГИ) и передает в него информацию о направлении искания. Получив эту информацию, маркер 13 производит групповое искание: определяет требуемое направление и пробует на занятость выходы в этом направлении. Если свободные выходы имеются, то маркер 13 группового искания выбирает в блоке 16 промежуточную линию между первым 15 и вторым 17 коммутаторами (звено А и В) коммутационного блока 14 группового искания, с помощью которой вызывающий вход может быть соединен с найденным выходом, включает соответствующие точки коммутации указанных коммутаторов и отключается. Если нет свободных выходов в требуемом направлении или свободной и доступной промежуточной линии блока 16 между первым 15 и вторым 17 коммутаторами (звено А и В) блока 14, то маркер 13 отключается, а вызывающий абонент получает сигнал “Занято”.
Далее по установленному пути через ступень ГИ регистр блока 11 занимает маркер 8 абонентского искания и передает в него информацию о номере вызываемого абонента. По этой информации маркер 8 абонентского искания определяет абонентский комплект 1, в который включена линия вызываемого абонента, и если вызываемый абонент свободен, то выбирает путь соединения этого абонентского комплекта 1 с обслуживаемым входом третьего 7 коммутатора (звено С) коммутационного блока 2 абонентского искания. При наличии такого пути маркер 8 абонентского искания дает команду на включение соответствующих точек коммутации первого 3 и второго 5 коммутаторов коммутационного блока 2 абонентского искания для осуществления соединения вызывающего и вызываемого абонентов между собой. Тракт устанавливается по цепи: абонентский комплект 1 вызывающего абонента, точки коммутации первого 3 коммутатора, первый 4 блок промежуточных линий, точки коммутации второго 5 коммутатора блока 2, выбранный шнуровой комплект блока 9, точки коммутации первого 15 коммутатора, блок 16 промежуточных линий и точки коммутации второго 17 коммутатора блока 14 группового искания, третий 7 коммутатор, второй 6 блок промежуточных линий, второй 5 коммутатор, первый 4 блок промежуточных линий, первый 3 коммутатор блока 2 абонентского искания и абонентский комплект 1 вызываемого абонента. После создания точек коммутации маркер 8 абонентского искания отключается, освобождая регистр блока 11.
Дальнейшее обслуживание соединения производится из шнурового комплекта блока 9, который через второй 5 коммутатор, первый блок 4 промежуточных линий, первый 3 коммутатор блока 2 и абонентский комплект 1 посылает вызов переменным током в абонентскую линию (АЛ) вызываемого абонента, подает по тому же пути тональный сигнал “Контроль посылки вызова” (КПВ) в линию вызывающего абонента, принимает сигнал ответа от вызываемого абонента и переводит свою схему в разговорное состояние, обеспечивает питание микрофонов телефонных аппаратов обоих абонентов, создает в первом 3 и втором 5 коммутаторах блока 2 цепи удержания в рабочем состоянии двух точек коммутации, с помощью которых вызывающий и вызываемый абоненты проключаются через ступень абонентского искания коммутационного блока 2 к шнуровому комплекту блока 9, принимает сигнал отбоя и осуществляет разъединение абонентов.
На этом заканчивается второй этап установления внутреннего соединения.
После окончания переговоров происходит отбой. Если в рассматриваемом случае первым положил трубку вызывающий абонент, то после обрыва линии задействованный шнуровой комплект блока 9 обесточивает точки коммутации в первом 3 и втором 5 коммутаторах блока 2 и освобождается. Если второй абонент к этому моменту не положил микротелефонную трубку, то ему посылается сигнал “Занято” из его абонентского комплекта 1.
Установление исходящей внешней связи по СЛ к встречной станции АТС происходит также в два этапа.
При исходящей внешней связи подключение линии вызывающего абонента к регистру осуществляется так же, как и при внутреннем соединении. На втором этапе соединения регистр, зафиксировав набранный номер, передает в маркер группового искания цифру (или цифры), определяющую направление внешней связи. Маркер группового искания определяет требуемое направление искания и выбирает одну из свободных соединительных линий в этом направлении, затем выбирает точки коммутации на звеньях А и В и промежуточную линию между ними, включает точки коммутации, присоединяя тем самым шнуровой комплект к комплекту соединительной линии требуемого направления. Далее маркер ГИ передает в регистр сигнал о порядке его последующей работы.
Если встречная станция однотипна, то возможны два варианта передачи номера в зависимости от типа используемых комплектов соединительных линий. По первому варианту передача номера не отличается от ранее рассмотренного способа взаимодействия с АТС других систем с отключением своего регистра. По второму варианту регистр фиксирует весь номер, в том числе и цифры, относящиеся к установлению соединения на встречной станции, и после получения сигнала от нее передает информацию о номере быстродействующим кодом по соединительной линии непосредственно в маркеры группового и абонентского искания встречной АТС.
При входящей внешней связи занимается комплект СЛ. Далее, если взаимодействие осуществляется по первому варианту, то маркер регистрового искания подключает к комплекту регистр, который принимает последующую информацию о номере от абонента исходящей АТС.
При взаимодействии однотипных АТС по второму варианту сигнал занятия от комплекта СЛ поступает непосредственно в маркер ГИ. Регистр исходящей АТС, получив сигнал подключения маркера группового искания, выдает соответствующие части номера сначала в маркер ГИ, а затем в маркер абонентского искания входящей АТС. Дальнейший порядок установления соединения аналогичен рассмотренному для внутреннего соединения, с той лишь разницей, что функции шнурового комплекта на входящей станции выполняет комплект соединительной линии или канальный комплект.
Отбой на станции односторонний – от любого абонента. При любых видах соединения сигнал отбоя воспринимается шнуровым комплектом (комплектом соединительной линии или канальным комплектом), который размыкает цепи удержания электромагнитов точек коммутации в ступенях искания, и соединение разрушается. Все приборы станции возвращаются в исходное состояние.
Порядок установления соединений по каналам дальней связи следующий.
Исходящее автоматическое соединение по каналу дальней связи.
При снятии вызывающим абонентом микротелефонной трубки происходит проключение его линии через абонентский комплект 1 и коммутационный блок 2 абонентского искания к свободному шнуровому комплекту блока 9, с помощью которого к абонентской линии подключается регистр блока 11. Абонент набирает двузначный номер требуемой станции. Под управлением маркера 13 группового искания обеспечивается проключение абонентской линии через блоки 15, 16 и 17 на транслятор 59 блока 24 сигналов взаимодействия и далее в канал 25 дальней связи требуемого направления. При ответе встречной станции (второй сигнал готовности) абонент набирает четырехзначный абонентский номер, который передается через транслятор 59 блока 24 сигналов взаимодействия к приборам входящей встречной станции. Последовательность установления исходящего автоматического соединения следующая: занятие абонентского комплекта 1 станции и маркера 8 абонентского искания, проба промежуточных линий в блоке 2 абонентского искания, проба и занятие шнурового комплекта блока 9 шнуровых комплектов, проключение абонентского комплекта 1 на шнуровой комплект блока 9, освобождение маркера 8 абонентского искания, занятие регистра блока 11, посылка сигнала готовности станции к набору номера, набор номера направления связи (канала 25 дальней связи), занятие маркера 13 группового искания, проба и занятие транслятора 59 блока 24 сигналов взаимодействия, проключение выбранного шнурового комплекта блока 9 на транслятор 59 блока 24 сигналов взаимодействия, освобождение регистра блока 11, освобождение маркера 13 группового искания и занятие транслятора 59 блока 24 встречной станции.
Входящее автоматическое соединение.
Сигнал занятия с канала 25 поступает на транслятор 59 блока 24 сигналов взаимодействия, к которому через второй 17 коммутатор блока 14 и маркер 13 группового искания подключается регистр блока 11 регистров. Вызывающему абоненту через абонентский комплект 1 посылается сигнал готовности станции к набору номера. Первые две цифры набираемого номера принимаются регистром блока 11. По первой цифре определяется необходимость установления оконечного соединения, а по второй – номер коммутатора блока 2 абонентского искания, в который включен вызываемый абонент. Через коммутационный блок 14 группового искания выход транслятора 59 блока 24 сигналов взаимодействия проключается к свободному шнуровому комплекту блока 9. К занятому шнуровому комплекту блока 9 подключается регистр блока 11, который получает через транслятор 59 блока 24 информацию о номере вызываемого абонента (последние две цифры). Далее маркер 8 абонентского искания через второй 5 коммутатор, первый 4 блок промежуточных линий и первый 3 коммутатор блока 2 абонентского искания проключает шнуровой комплект блока 9 на абонентский комплект 1 вызываемого абонента. При ответе вызываемого абонента транслятор 59 блока 24 входящей станции и транслятор 59 блока 24 исходящей станции устанавливаются в разговорное состояние. Последовательность установления входящего автоматического соединения следующая: занятие транслятора 59 блока 24 станции, занятие регистра блока 11, посылка сигнала готовности к набору номера, набор номера, занятие маркера 13 группового искания, проба и выбор промежуточных линий, проба и выбор шнурового комплекта блока 9, проключение транслятора 59 блока 24 на шнуровой комплект, освобождение маркера 13 группового искания, прием последних двух цифр номера регистром блока 11, занятие маркера 8 абонентского искания, проба промежуточных линий блока 2 абонентского искания, проключение выбранного шнурового комплекта блока 9 на абонентский комплект 1 через коммутаторы блока 2, освобождение регистра блока 11, освобождение маркера 8 абонентского искания, проба абонентского комплекта 1 на занятость, посылка вызова вызываемому абоненту, передача сигнала контроля посылки вызова (КПВ).
Исходящее полуавтоматическое соединение по каналу дальней связи.
При необходимости установления полуавтоматического исходящего соединения абонент набирает номер, например 0. При этом занятый шнуровой комплект блока 9 соединяется непосредственно с блоком 21 межстанционной связи, зажигая вызывную лампу на пульте управления 54 блока 21. Подключившись к вызывающему абоненту и опросив его, оператор, набирая код требуемого направления (соединительной линии или канала дальней связи) и номер вызываемого абонента, продолжает устанавливать соединение за вызывающего абонента. Оператор устанавливает заказное соединение, подключаясь к транслятору 59 блока 21 через линию 23 заказной связи и комплект 25 канала дальней связи, путем набора номера в сторону канала дальней связи, и осуществляя вызов местного абонента набором его номера. Подключение к каналу 25 через транслятор 59 блока 21 может быть непосредственным, без набора его номера.
При установлении исходящего полуавтоматического соединения оператор с помощью пульта управления 54 блока 21 межстанционной связи через блок 24 сигналов взаимодействия подключается к комплекту 25 канала дальней связи и производит пробу на занятость канала, в который включен вызываемый абонент на встречной станции. Если канал свободен, то оператор осуществляет набор номера вызываемого абонента. Импульсы набора номера принимаются транслятором 59 блока 24 и транслируются им в канал 25 дальней связи и далее по каналу сигналы поступают на встречную станцию, на которой происходит входящее соединение по каналу дальней связи.
Входящее полуавтоматическое соединение по каналу дальней связи.
В случае необходимости выхода на станцию со стороны канала 25 дальней связи абонент встречной станции набирает номер, например 0, при этом транслятор 59 блока 24 через линию 23 заказной связи подключается непосредственно к блоку 21 межстанционной связи. От абонента оператором станции принимается заказ на соединение с местным абонентом. Выполняя заказ, оператор станции через транслятор 59 блока 24 подключается к каналу 25, по которому поступил вызов, производит набор номера в сторону вызываемого абонента и подключает его к каналу 25 через ступени группового и абонентского искания. При установлении входящего соединения сигналы из канала 25 поступают на блок 24 сигналов взаимодействия. В блоке 24 при занятии транслятора 59 входящим соединением от приемника 58 сигналов взаимодействия поступает сигнал “Занятие”, блок 24 через второй 17 коммутатор блока 14 и маркер 13 группового искания занимает регистр блока 11 регистров, из которого в канал подается сигнал “Ответ станции”. Одновременно с этим транслятор 59 блокируется от других занятий. Импульсы набора номера от приемника 68 поступают в регистр блока 11. При проключении транслятора через второй 17 коммутатор блока 14 группового искания разговорные провода транслятора 59 проключаются в соответствии с видом соединения и проводностью абонентской линии. Отбой аналогичен отбою при исходящем соединении.
При входящем полуавтоматическом соединении вызов с комплекта 25 канала дальней связи через транслятор 59 и линию 23 фиксируется на канальном комплекте блока 21 межстанционной связи. Кроме того, на блоке 24 сигналов взаимодействия включается сигнализация приема вызова, если канал включен через указанный блок. Оператор подключается к каналу 25 дальней связи с помощью пульта управления 54 блока 21 межстанционной связи, опрашивает абонента и, получив заказ (номер вызываемого абонента), передает информацию о номере вызываемого абонента в регистр блока 11 регистров. Далее соединение устанавливается так же, как и при внутреннем соединении абонентов.
Разъединение (отбой) при полуавтоматических соединениях происходит обычным способом без участия оператора. Передача сигнала “Отбой” в канал и прием его из канала связи осуществляется автоматически с помощью узла автоматики блока канальных комплектов.
Техническая эффективность предлагаемой автоматической телефонной станции заключается в повышении надежности тракта для ведения переговоров и качества обслуживания абонентов, достигаемых за счет реализации в станции трехзвенной ступени в блоке 2 абонентского искания и двухзвенной ступени в блоке 14 группового искания, введения блока 26 программного контроля обслуживающих приборов, обеспечивающего уменьшение непроизводительных затрат времени на получение информации о состоянии включенных в станцию абонентских соединительных линий и каналов связи, исполнительных элементов коммутационного поля, вызывных цепей и разговорных трактов для передачи телефонных сообщений, а также в расширении функциональных возможностей станции за счет обеспечения полуавтоматического и автоматического установления соединения по каналам дальней связи.
Применение группообразования для построения коммутационного поля в предлагаемой автоматической телефонной станции со ступенями абонентского и группового искания способствовало значительному сокращению точек коммутации. Расчеты показали, что выигрыш по точкам коммутации в предлагаемой станции, имеющей емкость в 100 абонентов, по сравнению с прототипом составляет примерно в три раза, а это приводит к повышению надежности тракта установления соединения примерно на 40 процентов.
Источники информации
1. SU авторское свидетельство №572942, кл. Н 04 М 3/00, 1977.
2. US патент №4016372, кл. Н 04 М 3/64, НКИ 179-27, 1975.
3. SU авторское свидетельство №487466, кл. Н 04 М 3/00, 1975.
4. Военные системы коммутации и телефония. Б.А.Гордиенко, В.Н.Филиппов, Л.П.Щербина. / Под ред. Б.А.Гордиенко. – ВАС, 1984, с.117 (прототип).
5. SU авторское свидетельство №566396, кл. Н 04 М 7/00, 1977.
Формула изобретения
Автоматическая телефонная станция, содержащая n абонентских комплектов, блок шнуровых комплектов, коммутационный блок регистрового искания, первые входы-выходы которого соединены с первыми входами-выходами блока регистров, к управляющим выходам-входам которого подключены первые управляющие входы-выходы каждого из n абонентских комплектов, первый, второй и третий комплекты соединительных линий, комплект канала дальней связи, отличающаяся тем, что в нее введены трехзвенный коммутационный блок абонентского искания в составе первого, второго и третьего коммутаторов, первого и второго блока промежуточных линий, маркер абонентского искания, маркер регистрового искания, маркер группового искания, двухзвенный коммутационный блок группового искания в составе первого и второго коммутаторов и блока промежуточных линий, блок межстанционной связи, абонентский комплект линии внешней связи, линию заказной связи, блок сигналов взаимодействия, блок программного контроля и блок общестанционной сигнализации, к первому, второму и третьему сигнальным входам-выходам которого подключены соответствующие выходы-входы блока межстанционной связи, блока сигналов взаимодействия и блока программного контроля, при этом информационные входы-выходы каждого из п абонентских комплектов подключены ко входам-выходам первого коммутатора трехзвенного коммутационного блока абонентского искания, m выходов-входов которого через первый блок промежуточных линий соединены с первыми входами-выходами второго коммутатора трехзвенного коммутационного блока абонентского искания, вторые выходы-входы которого соединены с первыми информационными входами-выходами блока шнуровых комплектов, вторые информационные входы-выходы которого через замыкающие контакты исполнительных элементов первого коммутатора двухзвенного коммутационного блока группового искания подключены к первому комплекту соединительной линии, третьи выходы-входы первого коммутатора двухзвенного коммутационного блока группового искания через блок промежуточных линий соединены с первыми входами-выходами второго коммутатора двухзвенного коммутационного блока группового искания, вторые, третьи и четвертые информационные входы-выходы которого подключены соответственно к первым входам-выходам третьего коммутатора трехзвенного коммутационного блока абонентского искания, ко второму комплекту соединительной линии и к первым информационным входам-выходам абонентского комплекта линии внешней связи, четвертые и пятые входы-выходы первого коммутатора двухзвенного коммутационного блока группового искания подключены соответственно к первым информационным выходам-входам третьего комплекта соединительной линии и комплекта канала дальней связи, второй вход-выход которого соединен со вторым информационным выходом-входом блока сигналов взаимодействия, первые, вторые, третьи, четвертые и пятые информационные входы-выходы блока межстанционной связи подключены соответственно к третьему дополнительному информационному входу-выходу блока шнуровых комплектов, ко второму информационному входу-выходу третьего комплекта соединительной линии, ко второму информационному входу-выходу абонентского комплекта линии внешней связи, ко второму информационному входу-выходу линии заказной связи и к третьему информационному входу-выходу блока сигналов взаимодействия, третьи информационные входы-выходы абонентского комплекта линии внешней связи подключены к первому информационному входу-выходу линии заказной связи, а третьи информационные входы-выходы комплекта канала дальней связи соединены с дополнительными входами-выходами коммутационного блока регистрового искания, вторые информационные входы-выходы которого подключены к первым дополнительным информационным выходам-входам блока шнуровых комплектов, вторые дополнительные входы-выходы которого соединены со вторыми информационными выходами-входами блока регистров, вторые выходы-входы третьего коммутатора трехзвенного коммутационного блока абонентского искания через второй блок промежуточных линий соединены с третьими входами-выходами второго коммутатора трехзвенного коммутационного блока абонентского искания, первые управляющие входы-выходы маркера абонентского искания соединены со вторыми управляющими выходами-входами каждого из n абонентских комплектов, а вторые, третьи и четвертые управляющие входы-выходы маркера абонентского искания подключены к цепям включения исполнительных элементов первого, второго и третьего коммутаторов трехзвенного коммутационного блока абонентского искания, а пятые и шестые управляющие входы-выходы маркера абонентского искания подключены соответственно к управляющим выходам-входам блока шнуровых комплектов и блока регистров, первые, вторые и третьи управляющие входы-выходы маркера регистрового искания подключены соответственно к дополнительным управляемым входам-выходам блока шнуровых комплектов, коммутационного блока регистрового искания и блока регистров, третьи информационные входы-выходы которого подключены к первым информационным входам-выходам маркера группового искания, первые и вторые управляющие входы-выходы которого подключены к цепям включения исполнительных элементов соответственно первого и второго коммутаторов двухзвенного коммутационного блока группового искания, а третьи, четвертые и пятые управляющие входы-выходы маркера группового искания подключены соответственно к управляющим выходам-входам первого и второго комплектов соединительных линий и блока сигналов взаимодействия, первые, вторые и третьи управляющие входы-выходы блока программного контроля подключены к контролируемым выходам-входам соответственно маркера абонентского искания, блока шнуровых комплектов и блока регистров.
РИСУНКИ
MM4A – Досрочное прекращение действия патента СССР или патента Российской Федерации на изобретение из-за неуплаты в установленный срок пошлины за поддержание патента в силе
Дата прекращения действия патента: 27.09.2007
Извещение опубликовано: 10.05.2009 БИ: 13/2009
|
|