|
|
(21), (22) Заявка: 2003135881/09, 15.12.2003
(24) Дата начала отсчета срока действия патента:
15.12.2003
(45) Опубликовано: 27.06.2005
(56) Список документов, цитированных в отчете о поиске:
SU 1084998 А, 07.04.1984. SU 1831767 А2, 30.07.1993. RU 2187204 С2, 10.08.2002. US 4193031 А, 11.03.1980. US 4222115 А, 09.09.1980. ПЕТРОВИЧ Н.Т., РАЗМАХНИН М.К. Системы связи с шумоподобными сигналами. – М.: Советское радио, 1969, с.122-123.
Адрес для переписки:
109004, Москва, Николо-Ямский пер., 3а, корп.4, кв.106, Л.Е. Варакину
|
(72) Автор(ы):
Варакин Л.Е. (RU), Варакин А.Л. (RU)
(73) Патентообладатель(и):
Варакин Леонид Егорович (RU), Варакин Александр Леонидович (RU)
|
(54) СПОСОБ ПРИЕМА-ПЕРЕДАЧИ ШИРОКОПОЛОСНЫМИ СИГНАЛАМИ И СИСТЕМА ПРИЕМА-ПЕРЕДАЧИ ШИРОКОПОЛОСНЫМИ СИГНАЛАМИ
(57) Реферат:
Изобретение относится к радиотехнике и может использоваться в системах связи, в частности при разработке общегосударственной системы подвижной и стационарной радиосвязи, в том числе высокоэффективных систем производственной и технологической связи в промышленности, а также радиотелефонных систем массового пользования. Технический результат – повышение надежности работы системы путем выравнивания времени нахождения в работе каналообразующих элементов системы. Для этого предлагается фиксировать время начала передачи для каждого из каналов управляющего широкополосного сигнала “Канал свободен” и передают данные времени начала передачи одновременно с управляющим широкополосным сигналом “Канал свободен” и на абонентских и базовых станциях осуществляют занятие канала с наибольшим временем остававшегося свободным, а также предлагается в системе для приема-передачи широкополосными сигналами с частотно-кодовым разделением абонентов осуществлять подключение второго управляющего выхода переключателя режимов работы с входом выбора канала коммутатора. 2 н.п. ф-лы, 4 ил.

Изобретение относится к радиотехнике и может использоваться в системах связи, в частности при разработке общегосударственной системы подвижной и стационарной радиосвязи, в том числе высокоэффективных систем технологической и производственной связи в промышленности, на сельскохозяйственных предприятиях и агротехнических комплексах, а также радиотелефонных систем массового пользования.
Известен способ приема-передачи широкополосными сигналами (ШПС) в асинхронной адресной системе радиосвязи с кодовым разделением абонентов, при котором каждому абоненту предоставляется индивидуальный ШПС для связи с другими абонентами, для чего ШПС, занимающий весь выделенный частотный диапазон, разделяется на сегменты, количество которых соответствует числу абонентов в системе.
Устройство, реализующее способ, содержит приемник, соединенный через преобразователь частоты, квадратурный канал и демодулятор информационных сигналов (ИС) с микротелефоном, выход которого через последовательно соединенные модулятор ИС и генератор шумоподобных сигналов подключен к передатчику, другой вход которого соединен с генератором опорных частот, а дополнительный выход квадратурного канала соединен с вторым входом генератора шумоподобных сигналов через блок вызова (1).
Недостатком способа и устройства является низкая эффективность использования частотного диапазона.
Наиболее близкими по технической сути к настоящему изобретению являются соответственно способ приема-передачи широкополосными сигналами, с частотно-кодовым разделением абонентов, при котором на каждой базовой станции формируют широкополосный сигнал, который модулируют информационным сообщением и передают на абонентские станции, на каждой из которых принимают модулированный широкополосный сигнал базовой станции, демодулируют и выделяют информационные сообщения, а при выходе на связь передают модулированный широкополосный сигнал, на базовой станции принятый модулированный широкополосный сигнал от соответствующей абонентской станции демодулируют и выделяют информационное сообщение, при этом на каждой базовой станции формируют адресный широкополосный сигнал в заданном частотном диапазоне с неперекрывающимися частотными каналами и общий для всех базовых станций управляющий широкополосный сигнал “Канал свободен”, который излучают непрерывно в каждом свободном частотном канале, а на абонентской станции при выходе на связь перед передачей информационных сообщений принимают управляющий широкополосный сигнал “Канал свободен”, по которому фиксируют свободный частотный канал, по выделенному свободному частотному каналу передают единый для всех абонентских станций управляющий широкополосный сигнал “Канал занят”, при приеме которого на соответствующей базовой станции передают адресный широкополосный сигнал данной базовой станции, на абонентской станции адресный широкополосный сигнал выделяют путем поэлементного накопления, и система для приема-передачи широкополосными сигналами с частотно-кодовым разделением абонентов, содержащая центральную станцию, базовые станции и абонентские станции, причем каждая базовая станция содержит генератор опорных частот, генератор информационных сигналов (ИС) и последовательно соединенные передатчик, элемент развязки и приемник, а также N модемов речевых каналов, причем информационные выходы приемника подключены к первым входам модемов речевых каналов, к вторым входам которых подключены соответствующие информационные выходы центральной станции, к информационным входам передатчика подключены первые выходы модемов речевых каналов, вторые выходы которых подключены к соответствующим информационным входам центральной станции, выходы генератора опорных частот подключены к соответствующим входам передатчика и приемника, а каждая абонентская станция содержит синтезатор частот, блок контроля и последовательно соединенные элемент развязки, приемник, демодулятор ИС, микротелефон, модулятор ИС, коммутатор и передатчик, выход которого подключен к входу элемента развязки, причем к второму входу коммутатора подключен выход модулятора управляющих сигналов (УС), а выход приемника – к входу демодулятора УС, первый выход синтезатора частот подключен к второму входу передатчика, а второй выход – к второму входу приемника, при этом в нее на каждой базовой станции введены модулятор и демодулятор служебных сигналов (СС) и генератор синхроимпульсов, причем к входу генератора опорных частот подключен выход управления частотой центральной станции, служебный выход которой соединен через модулятор СС с входом служебных сигналов передатчика, выход служебных сигналов приемника через демодулятор СС соединен со служебным входом центральной станции, контрольные входы которой соединены с третьими выходами модемов речевых каналов, выход генератора синхроимпульсов подключен к третьим входам модемов речевых каналов и к генератору ИС, выход которого подключен к четвертым входам модемов речевых каналов, а на абонентской станции введены линия задержки, блок сравнения, переключатель режимов работы и последовательно соединенные согласованный фильтр, сумматор, решающий блок, ключ и блок памяти, выход сумматора через линию задержки подключен к второму входу сумматора, выход решающего блока соединен с первым входом блока сравнения, выход которого подключен к управляющему входу ключа, выход блока памяти подключен к второму входу блока сравнения и к генератору ИС, выход которого подключен к вторым входам демодулятора ИС, модулятора ИС и к третьему входу коммутатора, управляющий выход микротелефона подключен к входу запуска переключателя режимов работы, выход демодулятора ИС подключен к информационному входу переключателя режимов работы непосредственно, а к контролируемому входу переключателя режимов работы – через блок контроля, второй вход которого подключен к выходу сигнализации микротелефона, тактовый выход переключателя режимов работы соединен с тактовым входом решающего блока, управляющий выход переключателя режимов работы подключен к соответствующему входу модулятора УС и к адресному входу коммутатора, а выход управления частотой переключателя режимов работы подключен к входу синтезатора частот, выход демодулятора УС – к входу синхронизации переключателя режимов работы, а выход приемника – к входу согласованного фильтра, при этом каждый модем речевого канала базовой станции содержит последовательно соединенные демодулятор УС и переключатель режимов работы, адресный выход которого подключен к адресному входу коммутатора непосредственно, а управляющий выход – к первому входу коммутатора через генератор УС, выход модулятора ИС соединен с третьим входом коммутатора, выход опорного сигнала переключателя режимов работы подключен к первому входу демодулятора ИС, дополнительный выход которого соединен с управляющим входом переключателя режимов работы, при этом объединенные информационный вход переключателя режимов работы, вход демодулятора УС и второй вход демодулятора ИС являются первым входом модема речевого канала, вторым и третьи входами которого являются соответственно второй вход модулятора ИС и второй вход генератора УС, а объединенные первый вход модулятора ИС, второй вход коммутатора и вход опорного сигнала переключателя режимов работы являются четвертым входом модема речевого канала, первым и вторым выходами которого являются соответственно выход коммутатора и первый выход демодулятора ИС, а контрольный выход демодулятора УС является третьим выходом модема речевого канала (SU 1084998 A, H 04 B 7/12, 1984).
К недостаткам указанных способа и устройства можно отнести предоставление абоненту любого свободного канала, что приводит к неравномерной загрузке оборудования и уменьшению надежности работы системы.
Технический результат заключается в повышении надежности работы системы (устройства) путем выравнивания времени нахождения в работе каналообразующих элементов устройства. Для достижения указанного технического результата согласно способу приема-передачи ШПС с частотно-кодовым разделением абонентов, при котором на каждой базовой станции формируют ШПС, который модулируют информационным сообщением и передают на абонентские станции, на каждой из которых принимают модулированный ШПС базовой станции, демодулируют и выделяют информационные сообщения, а при выходе на связь передают модулированный ШПС, на базовой станции принятый модулированный ШПС от соответствующей абонентской станции демодулируют и выделяют информационное сообщение, на каждой базовой станции формируют адресный ШПС в заданном частотном диапазоне с неперекрывающимися частотными каналами и общий для всех базовых станций управляющий ШПС “Канал свободен”, который излучают непрерывно в каждой свободном частотном канале, а на абонентской станции при выходе на связь перед передачей информационных сообщений принимают управляющий ШПС “Канал свободен”, по которому фиксируют свободный частотный канал, по выделенному свободному частотному каналу передают единый для всех абонентских станций управляющий ШПС “Канал занят”, при приеме которого на соответствующей базовой станции передают адресный ШПС данной базовой станции, на абонентской станции адресный ШПС выделяют путем поэлементного накопления, при этом фиксируют время начала передачи для каждого из каналов управления широкополосного сигнала “Канал свободен” и передают данные времени начала передачи одновременно с управляющим широкополосным сигналом “Канал свободен”, и на абонентских и базовых станциях осуществляют занятие канала с наибольшим временем остававшегося свободным.
Система, реализующая указанный способ, содержит центральную станцию, базовые станции и абонентские станции, причем каждая базовая станция содержит генератор опорных частот, генератор ИС и последовательно соединенные передатчик, элемент развязки и приемник, а также N модемов речевых каналов, причем информационные выходы приемника подключены к первым входам модемов речевых каналов, к вторым входам которых подключены соответствующие информационные выходы центральной станции, к информационным входам передатчика подключены первые выходы модемов речевых каналов, вторые выходы которых подключены к соответствующим информационным входам центральном станции, выходы генератора опорных частот подключены к соответствующим входам передатчика и приемника, а каждая абонентская станция содержит синтезатор частот, блок контроля и последовательно соединенные элемент развязки, приемник, демодулятор ИС, микротелефон, модулятор ИС, коммутатор и передатчик, выход которого подключен к входу элемента развязки, причем к второму входу коммутатора подключен выход модулятора УС, а выход приемника – к входу демодулятора УС, первый выход синтезатора частот подключен к второму входу передатчика, а второй выход – к второму входу приемника, на каждой базовой станции введены модулятор и демодулятор служебных сигналов (СС) и генератор синхроимпульсов, причем к входу генератора опорных частот подключен выход управления частотой центральной станции, служебный выход которой соединен через модулятор СС с входом СС передатчика, выход СС приемника через демодулятор СС соединен со служебным входом центральной станции, контрольные входы которой соединены с третьими выходами модемов речевых каналов, выход генератора синхроимпульсов подключен к третьим входам модемов речевых каналов и к генератору ИС, выход которого подключен к четвертым входам модемов речевых каналов, а на абонентской станции введены линия задержки, блок сравнения, переключатель режимов работы и последовательно соединенные согласованный фильтр, сумматор, решающий блок, ключ и блок памяти, выход сумматора через линию задержки подключен к второму входу сумматора, выход решающего блока соединен с первым входом блока сравнения, выход которого подключен к управляющему входу ключа, выход блока памяти подключен к второму входу блока сравнения и к генератору ИС, выход которого подключен к вторым входам демодулятора ИС, модулятора ИС и к третьему входу коммутатора, управляющий выход микротелефона подключен к входу запуска переключателя режимов работы, выход демодулятора ИС подключен к информационному входу переключателя режимов работы непосредственно, а к контролируемому входу переключателя режимов работы – через блок контроля, второй вход которого подключен к выходу сигнализации микротелефона, тактовый выход переключателя режимов работы соединен с тактовым входом решающего блока, управляющий выход переключателя режимов работы подключен к соответствующему входу модулятора УС и к адресному входу коммутатора, а выход управления частотой переключателя режимов работы подключен к входу синтезатора частот, выход демодулятора УС – к входу синхронизации переключателя режимов работы, а выход приемника – к входу согласованного фильтра, при этом каждый модем речевого канала базовой станции содержит последовательно соединенные демодулятор УС и переключатель режимов работы, адресный выход которого подключен к адресному входу коммутатора непосредственно, а управляющий выход – к первому входу коммутатора через генератор УС, а второй управляющий выход переключателя режимов работы соединен с входом выбора канала коммутатора, выход модулятора ИС соединен с третьим входом коммутатора, выход опорного сигнала переключателя режимов работы подключен к первому входу демодулятора ИС, дополнительный выход которого соединен с управляющим входом переключателя режимов работы, при этом объединенные информационный вход переключателя режимов работы, вход демодулятора УС и второй вход демодулятора ИС являются первым входом модема речевого канала, вторым и третьим входами которого являются соответственно второй вход модулятора ИС и второй вход генератора УС, а объединенные первый вход модулятора ИС, второй вход коммутатора и вход опорного сигнала переключателя режимов работы являются четвертым входом модема речевого канала, первым и вторым выходами которого являются соответственно выход коммутатора и первый выход демодулятора ИС, а контрольный выход демодулятора УС является третьим выходом модема речевого канала.
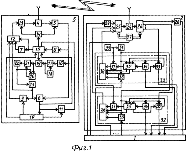
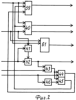
На фиг.1 представлена структурная электрическая схема системы для приема-передачи ШПС; на фиг.2 – вариант реализации переключателя режимов работы базовой станции; на фиг.3 – вариант реализации переключателя режимов работы абонентской станции; на фиг.4 – временные диаграммы, поясняющие работу системы.
Способ осуществляется следующим образом.
В соответствии с сотовым принципом организации связи вся территория обслуживания разбивается на большое число малых зон с базовыми станциями в центре каждой из них, а предоставленный для системы частотный диапазон делят на ряд поддиапазонов, которые распределяются между соседними базовыми станциями. Каждый поддиапазон содержит определенное число неперекрывающихся частотных каналов, по каждому из которых осуществляется связь с одной абонентской станцией.
Для уменьшения влияния взаимных помех каждой базовой станции предоставляется адресный ШПС, который используется всеми абонентскими станциями, находящимися в зоне действия данной базовой станции для определения своего местоположения и передачи информации.
Если частотный канал базовой станции свободен, т.е. по нему не ведется обмен информацией с абонентской станцией, то передатчик базовой станции непрерывно излучает в данном частотном канале общий для всех базовых станций управляющий ШПС “Канал свободен”, при этом в данном сигнале присутствует информация о времени начала его излучения.
Этот сигнал используется для синхронизации абонентской станции, которая, последовательно настраиваясь на каждый частотный канал, в течение определенного времени выносит решение о наличии управляющего ШПС “Канал свободен” в рассматриваемом канале. Если управляющий ШПС “Канал свободен” обнаружен, поиск по частоте заканчивается, и на абонентской станции формируют и непрерывно передают в этом же частотном канале единый для всех абонентских станций управляющий ШПС ‘”Канал занят” для синхронизации базовой станции. Базовая станция принимает управляющий ШПС” “Канал занят” абонентской станции в своем частотном поддиапазоне и вместо управляющего ШПС “Канал свободен” передает обслуживаемой абонентской станции адресный ШПС, указывающий на свободный канал, наиболее длительно остававшийся незанятым.
На абонентской станции фиксируют пропадание управляющего ШПС “Канал свободен”, и передача управляющего ШПС “Канал занят” прекращается, при этом в приемном тракте абонентской станции при наличии синхронизации и отсутствии информации о структуре адресного ШПС восстанавливают переданную последовательность символов адресного ШПС путем накопления и последовательной коррекции его по результатам сравнения. Абонентская станция использует восстановленный адресный ШПС для передачи своего номера той базовой станции, с которой установлена связь, и в дальнейшем на время сеанса связи с базовой станцией для модуляции и демодуляции информационных сообщений.
Если абонент находится в режиме свободного перемещения и не передает информацию, базовая станция начинает вновь передавать в свободном канале управляющий ШПС “Канал свободен”. При переходе подвижной абонентской станции в зону обслуживания другой базовой станции повторяется процедура поиска свободного канала, синхронизации и вхождения в связь. Информация о местонахождении подвижных абонентов передается базовыми станциями по проводным линиям связи на центральную станцию, которая осуществляет хранение данных о местоположении всех подвижных абонентов и производит необходимую коммутацию при их перемещении.
Система приема-передачи ШПС содержит центральную 1, базовую 2 и абонентскую 3 станции, в состав последней входят элемент 4 развязки, приемник 5, демодулятор 6 УС, модулятор 7 УС, демодулятор 8 ИС, модулятор 9 ИС, микротелефон 10, блок 11 контроля, коммутатор 12, передатчик 13, синтезатор 14 частот, переключатель 15 режимов работы, согласованный фильтр 16, сумматор 17, линия 18 задержки, решающий блок 19, блок 20 сравнения, ключ 21, блок 22 памяти, генератор 23 ИС. В состав базовой станции входят элемент 24 развязки, передатчик 25, приемник 26, генератор 27 опорных частот, демодулятор 28 СС, модулятор 29 СС, генератор 30 синхроимпульсов, генератор 31 ИС и N модемов 321-32N речевых каналов, каждый из которых состоит из демодулятора 33 ИС, демодулятора 34 УС, переключателя 35 режимов работы, модулятора 36 ИС, генератора 37 УС и коммутатора 38, причем переключатель 35 режимов работы базовой станции содержит триггеры 39 и 40 статического RS-типа, аналоговый преобразователь 41, управляющую линию 42 задержки, блок 43 сравнения, элементы 2И 44 и 45 и инвертор 46, а блок памяти времени и распределения каналов 61, переключатель 15 режимов работы абонентской станции содержит триггер 47, генератор 48, счетчик 49, триггер 50, генератор 51 тактовых импульсов, счетчик 52, дешифратор 53, элементы 2И 54-56, инвертор 57, триггеры 58 и 59 и одновибратор 60.
Система работает следующим образом.
Передатчик 25 базовой станции 2 может передавать информацию через элемент 24 развязки по N частотным каналам. Несущие частоты для каждого частотного канала нормируются генератором 27 опорных частот и поступают на передатчик 25, а также на приемник 26. Передатчик 25 осуществляет балансную модуляцию несущих частот ИС, поступающими из модемов 321-32N речевых каналов, после чего производится частотное уплотнение, усиление по мощности группового сигнала и излучение радиосигналов в эфир через элемент 24 развязки. Приемник 26 осуществляет необходимое усиление принятых групповых сигналов, частотное разделение и балансную демодуляцию, с помощью которой выделяются ИС, поступающие в соответствующие модемы 321-32N речевых каналов. Передающие и приемные частотные каналы однозначно определены, если прием осуществляется по частоте fm=f1+(m-1) Fk, где Fk – ширина полосы канала, a f1 – начальная частота полосы приема, то передача производится на частоте f’m=f2+(m-1) Fk, где Fk – начальная частота полосы передачи.
На абонентской станции 3 передаваемое сообщение поступает на вход передатчика 13, в котором осуществляется балансная модуляция несущей частоты, поступающей от синтезатора 14 частот, усиление модулированного сигнала по мощности и его излучение через элемент 4 развязки. В приемнике 5 осуществляется усиление принятых через элемент 4 развязки радиосигналов и их балансная демодуляция.
В каждом свободном канале передатчик 25 базовой станции 2 передает управляющий ШПС “Канал свободен”, который формируется генератором 37 УС при подаче на него разрешающего сигнала от переключателя 35 режимов работы. При этом на второй вход генератора 37 УС поступают синхронизирующие и тактовые сигналы от генератора 20 синхроимпульсов. Тактовые сигналы следуют с частотой fT=В/Т, где Т – длительность ШПС; В – число элементарных импульсов в ШПС, равное базе ШПС, а синхронизирующие сигналы следуют с частотой fС=1/Т (все генераторы ШПС управляются синхронизирующими и тактовыми сигналами с частотами повторения fС и ft соответственно). На адресном выходе переключателя 35 режимов работы установлен соответствующий код, коммутирующий, с учетом сигналов со второго управляющего выхода режимов работы, подключенного к входу выбора каналов коммутатора, на выход коммутатора 38 его первый вход, по которому управляющий ШПС “Канал свободен” проходит на вход передатчика 25 и излучается через элемент 24 развязки (фиг.4а).
В режиме исходящего вызова приемопередатчик абонентской станции 3 включается при включении абонентом микротелефона 10, при этом на переключатель 15 режимов работы от микротелефона 10 поступает команда поиска свободного канала по частоте до обнаружения управляющего ШПС “Канал свободен”. Обнаружение происходит следующим образом. Приемник 5 абонентской станции 3 с помощью синтезатора 14 частот, управляемого кодовыми сигналами от переключателя 15 режимов работы, настраивается на определенный частотный канал. Приемный тракт, включающий в себя элемент 4 развязки и приемник 5, передает принятый сигнал (фиг.4б) на вход демодулятора 6 УС, который настроен на прием управляющего ШПС “Канал свободен” и демодулирует принимаемый сигнал в течение определенного времени. Если управляющий ШПС “Канал свободен” обнаружен, то демодулятор 6 УС направляет последовательность синхроимпульсов с частотой fС в переключатель 15 режимов работы, который останавливает синтезатор 14 частот на данном частотном канале. Если управляющий ШПС “Канал свободен” не обнаружен демодулятором 6 УС, то переключатель 15 режимов работы через заданное время подает команду на синтезатор 14 частот для перехода на следующий частотный канал.
Момент t1 (фиг.4б) соответствует моменту обнаружения управляющего ШПС “Канал свободен”. В этот момент переключатель 15 режимов работы останавливает синтезатор 14 частот и запускает модулятор 7 УС на формирование управляющего ШПС “Канал занят”, который проходит через коммутатор 12 на вход передатчика 13 и далее излучается (фиг.4в).
Управляющий ШПС “Канал занят” через приемный тракт базовой станции 2 (фиг.4г) поступает с выхода приемника 26 в соответствующий модем 32 речевого канала на вход демодулятора 34 УС. После обнаружения управляющего ШПС “Канал занят” в момент t2 (фиг.4г) демодулятор 34 УС направляет в переключатель 35 режимов работы синхроимпульсы с частотой fС. В этот момент переключатель 35 режимов работы на адресном выходе устанавливает код, по которому дается разрешение на прохождение через коммутатор 38 адресного ШПС от генератора 31 ИС. Таким образом, после момента t2 (фиг.4а) прекращается излучение управляющего ШПС “Канал свободен” от базовой станции 2, и начинается передача адресного ШПС.
На выходе демодулятора 6 УС абонентской станции 3 синхроимпульсы пропадают, что фиксирует переключатель 15 режимов работы, по команде которого дается запрет на формирование и прохождение через коммутатор 12 управляющего ШПС “Канал занят”. С выхода приемного тракта адресный ШПС поступает в цепь восстановления структуры принимаемого сигнала, поскольку на абонентской станции 3 не закладывается предварительная информация о форме адресного ШПС. При поступлении адресного ШПС, искаженного помехами в тракте распространения радиосигналов, на абонентской станции 3 на основе анализа адресного ШПС в течение ряда периодов определяют структуру сигнала следующим образом. Принятый сигнал поступает на вход согласованного фильтра 16, затем на сумматор 17, на другой вход которого через линию 18 задержки подается выходной сигнал сумматора, задержанный на время Т, равное длительности адресного ШПС.
Согласованный фильтр 16, сумматор 17 и линия 18 задержки представляют собой рециркулятор-накопитель, который является оптимальным устройством для приема периодической последовательности импульсов и обеспечивает необходимую фильтрацию адресного ШПС от помех в канале. Отфильтрованный адресный ШПС в виде суммы ШПС за несколько периодов поступает на решающий блок 19, на другой вход которого поступают стробирующие импульсы с тактовой частотой fT. С выхода решающего блока адресный ШПС в виде последовательности двоичных символов поступает на блок 20 сравнения и через ключ 21 в блок 22 памяти. При большом числе накоплений снижается число ошибок. Принятая в блок 22 памяти последовательность управляет генератором 23 ИС, с выхода которого адресный ШПС через коммутатор 12 поступает на передатчик 13 и излучается. В начале работы при восстановлении структуры принятые адресные ШПС могут существенно отличаться от передаваемых базовой станцией 2. Однако с ростом числа накоплений количество ошибок уменьшается и наступит момент, когда их число достигнет заданного уровня.
Этот момент определяет блок 20 сравнения, который запирает ключ 21, а блок 22 памяти запоминает кодовую последовательность последнего адресного ШПС. В дальнейшем генератор 23 ИС периодически с частотой формирует адресный ШПС, структура которого записана в блоке 22 памяти, и направляет адресный ШПС в качестве опорного кода на входы модулятора 9 ИС и демодулятора 8 ИС. Выход модулятора 9 ИС через коммутатор 12 подключается к входу передатчика 13. В результате передающий и приемный тракты абонентской станции 3 готовы к передаче и приему информации.
Начиная с момента t3 (фиг.4г), принимаемый на базовой станции 2 адресный ШПС поступает на демодулятор 33 ИС и на информационный вход переключателя 35 режимов работы, в котором осуществляется взаимная синхронизация по задержке принимаемого адресного ШПС и опорного сигнала, поступающего от генератора 31 ИС, а также сравнение этих сигналов на выявление ошибок, обусловленных помехами в тракте распространения радиосигналов и неточным восстановлением структуры сигнала на абонентской станции 3. Как только число ошибок станет меньше допустимого, переключатель 35 режимов работы дает на коммутатор 38 команду подключения выхода модулятора 36 ИС к входу передатчика 25, выбор которых осуществляется с учетом времени незанятости их передачей речевых сигналов.
Таким образом, передающий и приемный тракты базовой станции 2 готовы к обмену сообщениями с абонентской станцией 3 и центральной станцией 1. В момент t4 (фиг.4б) заканчивается режим вхождения в синхронизм на абонентской и базовой станциях, начинается передача и прием информационных сообщений.
В режиме приема информации от абонентов в демодуляторе 33 ИС базовой станции 2 выделяется признак передаваемой от абонентской станции 3 информации, который с дополнительного выхода демодулятора 33 ИС поступает в переключатель 35 режимов работы. При исходящем вызове этот признак сопровождает передаваемое на центральную станцию дискретное сообщение, содержащее номер вызываемого абонента. По этому признаку переключатель 35 режимов работы удерживает коммутатор 38 в состоянии, обеспечивающем передачу информационных сигналов с выхода модулятора 36 ИС на передатчик 25. Таким образом обеспечена прием-передача телефонных сообщений между центральной 1, базовой 2 и абонентской 3 станциями.
В режиме свободного перемещения абонентов в зоне обслуживания на центральной станции 1 непрерывно регистрируется местоположение каждой подвижной абонентской станции 3. С этой целью от абонентской станции 3, появившейся в зоне действия базовой станции 2, передается собственный номер, сопровождающийся соответствующим признаком. В этом случае переключатель 35 режимов работы после передачи на центральную станцию 1 номера новой абонентской станции 3 переключает коммутатор 38 на прохождение управляющего ШПС “Канал свободен” от генератора 37 УС. На центральной станции 1 регистрируется новое местоположение абонента в системе, и данный частотный канал освобождается.
Для осуществления входящего вызова (вызов подвижного абонента со стороны центральной станции 1) на базовой станции 2 работают модулятор 29 СС и демодулятор 28 СС. Через модулятор 29 СС передаются поступающие от центральной станции 1 номера вызываемых абонентов и служебная информация. В режиме, когда абонент свободен от переговоров, приемопередатчик абонентской станции 3 настроен на прием сигнала вызова. При обнаружении индивидуального номера абонентской станции 3 в общем потоке вызовов с выхода демодулятора 8 ИС на микротелефон 10 подается сигнал вызова данного абонента, а на переключатель 15 режимов работы – команда установления синтезатора 14 частот на предоставленный свободный частотный канал.
При перемещении абонента в зоне обслуживания за уровнем сигнала на выходе демодулятора 8 ИС абонентской станции 3 следит блок 11 контроля, который в зависимости от состояния микротелефона 10 (включен или выключен) дает на переключатель 15 режимов работы одну из двух команд: настроить модулятор 7 УС на формирование служебного ШПС “Ухудшение качества” или найти новый свободный частотный канал по управляющему ШПС “Канал свободен” для передачи собственного номера абонентской станции 3.
При включенном микротелефоне служебный ШПС “Ухудшение качества” принимается на базовой станции 2 и транслируется на центральную станцию, которая настраивает приемники соседних базовых станций на обнаружение служебного ШПС “Ухудшение качества”, производит выбор нового частотного канала, который предоставляется абонентской станцией 3 для продолжения приема и передачи телефонных сообщений. На соседних базовых станциях обнаружение служебного ШПС, “Ухудшение качества” осуществляется демодулятором 28 СС после перестройки приемника 26 на соответствующий частотный канал по команде, поступающей на генератор 27 опорных частот от центральной станции 1.
При выключенном микротелефоне 10 процедура вхождения в синхронизм и передача номера абонентской станции 3 аналогична операциям, выполняемым для определения местоположения абонента при включении абонентской станции 3.
При включении станции триггеры 39 и 40 переключателя 35 режимов работы приводятся в нулевое состояние сигналом сброса, поступающим на входы R. Прямые выходы триггеров 39 и 40 образуют двухразрядный код управления работой коммутатора 38. В исходном состоянии (00) обеспечивается коммутация первого входа коммутатора 38 на прохождение управляющего ШПС “Канал свободен” от генератора 37 УС, который управляется сигналом с инверсного выхода триггера 40.
При поступлении от демодулятора 34 УС последовательности синхроимпульсов срабатывает триггер 40, при этом новый код управления (01) обеспечивает такой режим коммутатора 38, когда на вход передатчика 25 поступает адресный ШПС, а излучение управляющего ШПС “Канал свободен” прекращается, при этом с помощью блока памяти времени и распределения каналов 61 задается режим выбора канального оборудования коммутатором 38.
Для синхронизации базовой станции аналоговый преобразователь 41 анализирует время задержки сигнала от абонентской станции 3 и в соответствии с ним регулирует в управляемой линии 42 задержки величину задержки сигналов от генератора 31 ИС, поступающих на вход демодулятора 33 ИС. Задержанный сигнал одновременно поступает на блок 43 сравнения для определения числа ошибок в адресном ШПС, восстановленном на абонентской станции 3. Если их число превышает пороговый уровень, излучение адресного ШПС продолжается, в противном случае сигнал с выхода блока 43 сравнения поступает на элементы 2И 44 и 45, на которых анализируется наличие признака, принимаемого на базовой станции сообщения.
При нулевом признаке триггеры 39 и 40 переключателя 35 режимов работы устанавливаются в исходное состояние для возобновления передачи управляющего ШПС “Канал свободен”.
При наличии единичного признака триггер 39 приводится в состояние логической единицы и двухразрядный код (11) на управляющем выходе переключателя 35 режимов работы переводит коммутатор 38 в режим передачи сообщений от модулятора 36 ИС.
При включении абонентской станции 3 триггеры 47 и 59 переключателя 15 режимов работы приводятся в нулевое состояние, и включается генератор 48, который с помощью счетчика 49 формирует управляющий код для синтезатора 14 частот.
При обнаружении управляющего ШПС “Канал свободен” сигнал от демодулятора 6 УС устанавливает триггер 47 в единичное положение, генератор 48 останавливается, и поиск по частоте прекращается.
Сигнал с прямого выхода триггера 47 поступает на генератор 51 тактовых импульсов и триггер 50, сигнал с выхода которого обеспечивает передачу управляющего ШПС “Канал занят”.
Счетчик 52 и дешифратор 53 формируют сигналы кадровой синхронизации частотой fr, поступающие на элементы 2И 55 и 56. При наличии управляющего ШПС “Канал свободен” сигнал с выхода элемента 2И 55 осуществляет временную подстройку генератора 51 тактовых импульсов. С момента прекращения поступления управляющего ШПС “Канал свободен” сигнал с выхода инвертора 57 приводит триггер 50 в нулевое состояние и посредством триггера 58 разрешает прохождение тактовых импульсов через элемент 2И 54 на вход решающего блока 19. Триггер 59 и одновибратор 60 обеспечивают формирование ШПС “Ухудшение качества”. При переходе абонента в новую зону ему предоставляется новый частотный канал, код которого передается от центральной станции и поступает с выхода демодулятора 8 ИС на счетчик 49 переключателя 15 режимов работы.
Предлагаемый способ, заключающийся в предоставлении каждой базовой станции адресного ШПС для связи с абонентами, позволяет существенно уменьшить необходимый объем системы сигналов и тем самым добиться более эффективного использования диапазона частот при неизменном качестве передаваемых сообщений, а также повысить надежность работы системы.
Отсутствие в абонентской станции априорных сведений о структуре адресных ШПС базовых станций и восстановление их для передачи сообщений позволяет значительно уменьшить объем памяти абонентских станций и исключить из оборудования базовых станций аппаратуру формирования и обработки сигналов всех абонентских станций.
Формула изобретения
1. Способ приема-передачи широкополосными сигналами с частотно-кодовым разделением абонентов, при котором на каждой базовой станции формируют широкополосный сигнал, который модулируют информационным сообщением и передают на абонентские станции, на каждой из которых принимают модулированный широкополосный сигнал базовой станции, демодулируют и выделяют информационные сообщения, а при выходе на связь передают модулированный широкополосный сигнал, на базовой станции принятый модулированный широкополосный сигнал от соответствующей абонентской станции демодулируют и выделяют информационное сообщение, причем на каждой базовой станции формируют адресный широкополосный сигнал в частотном диапазоне с неперекрывающимися частотными каналами и общий для всех базовых станций управляющий широкополосный сигнал “Канал свободен”, который излучают непрерывно в каждом свободном частотном канале, а на абонентской станции при выходе на связь перед передачей информационных сообщений принимают управляющий широкополосный сигнал “Канал свободен”, по которому фиксируют свободный частотный канал, по выделенному свободному частотному каналу передают единый для всех абонентских станций управляющий широкополосный сигнал “Канал занят”, при приеме которого на соответствующей базовой станции передают адресный широкополосный сигнал данной базовой станции, на абонентской станции адресный широкополосный сигнал выделяют путем поэлементного накопления, при этом фиксируют время начала передачи для каждого из каналов управляющего широкополосного сигнала “Канал свободен” и передают данные времени начала передачи одновременно с управляющим широкополосным сигналом “Канал свободен” и на абонентских и базовых станциях осуществляют занятие канала с наибольшим временем остававшегося свободным.
2. Система для приема-передачи широкополосными сигналами с частотно-кодовым разделением абонентов, содержащая центральную станцию, базовые станции и абонентские станции, причем каждая базовая станция содержит генератор опорных частот, генератор информационных сигналов (ИС) и последовательно соединенные передатчик, элемент развязки и приемник, а также N модемов речевых каналов, причем информационные выходы приемника подключены к первым входам модемов речевых каналов, к вторым входам которых подключены соответствующие информационные выходы центральной станции, к информационным входам передатчика подключены первые выходы модемов речевых каналов, вторые выходы которых подключены к соответствующим информационным входам центральной станции, выходы генератора опорных частот подключены к соответствующим входам передатчика и приемника, а каждая абонентская станция содержит синтезатор частот, блок контроля и последовательно соединенные элемент развязки, приемник, демодулятор ИС, микротелефон, модулятор ИС, коммутатор и передатчик, выход которого подключен к входу элемента развязки, причем к второму входу коммутатора подключен выход модулятора управляющих сигналов (УС), а выход приемника – к входу демодулятора УС, первый выход синтезатора частот подключен к второму входу передатчика, а второй выход – к второму входу приемника, причем на каждой базовой станции содержится модулятор и демодулятор служебных сигналов (СС) и генератор синхроимпульсов, причем к входу генератора опорных частот подключен выход управления частотой центральной станции, служебный выход которой соединен через модулятор СС с входом служебных сигналов передатчика, выход служебных сигналов приемника через демодулятор СС соединен со служебным входом центральной станции, контрольные входы которой соединены с третьими выходами модемов речевых каналов, выход генератора синхроимпульсов подключен к третьим входам модемов речевых каналов и к генератору ИС, выход которого подключен к четвертым входам модемов речевых каналов, а абонентская станция содержит линию задержки, блок сравнения, переключатель режимов работы и последовательно соединенные согласованный фильтр, сумматор, решающий блок, ключ и блок памяти, выход сумматора через линию задержки подключен к второму входу сумматора, выход решающего блока соединен с первым входом блока сравнения, выход которого подключен к управляющему входу ключа, выход блока памяти подключен к второму входу блока сравнения и к генератору ИС, выход которого подключен к вторым входам демодулятора ИС, модулятора ИС и к третьему входу коммутатора, управляющий выход микротелефона подключен к входу запуска переключателя режимов работы, выход демодулятора ИС подключен к информационному входу переключателя режимов работы непосредственно, а к контролируемому входу переключателя режимов работы – через блок контроля, второй вход которого подключен к выходу сигнализации микротелефона, тактовый выход переключателя режимов работы соединен с тактовым входом решающего блока, управляющий выход переключателя режимов работы подключен к соответствующему входу модулятора УС и к адресному входу коммутатора, а выход управления частотой переключателя режимов работы подключен к входу синтезатора частот, выход демодулятора УС – к входу синхронизации переключателя режимов работы, а выход приемника – к входу согласованного фильтра, причем каждый модем речевого канала базовой станции содержит последовательно соединенные демодулятор УС и переключатель режимов работы, адресный выход которого подключен к адресному входу коммутатора непосредственно, первый управляющий выход – к первому входу коммутатора через генератор УС, а второй управляющий выход переключателя режимов работы соединен с входом выбора канала коммутатора, выход модулятора ИС соединен с третьим входом коммутатора, выход опорного сигнала переключателя режимов работы подключен к первому входу демодулятора ИС, дополнительный выход которого соединен с управляющим входом переключателя режимов работы, при этом объединенные информационный вход переключателя режимов работы, вход демодулятора УС и второй вход демодулятора ИС являются первым входом модема речевого канала, вторым и третьим входами которого являются соответственно второй вход модулятора ИС и второй вход генератора УС, а объединенные первый вход модулятора ИС, второй вход коммутатора и вход опорного сигнала переключателя режимов работы являются четвертым входом модема речевого канала, первым и вторым выходами которого являются соответственно выход коммутатора и первый выход демодулятора ИС, а контрольный выход демодулятора УС является третьим выходом модема речевого канала.
РИСУНКИ
MM4A – Досрочное прекращение действия патента СССР или патента Российской Федерации на изобретение из-за неуплаты в установленный срок пошлины за поддержание патента в силе
Дата прекращения действия патента: 16.12.2007
Извещение опубликовано: 27.07.2009 БИ: 21/2009
|
|