|
|
(21), (22) Заявка: 2003135804/09, 09.12.2003
(24) Дата начала отсчета срока действия патента:
09.12.2003
(45) Опубликовано: 27.06.2005
(56) Список документов, цитированных в отчете о поиске:
ХЕРПИ М. Аналоговые интегральные схемы. – М.: Радио и связь, 1983, с. 366, рис. 8.11. US 4229705, 21.10.1980, fig.6. SU 1069133 A, 23.01.1984. US 4835488, 30.05.1989. US 4390848, 28.06.1983. ПОЛОННИКОВ Д.Е. Операционные усилители. Принципы построения, теория, схемотехника. – М.: Энергоатомиздат, 1983, с.113-118, глава 3.4.
Адрес для переписки:
346500, Ростовская обл., г. Шахты, ул. Шевченко, 147, ЮРГУЭС, патентная служба
|
(72) Автор(ы):
Прокопенко Н.Н. (RU), Будяков А.С. (RU)
(73) Патентообладатель(и):
Южно-Российский государственный университет экономики и сервиса (ЮРГУЭС) (RU)
|
(54) ДИФФЕРЕНЦИАЛЬНЫЙ УСИЛИТЕЛЬ
(57) Реферат:
Изобретение относится к радиотехнике и связи и может использоваться в качестве высоколинейного преобразователя “напряжение-ток” с широким диапазоном активной работы в структуре аналоговых микросхем различного функционального назначения (например, быстродействующих операционных усилителей (ОУ), аналоговых перемножителей сигналов и т.д.). Технический результат заключается в расширении диапазона активной работы дифференциального усилителя (ДУ) с 50-60 мВ до единиц Вольт в нелинейных режимах, при ограничении, обусловленном конечным быстродействием ДУ. Быстродействие повышается за счет динамического увеличения токов перезаряда корректирующей емкости при максимальной скорости нарастания выходного напряжения, соизмеримого с его быстродействием в линейных режимах. ДУ содержит входные транзисторы (Т) (1,3), источники опорного тока (2,4), вспомогательный резистор (Р) (5), включенный между эмиттерами Т (1,3), цепь нагрузки, подключенную к коллекторам Т (1,3). Введены Т (8,9) другой структуры, эмиттеры которых через дополнительные Р (10,11) соединены с эмиттерами соответственно Т (3,1). При этом базы Т (8,9) соединены с базами соответственно Т (3,1). 3 з.п.ф-лы, 5 ил.

Изобретение относится к области радиотехники и связи и может быть использовано в качестве высоколинейного преобразователя “напряжение-ток” с широким диапазоном активной работы в структуре аналоговых микросхем различного функционального назначения (например, быстродействующих операционных усилителей (ОУ), аналоговых перемножителей сигналов и т.д.).
В настоящее время в аналоговой микросхемотехнике в составе входных каскадов операционных усилителей, перемножителей двух напряжений, высоколинейных преобразователей “напряжение-ток” широкое применение находит дифференциальный каскад, содержащий входные транзисторы между эмиттерами которых включен вспомогательный резистор (фиг.1). Такая структура стала основой для построения практически всех известных в настоящее время аналоговых перемножителей сигналов на основе дифференциальных каскадов и инструментальных усилителей как отечественных, так и зарубежных производителей аналоговых микросхем [1-9].
Ближайшим прототипом является дифференциальный усилитель (фиг.1) [1], содержащий первый входной транзистор с первым источником опорного тока в эмиттерной цепи, второй входной транзистор со вторым источником опорного тока в эмиттерной цепи, причем между эмиттерами первого и второго транзисторов включен вспомогательный резистор.
Однако, в рамках известных схемотехнических решений невозможно решить проблему расширения диапазона линейной работы ДУ без снижения крутизны (SДУ) характеристики преобразования “входное напряжение-выходной ток”. Это объясняется тем, что данные параметры ДУ-прототипа жестко связаны с сопротивлением вспомогательного резистора RЭ, включенного между эмиттерами входных транзисторов – при увеличении напряжения ограничения (UОГР) проходной характеристики iвыx=f(uвx) снижается крутизна ДУ SДУ и наоборот.
Основная цель предлагаемого изобретения состоит в расширении диапазона линейной работы ДУ (UОГР) при некотором фиксированном значении крутизны (SДУ=соnst). В заявляемом устройстве UОГР может достигать величины напряжения питания и слабо зависит от SДУ. Это положительно сказывается на статической точности многих аналоговых устройств и их быстродействии.
Дополнительная цель состоит в обеспечении высокого быстродействия ДУ относительно всех выходов, согласованных как с шиной положительного, так и с шиной отрицательного источников питания. Это позволяет создавать на его основе двухтактные сверхбыстродействующие операционные усилители без динамической ассиметрии, хорошо отрабатывающие импульсные сигналы как положительной, так и отрицательной полярностей. Другие известные ДУ таким свойством не обладают.
Поставленная цель достигается тем, что в ДУ, содержащем первый входной транзистор, эмиттер которого соединен с первым источником опорного тока, второй входной транзистор, эмиттер которого соединен со вторым источником опорного тока, вспомогательный резистор, включенный между эмиттерами первого и второго входных транзисторов, цепь нагрузки, подключенную к коллекторам первого и второго входных транзисторов, введены новые элементы и связи между ними – эмиттер первого входного транзистора связан с эмиттером первого дополнительного транзистора противоположного типа проводимости через первый дополнительный резистор, а эмиттер второго входного транзистора связан с эмиттером второго дополнительного транзистора противоположного типа проводимости через второй дополнительный резистор. При этом база первого входного транзистора связана с базой второго дополнительного транзистора, а база второго входного транзистора связана с базой первого дополнительного транзистора.
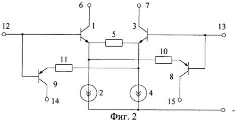
На фиг.1 показана схема ДУ-прототипа [1], а на фиг.2 – схема заявляемого ДУ в соответствии с П1-П2 формулы изобретения. Схема заявляемого устройства, соответствующего П3-П4 формулы изобретения, приведена на фиг.3. На фиг.4 показаны графики, поясняющие работу схемы фиг.2. Результаты компьютерного моделирования схемы заявляемого устройства (фиг.2) в среде Pspice показаны на фиг.5.
Заявляемый дифференциальный усилитель (фиг.2) содержит первый входной транзистор 1, эмиттер которого соединен с первым источником опорного тока 2 и второй входной транзистор 3, эмиттер которого соединен со вторым источником опорного тока 4. Между эмиттерами транзисторов 1 и 3 включен вспомогательный резистор 5. Цепь нагрузки ДУ подключается к коллекторам 6 и 7 транзисторов 1 и 3. Для достижения положительного эффекта – повышения линейности проходной характеристики – в схему вводятся первый 8 и второй 9 дополнительные транзисторы, эмиттеры которых через первый 10 и второй 11 дополнительные резисторы соединены соответственно с эмиттерами первого 1 и второго 3 входных транзисторов. Входами ДУ являются узлы 12 и 13. Дополнительными токовыми выходами, к которым также может подключаться нагрузка – узлы 14 и 15.
В усилителе фиг.3 вспомогательный резистор 5 выполнен в виде двух последовательно соединенных первого 5.1 и второго 5.2 вспомогательных резисторов общая точка которых подсоединена к дополнительному источнику тока 16.
Схема заявляемого устройства работает следующим образом.
В статическом режиме транзисторы 8 и 9 закрыты и не влияют на работу схемы, так как напряжение на их эмиттерно-базовых переходах имеет запирающую полярность.
Если напряжение на базе транзистора 1 получает положительное приращение относительно базы транзистора 3 (uвх), то эмиттерный и, следовательно, коллекторный ток транзистора 1 увеличивается, а эмиттерный ток транзистора 3 уменьшается за счет перераспределения тока источника 4 между эмиттером транзистора 3 и резистором 5 (фиг.4). При этом увеличивается падение напряжения на резисторе 5, а запирающее напряжение на эмиттерно-базовом переходе транзистора 8 уменьшается пропорционально uвх.
Как только входное напряжение uвх достигает величины перераспределение тока I4 между эмиттером транзистора 3 и резистором 5 заканчивается и наступает ограничение выходного тока ДУ (начинается участок 2-3, фиг.4). Однако, если напряжение ограничения UГР выбрано равным 1,2-1,4 В, в активный режим при uвх=1,2-1,4 В переходит транзистор 8. Его эмиттерный ток и, следовательно, коллекторный ток IK1 начинает возрастать пропорционально uвх, обеспечивая “продление” проходной характеристики ДУ в область больших входных напряжений (участок 2-4, фиг.4). При этом углы наклона проходных характеристик определяются следующим образом:



где m – масштабный коэффициент [1/Ом].
Таким образом, в заявляемом устройстве обеспечивается линейная проходная характеристика в широком диапазоне входных сигналов (до напряжения питания), что позволяет выполнять на его основе высокоточные преобразователи “напряжение-ток”. При этом следует отметить, что линейное преобразование “напряжение-ток” обеспечивается при сравнительно высокой крутизне характеристики iK1=f(uвх), а также при сверхвысоком быстродействии ДУ при обработке импульсных входных сигналов (недостижимом при других способах построения преобразователей “напряжение-ток” на основе дифференциальных усилителей). Улучшение динамических параметров в заявляемом ДУ объясняется отсутствием в схеме нелинейных режимов перезаряда паразитных емкостей (выходных емкостей источников опорного тока 2 и 4 и др.). Это позволяет использовать ДУ (фиг.2) в сверхбыстродействующих операционных усилителях, перемножителях сигналов, мультивходовых усилителях и т.д.
Рассмотрим количественные оценки эффективности предлагаемого устройства. До введения элементов 8-9 диапазон активной работы у каскада (фиг.1) (UГР), его крутизна и потребляемая мощность (Ро) в статическом режиме связаны с параметрами элементов схемы следующими очевидными соотношениями:



где – напряжения источников двухполярного питания.
Из последней системы уравнений можно найти, что некоторый обобщенный показатель качества схемы (фиг.1)

То есть улучшить один параметр можно только за счет ухудшения другого.
В предлагаемом усилителе (фиг.2) напряжение ограничения результирующей проходной характеристики UОГР близко к а произведение RЭ:I1 должно выбираться в соответствии с уравнением: RЭ· I1=2· UЭБ.Р.. При этом мощность, потребляемая ДУ (фиг.2) в статическом режиме

или

Следовательно, обобщенный показатель качества заявляемого ДУ:

Этот параметр в N – раз лучше, чем аналогичный параметр ДУ-прототипа:

Так, если , то выигрыш по обобщенному показателю качества N =10. Таким образом, схема фиг.2 представляет разработчику больше возможностей в независимом выборе параметров UОГР и SДУ проходной характеристики, что позволяет уменьшить статические погрешности. Если выбрать одинаковую крутизну SДУ у заявляемого ДУ и ДУ-прототипа (т.е. одинаковые R5), то диапазон активной работы в схеме фиг.2 будет в 10 раз лучше, чем в известной схеме. Следует обратить внимание на то, что высокая линейность проходной характеристики у схемы фиг.2 обеспечивается только при строго определенном произведении R5· I4=1,3-1,4 В=2Uэб.р.. В этой связи П2 формулы изобретения определяет данную режимную зависимость. При других величинах R5· I4 на проходной характеристике появляются “изломы”, что ухудшает линейность схемы, приводит к увеличению коэффициента гармоник.
Особенность схемы фиг.3, соответствующей П3, П4 формулы изобретения, состоит в том, что она является дальнейшим развитием схемы фиг.2 и использует другой способ формирования напряжения ограничения UГР с помощью резисторов 5.1 и 5.2 и источника тока 16. Если I2=I4<16, то UГР=I16(R5.1+R5.2)=1,3-1,4 B. Однако в схеме фиг.3 требуется высокая точность резисторов 5.1 и 5.2. В ином случае э.д.с. смещения нуля ДУ будет иметь большие значения.
СПИСОК ЛИТЕРАТУРЫ
1. М.Херпи. Аналоговые интегральные схемы. М.: Радио и связь, 1983 г. С.366, рис.8.11.
2. Патент ЕР 0.058.448, H 03 f 3/45.
3. Авт.свид. СССР №853776, G 03 g 3/36.
4. Авт.свид. СССР №488317, H 03 h 7/44.
5. Гребен А.Б. Проектирование аналоговых интегральных схем. М.: Мир. С.147, рис.7-5.
6. Патент США №4146844, кл. 330-149.
7. Патент Японии 53-33232 98(5) А 333.
8. Патент Англии №1429793 Н 03 f 1/34.
9. Патент Англии №1572079, Н3Т.
Формула изобретения
1. Дифференциальный усилитель, содержащий первый входной транзистор, эмиттер которого соединен с первым источником опорного тока, второй входной транзистор, эмиттер которого соединен со вторым источником опорного тока, вспомогательный резистор, включенный между эмиттерами первого и второго входных транзисторов, цепь нагрузки, подключенную к коллекторам первого и второго входных транзисторов, отличающийся тем, что эмиттер первого входного транзистора связан с эмиттером первого дополнительного транзистора противоположного типа проводимости через первый дополнительный резистор, эмиттер второго входного транзистора связан с эмиттером второго дополнительного транзистора противоположного типа проводимости через второй дополнительный резистор, база первого входного транзистора связана с базой второго дополнительного транзистора, а база второго входного транзистора связана с базой первого дополнительного транзистора.
2. Дифференциальный усилитель по п.1, отличающийся тем, что произведение тока каждого источника опорного тока на сопротивление вспомогательного резистора выбирается близким к удвоенному напряжению эмиттер-база биполярного транзистора в статическом режиме.
3. Дифференциальный усилитель по п.1, отличающийся тем, что вспомогательный резистор выполнен в виде двух последовательно соединенных первого и второго вспомогательных резисторов, общая точка которых подсоединена к дополнительному источнику опорного тока.
4. Дифференциальный усилитель по п.3, отличающийся тем, что величина тока дополнительного источника опорного тока значительно превышает величину тока первого и второго источников опорного тока.
РИСУНКИ
|
|