|
|
(21), (22) Заявка: 2003134835/09, 02.12.2003
(24) Дата начала отсчета срока действия патента:
02.12.2003
(45) Опубликовано: 27.06.2005
(56) Список документов, цитированных в отчете о поиске:
SU 321910, 19.11.1971. SU 1584067 A1, 07.08.1990. SU 1181113 А, 23.09.1985. SU 845262, 07.07.1981. US 4425552, 10.01.1984. US 6005446 A, 21.12.1999. ЕР 0172425 А1, 26.02.1986.
Адрес для переписки:
125190, Москва, Ленинградский пр-кт, 80, корп.16, ОАО “НПО “Алмаз”, Начальнику отдела по патентно-лицензионной работе
|
(72) Автор(ы):
Берсенев И.А. (RU)
(73) Патентообладатель(и):
Открытое акционерное общество “Научно-производственное объединение “Алмаз” имени академика А.А. Расплетина” (RU)
|
(54) МНОГОКАНАЛЬНЫЙ СИНТЕЗАТОР СЕТКИ ЧАСТОТ
(57) Реферат:
Изобретение относится к радиотехнике и может быть использовано в радиолокации, измерительной технике, связи для построения многоканальных корреляционных приемных устройств и перестраиваемых гребенчатых фильтров. Достигаемый технический результат – упрощение устройства и максимальная унификация его частей. Многоканальный синтезатор сетки частот содержит синтезатор частоты, генератор, два смесителя, линейный набор n-1 идентичных модулей, каждый из которых содержит два аналоговых перемножителя, первый фазовращатель на /2 и сумматор, второй фазовращатель на /2. 1 з.п. ф-лы, 1 ил.

Изобретение относится к радиотехнике и может быть использовано в радиолокации, связи, измерительной технике и в другой радиоэлектронной аппаратуре для построения многоканальных корреляционных приемных устройств и перестраиваемых гребенчатых фильтров в радиолокационных системах с пачечным зондирующим сигналом с большим числом частот повторения импульсов, сменяемых от пачки к пачке.
Известен синтезатор сетки частот, содержащий формирователи исходных частот, смесители, коммутаторы, генераторы и матрицу суммирующих смесителей, подключенную к выходам разрядов синтезаторов частот, содержащих попарно соединенные суммирующий и вычитающий смесители, вторые входы которых непосредственно и через коммутаторы подключены к двум источникам вспомогательных сигналов [1].
Причиной, препятствующей достижению указанного ниже технического результата при использовании известного синтезатора сетки частот, является его сложность, громоздкость и большая стоимость, поскольку в нем формирование сетки частот осуществляется с помощью большого набора суммирующих и вычитающих смесителей и фильтров с несколькими номиналами частоты.
Сущность изобретения заключается в следующем.
Задачей изобретения является упрощение устройства и максимальная унификация его частей.
Указанный технический результат достигается тем, что в известный синтезатор сетки частот, содержащий синтезатор частоты, генератор, первый и второй смесители, согласно изобретению введены второй фазовращатель на /2 и линейный набор n-1 (где n=3, 5, 7… – нечетные числа) идентичных модулей, каждый из которых содержит первый и второй аналоговые перемножители, первый фазовращатель на /2 и сумматор, при этом в каждом из n-1 идентичных модулей первый вход первого перемножителя и вход первого фазовращателя на /2 объединены и являются опорным входом модуля, выход первого фазовращателя на /2 соединен с первым входом второго перемножителя, выходы первого и второго перемножителей подключены соответственно к первому и второму входам сумматора, выход которого является выходом модуля, а вторые входы первого и второго перемножителей являются соответственно первым и вторым квадратурными входами модуля; выход генератора соединен с опорными входами первых модулей справа и слева от центра линейного набора модулей и является выходом центрального канала устройства, выходы первых модулей справа и слева от центра соединены соответственно с опорными входами вторых модулей справа и слева от центра, выходы вторых модулей справа и слева от центра соединены соответственно с опорными входами третьих модулей справа и слева от центра и т.д.; выходы всех модулей справа и слева от выхода центрального канала являются выходами боковых каналов устройства соответственно с возрастающими эквидистантными частотами справа и убывающими эквидистантными частотами слева от выхода центрального канала; выход первого смесителя соединен со вторыми квадратурными входами всех модулей справа и слева от центра, кроме первого модуля слева, у которого он соединен с первым квадратурным входом; выход второго смесителя соединен с первыми квадратурными входами всех модулей справа и слева от центра, кроме первого модуля слева, у которого он соединен со вторым квадратурным входом; первые входы первого и второго смесителей соединены между собой и с выходом синтезатора частоты, первый вход которого подключается к источнику частоты интервала формируемой сетки частот; второй вход первого смесителя соединен со вторым входом синтезатора частоты, выходом генератора и входом второго фазовращателя на /2, выход которого соединен со вторым входом второго смесителя.
Генератор выполнен в виде синусоидального генератора опорной частоты.
Заявленный многоканальный синтезатор сетки частот в каждом модуле справа от центра линейного набора модулей реализует алгоритм нарастающего квадратурного суммирования опорной частоты с частотой интервала формируемой сетки частот, а в каждом модуле слева от центра набора модулей – алгоритм нарастающего квадратурного вычитания частоты интервала из опорной частоты. Упрощение устройства достигается за счет того, что все модули идентичны и не требуют применения фильтров, так как возможные комбинационные частоты аналоговых перемножителей точно совпадают с соседними частотами формируемой сетки.
Изобретение поясняется чертежом, на котором представлена функциональная схема многоканального синтезатора сетки частот.
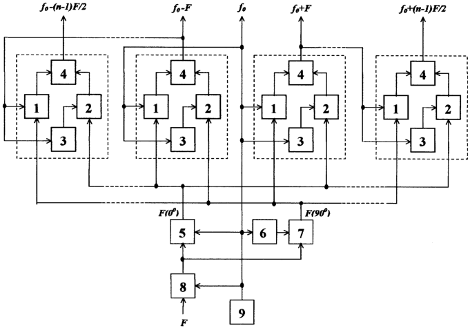
Многоканальный синтезатор сетки частот (МССЧ) содержит линейный набор из n-1 (где n=3, 5, 7… – нечетные числа) идентичных модулей, каждый из которых содержит первый 1 и второй 2 аналоговые перемножители, первый 3 фазовращатель на /2, сумматор 4. В МССЧ также входят первый 5 и второй 7 смесители, второй 6 фазовращатель на /2, синтезатор частоты 8 и синусоидальный генератор опорной частоты 9.
В каждом модуле первый вход первого перемножителя 1 и вход первого 3 фазовращателя на /2 соединены вместе и представляют опорный вход модуля. Выход первого 3 фазовращателя на /2 соединен с первым входом второго перемножителя 2. Выходы первого 1 и второго 2 перемножителей соединены соответственно с первым и вторым входами сумматора 4, выход которого является выходом модуля, а вторые входы первого 1 и второго 2 перемножителей являются соответственно первым и вторым квадратурными входами модуля.
Выход f0 синусоидального генератора опорной частоты 9, являющийся выходом центрального канала МССЧ, соединен с опорными входами первых модулей справа и слева от центра линейного набора, со вторым входом первого смесителя 5, с входом второго 6 фазовращателя на /2 и с вторым входом синтезатора частоты 8. Выходы первых модулей справа и слева от выхода центрального канала МССЧ соединены соответственно с опорными входами вторых модулей справа и слева от центра, выходы вторых модулей справа и слева соединены соответственно с опорными входами третьих модулей справа и слева от центра и т.д. Выходы всех модулей справа и слева от центра являются выходами боковых каналов МССЧ соответственно с возрастающими эквидистантными частотами (f0+F,… f0+(n-1)F/2) справа и убывающими эквидистантными частотами (f0-F,… f0-(n-1)F/2) слева от выхода f0 центрального канала МССЧ. Выход F(0°) первого смесителя 5 соединен с вторыми квадратурными входами всех модулей справа и слева от центра, кроме первого модуля слева от цента, у которого этот выход соединен с первым квадратурным входом. Выход F(90°) второго смесителя 7 соединен с первыми квадратурными входами всех модулей справа и слева, кроме первого модуля слева, у которого этот выход соединен со вторым квадратурным входом. Выход второго 6 фазовращателя на /2 соединен со вторым входом второго смесителя 7. Первые входы смесителей 5 и 7 соединены вместе и с выходом синтезатора частоты 8, первый вход которого подключен к источнику частоты F интервала формируемой сетки частот (не показан).
В качестве синтезатора частоты 8 может быть использован известный синтезатор частот, содержащий опорный стабильный генератор и последовательно включенные импульсный фазовый детектор, управляемый синусоидальный генератор и смеситель, второй вход которого соединен с выходом опорного стабильного генератора, а выход – с вторым входом фазового детектора, первый вход которого является управляющим входом синтезатора частоты, выходом которого является выход управляемого синусоидального генератора [2]. В заявленном устройстве второй вход смесителя описанного синтезатора частот соединен с выходом синусоидального генератора опорной частоты 9, выход управляемого синусоидального генератора соединен с вторыми входами первого 5 и второго 7 смесителей МССЧ, а первый вход импульсного фазового детектора соединен с источником частоты F интервала формируемой сетки частот.
Описанный МССЧ работает следующим образом. Синусоидальный генератор опорной частоты 9 формирует колебание Sin , где =2 f0, f0 – опорная частота на выходе центрального канала МССЧ, а синтезатор 8 формирует колебание Cos( + ), где =2 F, F – частота интервала сетки частот МССЧ. Эти колебания подаются на первый 5 и второй 7 смесители, причем на последний сигнал с генератора 9 подается через второй 6 фазовращатель на /2. На выходе первого смесителя 5 выделяется колебание Sin , а на выходе смесителя 7 – колебание Cos , оба с разностной частотой F. Эти колебания поступают на линейный набор идентичных модулей, в которых реализуется алгоритм суммирования или вычитания частот входных сигналов, подаваемых на входы первого 1 и второго 2 перемножителей в квадратуре. При этом в модулях справа от выхода центрального канала МССЧ происходит последовательное суммирование входных частот, а в модулях слева – последовательное вычитание входных частот. Так, на выходе первого модуля справа от центра формируется колебание
Sin( + )=Sin Cos +Cos Sin ;
на выходе второго модуля справа от центра формируется колебание
Sin( +2 )=Sin( + )Cos +Cos( + )Sin ;
и т.д., при этом квадратурные опорные гармонические колебания внутри модулей образуются с помощью первых 3 фазовращателей на /2. Таким образом, последовательное включение квадратурных модулей справа от центра при соединении входа последующего с выходом предыдущего позволяет получить на выходах боковых каналов МССЧ набор сумм гармонических колебаний с последовательным наращиванием интервальных частот f0+F,f0+2F,f0+3F,…f0+(n-1)F/2.
На выходе первого модуля слева от центра формируется колебание
Cos( – )=Sin Sin +Cos Cos ;
на выходе второго модуля слева от центра формируется колебание
Cos( -2 )=Cos( – )Cos +Sin( – )Sin ;
на выходе третьего модуля слева от центра формируется колебание
Cos( -3 )=Cos( -2 )Cos +Sin( -2 )Sin ;
и т.д. Таким образом, последовательное включение квадратурных модулей слева от центра при соединении входа последующего с выходом предыдущего позволяет получить на выходах боковых каналов МССЧ набор разностей гармонических колебаний с последовательным наращиванием интервальных частот f0-F,f0-2F,f0-3F,… f0-(n-1)F/2, что в целом и вместе с центральным каналом f0 создает полную эквидистантную и многоканальную сетку частот.
Можно заметить, что колебания на выходах правых модулей находятся в квадратуре с колебаниями левых модулей. Но это не имеет никакого значения, так как многоканальные приемные системы или гребенчатые фильтры, для гетеродинной настройки и эквидистантной перестройки которых с изменением частоты F и предназначено данное изобретение, как правило, не чувствительны к фазе формируемых в МССЧ частот, которые в данном случае играют роль гетеродинных.
Источники информации
1. SU №321910, МПК Н 03 В 21/02, 1971.
2. Радиоприемные устройства. Под ред. Л.Г.Барулина. М.: Радио и связь, 1984, стр.68-69, рис.3.1,б.
Формула изобретения
1. Многоканальный синтезатор сетки частот, характеризующийся тем, что он содержит синтезатор частоты, генератор, первый и второй смесители, линейный набор n-1 (где n=3, 5, 7… – нечетные числа) идентичных модулей, каждый из которых содержит первый и второй аналоговые перемножители, первый фазовращатель на /2 и сумматор, при этом в каждом из n-1 идентичных модулей первый вход первого перемножителя и вход первого фазовращателя на /2 объединены и являются опорным входом модуля, выход первого фазовращателя на /2 соединен с первым входом второго перемножителя, выходы первого и второго перемножителей подключены соответственно к первому и второму входам сумматора, выход которого является выходом модуля, а вторые входы первого и второго перемножителей являются соответственно первым и вторым квадратурными входами модуля; выход генератора соединен с опорными входами первых модулей справа и слева от центра линейного набора модулей и является выходом центрального канала устройства, выходы первых модулей справа и слева от центра соединены соответственно с опорными входами вторых модулей справа и слева от центра, выходы вторых модулей справа и слева от центра соединены соответственно с опорными входами третьих модулей справа и слева от центра и т.д.; выходы всех модулей справа и слева от выхода центрального канала являются выходами боковых каналов устройства соответственно с возрастающими эквидистантными частотами справа и убывающими эквидистантными частотами слева от выхода центрального канала; выход первого смесителя соединен со вторыми квадратурными входами всех модулей справа и слева от центра, кроме первого модуля слева, у которого этот вход подключен к выходу второго смесителя, который соединен с первыми квадратурными входами всех модулей справа и слева от центра, кроме первого модуля слева, у которого этот вход подключен к выходу первого смесителя; первые входы первого и второго смесителей соединены между собой и с выходом синтезатора частоты, первый вход которого подключается к источнику частоты интервала формируемой сетки частот; второй вход первого смесителя соединен со вторым входом синтезатора частоты, выходом генератора и входом второго фазовращателя на /2, выход которого соединен со вторым входом второго смесителя.
2. Многоканальный синтезатор сетки частот по п.1, отличающийся тем, что генератор выполнен в виде синусоидального генератора опорной частоты.
РИСУНКИ
PD4A – Изменение наименования обладателя патента СССР или патента Российской Федерации на изобретение
(73) Новое наименование патентообладателя:
Открытое акционерное общество «Головное системное конструкторское бюро Концерна ПВО «Алмаз-Антей» имени академика А.А. Расплетина» (RU)
Адрес для переписки:
125190, Москва, Ленинградский проспект, д. 80, корп. 16, ОАО «ГСКБ» АЛМАЗ-АНТЕЙ»
Извещение опубликовано: 10.11.2008 БИ: 31/2008
|
|