|
|
(21), (22) Заявка: 2003134522/09, 27.11.2003
(24) Дата начала отсчета срока действия патента:
27.11.2003
(45) Опубликовано: 27.06.2005
(56) Список документов, цитированных в отчете о поиске:
US 4099108, 04.07.1978. SU 1239807 A1, 23.06.1986. SU 748738 A1, 15.07.1980. SU 1798878 A1, 28.02.1993.
Адрес для переписки:
61070, г. Харьков, ул. Акад. Проскуры, 1, НПП “Хартрон-Экспресс”, патентный отдел
|
(72) Автор(ы):
Проценко Алексей Николаевич (UA)
(73) Патентообладатель(и):
НПП “ХАРТРОН-ЭКСПРЕСС Лтд” (ООО) (UA)
|
(54) СПОСОБ УПРАВЛЕНИЯ ПРЕОБРАЗОВАТЕЛЕМ ПОСТОЯННОГО НАПРЯЖЕНИЯ В ПЕРЕМЕННОЕ
(57) Реферат:
Изобретение относится к электротехнике и может быть использовано для управления полупроводниковыми преобразователями электроэнергии. Технический результат заключается в упрощении преобразователя, уменьшении массогабаритных показателей и стоимости, питании от сети ограниченной мощности. Для этого в способе, который включает снижение выходного напряжения и частоты преобразования на время пуска двигателя, выявляют момент включения двигателя по увеличению тока в силовой цепи до величины, превышающей рабочее значение, уменьшают выходное напряжение и частоту к минимальным величинам, выдерживают эти величины до момента уменьшения тока к значению, близкому к установившемуся, и потом постепенно увеличивают выходное напряжение и частоту к номинальным значениям, после чего поддерживают номинальные значение напряжения и частоты. 2 ил.

Изобретение относится к электротехнике и может быть использовано для управления полупроводниковыми преобразователями электроэнергии, предназначенными для электропитания однофазного асинхронного двигателя с пусковой обмоткой и пускозащитным устройством, например мотор-компрессора бытового холодильника, от сети постоянного тока ограниченной мощности.
Сущность проблемы заключается в том, что при подключении однофазных электродвигателей с пусковой обмоткой к выходу любого преобразователя постоянного напряжения в переменное, например, выполненного по [а.с. СССР №1239807, кл. Н 02 М 7/48, 1986], при необходимости использования бытового холодильника, например, на транспортном средстве, в цепи нагрузки возникают значительные пусковые токи. Кратность этих пусковых токов в случае электродвигателя холодильника, например для двигателя типа ДКМ-2-90 превышает 20 раз [Бейнберг Б.С., Вайт Л.И. Бытовые компрессионные холодильники. М., Пищевая промышленность. 1977, таблица 7], что требует иметь такой самый запас по мощности преобразователя, который имеет значительные габариты и стоимость.
Известный способ управления преобразователем постоянного напряжения в переменное, который реализован в устройстве [а.с. СССР №748738, кл. Н 02 М 7/48, Н 02 Р 7/62, 1980], состоит в возможности изменять его выходное напряжение и частоту. Использование такого способа управления преобразователями в электроприводе позволяет использовать метод частотного управления электродвигателями, при котором возможно сохранение пускового момента при значительно меньшем пусковом токе [Москаленко В.М. Электрический привод. М., Высшая школа, 1991, стр.130]. Но непосредственное использование этого способа управления преобразователями постоянного напряжения в переменное для питания мотор-компрессора холодильника невозможно вследствие отсутствия в нем контроля за процессом пуска двигателя для соответствующего изменения напряжения и частоты.
Наиболее близким по технической сущности аналогом способа, который заявляется, выбранным как прототип, есть способ управления преобразователем, реализованный в устройстве [патент США №4099108, кл. Н 02 Р 5/40, 1978]. В этом способе для управления выходным напряжением и его частотой замеряют скорость и ускорение вращения асинхронного двигателя и по результатам замеров регулируют частоту и величину напряжения питания асинхронного двигателя, при этом поддерживают отношение напряжение/частота постоянным. В этом устройстве имеется возможность уменьшить пусковой ток при уменьшении выходного напряжения и частоты, но необходимость измерять скорость и ускорение вращения двигателя, а также отсутствие возможности определять не только факт набора оборотов электродвигателя, который сопровождается уменьшением пускового тока, но и факт отключения пусковой обмотки, которая потребляет значительный ток, только после чего возможно повышение частоты и величины выходного напряжения, не позволяет использовать его для питания бытовых холодильников, в которых используется асинхронный двигатель с пусковой обмоткой и пускозащитным устройством.
В основу изобретения поставлена задача усовершенствования способа управления преобразователем путем установки минимальных значений выходного напряжения и частоты преобразователя в требуемый момент, введения интервала поддержания этих значений до окончания работы пускозащитного устройства с дальнейшим постепенным увеличением напряжения и частоты без замера скорости и ускорение вращение двигателя, что обеспечивает ограничение пускового тока в асинхронном двигателе с пусковой обмоткой и пускозащитным устройством и тем самым позволяет значительно уменьшить мощность преобразователя, упростить преобразователь, уменьшить его массогабаритные показатели и стоимость, а также осуществить питание от сети ограниченной мощности.
Поставленная задача решается тем, что в известном способе управления преобразователем постоянного напряжения в переменное, который включает регулирование частоты и величины напряжения питания асинхронного двигателя, в соответствии с изобретением выявляют момент включения двигателя по увеличению тока в силовой цепи до величины, которая превышает рабочее значение, уменьшают выходное напряжение и частоту преобразователя до минимальных величин, выдерживают эти величины до момента уменьшения тока в силовой цепи к значению, близкому к установившемуся, и потом постепенно увеличивают выходные напряжение и частоту к номинальным значениям, после чего поддерживают номинальные значения напряжения и частоты.
Уменьшение в выявленный момент включения двигателя к минимальным значениям выходного напряжения и частоты преобразователя, выдерживание этих значений до момента уменьшения тока в силовой цепи к значению, близкому к установившемуся, постепенное увеличение выходного напряжения и частоты к номинальным значениям и затем поддержка номинальных значений напряжения и частоты без замера скорости и ускорения вращение двигателя позволяет значительно уменьшить мощность преобразователя, упростить преобразователь, уменьшить его массогабаритные показатели и осуществить питание от сети ограниченной мощности из-за малых пусковых токов.
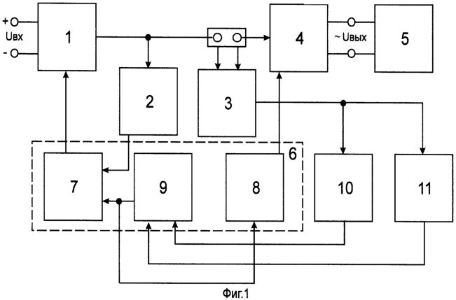
Сущность изобретения поясняется чертежами, где изображены:
– на фиг.1 – блок-схема устройства, которое реализует заявленный способ;
– на фиг.2 – зависимость от времени напряжения и тока в силовой цепи.
Как показано на фиг.1, устройство для управления преобразователем постоянного напряжения в переменное содержит управляемый преобразователь постоянного напряжения в повышенное постоянное 1, датчик напряжения 2, включенный в силовую цепь датчик тока 3, инвертор 4, к выходу которого подключен асинхронный двигатель 5 с пускозащитным устройством, управляющее устройство 6, которое может быть выполнено на базе микропроцессора и в состав которого входят регулятор напряжения 7, регулятор частоты 8 и задатчик требуемого напряжения 9, первый пороговый элемент 10, второй пороговый элемент 11.
Устройство работает следующим образом.
Преобразователь постоянно работает и на его выходе формируется переменное напряжение с номинальными значениями напряжения и частоты.
При включении асинхронного двигателя выявляют момент включения по увеличению тока в силовой цепи до величины, которая значительно превышает рабочее значение. Ограничение тока на допустимом для преобразователя уровне обеспечивается схемой защиты от перегрузок, которая присутствует обычно в любом преобразователе напряжения. Момент увеличения тока выявляют с помощью датчика тока 3 и первого порогового элемента 10, с выхода которого сигнал выдается на первый вход задатчика требуемого напряжения 9. Задатчик требуемого напряжения 9 через регулятор напряжения 7, управляемый преобразователь постоянного напряжения в повышенное постоянное 1, инвертор 4 уменьшают выходное напряжение до минимального, одновременно по сигналу задатчика требуемого напряжения 9 регулятор частоты 8 через инвертор 4 уменьшает также частоту до минимальной.
Подача на рабочую и пусковую обмотки двигателя пониженного напряжения с одновременным снижением частоты обеспечивает пусковой момент, который почти не отличается от пускового момента при подаче на двигатель напряжения и частоты номинального значения, но при значительно меньшем токе, и двигатель быстро набирает обороты. Но пускозащитное устройство, рассчитанное на номинальное значение рабочего напряжения, еще не отключает пусковую обмотку из-за значительно уменьшенного тока (вследствие уменьшенного выходного напряжения преобразователя во время пуска) через его выключатель в цепи пусковой обмотки, которая в современных мотор-компрессорных агрегатах холодильников обычно выполняется на терморезисторах с положительным температурным коэффициентом сопротивления. Время срабатывания такого выключателя пропорционально величине тока через него. Поэтому отключение пусковой обмотки происходит через время, необходимое для увеличения сопротивления терморезистора. Только после этого возможно увеличение напряжения и частоты для увеличения оборотов двигателя к номинальному значению.
Момент значительного увеличения сопротивления терморезистора и, тем самым, отключение пусковой обмотки независимо от величины уменьшенного напряжения на выходе преобразователя во время пуска двигателя обнаруживается в устройстве по значительному уменьшению потребляемого двигателем тока при отключении его пусковой обмотки. До этого времени минимальные значения напряжения и частоты преобразователя выдерживаются неизменными. После выявления значительного уменьшения потребляемого тока, который определяется при помощи второго порогового элемента 11, с выхода которого сигнал подается на второй вход задатчика требуемого напряжения 9, задатчик требуемого напряжения 9 постепенно увеличивает выходное напряжение к номинальному (через блоки 7, 1, 4). Одновременно регулятор частоты 8 через инвертор 4 увеличивает также частоту к номинальному значению. Потом регулятор напряжения 7 и регулятор частоты 8 поддерживают номинальные значения напряжения и частоты.
Зависимость напряжения Uвых и тока в силовой цепи Iвых от времени для реального устройства управления преобразователем постоянного напряжения =110 В в переменное ~220 В, 50 Гц, с выхода которого происходило питание электропривода бытового холодильника, показана на фиг.2. На интервалах времени 0-t1 и t3-t4 задатчик требуемого напряжения формирует сигнал, пропорциональный номинальному напряжению Uн, на интервале t1-t2 формирует сигнал, пропорциональный минимальному напряжению Uмин, на интервале t2-t3 формирует переменный сигнал, пропорциональный текущему значению выходного напряжения U:

где t – текущее время на интервале t2-t3;
t1 – момент включения двигателя;
t2 – момент уменьшения тока к установившемуся значению;
t3 – момент увеличения напряжения к номинальному значению;
t4 – момент выключения двигателя.
При этом одновременно регулятор частоты 8 формирует частоту, пропорциональную напряжению из регулятора напряжения 7.
Для сохранения пускового момента двигателя во время его пуска при сниженном напряжении и тем самым обеспечения надежного запуска мотор-компрессора холодильника отношение напряжение/частота поддерживают неизменным в всем диапазоне изменения выходного напряжения преобразователя. Для двигателя с напряжением питания 220 В, 50 Гц это отношение равняется 4,4.
Как видно из графиков, на все время пуска двигателя формируются сниженные величины напряжения и тока, что обеспечивает значительное снижение потребляемой мощности, а это позволяет расширить возможность использования бытовых холодильников на автомобильном и железнодорожном транспорте с сетями постоянного тока ограниченной мощности.
Устройство, реализованное по материалам данной заявки с использованием основной элементной базы фирмы International Rectifier, имеет вес 2,5 кг и габариты всего 187×135×90 мм3, что позволило монтировать его непосредственно в отсеке мотор-компрессора холодильников типа НОРД с объемом камеры до 340 литров, размещенных в железнодорожных вагонах скорого поезда “Столичный экспресс”.
Формула изобретения
Способ управления преобразователем постоянного напряжения в переменное для питания электропривода бытового холодильника, который включает снижения выходного напряжения и частоты преобразователя на время пуска двигателя, отличающийся тем, что выявляют момент включения двигателя по увеличению тока в силовой цепи до величины, которая превышает рабочее значение, уменьшают выходное напряжение и частоту преобразователя к минимальным величинам, выдерживают эти величины до момента уменьшения тока в силовой цепи к значению, близкому к установившемуся, и потом постепенно увеличивают выходное напряжение и частоту преобразователя к номинальным значениям, после чего поддерживают номинальные значения напряжения и частоты.
РИСУНКИ
|
|