|
|
(21), (22) Заявка: 2003126862/09, 02.09.2003
(24) Дата начала отсчета срока действия патента:
02.09.2003
(43) Дата публикации заявки: 10.03.2005
(45) Опубликовано: 27.06.2005
(56) Список документов, цитированных в отчете о поиске:
RU 2118866 C1, 10.09.1998. RU 2153726 C1, 27.07.2000. RU 2187161 С2, 10.02.2002. SU 1647666 A1, 07.05.1991.
Адрес для переписки:
428000, г.Чебоксары, пр. И. Яковлева, 4, ОАО “ВНИИР”
|
(72) Автор(ы):
Ахазов И.З. (RU), Руссова Н.В. (RU), Свинцов Г.П. (RU), Тимофеев В.И. (RU)
(73) Патентообладатель(и):
Открытое акционерное общество “Всероссийский научно-исследовательский проектно-конструкторский и технологический институт релестроения с опытным производством” (RU)
|
(54) УСТРОЙСТВО ФОРСИРОВАННОГО УПРАВЛЕНИЯ РЕВЕРСИВНЫМ ЭЛЕКТРОМАГНИТНЫМ КОНТАКТОРОМ
(57) Реферат:
Предлагаемое изобретение относится к низковольтному аппаратостроению и может быть использовано в низковольтных комплектных устройствах (НКУ) и станциях управления с применением реверсивных электромагнитных контакторов. Технический результат заключается в повышении надежности за счет увеличения срока службы устройства, исключении электрической дуги, перенапряжений при изменении коммутационного состояния его контактов, электромагнитной совместимости с электронными и микропроцессорными блоками НКУ, увеличении быстродействия контактора. Для этого устройство содержит первую и вторую клеммы питания, кнопки управления “Стоп”, “Пуск 1”, “Пуск 2”, вспомогательные замыкающие, размыкающие контакты, пусковые обмотки контакторов “Вперед”, “Назад”, четырехдиодный мостовой выпрямитель, ограничители перенапряжений и токоограничивающий элемент. 5 ил.

Предлагаемое изобретение относится к низковольтному аппаратостроению и может быть использовано в низковольтных комплектных устройствах (НКУ) и станциях управления с применением реверсивных электромагнитных контакторов.
Известно устройство [1] управления реверсивным электромагнитным контактором (пускателем), применяемым для запуска, реверса, останова асинхронного электродвигателя с короткозамкнутым ротором, в котором управление осуществляется от той же сети переменного тока, от которой питается и сам электродвигатель, т.е. реверсивный контактор выполнен с электромагнитами переменного тока. Недостатком этого устройства управления является относительно низкая эксплуатационная надежность, определяемая в основном низкой надежностью функционирования, характерной для электромагнитов переменного тока (выпадение и поломка короткозамкнутых витков, распушивание полюсов шихтованных магнитных систем).
В различных отраслях промышленности с повышенными требованиями к надежности функционирования электроаппаратуры применяются электромагнитные аппараты с управлением на постоянном либо выпрямленном токе. При этом схема управления [2] идентична со случаем управления двигателем с использованием электромагнитов переменного тока [1]. Схема управления реверсивным электромагнитным контактором содержит (фиг.1) первую 1 и вторую 2 клеммы питания для подключения источника питания знакопостоянного напряжения (постоянного, выпрямленного, пульсирующего), контакт кнопки управления “Стоп”, обозначенной цифрой 3 и соединенной одной своей клеммой с клеммой 1, а другой – с параллельной электрической цепью, включающей в себя последовательно соединенные обмотку 4 контактора “Вперед”, вспомогательный размыкающий контакт 5 контактора “Назад”, контакт 6 кнопки управления “Пуск 1” и обмотку 7 контактора “Назад”, вспомогательный размыкающий контакт 8 контактора “Вперед”, контакт 9 кнопки управления “Пуск 2”, замыкающие контакты 10, 11 вспомогательных цепей контакторов “Вперед” и “Назад” подключены параллельно соответственно контактам кнопок управления “Пуск 1” и “Пуск 2”. При этом свободные концы обмоток 4 и 7 контакторов “Вперед” и “Назад” подключены ко второй клемме 2 питания.
Недостатками реверсивных контакторов, выполненных с использованием электромагнитов постоянного тока, являются повышенные потребляемая электромагнитами мощность, расход обмоточной меди, электротехнической стали, износ контакта кнопки “Стоп” и перенапряжения, возникающие при его размыкании.
Наиболее близким по технической сущности к заявляемому устройству форсированного управления реверсивным электромагнитным контактором является устройство (фиг.2) для управления реверсивным электромагнитным контактором [3], которое может быть подключено к источнику постоянного, выпрямленного напряжения. Оно содержит первую 1 и вторую 2 клеммы для подключения источника питания, размыкающий контакт 3 кнопки управления “Стоп”, подсоединенный между первой клеммой 1 питания и одним концом параллельной цепи, составленной из последовательно включенных пусковой обмотки 4.1 контактора “Вперед”, размыкающего контакта 5 вспомогательной цепи контактора “Назад”, замыкающего контакта 6 кнопки управления “Пуск 1” и пусковой обмотки 7.1 контактора “Назад”, размыкающего контакта 8 контактора “Вперед”, замыкающего контакта 9 кнопки управления “Пуск 2”, и другим концом подсоединенной ко второй клемме 2 питания, замыкающие контакты 10 и 11 вспомогательных цепей контакторов “Вперед” и “Назад”, подсоединенные первыми клеммами к общей точке соединения контактов 3, 6, 9 кнопок управления “Стоп”, “Пуск 1”, “Пуск 2”, а вторыми клеммами соответственно к общей точке соединения замыкающего контакта 9 кнопки управления “Пуск 2” с размыкающим контактом 8 вспомогательной цепи контактора “Вперед” и к общей точке соединения размыкающего контакта 6 кнопки управления “Пуск 1” с размыкающим контактом 5 вспомогательной цепи контактора “Назад”, токоограничивающий элемент 12, выполненный в виде последовательного соединения удерживающих обмоток 4.2 и 7.2 контакторов “Вперед” и “Назад”, подключенных согласно соответственно с пусковыми обмотками 4.1 и 7.1 контакторов “Вперед” и “Назад”, и подсоединенный между общей точкой соединения замыкающего контакта 6 кнопки управления “Пуск 1” с размыкающим контактом 5 вспомогательной цепи контактора “Назад” и между общей точкой соединения замыкающего контакта 9 кнопки управления “Пуск 2” с размыкающим контактом 8 вспомогательной цепи контактора “Вперед”.
В устройстве (фиг.2) обеспечивается существенное снижение потребляемой электромагнитами мощности, расхода обмоточной меди и электротехнической стали. Однако имеют место коммутационные перенапряжения, возникающие в схеме управления, и размагничивающее действие тока в удерживающих обмотках в процессе включения. Для запуска двигателя “Вперед” замыкаются контакт 6 кнопки “Пуск 1”. Ток, потребляемый устройством от источника питания, протекает от клеммы 1 через замкнутый контакт 3 кнопки управления “Стоп”, замкнутый контакт 6 кнопки управления “Пуск 1” и растекается по двум параллельным цепочкам: замкнутый контакт 5 вспомогательной цепи контактора “Назад”, пусковая обмотка 4.1 контактора “Вперед” и токоограничивающий элемент 12, замкнутый контакт 8 вспомогательной цепи контактора “Вперед”, пусковая обмотка 7.1 контактора “Назад”. При этом большая часть потребляемого от источника тока протекает через пусковую обмотку 4.1 контактора “Вперед”. При увеличении тока в обмотке 4.1 до тока срабатывания электромагнитная сила Рэм становится больше противодействующей Рмх, и подвижная система контактора “Вперед” начинает движение от своего начального положения н (фиг.3). При достижении его подвижной системой положения 1 размыкается контакт 8. Часть электромагнитной энергии, запасенной в токоограничивающем элементе 12 и пусковой обмотке 7.1, выделяется в электрической дуге, возникающей на разомкнувшемся контакте 8, что уменьшает его износостойкость, и частично в виде электрических перенапряжений на токоограничивающем элементе 12, контакте 8 и обмотке 7.1. Это может вызвать пробой изоляции обмоток, а также недопустимо по условиям совместной работы электромагнитных, электронных и микропроцессорных блоков в НКУ. При этом, как это видно из фиг.2, ток, протекающий по токоограничивающему элементу 12, на этом этапе создает размагничивающий магнитный поток в магнитной системе контактора “Вперед” и, как следствие, увеличивает его время срабатывания, длительность протекания пускового тока, вызывающего дополнительный нагрев обмотки 4.1. В положении 2 подвижной системы замыкаются главные контакты контактора “Вперед”, а в положении 3 – контакт 10 вспомогательной его цепи. При этом токоограничивающий элемент 12 зашунтирован накоротко контактами 6 и 10, по которому снова начинает протекать размагничивающий ток, под действием электродвижущей силы взаимной индукции обмоток 4.1 и 4.2. При размыкании контакта 6 кнопки управления “Пуск 1” (на фиг.3 это соответствует положению 4 подвижной системы контактора “Вперед”) токоограничивающий элемент 12 и обмотка 4.1 подключаются последовательно между клеммами 1 и 2 питания. Токи в индуктивных элементах 4.1 и 12 по величине и направлению разные, что вызывает на них всплески электрических перенапряжений. В установившемся режиме ток, потребляемый устройством от источника питания, определяется его напряжением и суммарным сопротивлением обмотки 4.1 токоограничивающего элемента 12, который обеспечивает нормальное удержание подвижной системы в сработанном положении контактора “Вперед”. Обмоточные данные удерживающих обмоток 4.2 и 7.2 рассчитываются таким образом, что их МДС недостаточна для обеспечения срабатывания контакторов “Вперед” и “Назад”. При отключении двигателя размыканием контакта 3 кнопки управления “Стоп” также возникает электрическая дуга и перенапряжения на обмотке 4.1 и токоограничивающем элементе 12. Те же процессы происходят в устройстве и при включении двигателя “Назад” посредством замыкания контакта 9 кнопки управления “Пуск 2”.
Техническим результатом изобретения является повышение надежности за счет увеличения срока службы устройства форсированного управления реверсивным электромагнитным контактором, исключения электрической дуги, перенапряжений при изменении коммутационного состояния его контактов, электромагнитной совместимости с электронными и микропроцессорными блоками НКУ, увеличение быстродействия контактора.
Технический результат достигается тем, что в устройстве форсированного управления реверсивным электромагнитным контактором, содержащем первую и вторую клеммы для подключения источника питания знакопостоянного напряжения, размыкающий контакт кнопки управления “Стоп”, подсоединенный между первой клеммой питания и одним концом параллельной цепи, состоящей из последовательно соединенных пусковой обмотки контактора “Вперед”, размыкающего контакта вспомогательной цепи контактора “Назад”, замыкающего контакта кнопки управления “Пуск 1” и пусковой обмотки контактора “Назад”, размыкающего контакта вспомогательной цепи контактора “Вперед”, замыкающего контакта кнопки управления “Пуск 2”, и другим концом подсоединенной ко второй клемме питания, замыкающие контакты вспомогательных цепей контакторов “Вперед” и “Назад”, подсоединенные первыми клеммами к общей точке соединения контактов кнопок управления “Стоп”, “Пуск 1”, “Пуск 2”, а вторыми клеммами – соответственно к общей точке соединения размыкающего контакта кнопки управления “Пуск 2” с размыкающим контактом вспомогательной цепи контактора “Вперед” и к общей точке соединения размыкающего контакта кнопки управления “Пуск 1” с размыкающим контактом вспомогательной цепи контактора “Назад”, токоограничивающий элемент, дополнительно введены четырехдиодный мостовой выпрямитель и ограничители перенапряжений, подсоединенные параллельно к пусковым обмоткам контакторов “Вперед” и “Назад”, входная диагональ четырехдиодного мостового выпрямителя подключена между общей точкой соединения замыкающего контакта кнопки управления “Пуск 1” с размыкающим контактом вспомогательной цепи контактора “Назад” и общей точкой соединения замыкающего контакта кнопки управления “Пуск 2” с размыкающим контактом вспомогательной цепи контактора “Вперед”, а в выходную его диагональ подключен токоограничивающий элемент.
Сущность изобретения заключается в том, что дополнительное введение двух ограничителей перенапряжений, которые подсоединены параллельно к пусковым обмоткам контакторов “Вперед” и “Назад”, и четырехдиодного мостового выпрямителя, подключенного своей входной диагональю между общей точкой соединения замыкающего контакта кнопки управления “Пуск 1” с размыкающим контактом вспомогательной цепи контактора “Назад” и общей точкой соединения замыкающего контакта кнопки управления “Пуск 2” с размыкающим контактом вспомогательной цепи контактора “Вперед”, а в выходную его диагональ подключен токоограничивающий элемент, позволяет исключить перенапряжения на обмотках и электрическую дугу на размыкающихся контактах устройства и тем самым обеспечивает повышение срока службы и электромагнитную совместимость с электронными и микропроцессорными блоками НКУ, увеличение быстродействия контакторов при срабатывании.
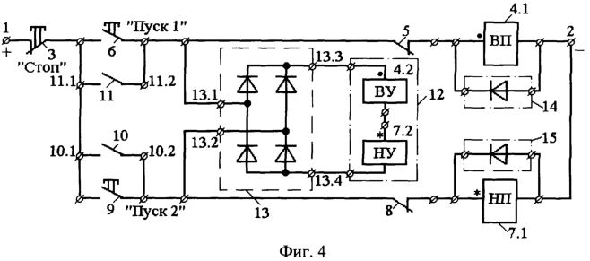
На фиг.4 приведена электрическая схема предлагаемого устройства форсированного управления реверсивным электромагнитным контактором, в котором в качестве ограничителя перенапряжений использован диод, катодом подсоединенный к первой клемме питания, на которую подан положительный потенциал источника питания.
На фиг.5 приведена электрическая схема предлагаемого устройства форсированного управления реверсивным электромагнитным контактором, в котором в качестве ограничителя перенапряжений использована цепь, составленная из последовательно и встречно включенных диода и стабилитрона. Диод катодом подсоединен ко второй клемме питания, на которую подан положительный потенциал источника питания.
Предлагаемое устройство форсированного управления реверсивным электромагнитным контактором содержит первую 1 и вторую 2 клеммы для подключения источника питания знакопостоянным напряжением, размыкающий контакт 3 кнопки управления “Стоп”, подключенный между первой клеммой 1 питания и одним концом параллельной цепи, составленной из последовательно включенных пусковой обмотки 4.1 контактора “Вперед”, размыкающего контакта 5 вспомогательной цепи контактора “Назад”, замыкающего контакта 6 кнопки управления “Пуск 1” и пусковой обмотки 7.1 контактора “Назад”, размыкающего контакта 8 вспомогательной цепи контактора “Вперед”, замыкающего контакта 9 кнопки управления “Пуск 2”, и другим концом подсоединенной ко второй клемме 2 питания, замыкающие контакты 10 и 11 вспомогательных цепей контакторов “Вперед” и “Назад”, подсоединенные первыми клеммами 10.1 и 11.1 к общей точке соединения контактов 3, 6, 9 кнопок управления “Стоп”, “Пуск 1”, “Пуск 2”, а вторыми клеммами 10.2, 11.2 – соответственно к общей точке соединения замыкающего контакта 9 кнопки управления “Пуск 2” с размыкающим контактом 8 вспомогательной цепи контактора “Вперед” и к общей точке соединения замыкающего контакта 6 кнопки управления “Пуск 1” с размыкающим контактом 5 вспомогательной цепи контактора “Назад”, токоограничивающий элемент 12, выполненный в виде последовательного соединения удерживающих обмоток 4.2 и 7.2 контакторов “Вперед” и “Назад”, подключенных согласно с пусковыми обмотками контакторов “Вперед” и “Назад”, четырехдиодный мостовой выпрямитель 13 и два ограничителя перенапряжений 14 и 15. Причем ограничитель перенапряженний 14 в виде диода подключен параллельно к пусковой обмотке 4.1 контактора “Вперед”, а ограничитель перенапряженний 15 – к пусковой обмотке 7.1 контактора “Назад” катодами к клемме 1 питания с положительным потенциалом. Входная диагональ 13.1-13.2 четырехдиодного мостового выпрямителя подключена между общей точкой соединения замыкающего контакта 6 кнопки управления “Пуск 1” с размыкающим контактом 5 вспомогательной цепи контактора “Назад” и общей точкой соединения замыкающего контакта 9 кнопки управления “Пуск 2” с размыкающим контактом 8 вспомогательной цепи контактора “Вперед”, а в выходную его диагональ 13.3-13.4 подключен токоограничивающий элемент 12.
Предлагаемое устройство форсированного управления реверсивным электромагнитным контактором (фиг.4) работает следующим образом. Для запуска электродвигателя в направлении вращения “Вперед” нажатием на кнопку управления “Пуск 1” замыкается контакт 6. От клеммы 1 питания через замкнутый контакт 6 протекает потребляемый устройством ток, большая часть которого протекает через контакт 5 и пусковую обмотку 4.1 контактора “Вперед”, меньшая – через клемму 13.1 выпрямителя 13, последовательно соединенные удерживающие обмотки 4.2, 7.2, клемму 13.2 выпрямителя 13, замкнутый контакт 8, пусковую обмотку 7.1 контактора “Назад”. Суммарная МДС обмоток, включенных согласно, больше у контактора “Вперед”, и она обеспечивает электромагнитную силу Рэм (фиг.3), большую, чем противодействующее усилие Рмх контактора. Подвижная система контактора “Вперед” приходит в движение, а контактора “Назад” остается неподвижной. При достижении подвижной системы контактора “Вперед” положения 1 (фиг.3) размыкается его контакт 8 без электрической дуги, так как токи в обмотках 7.1, 7.2, 4.2 имеют возможность замыкаться через ограничитель перенапряжений 15 и диоды выпрямительного моста 13, сохраняя направление, и это исключает также перенапряжения на этих элементах устройства. В положении 3 подвижной системы контактора “Вперед” замыкается его контакт 10, однако режим работы элементов схемы остается неизменным. Кнопка управления “Пуск 1” может быть отпущена, что приведет к размыканию его контакта 6 и последовательному подключению выпрямительного моста 13 с токоограничивающим элементом 12 с пусковой обмоткой 4.1. При этом ограничитель перенапряжений 14 обеспечивает путь протекания тока обмотки 4.1. Когда токи в токоограничивающем элементе 12 и обмотке 4.1 станут равными, диод ограничителя перенапряжений 14 закроется. Суммарная МДС обмоток 4.1 и 4.2 обеспечивает надежное удержание подвижной системы контактора “Вперед” в сработанном положении при малой мощности, потребляемой его электромагнитом от источника питания. Подвижная система контактора “Назад” остается в положении н, так как МДС ее удерживающей обмотки 7.2 меньше МДС срабатывания. Отключение двигателя нажатием на кнопку “Стоп” не сопровождается возникновением электрической дуги на контакте 3, так как практически мгновенно отпираются диод ограничителя перенапряжений 14 и все диоды мостового выпрямителя 13, обеспечивая путь для протекания токов обмоток. Это также исключает возникновение коммутационных перенапряжений в устройстве. Работа устройства по фиг.5 в целом аналогична описанному выше случаю; отличие заключается лишь в направлении протекания токов в обмотках 4.1, 7.1 и коммутационных элементах.
В качестве ограничителей перенапряжений также могут быть использованы резисторно-емкостная цепь, варистор и др.
Таким образом, использование предлагаемого технического решения обеспечивает повышение надежности за счет увеличения срока службы, быстродействия при срабатывании и его электромагнитную совместимость с электронными и микропроцессорными системами НКУ.
Источники информации
1. Пускатели электромагнитные серии ПМ12. ТУ 16-89 ИГФР.644236.033 ТУ (стр.135, рис.22).
2. Пускатели электромагнитные серии ПМЛ. ТУ 16-91 ИГЕВ.644131.001 ТУ (стр.120, рис.16).
3. Патент РФ №2118866. Устройство управления реверсивным электромагнитным контактором. Опубл. 10.09.98. Бюл. №25 (прототип).
Формула изобретения
Устройство форсированного управления реверсивным электромагнитным контактором, содержащее первую и вторую клеммы для подключения источника питания знакопостоянного напряжения, размыкающий контакт кнопки управления “Стоп”, подсоединенный между первой клеммой питания и одним концом параллельной цепи, состоящей из последовательно соединенных пусковой обмотки контактора “Вперед”, размыкающего контакта вспомогательной цепи контактора “Назад”, замыкающего контакта кнопки управления “Пуск 1” и пусковой обмотки контактора “Назад”, размыкающего контакта вспомогательной цепи контактора “Вперед”, замыкающего контакта кнопки управления “Пуск 2”, и другим концом подсоединенной ко второй клемме питания, замыкающие контакты вспомогательных цепей контакторов “Вперед” и “Назад”, подсоединенные первыми клеммами к общей точке соединения контактов кнопок управления “Стоп”, “Пуск 1”, “Пуск 2”, а вторыми клеммами – соответственно к общей точке соединения замыкающего контакта кнопки управления “Пуск 2” с размыкающим контактом вспомогательной цепи контактора “Вперед” и к общей точке соединения замыкающего контакта кнопки управления “Пуск 1” с размыкающим контактом вспомогательной цепи контактора “Назад”, токоограничивающий элемент, отличающееся тем, что дополнительно введены четырехдиодный мостовой выпрямитель и ограничители перенапряжений, подсоединенные параллельно к пусковым обмоткам контакторов “Вперед” и “Назад”, входная диагональ четырехдиодного мостового выпрямителя подключена между общей точкой соединения замыкающего контакта кнопки управления “Пуск 1” с размыкающим контактом вспомогательной цепи контактора “Назад” и общей точкой соединения замыкающего контакта кнопки управления “Пуск 2” с размыкающим контактом вспомогательной цепи контактора “Вперед”, а в выходную его диагональ подключен токоограничивающий элемент.
РИСУНКИ
|
|