|
|
(21), (22) Заявка: 2003118944/09, 26.06.2003
(24) Дата начала отсчета срока действия патента:
26.06.2003
(43) Дата публикации заявки: 27.12.2004
(45) Опубликовано: 27.06.2005
(56) Список документов, цитированных в отчете о поиске:
Справочник по радиолокации. Под ред. СКОЛНИКА М. – М.: Сов. радио, 1978, т.4, с.19-21. RU 2117960 C1, 20.08.1998. RU 2172964 C1, 27.08.2001. US 6118402 А, 12.09.2000. US 6087974 А, 11.07.2000.
Адрес для переписки:
125190, Москва, Ленинградский пр-кт, 80, ОАО “НИИРП”, ген. директору Г.Б.Гурову
|
(72) Автор(ы):
Гладких Ю.Н. (RU), Голубев Ю.Г. (RU), Григорьев В.А. (RU), Кашкевич С.А. (RU), Самулевич В.В. (RU), Столетова О.Е. (RU), Тарасюк М.К. (RU), Эстрин А.Б. (RU)
(73) Патентообладатель(и):
Открытое акционерное общество “Научно-исследовательский институт приборостроения” (RU), Федеральное государственное унитарное предприятие “Конструкторское бюро “Аметист” (RU)
|
(54) СПОСОБ СОПРОВОЖДЕНИЯ ЦЕЛИ МОНОИМПУЛЬСНОЙ РАДИОЛОКАЦИОННОЙ СТАНЦИЕЙ И УСТРОЙСТВО ДЛЯ ЕГО РЕАЛИЗАЦИИ
(57) Реферат:
Изобретение относится к способам и устройствам сопровождения и выделения сигналов от надводных целей при наличии отражений от местных предметов и может быть использовано в РЛС с моноимпульсным принципом пеленгации. Техническим результатом является повышение помехозащищенности сопровождения по отношению к пассивным и активным помехам, обеспечение фильтрации сигнала-“антипода”, отраженного от морской поверхности. Технический результат достигается за счет того, что при сопровождении цели в каждом локационном периоде на вход приемника подают зондирующий сигнал с широкополосной сложной частотной модуляцией и эхо-сигнал и после преобразования до промежуточной частоты в суммарном и разностном каналах осуществляют ограничение, оптимальную обработку и детектирование зондирующего и эхо-сигнала, образуя короткие видеоимпульсы, причем из видеоимпульсов, полученных после детектирования зондирующего сигнала, формируют команду управления по отпиранию видеотракта приемника, порог обнаружения эхо-сигнала и при превышении этого порога продетектированными импульсами эхо-сигнала формируют строб селекции эхо-сигнала и команду запрета приема сигналов до окончания локационного периода. В устройстве, предназначенном для реализации предложенного способа, отличительным признаком является то, что передатчик содержит формирователь зондирующих сигналов с широкополосной сложной частотной модуляцией, а приемник в суммарном и разностном каналах содержит цепи оптимальной обработки и детектирования зондирующих и эхо-сигналов, которые после детектирования подаются на вход селектора, содержащего формирователь и коммутатор порога обнаружения, пороговую схему обнаружения эхо-сигналов, схему синхронизации, формирователь строба селекции, строб-клапаны выделения эхо-сигналов суммарного и разностного каналов. 2 н.п. ф-лы, 2 ил.

Изобретение относится к радиотехнике, преимущественно к способам и устройствам сопровождения и выделения сигналов от целей при наличии отражений от местных предметов – источников пассивных помех, в т. ч. от водной поверхности, и может быть использовано в радиолокационной станции (РЛС) с моноимпульсным принципом пеленгации.
Известен способ сопровождения цели моноимпульсной РЛС по патенту РФ №2117960, G 01 S 13/44, 1998 г., включающий в себя излучение импульсных когерентных сигналов в заданном направлении, прием импульсных высокочастотных (ВЧ) сигналов в заданном интервале дальностей, суммарно-разностное преобразование принимаемых сигналов и супергетеродинное преобразование их до промежуточной частоты (ПЧ) с усилением суммарного и разностного сигналов на ПЧ.
Выделение информационного эхо-сигнала (сигнала от выбранной цели) на фоне мешающих отражений производят путем узкополосной допплеровской фильтрации и последующего сопровождения цели по допплеровской частоте, т.е. по радиальной скорости цели относительно РЛС, в результате чего обеспечивается повышение помехозащищенности сопровождения по отношению к пассивным и активным шумовым помехам.
Однако процесс сопровождения по допплеровской частоте требует большого объема вычислительных операций, что усложняет способ и устройство, предназначенное для его реализации. К тому же фильтрация по Допплеру не позволяет избавиться от сигнала-“антипода”, т.е. отраженного от низколетящей надводной цели и переотраженного водной поверхностью.
Устройство, реализующее способ, содержит передатчик ВЧ импульсных зондирующих сигналов, излучаемых в заданном направлении, антенну с суммарно-разностным мостом, приемник ВЧ импульсных сигналов, содержащий преобразователь сигналов до ПЧ и систему выделения эхо-сигналов (ЭС) в заданном интервале дальностей, содержащую допплеровские фильтры в суммарном и разностном каналах.
Прототипом предложенного способа является способ сопровождения цели моноимпульсной РЛС, известный из Справочника по радиолокации, ред. М.Сколника, т.4, Москва, Сов. радио, 1978 г., с.19-21. Устройство для осуществления способа, принятое за прототип, представлено там же.
В данном способе эхо-сигналы принимаются в определенные интервалы времени, в течение которых ожидается приход эхо-сигнала и формируются стробирующие импульсы, которыми отпирают соответствующие цепи приемника. Эхо-сигналы после суммарно-разностного преобразования в антенне подают на смесители суммарного и разностного приемных каналов, где преобразуют в сигналы промежуточной частоты, которые усиливают в усилителях промежуточной частоты (УПЧ), а затем подают на амплитудный детектор (АД) в суммарном канале и на фазовый детектор (ФД) в разностном канале. При этом сигнал промежуточной частоты суммарного канала выполняет роль опорного сигнала. В результате фазового детектирования образованный сигнал углового рассогласования (информационный эхо-сигнал) используется для углового сопровождения.
Устройство для реализации способа-прототипа состоит из передатчика ВЧ импульсных сигналов, излучаемых в заданном направлении, и приемника с антенной системой, включающей в себя суммарно-разностную мостовую схему, содержащего преобразователь принимаемых сигналов до ПЧ, амплитудный детектор в суммарном канале, фазовый детектор в разностном канале и цепь автоматической регулировки усиления (АРУ), в которой используется сигнал суммарного канала в качестве опорного.
Способ является менее трудоемким, а устройство менее дорогостоящим, однако низкая помехозащищенность и избирательность по отношению к пассивным и активным помехам, в частности, отражениям от протяженных местных предметов, например, от береговой черты при обнаружении надводных кораблей (НК), находящихся вблизи берега, или от облака дипольных отражателей, выставляемого НК на сравнительно небольшой высоте с целью срыва сопровождения, не позволяет эффективно использовать его в современных РЛС. Кроме того, как и в случае вышеуказанного аналога с допплеровской фильтрацией, способ-прототип не обеспечивает фильтрацию сигнала-“антипода”.
Техническим результатом изобретения является повышение помехозащищенности сопровождения по отношению к пассивным и активным помехам, обеспечение фильтрации сигнала-“антипода”, а также упрощение способа и устройства, предназначенного для его реализации. Сущность изобретения заключается в том, что в способе сопровождения цели моноимпульсной РЛС, который характеризуется тем, что в локационный период производят излучение импульсных зондирующих высокочастотных сигналов в заданном направлении, принимают высокочастотные импульсные эхо-сигналы в заданном интервале дальностей, осуществляют суммарно-разностное преобразование принимаемых импульсных сигналов с получением их на промежуточной частоте, в суммарном и разностном каналах импульсные сигналы детектируют и выделяют информационный эхо-сигнал при помощи стробирующих импульсов, отличительным признаком является то, что в каждый локационный период на вход приемника РЛС подают импульсный зондирующий сигнал с широкополосной сложной частотной модуляцией и эхо-сигнал, а после преобразования этих сигналов до получения их на промежуточной частоте в суммарном и разностном каналах осуществляют ограничение, оптимальную обработку посредством временного сжатия и детектирование зондирующего и эхо-сигналов с образованием коротких видеоимпульсов, причем из видеоимпульсов, полученных после детектирования зондирующего сигнала, формируют команду управления на включение видеотракта приемника, порог обнаружения эхо-сигналов и при превышении данного порога видеоимпульсами, полученными после детектирования эхо-сигнала, формируют строб селекции эхо-сигнала от выбранной цели и команду на запрет приема эхо-сигналов до окончания локационного периода; а в устройстве, предназначенном для реализации предложенного способа, которое состоит из передатчика ВЧ импульсных сигналов в заданном направлении и приемника ВЧ импульсных сигналов в заданном интервале дальностей с антенной системой, содержащей суммарно-разностную мостовую схему, суммарный и разностный выходы которой соединены с входами усилителей высокой частоты, соединенных выходами с первыми входами смесителей, выходы которых соединены с входами усилителей промежуточной частоты суммарного и разностного каналов, а гетеродин присоединен к вторым входам смесителей, технический результат достигается за счет того, что в устройстве передатчик содержит формирователь зондирующих сигналов с широкополосной сложной частотной модуляцией, а приемник содержит в суммарном и разностном каналах цепь оптимальной обработки зондирующих и эхо-сигналов, каждая из которых содержит последовательно соединенные между собой ограничитель и согласованный фильтр (СФ), причем усилитель промежуточной частоты (УПЧ) каждого канала выходом соединен с входом ограничителя соответствующего канала, выход СФ разностного канала соединен с входом фазового детектора (ФД) разностного канала, выход которого через соответствующую линию задержки (ЛЗ) соединен с сигнальным входом строб-клапана выделения ЭС разностного канала, а выход СФ суммарного канала соединен с другим, опорным, входом ФД разностного канала и входом амплитудного детектора (АД) суммарного канала, выход которого соединен с сигнальным входом пороговой схемы обнаружения эхо-сигнала (ПЭС), входом клапана видеотракта приемника, входом пороговой схемы синхронизации (ПС) и через ЛЗ суммарного канала с сигнальным входом строб-клапана ЭС суммарного канала, выход клапана видеотракта приемника соединен с входом формирователя порогов синхронизации и обнаружения эхо-сигналов (ФП), один из выходов которого через коммутатор порога синхронизации (КПС) соединен с опорным входом ПС, а другой выход ФП через коммутатор порога обнаружения (КП) соединен с опорным входом ПЭС, причем выход ПС через дифференцирующую цепь (ДЦ) порога синхронизации соединен с входом установки “0” триггера и входом тактового генератора (ТГ), выход которого соединен с входом управления КПС, опорным входом клапана видеотракта приемника и через ДЦ тактового генератора с первым входом установки “1” триггера, причем выход ПЭС через ДЦ порога обнаружения соединен с вторым входом установки “1” триггера и входом формирователя строба селекции (ФСС), выход триггера соединен с входом управления КП, выход ФСС соединен с вторым входом строб-клапана выделения ЭС разностного и вторым входом строб-клапана выделения ЭС суммарного каналов, выход которого соединен с входом автоматического регулятора усиления (АРУ), третий выход ФП соединен с вторым входом АРУ, выход которого соединен с входом УПЧ суммарного и входом УПЧ разностного каналов, а коммутатор порога синхронизации и коммутатор порога обнаружения каждый своим входом соединены с источником питания.
Использование широкополосного сложного частотно-модулированного сигнала приводит к уменьшению импульсного объема РЛС за счет повышения разрешающей способности сигнала по дальности, при которой эффективная поверхность рассеяния, создающая пассивную помеху, уменьшается. Применение ограничителя на входе цепи оптимальной обработки сигнала в приемнике обеспечивает равенство амплитуд сигнала и активной помехи. При этом на выходе цепи оптимальной обработки уровень активной помехи ослабляется пропорционально квадратному корню из базы сигнала (Т – длительность, W – полоса сигнала), повышая помехоустойчивость РЛС к активным помехам.
Кроме того, повышение разрешения по дальности позволяет разделить по времени полезный эхо-сигнал и сигнал-“антипод” и при помощи стробирования выделить только полезный информационный сигнал и отфильтровать “антипод” и другие помехи путем отключения видеотракта приемника сразу после прохождения строба до конца локационного периода, что также повышает помехозащищенность сопровождения цели.
Сигнал с широкополосной сложной частотной модуляцией (ШСЧМ), как и сигнал с широкополосной линейной частотной модуляцией, является малочувствительным к допплеровскому изменению частоты, что позволяет одновременно эффективно работать с его применением как по неподвижным, так и по быстродвижущимся целям без использования допплеровской фильтрации, что существенно упрощает способ и соответственно устройство для его реализации.
Предложенный способ характеризуется тем, что для сопровождения цели моноимпульсной РЛС в каждом локационном периоде на вход приемника подают сформированный передатчиком зондирующий ШСЧМ сигнал и эхо-сигнал, затем в суммарном и разностном каналах приемника производят преобразование принимаемых сигналов до промежуточной частоты, их ограничение по амплитуде, оптимальную обработку за счет временного “сжатия” их в каждом канале и детектирование “сжатых” сигналов, обеспечивая образование коротких видеоимпульсов. Видеоимпульсы, полученные после детектирования зондирующего сигнала в суммарном канале, используют для выработки управляющей команды по отпиранию видеотракта приемника, а также для формирования порога обнаружения эхо-сигнала и в случае превышения этого порога видеоимпульсами, образованными после детектирования эхо-сигналов, следующих за зондирующим сигналом, формируют по заданной программе строб селекции информационного ЭС, при помощи которого выделяют эхо-сигнал от выбранной цели, Одновременно с формированием строба селекции ЭС формируют команду отключения видеотракта приемника, обеспечивая запрет дальнейшего приема сигналов до окончания локационного периода. При этом все помехи, следующие за выделенным ЭС, включая разрешенный по дальности сигнал-“антипод” от низколетящей цели, исключаются. В следующий локационный период обеспечивается включение видеотракта приемника РЛС управляющей командой, сформированной перечисленными действиями.
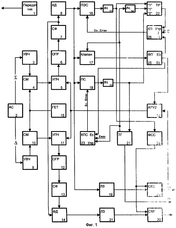
Устройство, реализующее способ сопровождения выбранной цели, представлено на чертежах.
На фиг.1 представлена структурная схема предложенного устройства,
на фиг.2 – временная диаграмма работы устройства.
В устройстве, предназначенном для осуществления предложенного способа сопровождения цели моноимпульсной РЛС, передатчик 1 и приемник могут быть разнесены и прием может осуществляться, в том числе, на быстродвижущийся антенно-приемный модуль, причем передатчик 1 излучает сигнал с широкополосной сложной частотной модуляцией, возможно, с линейной. Зондирующий сигнал непосредственно подается на вход приемника при совмещенных передатчике и приемнике, возможен прием его задним или боковым лепестком приемной антенны, главный лепесток которой направлен на цель и служит для приема эхо-сигналов.
В предложенном варианте устройство содержит передатчик 1 ВЧ импульсных сигналов в заданном направлении и приемник ВЧ импульсных сигналов в заданном интервале дальностей с антенной системой (АС) 2, усилителем высокой частоты (УВЧ) 3, смесителем (СМ) 4, усилителем промежуточной частоты (УПЧ) 5, ограничителем (ОГР) 6, согласованным фильтром (СФ) 7, амплитудным детектором (АД) 8, усилителем высокой частоты (УВЧ) 9, смесителем (CM) 10, усилителем промежуточной частоты (УПЧ) 11, ограничителем (ОГР) 12, согласованным фильтром (СФ) 13, фазовым детектором (ФД) 14, гетеродином (ГЕТ) 15, пороговой схемой обнаружения эхо-сигнала (ПЭС) 16, клапаном видеотракта приемника 17, пороговой схемой синхронизации (ПС) 18, линией задержки (ЛЗ) 19, дифференцирующей цепью (ДЦ) порога синхронизации 20, тактовым генератором (ТГ) 21, триггером (ТР) 22, коммутатором порога синхронизации (КПС) 23, дифференцирующей цепью (ДЦ) 24 тактового генератора 21, формирователем порогов синхронизации и обнаружения эхо-сигналов (ФП) 25, коммутатором порога обнаружения ЭС (КП) 26, дифференцирующей цепью (ДЦ) порога обнаружения ЭС 27, формирователем строба селекции (ФСС) 28, строб-клапаном выделения эхо-сигнала суммарного канала (СКС) 29, строб-клапаном выделения эхо-сигнала разностного канала (СКР) 30, линией задержки (ЛЗ) 31 и автоматическим регулятором усиления (АРУ) 32. Передатчик 1 содержит формирователь зондирующих сигналов с ШСЧМ (на чертеже не показан), антенная система 2 выполнена в виде суммарно-разностной мостовой схемы, соединенной с суммарным и разностным каналами приемника.
Каждый канал приемника содержит преобразователь сигналов с ШСЧМ на ПЧ, состоящий из последовательно соединенных между собой усилителя высокой частоты 3, 9 (УВЧ), гетеродина 15, смесителя 4,10 и усилителя промежуточной частоты 5, 11 (УПЧ), а также цепь оптимальной обработки зондирующих и эхо-сигналов с ШСЧМ, состоящую из последовательно соединенных между собой ограничителя 6, 12 и согласованного фильтра 7, 13, причем выход УПЧ 5, 11 каждого канала соединен с входом ограничителя 6,12 каждой цепи. Выход СФ 13 разностного капала соединен с входом ФД 14, причем выход ФД 14 соединен через ЛЗ 31 с сигнальным входом строб-клапана 30 выделения ЭС разностного канала, а выход СФ 7 суммарного канала соединен с опорным входом ФД 14 и входом АД 8 суммарного канала. Выход АД 8 соединен с сигнальным входом ПЭС 16, сигнальным входом ПС 18, клапаном 17 видеотракта приемника и через ЛЗ 19 с сигнальным входом строб-клапана 29 выделения эхо-сигнала суммарного канала. Клапан 17 видеотракта приемника по выходу связан с входом ФП 25, один из выходов которого через коммутатор 23 порога синхронизации соединен с опорным входом ПС 18, выход которой через ДЦ 20 порога синхронизации соединен с входом установки “0” триггера 22 и входом тактового генератора 21. Выход генератора 21 соединен с входом управления коммутатора 23 порога синхронизации, опорным входом клапана 17 и через ДЦ 24 тактового генератора соединен с первым входом установки “1” триггера 22. Второй выход ФП 25 соединен через коммутатор 26 порога обнаружения с опорным входом ПЭС 16, выход которой через ДЦ порога обнаружения ЭС 27 соединен с вторым входом установки “1” триггера 22, выход которого соединен с входом управления коммутатора порога обнаружения ЭС 26, причем ПЭС 16 выходом через ДЦ порога обнаружения ЭС 27 соединена с входом ФСС 28, выход которого соединен с опорным входом строб-клапана выделения ЭС разностного канала 30 и опорным входом строб-клапана выделения ЭС суммарного канала 29, выход которого соединен с входом АРУ 32, причем третий выход ФП 25 соединен со вторым входом АРУ 32, выход которого соединен с входом УПЧ 5 суммарного и входом УПЧ 11 разностного каналов. Коммутатор 23 и коммутатор 26 каждый своим соответствующим входом соединены с источником питания (на чертеже не показан).
Согласованные фильтры СФ7 и СФ13 могут быть выполнены на ПАВ-фильтрах типа ФАГ-49. Дискретно-аналоговые узлы приемника по позициям его элементов с 16 по 30 могут быть выполнены либо на быстродействующих логических схемах класса ЭСЛ (эмиттерно-связанной логики), например, серии 100, либо в виде большой интегральной схемы в случае необходимости обеспечения минимальных габаритов.
Устройство сопровождения цели моноимпульсным радиолокационным приемником работает следующим образом. В каждый локационный период зондирующий и эхо-сигналы с ШСЧМ с выходов антенной системы подаются на вход суммарного и разностного каналов. После усиления в УВЧ 3 суммарного и УВЧ 9 разностного каналов и преобразования частоты сигналов в смесителях 4,10 до промежуточной частоты сигналы суммарного и разностного каналов поступают на УПЧ 5 суммарного и УПЧ 11 разностного каналов и далее на ограничители 6 и 12 соответственно суммарного и разностного каналов, с выходов которых подаются на СФ7 и СФ13. С выхода СФ7 суммарного канала сигналы поступают на вход АД8 и второй вход (вход опорного сигнала) ФД 14, установленного в разностном канале. На первый вход (вход сигнала) ФД 14 подаются сигналы с выхода СФ 13 разностного канала. С выходов АД8 и ФД 14 сигналы подаются через соответствующие ЛЗ 19 и ЛЗ 31 на строб-клапаны 29, 30 выделения суммарного и разностного видеосигналов.
В суммарном канале осуществляется (см. фиг.2) синхронизация работы устройства, формирование порогов синхронизации и обнаружения информационных эхо-сигналов из видеосигналов, образованных из зондирующих сигналов с ШСЧМ, формирование стробов селекции эхо-сигналов и команды запрета приема сигналов после выделения полезного ЭС. Видеотракт приемника отпирается при совпадении в ПС 18 импульса ТГ21 с видеоимпульсом, образованным зондирующим сигналом и поступающим на вход ПС 18 с выхода АД 8. При этом с выхода ПС 18 через ДЦ 20, ТP 22 и КП 26 на вход ПЭС 16 поступает команда по отпиранию видеотракта приемника. Одновременно видеоимпульс, образованный зондирующим сигналом, поступает через клапан 17 в ФП 25, где производится формирование порога обнаружения эхо-сигнала, который в виде контрольного уровня через КП 26 поступает на вход ПЭС 16. При превышении этого уровня видеосигналами, образованными эхо-сигналами, поступающими на вход ПЭС 16 с выхода АД 8 следом за зондирующим сигналом, с выхода ПЭС 16 через ДЦ 27 на вход ФСС 28 выдается команда на формирование строба селекции ЭС и одновременно с этим через ТР 22 и КП 26 на ПЭС 16 выдается команда на запрет дальнейшего приема сигналов до окончания локационного периода, т.е. до поступления на вход ПЭС 16 команды по отпиранию видеотракта приемника от ПС 18. Таким образом, обеспечивается отсечка всех помех, следующих за выделенным ЭС, включая сигнал-“антипод”. При этом улучшение помехоустойчивости достигается при помощи более простой схемы устройства по сравнению с известными.
Так как принятый зондирующий сигнал существенно превышает шум (соотношение ЗС/шум составляет 70…90 дБ), в устройстве применяется простейшая импульсная синхронизация. На диаграмме А фиг.2 изображены зондирующие сигналы ЗС, эхо-сигнал ЭС и сигнал-“антипод” ЭСА, поступающие на вход приемника.
В начале работы тактовый генератор 21 не синхронизирован с зондирующим сигналом и вырабатывает короткие импульсы с периодом повторения, немного превышающим период повторения зондирующих сигналов (диаграмма В на фиг.2 пунктир). Эти импульсы управляют коммутатором порога синхронизации 23, на входы которого подаются напряжения Emax и Ес, так что на выходе коммутатора 23 во время импульса тактового генератора 21 присутствует напряжение Ес. Напряжение Еmах формируется от источника питания (на чертеже не показан), а напряжение Ес – формирователем порогов синхронизации и обнаружения эхо-сигналов 25.
Клапан 17 пропускает на вход формирователя порогов синхронизации и обнаружения эхо-сигнала ФП 25 шум в пределах импульса тактового генератора 21 и формирователь 25 формирует напряжение порога Ес, равное от пика шумовых выбросов ( >1), причем Ес весьма мала, и тактовый генератор 21 не синхронизируется.
При совпадении импульса тактового генератора 21 с видеоимпульсом, образованным зондирующим ШСЧМ сигналом, происходит срабатывание порогового устройства синхронизации 18, которое формирует импульс нормированной длительности (диаграмма Б на фиг.2). При этом импульс тактового генератора 21 обрывается по заднему фронту импульса ПС 18 (диаграмма В на фиг.2), выделяемому дифференцирующей цепочкой 20. Одновременно с этим видеоимпульс от зондирующего сигнала (диаграмма Г, фиг.2) через клапан 17 проходит на вход формирователя порогов ФП 25 и на его выходе формируется напряжение порога синхронизации Ес, составляющее от пикового значения видеоимпульса зондирующего сигнала. Это полностью исключает срабатывание ПС 18 по шуму в пределах длительности им пульса тактового генератора 21.
Кроме напряжения Ес на выходе ФП 25 формируется также напряжение порога обнаружения эхо-сигнала Е0, обеспечивающее требуемый уровень ложных тревог при обнаружении эхо-сигналов, а также напряжение отсечки для схемы автоматической регулировки усиления 32. Напряжение порога Е0 подается на пороговую схему обнаружения эхо-сигналов 16 от коммутатора порога обнаружения эхо-сигнала 26, управляемого сигналом триггера 22. Триггер 22 устанавливается в положение “ноль” по заднему фронту импульса синхронизации, выделяемому дифференцирующей цепью 20. Установка триггера 22 в состояние “единица” производится либо по переднему фронту импульса тактового генератора 21, выделяемому дифференцирующей цепью 24 (при отсутствии обнаружения эхо-сигнала), либо по переднему фронту импульса порогового устройства обнаружения эхо-сигналов 16 (при наличии обнаружения эхо-сигнала), выделяемому дифференцирующей цепью 27. На входы коммутатора порога обнаружения эхо-сигнала 26 подаются напряжения Emax от источника питания и Е0 от формирователя порогов ФП25. В результате управления триггером 22 на выход коммутатора 26 порога обнаружения эхо-сигналов проходит напряжение Е0 при состоянии триггера 22 “ноль” и Еmах при состоянии триггера 22 “единица” (диаграмма Д, фиг.3). Такая форма напряжения порога предотвращает прохождение зондирующего сигнала в канал обнаружения эхо-сигнала и прохождение сигналов после обнаружения эхо-сигнала (в данном случае, первого), т.е. обеспечивает отключение видеотракта приемника до окончания локационного периода. При превышении входным напряжением порога обнаружения эхо-сигнала срабатывает пороговое устройство обнаружения эхо-сигналов 16 и по переднему фронту импульса на его выходе производится установка триггера 22 в состояние “единица” и происходит формирование строба селекции сигнала в формирователе строба селекции 28 (диаграмма Е, на фиг.2). Импульс строба подается на строб-клапаны эхо-сигналов суммарного 29 и разностного 30 каналов. Поскольку при срабатывании порогового устройства обнаружения эхо-сигналов 16 и формирователя строба 28 имеются задержки, в сигнальные цепи строб-клапанов включены линии задержки 19, 31 суммарного и разностного каналов, обеспечивающие временное совмещение эхо-сигналов и строба селекции (диаграмма Ж, фиг.2). В результате стробирования сигналов строб-клапанами эхо-сигналов 29,30 на их выходах выделяются информационные полезные эхо-сигналы (диаграмма 3, фиг.2) и отсекаются все другие, в том числе сигнал-“антипод”.
Для программного наведения на выбранный элемент цели предусмотрено соответствующее изменение задержки формирования строба селекции в ФСС 28 и величина задержки в линиях задержки 19, 31.
Таким образом достигается технический результат выделения полезного сигнала на фоне мешающих отражений.
Формула изобретения
1. Способ сопровождения цели моноимпульсной радиолокационной станцией (РЛС), заключающийся в том, что в локальный период производят излучение импульсных зондирующих высокочастотных (ВЧ) сигналов в заданном направлении, принимают высокочастотные импульсные эхо-сигналы в заданном интервале дальностей, осуществляют суммарно-разностное преобразование принимаемых импульсных сигналов, с получением их на промежуточной частоте в суммарном и разностном каналах импульсные сигналы детектируют и выделяют информационный эхо-сигнал при помощи стробирующих импульсов, отличающийся тем, что в каждый локационный период на вход приемника РЛС подают импульсный зондирующий сигнал с широкополосной сложной частотной модуляцией и эхо-сигнал, а после преобразования этих сигналов до получения их на промежуточной частоте в суммарном и разностном каналах осуществляют ограничение, оптимальную обработку посредством временного сжатия и детектирование зондирующего и эхо-сигналов с образованием коротких видеоимпульсов, причем из видеоимпульсов, полученных после детектирования зондирующего сигнала, формируют команду управления на включение видеотракта приемника, порог обнаружения эхо-сигналов и при превышении данного порога видеоимпульсом, полученным после детектирования выбранного эхо-сигнала, формируют строб селекции эхо-сигнала от выбранной цели и команду на запрет приема эхо-сигналов до окончания локационного периода.
2. Устройство сопровождения цели, состоящее из передатчика ВЧ импульсных сигналов в заданном направлении и приемника ВЧ импульсных сигналов в заданном интервале дальностей с антенной системой, содержащей суммарно-разностную мостовую схему, при этом сигналы с выходов антенной системы подаются на вход суммарного и разностного каналов, после усиления в усилителе высокой частоты (УВЧ) суммарного и УВЧ разностного каналов и преобразования частоты сигналов в соответствующих смесителях до промежуточной частоты, сигналы суммарного и разностного каналов поступают на усилитель промежуточной частоты (УПЧ) суммарного и УПЧ разностного каналов, отличающееся тем, что передатчик содержит формирователь зондирующих сигналов с широкополосной сложной частотной модуляцией, а приемник содержит в суммарном и разностном канале цепь оптимальной обработки зондирующих и эхо-сигналов (ЭС), каждая из которых содержит последовательно соединенные между собой ограничитель и согласованный фильтр (СФ), причем усилитель промежуточной частоты (УПЧ) каждого канала выходом соединен с входом ограничителя соответствующего канала, выход СФ разностного канала соединен с входом фазового детектора (ФД) разностного канала, выход которого через соответствующую линию задержки (ЛЗ) соединен с сигнальным входом строб-клапана выделения ЭС разностного канала, а выход СФ суммарного канала соединен с другим опорным входом ФД разностного канала и входом амплитудного детектора (АД) суммарного канала, выход которого соединен с сигнальным входом пороговой схемы обнаружения эхо-сигнала (ПЭС), входом клапана видеотракта приемника, входом пороговой схемы синхронизации (ПС) и через ЛЗ суммарного канала – с сигнальным входом строб-клапана выделения ЭС суммарного канала, выход клапана видеотракта приемника соединен с входом формирователя порогов синхронизации и обнаружения эхо-сигналов (ФП), один из выходов которого через коммутатор порога синхронизации (КПС) соединен с опорным входом ПС, а другой выход ФП через коммутатор порога обнаружения (КП) соединен с опорным входом ПЭС, причем выход ПС через дифференцирующую цепь (ДЦ) порога синхронизации соединен с входом установки “0” триггера и входом тактового генератора (ТГ), выход которого соединен с входом управления КПС, опорным входом клапана видеотракта приемника и через ДЦ тактового генератора с первым входом установки “1” триггера, причем выход ПЭС через ДЦ порога обнаружения соединен с вторым входом установки “1” триггера и входом формирователя строба селекции (ФСС), выход триггера соединен с входом управления КП, выход ФСС соединен с вторым входом строб-клапана выделения ЭС разностного и вторым входом строб-клапана выделения ЭС суммарного каналов, выход которого соединен с входом автоматического регулятора усиления (АРУ), третий выход ФП соединен с вторым входом АРУ, выход которого соединен с входом УПЧ суммарного и входом УПЧ разностного каналов, а коммутатор порога синхронизации и коммутатор порога обнаружения каждый своим входом соединены с источником питания.
РИСУНКИ
|
|