|
|
(21), (22) Заявка: 2002131058/09, 18.11.2002
(24) Дата начала отсчета срока действия патента:
18.11.2002
(43) Дата публикации заявки: 27.05.2004
(45) Опубликовано: 20.06.2005
(56) Список документов, цитированных в отчете о поиске:
SU 372749 А, 01.03.1973. RU 2154362 C1, 10.08.2000. SU 1455395 A1, 30.01.1989. US 5122714 A, 16.06.1992. DE 4332239 А, 31.03.1994. WO 9902019 A, 14.01.1999. FR 2811506 А, 11.01.2002.
Адрес для переписки:
430000, г.Саранск, ул. Большевистская, 68, Мордовский госуниверситет им. Н.П. Огарёва, отдел патентов и стандартов
|
(72) Автор(ы):
Майоров М.И. (RU), Майоров А.М. (RU), Майорова И.С. (RU)
(73) Патентообладатель(и):
Мордовский Государственный Университет им. Н.П. Огарёва (RU)
|
(54) УСТРОЙСТВО ДЛЯ ЗАЖИГАНИЯ ГАЗОРАЗРЯДНЫХ ЛАМП
(57) Реферат:
Изобретение относится к электротехнике, в частности к устройствам для зажигания газоразрядных ламп. Техническим результатом изобретения является упрощение конструкции и повышение надежности работы устройства. Устройство содержит рабочий конденсатор, присоединенный через коммутирующий элемент, отпираемый от блока управления, параллельно первичной обмотке импульсного трансформатора. При этом коммутирующий элемент выполнен в виде выпрямительного моста с транзистором в диагонали, отпираемом блоком управления на время 1-100 мкс при достижении напряжения на рабочем конденсаторе 0,5-1,0 амплитудного значения сетевого напряжения не реже чем один раз за период сетевого напряжения. 4 ил. 
Изобретение относится к электротехнике и может быть использовано для зажигания газоразрядных ламп.
Известно устройство для зажигания газоразрядных ламп (SU №372749, кл. Н 05 В 41/23, опубл. 24.03.1970), питаемых от сети переменного тока, содержащее заряжаемый от сети переменного тока через токоограничивающий элемент, например через резистор, рабочий конденсатор, присоединенный через отпираемый от блока управления коммутирующий элемент, выполненный на базе тиристоров, параллельно первичной обмотке импульсного трансформатора, вторичная обмотка которого включена последовательно с лампой зажигания. Для запирания тиристоров применена LC-цепочка, рассчитанная на длительность протекания тока через тиристор в соответствии с частотой следования отпирающих импульсов от блока управления.
Однако использование тиристоров в качестве коммутирующего элемента требует применения дополнительных элементов для их запирания (в данном случае дополнительной LC-цепочки), что усложняет конструкцию, снижая ее надежность, ограничивает диапазон регулирования и увеличивает стоимость устройства.
Технический результат заключается в упрощении конструкции и повышении надежности работы устройства.
Сущность изобретения заключается в том, что в устройстве для зажигания газоразрядных ламп, питаемых непосредственно от сети переменного тока или через ограничитель тока, содержащем заряжаемый через токоограничивающий элемент непосредственно от сети или через ограничитель тока рабочий конденсатор, присоединенный через отпираемый от блока управления коммутирующий элемент параллельно первичной обмотке импульсного трансформатора, вторичная обмотка которого включена последовательно с лампой, коммутирующий элемент имеет в своем составе транзистор с допустимым напряжением, большим амплитудного сетевого, находящийся в отпертом состоянии в течение 1-100 мкс не реже чем один раз за период сетевого напряжения. В качестве коммутирующего элемента может быть использован транзистор с включенным между коллектором и эмиттером защитным полупроводниковым диодом, а токоограничивающий элемент состоит из последовательно включенных резистора и полупроводникового диода. В качестве коммутирующего элемента может быть использован выпрямительный мост с транзистором в диагонали.
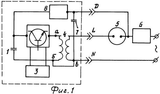
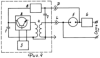
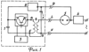
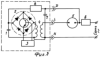
На фиг.1 изображено предлагаемое устройство для зажигания газоразрядных ламп, на фиг.2 приведен вариант устройства по п.2, на фиг.3 – вариант устройства по п.3, на фиг.4 – вариант включения устройства, называемый параллельным.
Устройство содержит (фиг.1) рабочий конденсатор 1, присоединенный через коммутирующий элемент 2, отпираемый от блока управления 3, параллельно первичной обмотке импульсного трансформатора 4. Цепь, состоящая из последовательно соединенных вторичной обмотки импульсного трансформатора 4 и лампы 5, включена в сеть непосредственно или через ограничитель тока 6. Шунтирующий конденсатор 7 подключен через лампу 5 параллельно вторичной обмотке импульсного трансформатора 4. Рабочий конденсатор 1 подключен через токоограничивающий элемент 8 параллельно шунтирующему конденсатору 7. L, D, N – контакты, подключающие устройство для зажигания газоразрядных ламп (обведено пунктиром) к газоразрядной лампе и сети. Возможно соединение между собой выводов а и в импульсного трансформатора 4 при одновременном разрыве соединения между выводами б и в. Для некоторых типов ламп ограничитель тока 6 может быть исключен. В устройстве по п.2 (фиг.2) в качестве коммутирующего элемента 2 использован транзистор с включенным между коллектором и эмиттером защитным полупроводниковым диодом, а токоограничивающий элемент 8 состоит из последовательно включенных резистора и полупроводникового диода. В устройстве по п.3 (фиг.З) в качестве коммутирующего элемента 2 использован выпрямительный мост с транзистором в диагонали.
Устройство работает следующим образом.
Через токоограничивающий элемент 8 заряжается рабочий конденсатор 1. Как только напряжение U на конденсаторе 1 достигнет определенной величины (обычно в пределах 0,5-1 амплитудного значения сетевого напряжения), блок управления 3 вырабатывает импульс, отпирающий коммутирующий элемент 2 на время 1-100 мкс. За это время рабочий конденсатор 1 разряжается через первичную обмотку импульсного трансформатора 4, вторичная обмотка которого соединена последовательно с лампой 5 и шунтирующим конденсатором 7. Наведенная на вторичной обмотке ЭДС обеспечивает пробой межэлектродного промежутка газоразрядной лампы 5. После возникновения дугового разряда в лампе 5 устройство отключается.
Устройство, изображенное на фиг.2, работает также, как и описанное выше. Импульсы генерируются через один полу период.
Устройство, изображенное на фиг.3, работает также, как и вышеописанные варианты. Импульсы генерируются каждый полупериод.
На фиг.4 приведен вариант включения устройства, называемый параллельным, в ряде случаев может быть предпочтительнее последовательного варианта поджига, при этом работает также, как и вышеописанные варианты.
Выбор длительности отпертого состояния транзистора обусловлен следующими соображениями.
Согласно техническим условиям на лампы длительность зажигающего импульса должна быть больше 1 мкс. Увеличение времени отпертого состояния транзистора более 100 мкс нежелательно, так как это приводит к перегреву токоограничивающего элемента. Наиболее оптимальным является время отпертого состояния транзистора 20 мкс. За это время успевают завершиться переходные процессы в контуре, состоящем из рабочего конденсатора 1 и первичной обмотки импульсного трансформатора 4, при этом токоограничивающий элемент не перегревается и может быть малогабаритным.
Использование транзистора в составе коммутирующего элемента позволило отказаться от использования LC-цепочки для запирания коммутирующего элемента, так как транзистор в отличие от тиристора имеет свойство запираться и при проходящем через него токе, отличном от нуля.
При испытаниях предлагаемое устройство надежно зажигало лампы, такие как дуговые натриевые ртутные (ДНаТ), дуговые ртутные с иодидами металлов (ДРИ), дуговые ртутные с иодидами шаровые (ДРИШ) и др. как в режиме последовательного поджига (фиг.1), так и при параллельном (фиг.4).
Формула изобретения
Устройство для зажигания газоразрядных ламп, питаемых непосредственно от сети переменного тока или через ограничитель тока, содержащее заряжаемый через токоограничительный элемент рабочий конденсатор, присоединенный через отпираемый от блока управления коммутирующий элемент параллельно первичной обмотке импульсного трансформатора, вторичная обмотка которого включена последовательно с лампой, отличающееся тем, что коммутирующий элемент выполнен в виде выпрямительного моста с транзистором в диагонали, отпираемым блоком управления на время 1-100 мкс при достижении напряжения на рабочем конденсаторе 0,5-1,0 амплитудного значения сетевого напряжения не реже чем один раз за период сетевого напряжения.
РИСУНКИ
MM4A Досрочное прекращение действия патента Российской Федерации на изобретение из-за неуплаты в установленный срок пошлины за поддержание патента в силе
Извещение опубликовано: 27.10.2006 БИ: 30/2006
|
|