|
|
(21), (22) Заявка: 2003138054/09, 29.12.2003
(24) Дата начала отсчета срока действия патента:
29.12.2003
(45) Опубликовано: 20.06.2005
(56) Список документов, цитированных в отчете о поиске:
RU 2209525, C1, 27.07.2003. RU 2019054, С1, 30.08.1994. SU 1830631, А1, 20.07.1993. RU 2020767, C1, 30.09.1994. RU 2019051, С1, 30.08.1994. RU 2198470, С1, 27.07.2003. ЕР 0415402, А2, 06.03.1991. US 4546323, А, 08.10.1985. US 5940451, А, 17.08.1999. ЕР 1107531, А2, 13.06.2001.
Адрес для переписки:
344010, г.Ростов-на-Дону, пр-кт Соколова, 96, ФГУП “ГКБ “Связь”, зам. директора А.А. Олейникову
|
(72) Автор(ы):
Пархоменко Н.Г. (RU), Боташев Б.М. (RU)
(73) Патентообладатель(и):
Федеральное государственное унитарное предприятие “Государственное конструкторское бюро аппаратно-программных систем “Связь” (ФГУП “ГКБ “Связь”) (RU)
|
(54) УСТРОЙСТВО ВОССТАНОВЛЕНИЯ НЕСУЩЕЙ ЧАСТОТЫ ШЕСТНАДЦАТИПОЗИЦИОННОЙ КВАДРАТУРНОЙ АМПЛИТУДНОЙ МАНИПУЛЯЦИИ
(57) Реферат:
Изобретение относится к радиотехнике и может быть использовано при восстановлении несущей частоты сигналов шестнадцатипозиционной квадратурной амплитудной манипуляции (КАМ-16). Технический результат – повышение помехоустойчивости восстановления несущей частоты сигнала КАМ-16 за счет увеличения точности измерения значения Rвх достигается выполнением следующих операций над сигналом: 1) Производят квадратурную корреляционную обработку входной смеси сигнала КАМ-16 с шумом. 2) Обрабатывают в компараторах, сумматорах и перемножителях низкочастотные сигналы на выходах фазовых детекторов (ФД) и формируют управляющее напряжение для генератора, управляемого напряжением (ГУН). 3) Обрабатывают в блоках формирования счетных импульсов (БФСИ) низкочастотные сигналы на выходах ФД и формируют псевдошумовые сигналы на выходах первых сумматоров в каждом из БФСИ. 4) Коммутируют через коммутатор каждого из БФСИ на вход второго сумматора каждого из БФСИ псевдошумовой сигнал с выходом того усилителя, который соответствует предельно высокому рабочему значению Rвх=Rmax. 5) Формируют на выходе каждого из БФСИ счетные импульсы. 6) Подсчитывают текущее количество счетных импульсов за определенное число тактовых интервалов и производят оценку Rвх. 7) В соответствии со значением полученной оценки Rвх управляют коммутатором, который направляет управляющее напряжение для ГУН (полученное на операции 2) на вход ГУН через соответствующий фильтр (номинально соответствующий оценке Rвх). Новым является управление коммутаторами в каждом из БФСИ, которые направляют псевдошумовые сигналы для последующей обработки (для выполнения операции 5)) через соответствующие усилители, соответствующие полученной оценке Rвх, а не значению Rmax. При этом путем коммутации оптимального для полученного диапазона Rвх усилителя в цепи обработки псевдошумового сигнала в каждом из БФСИ происходит оптимальная настройка устройства на сигнал, то есть достигается наивысшая точность измерения Rвх. 2 ил., 2 табл. 
Изобретение относится к радиотехнике и может быть использовано при восстановлении несущей частоты сигналов шестнадцатипозиционной квадратурной амплитудной манипуляции (КАМ-16).
Известно устройство для восстановления несущей частоты сигналов КАМ-16, содержащее генератор, управляемый напряжением, фазовращатель, два компаратора, элемент ИСКЛЮЧАЮЩЕЕ ИЛИ, сумматор. Выход генератора, управляемого напряжением, соединен с входом фазовращателя (см. А.С. №1830631, МКИ (5) H 04 L 27/06, опубл. в БИ №28 30.07.93 г.) [1].
Недостатком известного устройства является его низкая помехоустойчивость, обусловленная невозможностью в нем оценивания входного отношения сигнал/шум (ОСШ) Rвх и в соответствии с полученной оценкой подключения (коммутации) соответствующего фильтра в петле ФАПЧ для оптимальной настройки параметров следящей системы.
Как следует из теории, оптимальный по помехоустойчивости алгоритм восстановления несущей частоты сигналов КАМ в качестве одной из обязательных операций с сигналом должен предусматривать вычисление отношения сигнал/шум, по величине которого проводится оптимальная настройка на сигнал, в первую очередь – изменение полосы фильтра петли фазовой автоподстройки частоты (ФАПЧ). Это связано с тем, что значение Rвх входного отношения сигнал/шум входит как параметр в функцию правдоподобия начальной фазы входного сигнала, которая собственно и оценивается при когерентном восстановлении несущей частоты амплитудно-фазоманипулированного сигнала (см. Куликов Е.И., Трифонов А.П. Оценка параметров сигналов на фоне помех. – М.: Сов. радио, 1978. – 296 с.) [2, с.86-88].
Вообще, при любом способе построения петли ФАПЧ ширина полосы оптимальной (наиболее помехоустойчивой) петли пропорциональна некоторой дробной степени отношения Rсигнал/шум [4, с.135], что вызывает необходимость его измерения. Известное же устройство не позволяет производить вычисление входного отношения сигнал/шум и, соответственно, не позволяет оптимальным образом настроить параметры устройства для достижения наивысшей помехоустойчивости приема.
Известно также устройство восстановления несущей частоты сигналов шестнадцатипозиционной КАМ, содержащее четыре сумматора, два фазовых детектора, компаратор (пороговый блок), управляемый генератор, фазовращатель, два перемножителя. Первые входы первого и второго фазовых детекторов объединены и являются входом устройства, выход управляемого генератора соединен со вторым входом первого фазового детектора и с входом фазовращателя, выход которого соединен со вторым входом второго фазового детектора. Выходы первого и второго перемножителей соединены с входом сумматора (см. патент RU №2019054, МПК(5) H 04 L 27/34, опубл. в БИ №16 30.08.94 г.) [5].
Недостатки известного устройства те же, что и у описанного ранее, а именно низкая помехоустойчивость, связанная с невозможностью подключения соответствующего фильтра в петле ФАПЧ в соответствии со значением входного отношения сигнал/шум.
Из известных технических решений наиболее близким по большинству существенных признаков к заявляемому устройству (прототипом) является устройство восстановления несущей частоты сигналов шестнадцатипозиционной квадратурной амплитудной манипуляции, содержащее n фильтров, первый и второй фазовые детекторы, первые входы которых объединены и являются входом устройства, второй вход первого фазового детектора соединен с выходом генератора, управляемого напряжением, и с входом фазовращателя на 90°, выход которого соединен со вторым входом второго фазового детектора, выход первого фазового детектора соединен с входом первого компаратора и вторыми входами первого и третьего сумматоров, выход которого соединен с первым входом первого перемножителя, выход которого соединен с первым входом пятого сумматора, второй вход которого соединен с выходом второго перемножителя, первый вход которого соединен с выходом четвертого сумматора, второй вход которого соединен со вторым входом второго сумматора, входом второго компаратора и выходом второго фазового детектора, выходы первого и второго компараторов соединены с первыми входами соответственно первого и второго сумматоров, выходы которых соединены со входами соответственно третьего и четвертого компараторов, выходы которых соединены с первыми входами соответственно третьего и четвертого сумматоров, выходы первого и второго компараторов соединены со вторыми входами соответственно второго и первого перемножителей, первые входы первого и второго блоков формирования счетных импульсов соединены с выходами соответственно первого и второго фазовых детекторов, вторые входы первого и второго блоков формирования счетных импульсов соединены с выходами соответственно первого и второго компараторов, третьи входы первого и второго блоков формирования счетных импульсов соединены с выходами соответственно третьего и четвертого компараторов, выходы первого и второго блоков формирования счетных импульсов соединены соответственно с первым и вторым входами шестого сумматора, выход которого соединен с входом блока счета и сравнения, выход которого соединен с управляющим входом коммутатора, выход которого соединен с входом генератора, управляемого напряжением, m-й вход коммутатора соединен с выходом m-го фильтра, где m=1, 2,…,n, входы всех фильтров соединены с выходом пятого сумматора, каждый блок формирования счетных импульсов содержит многоуровневый компаратор, первый элемент ИСКЛЮЧАЮЩЕЕ ИЛИ, элемент ИЛИ и первый сумматор, первый вход которого соединен с первым входом блока формирования счетных импульсов, первый вход первого элемента ИСКЛЮЧАЮЩЕЕ ИЛИ соединен со вторым входом блока формирования счетных импульсов, второй вход и выход первого элемента ИСКЛЮЧАЮЩЕЕ ИЛИ соединены соответственно с первым выходом многоуровневого компаратора и первым входом элемента ИЛИ, выход которого является выходом блока формирования счетных импульсов (см. патент RU №2209525, МПК(7) H 04 L 27/22, опубл. в БИ №21 27.07.2003 г.) [6] – прототип.
В устройстве-прототипе происходит измерение входного отношения сигнал/шум Rвх и коммутация того из n фильтров петли ФАПЧ, который оптимально соответствует измеренному значению Rвх.
Недостаток устройства-прототипа состоит в его низкой помехоустойчивости, обусловленной следующими факторами. Принцип измерения входного отношения сигнал/шум Rвх в устройстве-прототипе основан на формировании некоторых псевдошумовых сигналов, служащих для оценки Rвх. При этом для достижения наибольшей точности получаемых оценок величина этих псевдошумовых сигналов должна быть различной: малой в диапазоне высоких значений Rвx и большой в диапазоне низких значений Rвх. В устройстве-прототипе же независимо от реального значения Rвx величины формируемых псевдошумовых сигналов (на выходах первых сумматоров в каждом из блоков формирования счетных импульсов (БФСИ)) определяются коэффициентами передачи первого и второго фиксированных аттенюаторов и являются постоянными. Так как величины формируемых псевдошумовых сигналов не изменяются в зависимости от входного отношения сигнал/шум Rвx, это приводит к низкой точности измерения Rвx. В свою очередь, недостаточно точно определенное значение Rвx может привести к тому, что в петле ФАПЧ будет скоммутирован фильтр, не соответствующий реальному значению Rвx, и, следовательно, к потере помехоустойчивости.
Таким образом, недостаток устройства-прототипа состоит в его низкой помехоустойчивости, обусловленной низкой точностью измерения значения входного отношения сигнал/шум.
Технический результат – повышение помехоустойчивости восстановления несущей частоты сигнала КАМ-16 за счет увеличения точности измерения значения Rвx достигается выполнением следующих операций над сигналом:
1) Производят квадратурную корреляционную обработку входной смеси сигнала КАМ-16 с шумом.
2) Обрабатывают в соответствующих устройствах (компараторах, сумматорах и перемножителях) низкочастотные сигналы на выходах фазовых детекторов (ФД) и формируют управляющее напряжение для генератора, управляемого напряжением (ГУН).
3) Обрабатывают в блоках формирования счетных импульсов (БФСИ) низкочастотные сигналы на выходах ФД и формируют псевдошумовые сигналы на выходах первых сумматоров в каждом из БФСИ.
4) Коммутируют через коммутатор каждого из БФСИ на вход второго сумматора каждого из БФСИ псевдошумовой сигнал с выходом того усилителя, который соответствует предельно высокому рабочему значению Rвx=Rmax.
5) Формируют на выходе каждого из БФСИ счетные импульсы.
6) Подсчитывают текущее количество счетных импульсов за определенное число тактовых интервалов и производят оценку Rвx.
7) В соответствии со значением полученной оценки Rвx управляют коммутатором, который направляет управляющее напряжение для ГУН (полученное на операции 2) на вход ГУН через соответствующий фильтр (номинально соответствующий оценке Rвx).
В отличие от устройства-прототипа, выполняют новую операцию 8).
8) В соответствии со значением полученной оценки Rвx управляют коммутаторами в каждом из БФСИ, которые направляют псевдошумовые сигналы для последующей обработки (для выполнения операции 5)) через соответствующие усилители, соответствующие полученной оценке Rвx, а не значению Rmax.
Таким образом, путем коммутации оптимального для полученного диапазона Rвx усилителя в цепи обработки псевдошумового сигнала в каждом из БФСИ происходит оптимальная настройка устройства на сигнал, то есть достигается наивысшая точность измерения Rвx.
При этом в отличие от прототипа заявляемое устройство позволяет за счет более точного измерения величины Rвx более точно подбирать оптимальный фильтр в петле ФАПЧ, что позволяет добиться максимально возможной помехоустойчивости.
Это достигается тем, что устройство восстановления несущей частоты сигналов шестнадцатипозиционной квадратурной амплитудной манипуляции содержит n фильтров, первый и второй фазовые детекторы, первые входы которых объединены и являются входом устройства, второй вход первого фазового детектора соединен с выходом генератора, управляемого напряжением и с входом фазовращателя на 90°, выход которого соединен со вторым входом второго фазового детектора, выход первого фазового детектора соединен с входом первого компаратора и вторыми входами первого и третьего сумматоров, выход которого соединен с первым входом первого перемножителя, выход которого соединен с первым входом пятого сумматора, второй вход которого соединен с выходом второго перемножителя, первый вход которого соединен с выходом четвертого сумматора, второй вход которого соединен со вторым входом второго сумматора, входом второго компаратора и выходом второго фазового детектора, выходы первого и второго компараторов соединены с первыми входами соответственно первого и второго сумматоров, выходы которых соединены с входами соответственно третьего и четвертого компараторов, выходы которых соединены с первыми входами соответственно третьего и четвертого сумматоров, выходы первого и второго компараторов соединены со вторыми входами соответственно второго и первого перемножителей, первые входы первого и второго блоков формирования счетных импульсов соединены с выходами соответственно первого и второго фазовых детекторов, вторые входы первого и второго блоков формирования счетных импульсов соединены с выходами соответственно первого и второго компараторов, третьи входы первого и второго блоков формирования счетных импульсов соединены с выходами соответственно третьего и четвертого компараторов, выходы первого и второго блоков формирования счетных импульсов соединены соответственно с первым и вторым входами шестого сумматора, выход которого соединен с входом блока счета и сравнения, выход которого соединен с управляющим входом коммутатора, выход которого соединен с входом генератора, управляемого напряжением, m-й вход коммутатора соединен с выходом m-го фильтра, где m=1, 2,…,n, входы всех фильтров соединены с выходом пятого сумматора, каждый блок формирования счетных импульсов содержит многоуровневый компаратор, первый элемент ИСКЛЮЧАЮЩЕЕ ИЛИ, элемент ИЛИ и первый сумматор, первый вход которого соединен с первым входом блока формирования счетных импульсов, первый вход первого элемента ИСКЛЮЧАЮЩЕЕ ИЛИ соединен со вторым входом блока формирования счетных импульсов, второй вход и выход первого элемента ИСКЛЮЧАЮЩЕЕ ИЛИ соединены соответственно с первым выходом многоуровневого компаратора и первым входом элемента ИЛИ, выход которого является выходом блока формирования счетных импульсов.
Согласно изобретению выход блока счета и сравнения соединен с четвертыми входами первого и второго блоков формирования счетных импульсов, каждый из которых дополнительно содержит k усилителей, коммутатор, второй сумматор и второй элемент ИСКЛЮЧАЮЩЕЕ ИЛИ, первый вход, второй вход и выход которого соединены соответственно с вторым выходом многоуровневого компаратора, третьим входом первого сумматора и вторым входом элемента ИЛИ, j-й вход коммутатора соединен с выходом j-го усилителя, где j-1, 2,…,k, входы всех усилителей соединены с выходом первого сумматора, выход коммутатора соединен с вторым входом второго сумматора, первый вход которого соединен с первым входом первого сумматора, выход второго сумматора соединен с входом многоуровневого компаратора, второй, третий и четвертый входы блока формирования счетных импульсов соединены соответственно с вторым входом первого сумматора, третьим входом первого сумматора и управляющим входом коммутатора.
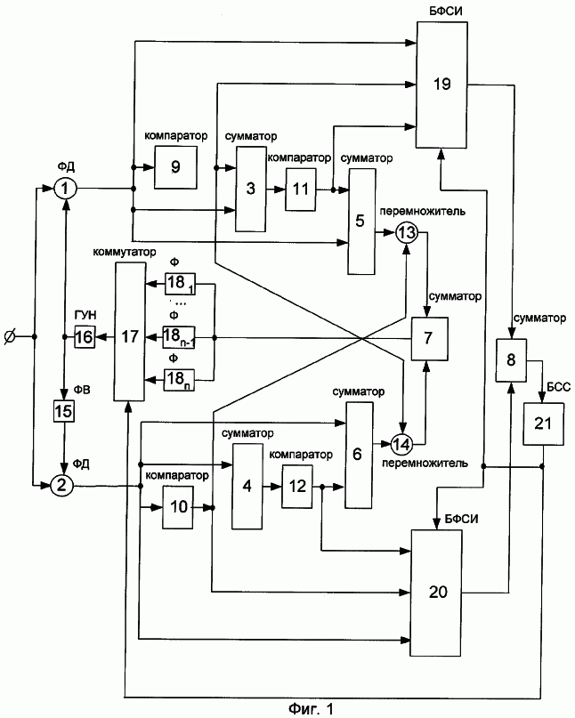
Введение в БФСИ четвертого входа, k усилителей, коммутатора, второго сумматора и второго элемента ИСКЛЮЧАЮЩЕЕ ИЛИ позволяет в зависимости от получаемых результатов оценки Rвx изменять величину псевдошумовых сигналов в каждом из БФСИ. Это, в свою очередь, позволяет более точно при последующих измерениях оценивать текущее значение Rвx и, следовательно, более точно подбирать фильтр в петле ФАПЧ. Оптимизация фильтра в петле ФАПЧ приводит к достижению максимально возможной (при данном значении Rвx) помехоустойчивости. Сущность изобретения поясняется чертежами и таблицами. На фиг.1 приведена функциональная схема устройства восстановления несущей частоты сигналов шестнадцатипозиционной квадратурной амплитудной манипуляции. На фиг.2 приведена функциональная схема блока формирования счетных импульсов (БФСИ). В таблице 1 показаны соответствия между информационными символами и манипулируемыми амплитудой и фазой для сигнала КАМ-16.
Устройство содержит первый и второй фазовые детекторы (ФД) 1 и 2, первый – шестой сумматоры 3-8, первый – четвертый компараторы 9-12, первый и второй перемножители 13 и 14, фазовращатель 15 на 90°, генератор 16, управляемый напряжением, коммутатор 17, n фильтров 181-18n, первый и второй БФСИ 19 и 20, блок счета и сравнения (БСС) 21.
Каждый БФСИ 19 и 20 содержит первый сумматор 22, k усилителей 23l-23k, коммутатор 24, второй сумматор 25, многоуровневый компаратор 26, первый 27 и второй 28 элементы ИСКЛЮЧАЮЩЕЕ ИЛИ, элемент ИЛИ 29.
Устройство восстановления несущей частоты сигналов шестнадцатипозиционной квадратурной амплитудной манипуляции содержит n фильтров 18l-18n, первый и второй фазовые детекторы 1 и 2, первые входы которых объединены и являются входом устройства. Второй вход первого фазового детектора 1 соединен с выходом генератора 16, управляемого напряжением, и с входом фазовращателя 15 на 90°, выход которого соединен со вторым входом второго фазового детектора 2. Выход первого фазового детектора 1 соединен с входом первого компаратора 9 и вторыми входами первого 3 и третьего 5 сумматоров, выход которого соединен с первым входом первого перемножителя 13, выход которого соединен с первым входом пятого сумматора 7, второй вход которого соединен с выходом второго перемножителя 14, первый вход которого соединен с выходом четвертого сумматора 6, второй вход которого соединен со вторым входом второго сумматора 4, входом второго компаратора 10 и выходом второго фазового детектора 2. Выходы первого 9 и второго 10 компараторов соединены с первыми входами соответственно первого 3 и второго 4 сумматоров, выходы которых соединены с входами соответственно третьего 11 и четвертого 12 компараторов, выходы которых соединены с первыми входами соответственно третьего 5 и четвертого 6 сумматоров. Выходы первого 9 и второго 10 компараторов соединены со вторыми входами соответственно второго 14 и первого 13 перемножителей. Первые входы первого 19 и второго 20 блоков формирования счетных импульсов соединены с выходами соответственно первого 1 и второго 2 фазовых детекторов, вторые входы первого 19 и второго 20 блоков формирования счетных импульсов соединены с выходами соответственно первого 9 и второго 10 компараторов, третьи входы первого 19 и второго 20 блоков формирования счетных импульсов соединены с выходами соответственно третьего 11 и четвертого 12 компараторов, выходы первого 19 и второго 20 блоков формирования счетных импульсов соединены соответственно с первым и вторым входами шестого сумматора 8, выход которого соединен с входом блока счета и сравнения 21, выход которого соединен с управляющим входом коммутатора 17, выход которого соединен с входом генератора 16, управляемого напряжением, m-й вход коммутатора 17 соединен с выходом m-го фильтра 18, где m=1, 2,…,n. Входы всех фильтров 18l-18n соединены с выходом пятого сумматора 7, выход блока счета и сравнения 21 соединен с четвертыми входами первого 19 и второго 20 блоков формирования счетных импульсов. Каждый блок формирования счетных импульсов 19 (20) содержит многоуровневый компаратор 26, первый элемент ИСКЛЮЧАЮЩЕЕ ИЛИ 27, элемент ИЛИ 29, k усилителей 23l-23k, коммутатор 24, второй сумматор 25 и второй элемент ИСКЛЮЧАЮЩЕЕ ИЛИ 28 и первый сумматор 22, первый вход которого соединен с первым входом блока формирования счетных импульсов 19 (20), первый вход первого элемента ИСКЛЮЧАЮЩЕЕ ИЛИ 27 соединен со вторым входом блока формирования счетных импульсов 19 (20), второй вход и выход первого элемента ИСКЛЮЧАЮЩЕЕ ИЛИ 27 соединены соответственно с первым выходом многоуровневого компаратора 26 и первым входом элемента ИЛИ 29, выход которого является выходом блока формирования счетных импульсов 19 (20), первый вход, второй вход и выход второго элемента ИСКЛЮЧАЮЩЕЕ ИЛИ 28 соединены соответственно с вторым выходом многоуровневого компаратора 26, третьим входом первого сумматора 22 и вторым входом элемента ИЛИ 29, j-й вход коммутатора 24 соединен с выходом j-го усилителя 23j, где j-1, 2,…,k, входы всех усилителей 231-23k соединены с выходом первого сумматора 22, выход коммутатора 24 соединен с вторым входом второго сумматора 25, первый вход которого соединен с первым входом первого сумматора 22, выход второго сумматора 25 соединен с входом многоуровневого компаратора 26, второй, третий и четвертый входы блока формирования счетных импульсов 19 (20) соединены соответственно с вторым входом первого сумматора 22, третьим входом первого сумматора 22 и управляющим входом коммутатора 24.
Коэффициент передачи по первым входам первого 3 и второго 4 сумматоров равен минус 1; по первым входам третьего 5 и четвертого 6 сумматоров равен минус 0,5; по первому входу пятого сумматора 7 равен минус 1; по второму и третьему входам сумматора 22 равен минус 1 и минус 0,5 соответственно. По остальным входам указанных сумматоров, а также по входам сумматора 25 коэффициент передачи равен 1.
Устройство работает следующим образом.
На вход устройства поступает смесь сигнала КАМ-16 с шумом в следующем виде (см., например, Радиоэлектронные системы передачи информации / под ред. В.В.Калмыкова. – М.: Радио и связь, 1990. -с.97) [7]:


Sшум – аддитивный белый гауссовский шум;
i=1,…,16 – номер передаваемой сигнальной точки.
В выражении (2) Ui и i соответствуют передаваемым информационным символам (манипулируемой амплитуде и фазе). При этом каждая i-я сигнальная точка передает четыре бита (тетраду) информации {I1, I2, I3, I4} (см. табл.1).
Точное решение интегро-дифференциального уравнения, описывающего работу устройства в режиме вхождения в синхронизм (захват) по восстановленной несущей частоте, представляет собой достаточно сложную задачу [8, с.97-101].
а) предположим, что синхронизм в петле ФАПЧ достигнут;
б) предположим, что установившаяся статическая фазовая ошибка 0 мала ( 0 0°).
При этом, если удается доказать, что на входе ГУН формируется напряжение, имеющее дискретную компоненту вида

где х и у – некоторые коэффициенты;
f(z) – нечетная функция аргумента (z),
то тем самым доказывается возможность устройства осуществлять восстановление несущей частоты путем оценивания фазы .
Пусть на выходе ГУН16 сигнал имеет вид

Параметр 0 имеет смысл фазового рассогласования между опорным колебанием сигнала КАМ-16 и колебанием ГУН 16. При этом значение 0 собственно и подлежит оценке в устройстве восстановления несущей частоты по методу максимального правдоподобия (см., например, Банкет В.Л., Дорофеев В.М. Цифровые методы в спутниковой связи. – М.: Радио и связь, 1988. – с.85-86) [8].
Сигнал на выходе ФВ 15 (после поворота на 90°) имеет вид

Сигналы Sгун и Sфв, описываемые выражениями (4) и (5), являются опорными колебаниями для первого ФД1 и второго ФД2, поступая на их вторые входы.
Учитывая выражения (1)-(4) для перемножаемых в ФД1 и ФД2 сигналов, получаем в первом приближении, что на выходах первого и второго ФД1 и ФД2 будут формироваться сигналы соответственно


где SшумI и SшумQ – синфазная и квадратурная составляющие шумового процесса Sшум из (1).
Учитывая, что в ФД1 и ФД2 происходит подавление компонент с частотой 2 о, окончательно получаем

Учтем, что каждая i-я сигнальная точка сигнала КАМ-16 располагается в узлах правильной квадратной решетки [7, с.98].
При этом соотношение между номером сигнальной точки, манипулируемой амплитудой Ui, манипулируемой фазой i и передаваемой информационной тетрадой битов {I1, I2, I3, I4}i приведено в таблице 1.
Подставляя в (6) данные из таблицы 1 и пользуясь тригонометрическими тождествами, получаем, что на выходах ФД1 и ФД2 сигналы имеют вид


В выражениях (7) использовано эквивалентное (по отношению к табл.1) представление информационных символов {I1, I2, I3, I4}i не в логическом базисе {0;1}, а в базисе инверсных величин {-1;+1}.
Учтем, что компараторы 9-12 реализуют знаковую функцию sign(x), описываемую выражением

При малых углах sign(I1)=I1 (аналогичные равенства верны для (I2, I3, I4).
Тогда, учитывая выражения (8) и (7), получаем, что на выходе пятого сумматора 7 формируется сигнал

где Sш – шумовой процесс.
При  0 вторым слагаемым в выражении (9) можно пренебречь.
В этом случае сигнал на выходе пятого сумматора 7 имеет вид

Усредняя (10) по всем информационным символам, можно получить, что сигнал на выходе фильтра 18 (т.е. матожидание выражения (7)) удовлетворяет условию (3), поскольку имеет вид
S18=4sin .
Итак, после фильтрации S7 в соответствующем фильтре 18 на вход ГУН16 поступает сигнал вида 4sin , т.е. замыкается петля ФАПЧ, и ГУН 16 формирует на своем выходе сигнал восстановленной несущей частоты
cos( 0t+ ),
где  0.
Рассмотрим теперь, каким образом происходит измерение Rвх.
Поскольку логика работы БФСИ 19 и 20 одинакова, рассмотрим подробно работу БФСИ 19.
С учетом данных таблицы 1 и логики работы компараторов 9 и 11 получаем, что на второй вход БФСИ 19 поступает сигнал I1, а на третий вход – сигнал I3.
Тогда, с учетом выражения (7) получаем, что на выходе сумматора 22 будет сформирован сигнал

Положим, что  0. Тогда sin 0 и выражение (11) преобразуется к виду

Поскольку в состоянии захвата  0, то выражение (12) принимает вид

Сигнал S22 на выходе сумматора 22 называется псевдошумовым, поскольку строгое равенство в выражении (13) достигается не всегда, а лишь тогда, когда на выходах компараторов 9 и 11 биты I1 и I3 формируются без ошибок. В тех же случаях, когда в битах I1 и I3 на выходах компараторов 9 и 11 возникают ошибки, сигнал S22 не совпадает с шумовым сигналом Sшумi, в связи с чем он и называется псевдошумовым.
Работа многоуровневого компаратора 26 описывается следующим образом


В приведенных выше системах неравенств S261 и S262 – сигналы соответственно на первом и втором выходах компаратора 26.
Символом S25 обозначен сигнал на выходе второго сумматора 25, который имеет вид

где dj – коэффициент усиления того j-го усилителя 23j, который скоммутирован через коммутатор 24.
Численное значение отношения сигнал/шум Rвх может быть при обработке сигнала КАМ-16 найдено как значение аргумента, удовлетворяющего условию

где Р – вероятность ошибки на выходе демодулятора сигналов КАМ-16;
V – функция дополнения интеграла вероятности до единицы [5, с.48].
Поскольку в устройстве восстановления несущей частоты решения о переданных символах на выходе демодулятора не принимаются (отсутствуют решающие устройства), то для определения Rвх можно воспользоваться тем фактором, что в реальных условиях любые устройства обработки имеют характеристики хуже, чем идеальные (гипотетические) схемы.
В соответствии с этим и логикой работы компаратора 25 (см. выражения (14) и (15)) примем, что сигналы на втором и третьем входах БФСИ есть сигналы, полученные в некотором оптимальном случае, а сигналы на первом и втором выходах компаратора 26 являются аналогичными сигналами, получаемыми в условиях худшего отношения сигнал/шум (см. выражение (16)).
Логические блоки 27-29 позволяют оценить степень несовпадений данных сигналов.
Блок БФСИ 20 работает аналогично. При этом все импульсы на выходах БФСИ 19 и 20 обусловлены только неверными (намеренно ухудшенными) сигналами S261 и S262.
Зависимость (17) при всех допущениях о характере входного шума носит монотонный характер: на выходе шестого сумматора 8 логическая единица (признак несовпадения) формируется тем чаще, чем меньше Rвх (и наоборот). Это позволяет избежать точного решения уравнения (17) и производить относительную оценку Rвх в блоке БСС.
В этом случае БСС выполняет две функции:
– считает, какое относительное количество времени L=T1/T на выходе сумматора 8 присутствует сигнал логической 1. Данная функция может быть реализована в БСС 21 путем подсчета некоторых счетных импульсов, формирование которых разрешает логическая единица на входе БСС 21;
– сравнивает полученное значение с пороговыми величинами. Пороговые величины могут быть определены как расчетным, так и экспериментальным путем.
Значение L=T1/T определяет ту часть времени по отношению к общему времени Т , выбранному в качестве базы счета, когда на входе БСС присутствует логическая 1. Параметр L тем больше, чем меньше Rвх. Чем меньше Rвх, тем более узкая полоса П фильтра 18 требуется для достижения максимальной помехоустойчивости восстановления несущей.
Измеряя в БСС конкретное значение L и сравнивая его со значениями L, определяющими границы диапазонов этого параметра, на выходе БСС формируют сигнал (адрес номера входа для коммутатора 17), который, поступая на адресный вход коммутатора 17, производит коммутацию (включение) нужного фильтра в петле ФАПЧ.
Сигнал с выхода БСС 21 поступает через четвертые входы БФСИ 19 и 20 на адресные входы коммутаторов 24, управляя коммутацией усилителей 23j.
Для реализации максимальной точности измерения Rвх коэффициент усиления dj выбирается таким образом, что большему значению L соответствует меньшее значение dj. Для практических целей следует выбирать количество фильтров 18 большим, чем количество усилителей 23, при этом целесообразно, чтобы на один усилитель 23 приходилось четыре-шесть фильтров 18.
Между параметром L, входным отношением сигнал/шум Rвх, полосой П фильтра 18 и коэффициентом усиления d усилителя 23 существуют следующие соотношения:

Поясним это на следующем примере. Известно, что устройство может работать в одном из трех диапазонов входного отношения сигнал/шум, называемых условно диапазоном высокого отношения сигнал/шум, диапазоном среднего отношения сигнал/шум и диапазоном низкого отношения сигнал/шум. Известно, что на каждое значение dj приходится четыре разных значения Пi.
В начальный момент времени на выходе БСС присутствует адрес «ноль» (см. табл. 2). По данному адресу коммутатор 24 скоммутирует тот усилитель 23, который соответствует диапазону высоких отношений сигнал/шум, т.е. усилитель 23 с минимальным усилением d.
Rвх.1> Rвх.2>…> Rвх.12
d123.
Таким образом, в начальный момент времени устройство функционирует в предположении о работе в диапазоне высоких отношений сигнал/шум. После подсчета текущего значения параметра L по описанной выше логике работы БФСИ 19(20) и БСС 21, становится известен реальный рабочий диапазон значений Rвх.. В соответствии с этим значение коэффициента усиления dj будет оптимизировано. Так, если в результате измерений на выходе БСС будет сформирован адрес «шесть» (см. табл. 2), то в соответствии с ним будет скоммутирован усилитель 23 с коэффициентом d2, соответствующий диапазону средних отношений сигнал/шум Rвх.5-Rвх.8. При неизменном коэффициенте усиления d2 в зависимости от конкретного значения Rвх в пределах своего диапазона средних значений в качестве полосы фильтра могут использоваться значения П5-П8 из общего ряда
П1>П2>…>П12.
При этом каждому значению полосы фильтра 18 соответствует свое значение коэффициента усиления усилителя 23, что позволяет адаптировать его в процессе работы к реальному отношению сигнал/шум Rвх.
За счет коммутации оптимального (для реального диапазона Rвх) усилителя 23 в цепи обработки псевдошумового сигнала S22 достигается наибольшая точность измерения Rвх. Поскольку в соответствии с измеренным значением Rвх происходит коммутация фильтров 18 с различными полосами Пi, это, в итоге, позволяет повысить помехоустойчивость устройства во всем диапазоне значений Rвх.
Источники информации
1. А.С. №1830631, МКИ (5) H 04 L 27/06, опубл. в БИ №28 30.07.93 г.
2. Куликов Е.И., Трифонов А.П. Оценка параметров сигналов на фоне помех. – М.: Сов.радио, 1978. – 296 с.
4. Стиффлер Дж.Дж. Теория синхронной связи. – М.: Связь. – 1975. – 488 с.
5. Патент RU №2019054, МПК(5) H 04 L 27/34, опубл. в БИ №16 30.08.94 г.
6. Патент RU №2209525, МПК(7) Н 04 L 27/22, опубл. в БИ №21, 27.07.2003 г. – прототип.
7. Радиотехнические системы передачи информации / Под ред. В.В.Калмыкова. – М.: Радио и связь, 1990, – с.97.
8. Банкет В.Л., Дорофеев В.М. Цифровые методы в спутниковой связи. – М.: Радио и связь, 1988 г., – с.85-86.

| Таблица 2 |
| Адрес на выходе БСС |
Коэффициент усиления усилителя 23 |
Полоса фильтра 18 |
Значение Rвх |
| 0 |
d1 |
П1 |
Rвх1 |
| 1 |
d1 |
П2 |
Rвх2 |
| 2 |
d1 |
П3 |
Rвх3 |
| 3 |
d1 |
П4 |
Rвх4 |
| 4 |
d2 |
П5 |
Rвх5 |
| 5 |
d2 |
П6 |
Rвх6 |
| 6 |
d2 |
П7 |
Rвх7 |
| 7 |
d2 |
П8 |
Rвх8 |
| 8 |
d3 |
П9 |
Rвх9 |
| 9 |
d3 |
П10 |
Rвх10 |
| 10 |
d3 |
П11 |
Rвх11 |
| 11 |
d3 |
П12 |
Rвх12 |
Формула изобретения
Устройство восстановления несущей частоты сигналов шестнадцатипозиционной квадратурной амплитудной манипуляции, содержащее n фильтров, первый и второй фазовые детекторы, первые входы которых объединены и являются входом устройства, второй вход первого фазового детектора соединен с выходом генератора, управляемого напряжением, и с входом фазовращателя на 90°, выход которого соединен со вторым входом второго фазового детектора, выход первого фазового детектора соединен с входом первого компаратора и вторыми входами первого и третьего сумматоров, выход которого соединен с первым входом первого перемножителя, выход которого соединен с первым входом пятого сумматора, второй вход которого соединен с выходом второго перемножителя, первый вход которого соединен с выходом четвертого сумматора, второй вход которого соединен со вторым входом второго сумматора, входом второго компаратора и выходом второго фазового детектора, выходы первого и второго компараторов соединены с первыми входами соответственно первого и второго сумматоров, выходы которых соединены с входами соответственно третьего и четвертого компараторов, выходы которых соединены с первыми входами соответственно третьего и четвертого сумматоров, выходы первого и второго компараторов соединены со вторыми входами соответственно второго и первого перемножителей, первые входы первого и второго блоков формирования счетных импульсов соединены с выходами соответственно первого и второго фазовых детекторов, вторые входы первого и второго блоков формирования счетных импульсов соединены с выходами соответственно первого и второго компараторов, третьи входы первого и второго блоков формирования счетных импульсов соединены с выходами соответственно третьего и четвертого компараторов, выходы первого и второго блоков формирования счетных импульсов соединены соответственно с первым и вторым входами шестого сумматора, выход которого соединен с входом блока счета и сравнения, выход которого соединен с управляющим входом коммутатора, выход которого соединен с входом генератора, управляемого напряжением, m-й вход коммутатора соединен с выходом m-го фильтра, где m=1, 2, …, n, входы всех фильтров соединены с выходом пятого сумматора, каждый блок формирования счетных импульсов содержит многоуровневый компаратор, первый элемент ИСКЛЮЧАЮЩЕЕ ИЛИ, элемент ИЛИ и первый сумматор, первый вход которого соединен с первым входом блока формирования счетных импульсов, первый вход первого элемента ИСКЛЮЧАЮЩЕЕ ИЛИ соединен со вторым входом блока формирования счетных импульсов, второй вход и выход первого элемента ИСКЛЮЧАЮЩЕЕ ИЛИ соединены соответственно с первым выходом многоуровневого компаратора и первым входом элемента ИЛИ, выход которого является выходом блока формирования счетных импульсов, отличающееся тем, что выход блока счета и сравнения соединен с четвертыми входами первого и второго блоков формирования счетных импульсов, каждый из которых дополнительно содержит k усилителей, коммутатор, второй сумматор и второй элемент ИСКЛЮЧАЮЩЕЕ ИЛИ, первый вход, второй вход и выход которого соединены соответственно со вторым выходом многоуровневого компаратора, третьим входом первого сумматора и вторым входом элемента ИЛИ, j-й вход коммутатора соединен с выходом j-го усилителя, где j-1, 2, …, k, входы всех усилителей соединены с выходом первого сумматора, выход коммутатора соединен со вторым входом второго сумматора, первый вход которого соединен с первым входом первого сумматора, выход второго сумматора соединен с входом многоуровневого компаратора, второй, третий и четвертый входы блока формирования счетных импульсов соединены соответственно со вторым входом первого сумматора, третьим входом первого сумматора и управляющим входом коммутатора.
РИСУНКИ
|
|