|
|
(21), (22) Заявка: 2003111933/09, 24.04.2003
(24) Дата начала отсчета срока действия патента:
24.04.2003
(43) Дата публикации заявки: 27.11.2004
(45) Опубликовано: 20.06.2005
(56) Список документов, цитированных в отчете о поиске:
SU 481929 А, 10.10.1975. SU 416717 A, 13.12.1974. SU 409262 A, 12.07.1973. RU 2020752 C1, 30.09.1994. US 4754259 A, 28.06.1988.
Адрес для переписки:
140103, Московская обл., г. Раменское, ул. Гурьева, 2, ОАО РПКБ
|
(72) Автор(ы):
Чернышев Д.А. (RU)
(73) Патентообладатель(и):
Открытое акционерное общество Раменское приборостроительное конструкторское бюро (RU)
|
(54) ПРЕОБРАЗОВАТЕЛЬ УГЛА ПОВОРОТА ВАЛА В КОД
(57) Реферат:
Изобретение относится к области вычислительной техники, в частности к преобразователям угла поворота вала в код, и может быть использовано в системах обработки данных. Техническим результатом является повышение быстродействия преобразователя. Технический результат достигается за счет того, что преобразователь содержит синусно-косинусные трансформаторные датчики, коммутатор, четыре интегратора, функциональный преобразователь отношения напряжения в код, пороговые элементы, элемент 4И-НЕ, блок запуска и остановки интеграторов, счетчик, два инвертора, два переключателя и элемент НЕ. 2 ил. 
Изобретение относится к области вычислительной техники, в частности к преобразователям угла поворота вала в код, и может быть использовано в системах обработки данных.
Известен преобразователь угла поворота вала в код, содержащий синусно-косинусный трансформаторный датчик, селектор октантов, суммирующие масштабные усилители, линейные множительные устройства, суммирующий блок, масштабные устройства, компаратор, регистр и блок управления (см. а.с. СССР №416717, Кл. G 08 C 9/00, 1974 г.).
Недостатком преобразователя является его сложность, невысокая точность и низкое быстродействие.
Наиболее близким к изобретению по технической сущности и достигаемому результату является преобразователь угла поворота вала в код, принятый за прототип и содержащий (см. а.с. СССР №481929, Кл. G 08 C 9/04, 1975 г.) синусно-косинусные трансформаторные датчики, выходы которых подключены ко входам коммутатора, первый и второй выходы которого подключены соответственно ко входам первого и второго интеграторов непосредственно и через попарно соединенные пороговые элементы – ко входам элемента 4И-НЕ, выход которого подключен ко входу блока запуска и остановки интеграторов, выход которого подключен к управляющему входу функционального преобразователя отношения напряжений в код и к управляющим входам первого и второго интеграторов, выходы которых подключены ко входам функционального преобразователя отношения напряжений в код, выходы которого являются выходом преобразователя.
Недостатком известного преобразователя является низкое быстродействие.
Цель изобретения – повышение быстродействия преобразователя.
Поставленная цель достигается тем, что в преобразователь угла поворота вала в код, содержащий синусно-косинусные трансформаторные датчики, выходы которых подключены ко входам коммутатора, первый и второй выходы которого подключены соответственно ко входам первого и второго интеграторов непосредственно и через попарно соединенные пороговые элементы – ко входам элемента 4И-НЕ, выход которого подключен ко входу блока запуска и остановки интеграторов, выход которого подключен к управляющим входам первого и второго интеграторов, функциональный преобразователь отношения напряжений в код, выходы которого являются выходом преобразователя, введены первый и второй инверторы, третий и четвертый интеграторы, первый и второй переключатели, элемент НЕ и счетчик, вход которого соединен с управляющим входом функционального преобразователя отношения напряжений в код и подключен к выходу элемента 4И-НЕ, а выходы подключены к управляющим входам коммутатора, входы первого и второго инверторов подключены соответственно к первому и второму выходам коммутатора, а выходы подключены соответственно ко входам третьего и четвертого интеграторов, управляющие входы которых объединены, соединены с управляющими входами первого и второго переключателей и подключены к выходу элемента НЕ, вход которого подключен к выходу блока запуска и остановки интеграторов, первые входы первого и второго переключателей подключены соответственно к выходам первого и второго интеграторов, вторые входы подключены соответственно к выходам третьего и четвертого интеграторов, а выходы подключены ко входам функционального преобразователя отношения напряжений в код.
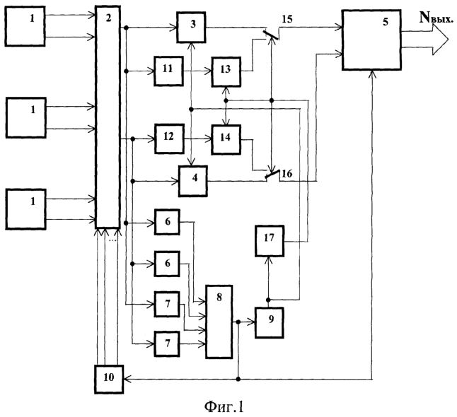
Структурная схема преобразователя приведена на Фиг.1, временные диаграммы его работы – на Фиг.2.
Преобразователь угла поворота вала в код содержит синусно-косинусные трансформаторные датчики 1, коммутатор 2, первый 3 и второй 4 интеграторы, функциональный преобразователь 5 отношения напряжений в код, пороговые элементы 6 и 7, элемент 4И-НЕ 8, блок 9 запуска и остановки интеграторов, счетчик 10, первый 11 и второй 12 инверторы, третий 13 и четвертый 14 интеграторы, первый 15 и второй 16 переключатели и элемент НЕ 17.
Выходы синусно-косинусных трансформаторных датчиков 1 соединены со входами коммутатора 2, первый и второй выходы коммутатора 2 соединены соответственно со входами первого 3 интегратора и первого 11 инвертора и со входами второго 4 интегратора и второго 12 инвертора непосредственно и через попарно соединенные пороговые элементы 6 и 7 со входами элемента 4И-НЕ 8, выход элемента 4И-НЕ 8 соединен с управляющим входом функционального преобразователя 5 отношения напряжений в код, со входом блока 9 запуска и остановки интеграторов и со входом счетчика 10, выходы счетчика 10 соединены с управляющими входами коммутатора 2, выходы первого 3 и второго 4 интеграторов соединены соответственно с первыми входами первого 15 и второго 16 переключателей, выходы первого 11 и второго 12 инверторов соединены соответственно со входами первого 13 и второго 14 интеграторов, выходы третьего 13 и четвертого 14 интеграторов соединены соответственно со вторыми входами первого 15 и второго 16 переключателей, выход блока 9 запуска и остановки интеграторов соединен с управляющими входами первого 3 и второго 4 интеграторов и со входом элемента НЕ 17, выход элемента НЕ 17 соединен с управляющими входами третьего 13 и четвертого 14 интеграторов и с управляющими входами первого 15 и второго 16 переключателей, выходы первого 15 и второго 16 переключателей соединены со входами функционального преобразователя 5 отношения напряжений в код, выходы функционального преобразователя 5 отношения напряжений в код являются выходами преобразователя.
Преобразователь угла поворота вала в код работает следующим образом.
При повороте вала синусно-косинусных трансформаторных датчиков 1 на некоторый угол i напряжения с их выходных обмоток, пропорциональные sin i и cos i, через коммутатор 2, согласно выбранному счетчиком 10 адресу, соответствующему определенному входному параметру, последовательно во времени подключаются соответственно ко входам первого 3 и второго 4 интеграторов непосредственно и через первый 11 и второй 12 инверторы с коэффициентами передачи, равными единице, соответственно ко входам третьего 13 и четвертого 14 интеграторов.
Первый 3 и второй 4 интеграторы интегрируют входные напряжения, поступающие с выходов нечетных (k=n+1, где n=0, 2, 4 …; k – номер синусно-косинусных трансформаторных датчиков 1) синусно-косинусных трансформаторных датчиков 1 в течение первого полупериода сигнальных напряжений, что обеспечивается пороговыми элементами 6 и 7, настроенными попарно на положительные и отрицательные пороговые напряжения, элементом 4И-НЕ 8 и блоком 9 запуска и остановки интеграторов и тем самым позволяет исключить ошибку от квадратурной составляющей и высших гармоник, кратных двум. В результате интегрирования на выходах первого 3 и второго 4 интеграторов получаем

где Um – амплитудное значение выходных сигнальных напряжений;
i – угол поворота синусно-косинусных трансформаторных датчиков 1.
В этом же (первом) полупериоде сигнальных напряжений выходы третьего 13 и четвертого 14 интеграторов через одни из контактов первого 15 и второго 16 переключателей соответственно по сигналу управления с выхода элемента НЕ 17 (см.Фиг.2) подключаются ко входам функционального преобразователя 5 отношения напряжений в код, который по сигналу управления с выхода элемента 4И-НЕ 8 производит кодирование напряжений и подготовку соответствующих интеграторов к следующему циклу интегрирования.
Третий 13 и четвертый 14 интеграторы интегрируют входные напряжения, поступающие с выходов четных (k= n, где n=0, 2, 4 …; k – номер синусно-косинусных трансформаторных датчиков 1) синусно-косинусных трансформаторных датчиков 1 в течение второго полупериода сигнальных напряжений, что обеспечивается пороговыми элементами 6 и 7, настроенными попарно на положительные и отрицательные пороговые напряжения, элементом 4И-НЕ 8 и блоком 9 запуска и остановки интеграторов и тем самым позволяет исключить ошибку от квадратурной составляющей и высших гармоник, кратных двум. Необходимость введения первого 11 и второго 12 инверторов обусловлена тем, что при обработке напряжений с выходов четных синусно-косинусных трансформаторных датчиков 1 (т.е. во втором полупериоде сигнальных напряжений) для определения истинного знака входных сигнальных напряжений необходимо инвертировать их фазу. В результате интегрирования на выходах третьего 13 и четвертого 14 интеграторов получаем

где Um – амплитудное значение выходных сигнальных напряжений;
i – угол поворота синусно-косинусных трансформаторных датчиков 1.
В этом же (втором) полупериоде сигнальных напряжений выходы первого 3 и второго 4 интеграторов через другие контакты первого 15 и второго 16 переключателей соответственно по сигналу управления с выхода элемента НЕ 17 (см.Фиг.2) подключаются ко входам функционального преобразователя 5 отношения напряжений в код, который по сигналу управления с выхода элемента 4И-НЕ 8 производит кодирование напряжений и подготовку соответствующих интеграторов к следующему циклу интегрирования.
Таким образом, введение в преобразователь угла поворота вала в код первого и второго инверторов, третьего и четвертого интеграторов, первого и второго переключателей, элемента НЕ и счетчика позволяет повысить его быстродействие в два раза по сравнению с устройством-прототипом.
Формула изобретения
Преобразователь угла поворота вала в код, содержащий синусно-косинусные трансформаторные датчики, выходы которых подключены ко входам коммутатора, первый и второй выходы которых подключены соответственно ко входам первого и второго интеграторов непосредственно и через пороговые элементы – ко входам элемента 4И-НЕ, выход которого подключен ко входу блока запуска и остановки интеграторов, выход которого подключен к управляющим входам первого и второго интеграторов, функциональный преобразователь отношения напряжений в код, выходы которого являются выходом преобразователя, отличающийся тем, что в него введены первый и второй инверторы, третий и четвертый интеграторы, первый и второй переключатели, элемент НЕ и счетчик, вход которого соединен с управляющим входом функционального преобразователя отношения напряжений в код и подключен к выходу элемента 4И-НЕ, а выходы подключены к управляющим входам коммутатора, входы первого и второго инверторов подключены соответственно к первому и второму выходам коммутатора, а выходы подключены соответственно ко входам третьего и четвертого интеграторов, управляющие входы которых объединены, соединены с управляющими входами первого и второго переключателей и подключены к выходу элемента НЕ, вход которого подключен к выходу блока запуска и остановки интеграторов, первые входы первого и второго переключателей подключены соответственно к выходам первого и второго интеграторов, вторые входы подключены соответственно к выходам третьего и четвертого интеграторов, а выходы подключены ко входам функционального преобразователя отношения напряжения в код.
РИСУНКИ
MM4A – Досрочное прекращение действия патента СССР или патента Российской Федерации на изобретение из-за неуплаты в установленный срок пошлины за поддержание патента в силе
Дата прекращения действия патента: 25.04.2007
Извещение опубликовано: 27.07.2008 БИ: 21/2008
NF4A Восстановление действия патента СССР или патента Российской Федерации на изобретение
Дата, с которой действие патента восстановлено: 20.09.2008
Извещение опубликовано: 20.09.2008 БИ: 26/2008
|
|