|
|
(21), (22) Заявка: 2003136839/09, 19.12.2003
(24) Дата начала отсчета срока действия патента:
19.12.2003
(45) Опубликовано: 20.06.2005
(56) Список документов, цитированных в отчете о поиске:
ГУТНИКОВ B.C., Интегральная электроника в измерительных устройствах, Ленинград, Энергоатомиздат, 1988, с.154, рис. 5.7а. SU 1157670 A, 23.05.1985. SU 1305836 A1, 23.04.1987. RU 2008758 С1, 28.02.1994. SU 599341, 25.03.1978. SU 813396, 15.03.1981. US 4293781, 06.10.1981.
Адрес для переписки:
603950, г.Нижний Новгород, ГСП-462, пл. Комсомольская, 1, ФГУП НПП “Полет”
|
(72) Автор(ы):
Киселев Е.Ф. (RU)
(73) Патентообладатель(и):
Федеральное государственное унитарное предприятие научно-производственное предприятие “Полет” (RU)
|
(54) УПРАВЛЯЕМЫЙ ГЕНЕРАТОР ИМПУЛЬСОВ
(57) Реферат:
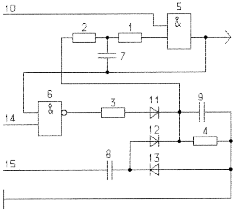
Изобретение относится к импульсной цифровой технике. Генератор предназначен для выполнения функции генерирования выходных импульсов в одном из трех режимов – ждущего мультивибратора, автогенератора, устройства контроля импульсов при пропуске или зависании входных контролируемых импульсов и может использоваться в системах обработки информации. Технический результат заключается в расширении функциональных возможностей генератора. Устройство содержит четыре резистора (1)-(4), элемент И (5), элемент И-НЕ (6), три конденсатора (7)-(9), импульсный вход (10) запуска, три диода (11)-(13), первый управляющий вход (14), второй управляющий вход (15). 1 ил. 
Изобретение относится к импульсной цифровой технике, предназначено для выполнения функции генерирования выходных импульсов в одном из трех режимов (ждущего мультивибратора, автогенератора, устройства контроля импульсов при пропуске или зависании входных контролируемых импульсов) и может быть использовано, например, в системах обработки информации и управления в качестве генератора выходных несимметричных импульсов или устройства контроля импульсов для обнаружения пропуска или зависания (прекращения изменения) входных контролируемых импульсов.
С точки зрения цифровой схемотехники предлагаемый генератор относится к «вспомогательным» элементам цифровых узлов и устройств, известными из которых для управляемого генерирования выходных импульсов и/или контроля входных последовательностей импульсов являются следующие три группы устройств.
К первой группе отнесены управляемые генераторы импульсов. Управляемый генератор импульсов [1] предназначен для формирования синхронизирующей последовательности импульсов с фиксированной по запуску начальной фазой и цифровым функциональным управлением периодом по входному аргументу и содержит кодовый вход аргумента, кварцевый генератор, элемент И, триггер запуска, элемент И-НЕ, делитель частоты, коммутатор с входными цепями управления, триггер управления, блок выделения первого импульса, счетчик с входной группой элементов И для записи параллельного кода функции, функциональный преобразователь кода, входы запуска и сброса и выход. Управляемый генератор синхроимпульсов [2] предназначен для формирования непрерывной выходной последовательности синхроимпульсов с коррекцией фазы во время работы с появлением на входе последовательности импульсов внешней синхронизации и содержит элементы И-НЕ, НЕ, И, задержки, таймер, вход последовательности импульсов внешней синхронизации и выход непрерывной последовательности синхроимпульсов. Генератор серий прямоугольных импульсов [3, с.59, рис. 2.20а] предназначен для управляемого генерирования симметричных импульсов и содержит линию задержки, элемент И-НЕ, управляющий вход и выход. Схема генератора несимметричных импульсов [4, с.29, рис. 1.15в] предназначена для управляемого генерирования несимметричных импульсов и содержит две линии задержки, два элемента И-НЕ, управляющий вход и выход. Управляемый генератор импульсов [5, с.62, рис. 113] (или [5, с.63, рис. 114]) предназначен для управляемого генерирования симметричных импульсов и содержит времязадающую RC-цепь и соответствующие логические элементы технологии КМОП. Генератор на двух мультивибраторах микросхемы АГЗ [6] предназначен для управляемого генерирования симметричных или несимметричных импульсов и содержит два одновибратора (ждущих мультивибратора), соединенных в кольцо, управляющий вход и прямой и инверсный выходы.
К второй группе отнесены устройства для контроля входных последовательностей импульсов. Устройство для контроля импульсных сигналов [7] предназначено для многоканального последовательного контроля входных импульсных сигналов с формированием выходной импульсной последовательности при обнаружении сбоя во входном выбранном контролируемом импульсном сигнале и содержит генератор импульсов, два счетчика импульсов, многоканальный коммутатор, блок сравнения, элемент совпадений, блок контроля сбоев, входы контролируемых импульсных сигналов и выход импульсов сбоя. Устройство для контроля последовательности импульсов [8] предназначено для обнаружения на входе контролируемых импульсов, синхронных с тремя входными последовательностями тактовых импульсов, и содержит триггеры контроля и памяти, три элемента И, три входа тактовых импульсов, вход контролируемых импульсов и выход. Формирователь огибающих серию импульсов [9] предназначен для формирования выходного единичного сигнала при наличии входной серии импульсов и содержит генератор опорной частоты, два ключа, два триггера, реверсивный счетчик, формирователь импульсов, вход серии импульсов и выход, являющийся выходом первого триггера, формирующего выходной сигнал, равный «0» (или «1»), при отсутствии (или наличии) импульсов на входе серии импульсов. Формирователь сигнала огибающей последовательности входных импульсов [10: с.116, первый (или второй) вариант запуска одновибратора АГЗ на рис. 3.33 с пояснением рис. 3.35 на с.118] предназначен для формирования единичного выходного сигнала при наличии на входе последовательности импульсов и содержит одновибратор с перезапуском, вход и выход. Формирователь сигнала огибающей входного сигнала на триггерах [10, с.139, рис. 4.14] предназначен для формирования единичного выходного сигнала при наличии входного контролируемого сигнала, синхронного с входным тактовым сигналом, и содержит элемент НЕ, два триггера, выход и входы контролируемого и тактового сигналов.
К третьей группе отнесены устройства, реализующие функции устройства первой группы или устройства второй группы, и являются по выполняемым функциям наиболее близкими к предлагаемому. Устройство для обнаружения потери импульсов [11] можно использовать для формирования выходных импульсов при потере входных или для генерирования выходных импульсов при подаче на вход устройства одного единичного импульса как запускающего. Генератор прямоугольных сигналов [12] можно использовать для обнаружения на входе последовательности импульсов формированием единичного выходного сигнала или для генерации симметричного или несимметричного выходного сигнала.
Известно устройство [11], содержащее два элемента И, элемент задержки, элемент НЕ, регенератор импульсной последовательности (образован последовательно соединенными элементом ИЛИ, элементом задержки и формирователем, выполняющим функцию укорочения входного сигнала по длительности), элемент ИЛИ, счетчик, дешифратор, входы которого соединены с выходами счетчика, вход сброса которого соединен с выходом первого элемента И, входы которого соединены с выходами элемента задержки и элемента ИЛИ, вход импульсной последовательности, соединенный с первыми входами регенератора и элемента ИЛИ и связанный через элемент НЕ с первым входом второго элемента И, второй вход которого соединен с входом элемента задержки и выходом регенератора, первый импульсный выход, соединенный с выходом второго элемента И, вторым входом регенератора и счетным входом счетчика, и второй импульсный выход, являющийся выходом дешифратора, который соединен с вторым входом элемента ИЛИ.
В исходном состоянии счетчик сброшен, каждый входной импульс с задержкой и укорочением проходит на выход регенератора и через элемент НЕ запрещает второй элемент И, а в случае потери импульса во входной последовательности второй элемент И пропускает импульс с выхода регенератора, т.е. формирует на первом выходе выходной импульс, соответствующий потерянному. Эти импульсы подсчитываются счетчиком и, если число пропущенных импульсов достигнет порога, дешифратор на втором выходе устройства формирует импульс, который через элемент ИЛИ и первый элемент И устанавливает счетчик в нулевое состояние.
Основным недостатком устройства [11] является то, что оно при значительной аппаратурной сложности имеет ограниченные возможности выполнения функций обнаружения, так как не обнаруживает потерю при зависании единичного сигнала на входе устройства, соединенного с одним из входов элемента ИЛИ регенератора, поскольку в этом случае на выходе элемента ИЛИ регенератора формируется постоянный единичный сигнал, блокирующий регенерацию.
Известен генератор [12], содержащий первый и второй одновибраторы с перезапуском, первый и второй входы запуска, соединенные с прямым входом запуска первого одновибратора и асинхронным инверсным входом сброса второго одновибратора соответственно, и выход, соединенный с прямым выходом первого одновибратора и инверсным входом запуска второго одновибратора, прямой выход которого соединен с инверсным входом запуска первого одновибратора, асинхронный инверсный вход сброса которого соединен с шиной логической «1» генератора и прямым входом запуска второго одновибратора.
Каждый из одновибраторов генератора [12] реализован на половине интегральной ТТЛ-схемы АГЗ, например, серии 1533 (или 533), резисторе и конденсаторе, первый вывод которого соединен с одним из входов «С» микросхемы, соответствующий вход «RC» которой соединен с вторым выводом конденсатора и первым выводом резистора, второй вывод которого соединен с шиной напряжения питания, причем соответствующие выводы микросхемы являются прямым выходом, инверсным входом сброса и прямым и инверсным входами запуска одновибратора.
В процессе функционирования генератора [12] после запуска j-го (первого при j=1 или второго при j=2) одновибратора на прямом выходе этого одновибратора формируется сигнал OXj=1 длительностью Tj, которая согласно [10, с.118] оценивается выражением

где
Cj – емкость конденсатора j-го одновибратора;
Rj – сопротивление резистора j-го одновибратора, находящееся в пределах от 5,1 кОм до 51 кОм.
Временной интервал Tj измеряется в микросекундах, если емкость Cj измеряется в нанофарадах, а сопротивление Rj в кОм.
В зависимости от значений сигнала запуска IХ1 на первом входе и сигнала запуска IХ2 на втором входе в работе генератора [12] можно выделить три режима.
В первом режиме при IХ2=0 второй одновибратор фиксируется в состоянии OХ2=0, и выходной сигнал OХ1 является функцией сигнала IХ1: при OХ1=0 по фронту (переключению из «0» в «1») сигнала IХ1 осуществляется запуск первого одновибратора, а при OХ1=1 перезапуск первого одновибратора возможен только тогда, когда период TIX1 сигнала запуска IХ1 удовлетворяет ограничению (см., например, [10, с.118])

где значение (0,224·С1) измеряется в микросекундах, если емкость С1 измеряется в нанофарадах.
После каждого перезапуска первый одновибратор начинает новый отсчет времени выдержки Т1. Таким образом, в первом режиме первый одновибратор по сигналу IХ1 работает: при выполнении ограничения (2) как формирователь огибающей входного импульсного сигнала IХ1, т.е. постоянно вырабатывает OХ1=1; при невыполнении ограничения (2) в сигнале OX1 появляются переходы «1» в «0» и, наоборот, из «0» в «1»; при зависании (неизменном сигнале IХ1=0 (или IХ1=1)) постоянно вырабатывается сигнал OХ1=0.
При IХ1=1 генератор [12] находится при IХ2=0 в режиме (OX1=0 и OX2=0) ждущего мультивибратора, а при IХ2=1 в режиме автогенератора.
Запуск генератора [12] в режим автогенератора осуществляется по фронту сигнала запуска IХ2, производящему начальный запуск второго одновибратора. По начальному запуску второй одновибратор формирует на прямом выходе сигнал OX2=1 длительностью Т2, срезом которого (т.е. переключением сигнала OX2 из «1» в «0») запускается первый одновибратор и формирует на первом выходе сигнал OX1=1 длительностью Т1, срезом которого запускаются второй одновибратор, срезом выходного сигнала OX2 которого запускается первый одновибратор, и тем самым в режиме автогенератора (т.е. при IХ1=IХ2=1) одновибраторы поочередно по кольцу запускают друг друга.
Из (1) следует, что в режиме автогенератора генератор [12] на выходе формирует при Т1=Т2 симметричные импульсы, а при T1 T2 несимметричные.
Непосредственно из самого описания [12, с.97-98] следует, что основным недостатком генератора [12] является то, что в режиме автогенератора он является автоколебательным мультивибратором с жестким возбуждением: при срыве по какой-либо причине генерации она может быть возобновлена в генераторе [12] по фронту сигнала IХ2=0 или включением и выключением питания.
Кроме того, на современном этапе развития науки и техники функциональная ориентация модулей систем обработки информации и управления осуществляется на основе СБИС программируемой логики (ПЛ) [4, с.391-444], а одновибраторы нельзя отнести к комбинационным или последовательностным схемам [10, с.114], т.е. функции одновибратора практически не реализуемы с помощью соответствующих элементов СБИС ПЛ без дополнительного генератора тактовых импульсов. В настоящее время, при разработке радиоэлектронных систем для сокращения аппаратурных затрат целесообразно реализовывать «вспомогательные» элементы цифровой техники с помощью соответствующих элементов СБИС ПЛ.
С учетом изложенного выше можно сказать, что создание аппаратно простого управляемого генератора импульсов с использованием логических элементов, надежно выполняющего функцию генерации выходных импульсов в режиме автогенератора или в режиме устройства контроля импульсов при пропуске или зависании входных контролируемых импульсов, является актуальной технической задачей.
Из известных технических решений наиболее близким к предлагаемому по принципу генерации выходных импульсов и составу является генератор [13], содержащий первый и второй резисторы, элемент И технологии КМОП, конденсатор, импульсный выход и импульсный вход запуска, являющийся первым входом элемента И, второй вход которого через первый резистор связан с первыми выводами конденсатора и второго резистора, второй вывод которого соединен с шиной напряжения питания генератора, выход которого соединен с выходом элемента И и вторым выводом конденсатора.
В процессе функционирования генератора [13] на его импульсный вход поступают инверсные импульсы NIX=0 запуска длительностью TNIX, по каждому из которых на его импульсном выходе генерируется инверсный импульс NOX=0, длительность TNOX которого больше TNIX и оценивается выражением

где R2 и С – сопротивление второго резистора и емкость конденсатора генератора [13], в котором первый резистор предназначен для ограничения разрядного тока конденсатора, протекающего через этот резистор и защитный диод второго входа элемента И по окончании каждого импульса NOX=0.
Основным недостатком генератора [13] при применении его для построения современной аппаратуры является ограниченность его функциональных возможностей, поскольку он выполняет единственную функцию генерации выходного импульса NOX=0, длительность TNOX которого увеличена по сравнению с длительностью TNIX входного импульса NIX=0 запуска.
Предлагаемым изобретением решается задача комплексного расширения функциональных возможностей генератора за счет дополнительного использования генераторной функции прототипа [13] для генерации выходных импульсов в режиме автогенератора или в режиме устройства контроля импульсов при пропуске или зависании входных контролируемых импульсов.
Для достижения этого технического результата в управляемый генератор импульсов, содержащий первый и второй резисторы, элемент И технологии КМОП, первый конденсатор, импульсный выход и импульсный вход запуска, являющийся первым входом элемента И, второй вход которого через первый резистор связан с первыми выводами второго резистора и первого конденсатора, второй вывод которого соединен с выходами элемента И и генератора, введены третий и четвертый резисторы, элемент И-НЕ, первый вход которого соединен с выходом генератора, второй и третий конденсаторы, три диода, первый управляющий вход, являющийся вторым входом элемента И-НЕ, выход которого через третий резистор связан с анодом первого диода, и второй управляющий вход, связанный через второй конденсатор с анодом второго диода и катодом третьего диода, анод которого соединен с общей шиной генератора и первыми выводами четвертого резистора и третьего конденсатора, вторые выводы которых соединены с вторым выводом второго резистора и катодами первого и второго диодов.
Автору неизвестны технические решения, содержащие признаки, эквивалентные отличительным признакам (введение третьего и четвертого резисторов, второго и третьего конденсаторов, трех диодов, элемента И-НЕ и первого и второго управляющих входов) предлагаемого генератора, которые (по сравнению с прототипом) комплексно расширяют функциональные возможности генератора за счет дополнительного использования генераторной функции прототипа [13] для генерации выходных импульсов в режиме автогенератора или в режиме устройства контроля импульсов при пропуске или зависании входных контролируемых импульсов.
На чертеже приведена функциональная схема управляемого генератора импульсов, содержащего четыре резистора 1-4, элемент И 5 технологии КМОП, элемент И-НЕ 6, три конденсатора 7-9, импульсный вход 10 запуска, являющийся первым входом элемента И 5, второй вход которого через первый резистор 1 связан с первыми выводами второго резистора 2 и первого конденсатора 7, второй вывод которого соединен с первым входом элемента И-НЕ 6 и выходами элемента И 5 и генератора, три диода 11-13, первый управляющий вход 14, являющийся вторым входом элемента И-НЕ 6, выход которого через третий резистор 3 связан с анодом первого диода 11, и второй управляющий вход 15, связанный через второй конденсатор 8 с анодом второго диода 12 и катодом третьего диода 13, анод которого соединен с общей шиной генератора и первыми выводами четвертого резистора 4 и третьего конденсатора 9, вторые выводы которых соединены с вторым выводом второго резистора 2 и катодами первого 11 и второго 12 диодов.
Элементы 5 и 6 генератора можно реализовать, например, на КМОП интегральной микросхеме 1554ЛАЗ (содержит четыре элемента 2И-НЕ), функционирующей в диапазоне напряжений питания от +2 до +6 В при токе по каждому выходу до 24 мА и входном токе по каждому входу от минус 1 до +1 мкА – см., например, [14, с.15 и на с.21 табл.3.1].
В качестве диодов 11-13 генератора можно использовать, например, диоды типа 2Д522Б либо три из восьми диодов диодной матрицы 2Д627А.
Далее описание работы устройства ведется с помощью положений, обозначений и расчетных соотношений, определенных в следующих пунктах.
1. При построении устройств, содержащих интегрирующую (или укорачивающую) цепь RC, подключенную выходом к входу логического элемента, связанного с его выходом через цепь положительной обратной связи, возникает задача оценки времени срабатывания Тcр логического элемента при изменении сигнала на входе цепи с 0 В до напряжения питания Еп или наоборот от Еп до 0 В. Это время Тcр определяется постоянной времени Т=С·R цепи и порогом срабатывания логического элемента, который для КМОП элемента близок к половине напряжения питания Еп (см., например, [5, с.58]).
Обозначим по второму входу логического элемента 5 И пороги его срабатывания по включению и выключению через U(+) и U(-) соответственно, причем



где dU – небольшой интервал напряжения от U(+) до U(-), в котором элемент 5 по второму входу является усилителем изменения входного напряжения с коэффициентом усиления, много большим единицы.
Согласно [15, с.67, 68] и учета близости порога (4) или (5) к величине Еп/2 время срабатывания Тcр оценивается по формуле

определяющей для интегрирующей (или укорачивающей) цепи время изменения выходного сигнала цепи от исходного уровня до уровня, составляющего половину от скачкообразного изменения входного сигнала (или активную длительность выходного импульса укорачивающей цепи, измеряемую на уровне, составляющем половину от амплитудного).
2. Используется модифицированный язык описания логических функций ABEL, в котором операторы «И» и «НЕ» имеют обозначения «&» и «!» (или «N») соответственно.
3. Напряжение между первым и вторым выводами резистора 2 обозначим через UR2, а напряжения на конденсаторах С7, С8 и С9 обозначим соответственно через UC7, UC8 и UC9, причем UC7 измеряется на первом выводе относительно второго вывода, соединенного с первым входом элемента 6 И-НЕ и выходами генератора и элемента И 5; UC8 измеряется в точке соединения одного из выводов конденсатора 8 с анодом диода 12 и катодом диода 13 относительно входа 15, соединенного с другим выводом конденсатора 8; UC9 измеряется на втором выводе конденсатора 9 относительно первого его вывода, соединенного с общей шиной.
Цифровые сигналы на входах 10, 14, 15 в точке соединения резисторов 1, 2 и конденсатора 7 и сигналы на выходах элементов 5 и 6 обозначим через NIX10, IХ14, IХ15, NIR1, NOX5 и NOX6, а соответствующие им аналоговые напряжения обозначим через U10, U14, U15, UIR1, U5 и U6 соответственно.
4. С использованием принятых обозначений функционирование предлагаемого генератора логически описывается следующими формулами




где напряжение UIR1 определяется формулой

причем при NIX10=1 монотонное изменение (возрастание до U(+) или уменьшение до U(-)) напряжения UIR1(t) по петле положительной обратной связи через конденсатор 7 и резистор 1 как в триггере Шмитта вызывает скачкообразное переключение цифрового сигнала NOX5 элемента 5 из «0» в «1» при достижении порога срабатывания U(+) при возрастании или из «1» в «0» при достижении порога срабатывания U(-) при уменьшении.
5. Под фронтом или срезом любого сигнала (NOX5, NOX6, NIX10, IХ14 или IХ15) понимается смена логического состояния этого сигнала из «0» в «1» или из «1» в «0».
6. Обозначим сопротивления резисторов 1-4 и емкости конденсаторов 7-9 соответственно через R1-R4 и С7-С9.
Порядок сопротивления резистора 1 выбран равным R1=300 Ом с учетом параметров схемы защиты от электрического разряда [14, рис. 3.12 на с.20] с помощью схемы организации входов и выходов микросхем КР1554 с защитной парой диодов по каждому входу и выходу – см. [14, рис. 3.24 на с.25], причем резистор 1 предназначен для ограничения разрядного тока конденсатора 7, протекающего через этот резистор и первый или второй защитный диод второго входа элемента 5 И по окончании каждого выходного импульса NOX5=0 в любом режиме или по началу каждого выходного импульса NOX5=0 в режиме автогенератора или в режиме устройства контроля импульсов.
Резистор 3 предназначен для ограничения выходного тока элемента 6 И-НЕ при заряде конденсатора 9 через диод 12 при U6 Еп, и его сопротивление выбрано равным R3=200 Ом, с учетом того, что этот ток должен быть не более 24 мА.
7. Длительности инверсных импульсов NIX10=0 и NOX5=0 обозначим через Т10 и Т5.0 соответственно, а в режиме автогенератора (выполняется при NIX10=1, IХ14=1 и постоянном сигнале IХ15=0 (или 1)) длительность выходного сигнала NOX5=1 обозначим через Т5.1.
С учетом (7), (10) и (11) для оценки величин Т5.0 и Т5.1 получаем соотношения


из которых следует, что Т5.0 и Т5.1 являются функциями многих аргументов, т.е. Т5.0=F[R2, С7, U(+)] и Т5.1=F[R2, R4, С7, С9, U(-)].
8. Конденсатор 8 и диоды 12 и 13 используются только в режиме устройства контроля импульсов IХ15. Этот режим выполняется при NIX10=IХ14=1 и поступлении на вход 15 импульсного сигнала IХ15 с периодом следования Т15=Т15.0+Т15.1 так, что в течение Т15.0 сигнал IХ15=0 при U15 0 B, а в течение Т15.1 сигнал IХ15=1 при U15 Еп. В этом случае при NOX6=0 и NOX5=NIR1=1 (т.е. при UIR1>U(-)) с началом каждого фронта сигнала IХ15 в течение времени

происходит заряд конденсаторов 8 и 9 через сопротивление (Ri+Rd) до напряжений


где
Ri 200 Ом – внутреннее сопротивление источника сигнала IX15,
Rd=(10-1000) Oм – дифференциальное сопротивление открытого диода 12;
UC9(t=0) – напряжение UC9 в момент фронта сигнала U15.1;
UD12 0,2 В – напряжение на открытом диоде 12 в конце Тз.
В данном режиме при U6 0 В с началом каждого среза сигнала на входе 15 (т.е. при U15.0 0 В) в течение времени Т15.0 происходит разряд конденсатора С8 примерно до 0 В, а в течение времени (Т15-Тз) разряд конденсатора С9 от напряжения (17) и изменение (динамическое увеличение и уменьшение) напряжения UC7 через сопротивление R2 от разности напряжений [U5-UC9(t)] [Eп-UC9(t)] с тенденцией слежения напряжения UIR1(t) (12) за изменяющимся напряжением UC9(t), которое в течение каждого периода Т15 вначале за время Тз (15) увеличивается, а затем в течение (Т15-Тз) уменьшается. Напряжение UIR1(t) всегда больше порога U(-) при обнаружении на входе 15 контролируемого импульсного сигнала IХ15, а при UIR1(t)=U(-) генератор обнаруживает пропадание (или зависание) контролируемого импульсного сигнала IХ15, отмечаемое формированием одного импульса NOX5=0 (или переводом генератора в режим автогенератора).
С использованием выражений (8)-(12), (14) и (15) сказанное выше формально описывается условием обнаружения на входе 15 сигнала IХ15

и условием обнаружения пропадания или зависания на входе 15 сигнала IХ15

Из (15)-(19) следует, что при U15.1 Еп устойчивая работа генератора в режиме контроля на входе 15 импульсного сигнала может быть обеспечена при С8>С9, например, при

9. При NIX10=1 и IХ14=0 и в процессе работы генератора можно выделить устойчивое состояние

относительно переходов из которого ниже описывается работа генератора в каждом из трех возможных режимов его функционирования.
В режиме ждущего мультивибратора перед поступлением каждого импульса NIX10=0 генератор находится в устойчивом состоянии (21), а по срезу каждого импульса NIX10=0 на выходе генератора формируется напряжение U5 0 В, переводящее генератор в начальный момент времени Т5.0 в исходное состояние 1 генерации нулевого сигнала (ИС1ГНС)

Затем в течение Т5.0 напряжение UC7 увеличивается за счет интегрирования напряжения UC9 UC6 Еп цепочкой (R2, С7), и в момент окончания Т5.0>Т10 при UIR1=U(+) элемент 5 через конденсатор 7 и резистор 1 начинает по второму входу реагировать на непрерывное увеличение напряжения UR1=UC7+U5 и вызывает усиленное положительное приращение U5. Начавшееся увеличение U5 по петле положительной обратной связи через конденсатор 7 и резистор 1 передается на второй вход элемента 5 и вызывает скачкообразный процесс переключения сигнала NOX5 из «0» в «1», как в триггере Шмитта. Далее из исходного состояния {U5 UC9 U10 Еп, UC7 U(+), URI [Eп+U(+)]} начинается процесс возврата генератора в исходное состояние (21) за счет разряда конденсатора 7 за время Тв1, длительность которого при R2>>R1 оценивается выражением

где R1d – дифференциальное сопротивление первого защитного диода элемента 5 по второму входу.
С учетом (13) и (23) определяем, что в режиме ждущего мультивибратора период следования запускающих импульсов NIX10=0 должен быть не менее (Т5.0+Тв1) при Т5.0>Т10.
Из режима ждущего мультивибратора генератор переводится в режим автогенератора переключением сигнала IХ14 из «0» в «1» в любой момент времени Т5.0 генерации, т.е. при NOX5=0 и постоянном сигнале IХ15=0 (или 1). В этом случае по окончании генерации по сигналам NOX5=1 и IХ14=1 элемент 6 вырабатывает напряжение U6 0 В, диод 11 закрывается и начинается процесс генерации выходного сигнала NOX5=1 в режиме автогенератора длительностью Т5.1 (14) из начального состояния {U5 Eп, U6 0 В, UC7 U(+), UC9 Eп, UR1 [Eп+U(+)]}. Этот процесс генерации сигнала NOX5=1 заключается в разряде конденсатора 9 от напряжения UC9(t=0) Eп и перезаряде конденсатора 7 от UС7(1=0) U(+) до таких величин, что через время Т5.1 уменьшение напряжения UIR1 достигает порогового U(-)=UIR1=(UC9+UR2)=(UC7+U5) (UC7+Eп). Дальнейшее непрерывное уменьшение напряжения UIR1 через резистор 1 по второму входу воспринимается элементом 5 и вызывает на его выходе усиленное уменьшение напряжения U5. Начавшееся уменьшение U5 по петле положительной обратной связи через конденсатор 7 и резистор 1 передается на второй вход элемента 5 и вызывает скачкообразный процесс переключения сигнала NOX5 из «1» в «0», как в триггере Шмитта. Далее из исходного состояния 2 генерации нулевого сигнала (ИС2ГНС)

генератор в течение Т5.0 при UIR1 UC7 генерирует выходной сигнал NOX5=0. В начале Т5.0 параллельно происходят два быстрых процесса: разряд конденсатора С7 от отрицательного напряжения UC7 U(-)-Еп -Еп/2 примерно до 0 В за время

и заряд конденсатор 9 до напряжения UC9 U6 Еп за время

где R2d – дифференциальное сопротивление второго защитного диода элемента 5 по второму входу.
В этой связи через время Тв2 (25) генератор оказывается в ИС1ГНС (22) формирования сигнала NOX5=0, что было изложено выше при описании режима ждущего мультивибратора. Далее по окончании Т5.0 начинается снова описанный выше процесс генерации выходного сигнала NOC5=1 в течение Т5.1 и т.д.
Таким образом, режим автогенератора осуществляется как чередование по кольцу описанных процессов формирования NOX5=0 в течение Т5.0 и NOX5=1 в течение Т5.1. Это позволяет использовать данный генератор для управляемого генерирования несимметричных выходных импульсов NOX5, поскольку Т5.1>Т5.0 – см. выражения (13) и (14).
Следует также отметить, что из устойчивого состояния (21) генератор можно перевести в режим автогенератора переключением сигнала IХ14 из «0» в «1». В этом случае первый импульс NOX5=0 генерируется с задержкой на время Т5.1 относительно момента переключения сигнала IХ14 из «0» в «1».
Из устойчивого состояния (21) генератор переводится в режим устройства контроля переключением сигнала IХ14 из «0» в «1» и подачей на вход 15 контролируемого импульсного сигнала IХ15 с предпочтительным значением Т15<0,75 Т5.1 для обнаружения пропуска.
При U6 0 В в режиме устройства контроля величина напряжения UIR1 (12), определяющего цифровой сигнал NIR1 согласно (10) и (11), является сложной функцией амплитуды и периода следования импульсов Т15=Т15.1+Т15.0 входного контролируемого сигнала IХ15, напряжений U5.1 Еп и U15.0 0 В, порога U(-) и величин С7, С8, С9, R2, R4 и (Ri+Rd) – см. выражения (12)-(19).
С учетом сказанного выше функционирование генератора в режиме устройства контроля при NIX10=IХ14=1, начиная с некоторого момента времени из исходного состояния контроля (ИСК)

входного импульсного сигнала IХ15, можно описать следующим образом.
С началом каждого фронта сигнала IХ15 в течение времени Тз (15) по напряжению U15.1 Еп происходит заряд конденсаторов 8 и 9 через сопротивление (Ri+Rd) до напряжений UC8 (16) и UC9 (17) соответственно. Затем с началом каждого среза сигнала IХ15 в течение времени Т15.0 при U15.0 0 В происходит разряд конденсатора С8 примерно до 0 В, а разряд конденсатора С9 от начального напряжения (17) происходит в течение времени (Т15-Тз), т.е. в течение большей части периода Т15 частоты следования импульсов IХ15. Изменение же напряжения UIR1>U(-) происходит непрерывно со слежением за изменениями напряжения UC9 в течение как Тз, так и (Т15-Тз). В этой связи в данном режиме текущее значение напряжения UIR1(t) в зависимости от длительности (Т15-Тз) воспринимается элементом 5 по второму входу при выполнении условия (18) как цифровой сигнал NIR1=1 (т.е. UIR1(t)>U(-)), а если выполняется условие (19), то в некоторый момент времени напряжение UIR1(t) уменьшается до порогового напряжения U(-) и через конденсатор 7 и резистор 1 замыкается петля обратной связи, сигнал NOX5 переключается из «1» в «0», генератор переходит в ИС2ГНС (24) и генерирует выходной сигнал NOX5=0 в течение Т5.0 при UTR1 UC7, что было изложено выше при описании режима автогенератора. По окончании Т5.0 элемент 6 формирует напряжение U6 0 В, и генератор переходит в ИСК (27). Дальнейшее функционирование генератора определится поведением сигнала IХ15 как функции времени, а при зависании сигнала IХ15 (т.е. при неизменном во времени сигнале IХ15=0 или IХ15=1) генератор переходит в режим автогенератора.
Непосредственно из описания функционирования прототипа и генератора следует, что по сравнению с прототипом предлагаемый генератор благодаря его существенным признакам обладает значительно расширенными функциональными возможностями за счет дополнительного использования генераторной функции прототипа [13] для генерации выходных импульсов в режиме автогенератора или в режиме устройства контроля импульсов при пропуске или зависании входных контролируемых импульсов.
Литература:
1. А.с. 711668, Н 03 К 1/00, СССР. Управляемый генератор импульсов/ В.И.Педик, В.И.Дроздов и Б.М.Хархалис. – Опубл. 1980. Бюл. №3.
2. А.с. 813396, G 06 F 1/04. Управляемый генератор синхроимпульсов/ Ю.П.Рукоданов, В.Б.Путилов и Д.И.Кревский. – Опубл. 1981. Бюл. №10.
3. Схемотехника ЭВМ. Под ред. Г.Н.Соловьева. – М.: Высш. шк., 1985. – 391 с., ил. «Вспомогательные схемы на логических ИС» – с.59, 60.
4. Угрюмов Е.П. Цифровая схемотехника. – СПб.: БХВ – Петербург, 2001. – 528 с. ил.
5. Бирюков С.А. Цифровые устройства на МОП-интегральных микросхемах. – М.: Радио и связь, 1990. – 128 с. ил.
6. Генератор на двух мультивибраторах микросхемы АГЗ – с.114, рис. 153, рис. 154 в книге: Бирюков С.А. Применение интегральных микросхем серий ТТЛ. – М.: <Патриот>, МП <Символ-Р>, <Радио>, 1992. – 120 с. (Приложение к журналу <Радио>)
7. А.с. 930632, H 03 К 5/19, СССР. Устройство для контроля импульсных сигналов/ Р.И.Фердман. – Опубл. 1982. Бюл. №19.
8. А.с. 599341, Н 03 К 5/18, СССР. Устройство для контроля последовательности импульсов/ В.М.Киселев, М.А.Андронов. Опубл. 1978. Бюл. №11.
9. А.с. 1020986, Н 03 К 5/156, СССР. Формирователь импульсов, огибающих серию импульсов/ А.М.Гамбург и Е.К.Иосипов. – Опубл. 1983. Бюл. №20.
10. Новиков Ю.В. Основы цифровой схемотехники. Базовые элементы схемы. Методы проектирования. – М.: Мир, 2001. – 379 с., ил. (Современная схемотехника).
11. А.с. 1157670, Н 03 К 5/13, 5/19, СССР. Устройство для обнаружения потери импульсов/ А.Б.Кац, А.С.Креславский. – Опубл. 1985. Бюл. №19.
12. Генератор прямоугольных сигналов – рис. 2.80б на с. 98 в книге: Пухальский Г.И., Новосельцева Т.Я. Проектирование дискретных устройств на интегральных микросхемах: Справочник. – М.: Радио и связь, 1990. – 304 с.: ил.
13. Прототип: Ждущий мультивибратор – с.222, рис. 2.21г. в книге: Шило В.Л. Популярные цифровые микросхемы: Справочник. – 2-е изд., исправленное. – М.: Радио и связь, 1989. – 352 с., ил.
14. И.И.Петровский, А.В.Прибыльский, А.А.Троян, B.C.Чувелев. Логические ИС КР1533, КР 1554. Справочник. В двух частях. Часть 1. – ТОО <БИНОМ>, 1993. – 254 с.
15. Ерофеев Ю.Н. Импульсные устройства: Учеб. Пособие для вузов по спец. <Радиотехника>. – М.: Высш. шк. 1989. – 527 с.: ил.
Формула изобретения
Управляемый генератор импульсов, содержащий первый и второй резисторы, элемент И технологии КМОП, первый конденсатор, импульсный выход и импульсный вход запуска, являющийся первым входом элемента И, второй вход которого через первый резистор связан с первыми выводами второго резистора и первого конденсатора, второй вывод которого соединен с выходами элемента И и генератора, отличающийся тем, что он содержит третий и четвертый резисторы, элемент И-НЕ, первый вход которого соединен с выходом генератора, второй и третий конденсаторы, три диода, первый управляющий вход, являющийся вторым входом элемента И-НЕ, выход которого через третий резистор связан с анодом первого диода, и второй управляющий вход, связанный через второй конденсатор с анодом второго диода и катодом третьего диода, анод которого соединен с общей шиной генератора и первыми выводами четвертого резистора и третьего конденсатора, вторые выводы которых соединены с вторым выводом второго резистора и катодами первого и второго диодов.
РИСУНКИ
|
|