|
|
(21), (22) Заявка: 2004101626/09, 22.01.2004
(24) Дата начала отсчета срока действия патента:
22.01.2004
(45) Опубликовано: 20.06.2005
(56) Список документов, цитированных в отчете о поиске:
SU 1646039 A1, 30.04.1991. SU 1653124 A1, 30.05.1991. US 4978929, 18.12.1990. US 4884043, 28.11.1989. ЕР 0357121 A1, 07.03.1990.
Адрес для переписки:
111116, Москва, ул. Авиамоторная, 2, ФГУП “ЦИАМ им. П.И. Баранова”, отдел интеллектуальной собственности
|
(72) Автор(ы):
Лепешкин А.Р. (RU), Бычков Н.Г. (RU), Першин А.В. (RU)
(73) Патентообладатель(и):
Федеральное государственное унитарное предприятие “Центральный институт авиационного моторостроения им. П.И. Баранова” (RU)
|
(54) ЛАМПОВЫЙ ГЕНЕРАТОР
(57) Реферат:
Изобретение относится к высокочастотной электротермии и может быть использовано в устройствах высокочастотного индукционного нагрева. Достигаемый технический результат – расширение функциональных возможностей за счет установки систем управления. Ламповый генератор содержит генераторный триод, анодный контур, цепи переменной и постоянной составляющей сеточного тока, нагрузку, блокировочный анодный дроссель, два источника питания, датчик напряжения, системы управления источниками питания, датчик температуры, блок фильтров, переключатель, систему защиты от перегрева, устройство ввода информации, цепь накала, трансформатор тока. 1 ил., 1 з.п. ф-лы. 
Изобретение относится к высокочастотной электротермии и может быть использовано в устройствах высокочастотного индукционного нагрева для проведения термоциклических испытаний деталей и покрытий и для осуществления технологической обработки материалов.
Известен ламповый генератор, описанный в а.с. СССР №1653124, “Ламповый генератор”, кл. Н 03 В 5/10, Н 05 В 6/06, опубликованном 30.05.91. Данное устройство содержит генераторный триод, анодный контур, цепь переменной составляющей сеточного тока, цепь постоянной составляющей сеточного тока, нагрузку, блокировочный анодный дроссель, источник питания, дополнительный источник питания, цепь накала и датчик напряжения, причем первый вывод анодного контура, первый вывод нагрузки и первый вывод блокировочного анодного дросселя соединены с анодом генераторного триода, первый вывод цепи переменной составляющей сеточного тока и первый вывод цепи постоянной составляющей сеточной тока соединены с сеткой генераторного триода, первая выходная шина источника питания соединена с вторым выводом блокировочного анодного дросселя, первый вывод цепи накала генераторного триода соединен с первым выводом дополнительного источника питания, вход датчика напряжения соединен с выходом источника питания, вторая выходная шина источника питания, второй выход анодного контура, второй вывод нагрузки, второй вывод цепи переменной составляющей сеточного тока, второй вывод цепи накала и второй вывод дополнительного источника питания подключены к общей шине.
Недостаток лампового генератора – ограниченные функциональные возможности из-за отсутствия систем управления.
Наиболее близким по технической сущности к заявляемому изобретению является ламповый генератор, описанный в а.с. СССР №1646039, “Ламповый генератор”, кл. Н 03 В 5/10, Н 05 В 6/06, опубликованном 30.04.91. Описанное устройство содержит генераторный триод, анодный контур, цепь переменной составляющей сеточного тока, цепь постоянной составляющей сеточного тока, нагрузку, блокировочный анодный дроссель, источник питания, дополнительный источник питания, цепь накала и датчик напряжения, причем первый вывод анодного контура, первый вывод нагрузки и первый вывод блокировочного анодного дросселя соединены с анодом генераторного триода, первый вывод цепи переменной составляющей сеточного тока и первый вывод цепи постоянной составляющей сеточной тока соединены с сеткой генераторного триода, первая выходная шина источника питания соединена с вторым выводом блокировочного анодного дросселя и входом датчика напряжения, первый вывод цепи накала генераторного триода соединен с первым выводом дополнительного источника питания, вторая выходная шина источника питания, второй выход анодного контура, второй вывод нагрузки, второй вывод цепи переменной составляющей сеточного тока, второй вывод цепи накала и второй вывод дополнительного источника питания подключены к общей шине.
Недостаток лампового генератора – ограниченные функциональные возможности из-за отсутствия систем управления.
В предлагаемом авторами изобретении решается задача расширения функциональных возможностей за счет установки систем управления.
Это достигается следующим:
установкой систем управления источниками питания цепей анода и накала генераторной лампы, устройством ввода информации и переключателем анодного контура;
установкой блока фильтров, датчика температуры для устранения помех и наводок в цепях управления лампового генератора;
установкой системы защиты от перегрева;
повышением частоты лампового генератора.
Поставленная задача решается тем, что ламповый генератор, содержащий генераторный триод, анодный контур, цепь переменной составляющей сеточного тока, цепь постоянной составляющей сеточного тока, нагрузку, блокировочный анодный дроссель, источник питания, дополнительный источник питания, цепь накала и датчик напряжения, при этом первый вывод анодного контура, первый вывод нагрузки и первый вывод блокировочного анодного дросселя соединены с анодом генераторного триода, первый вывод цепи переменной составляющей сеточного тока и первый вывод цепи постоянной составляющей сеточного тока соединены с сеткой генераторного триода, причем первая выходная шина источника питания соединена со вторым выводом блокировочного анодного дросселя и входом датчика напряжения, первый вывод цепи накала генераторного триода соединен с первым выводом дополнительного источника питания, а вторая выходная шина источника питания, второй вывод анодного контура, второй вывод нагрузки, второй вывод цепи переменной составляющей сеточного тока, второй вывод цепи накала и второй вывод дополнительного источника питания соединены с общей шиной, отличающийся тем, что он снабжен устройством ввода информации, системой управления источником питания, системой управления дополнительным источником питания, датчиком температуры, блоком фильтров, переключателем, соединенным с анодным контуром, системой защиты от перегрева и трансформатором тока, соединенным с цепью накала, при этом входы устройства ввода информации соединены с выходом датчика напряжения, выходом блока фильтров и выходом дополнительного источника питания, а выходы устройства ввода информации – с входами системы управления источником питания, входом системы управления дополнительным источником питания и входом источника питания, выходы системы управления источником питания и системы управления дополнительным источником питания соединены с входом источника питания и входом дополнительного источника питания, причем вход и выход датчика температуры соединены соответственно с нагрузкой и с входом блока фильтров, выход трансформатора тока соединен с входом устройства ввода информации, выходы источника питания и устройства ввода информации соединены со входами системы защиты от перегрева, выход которой соединен со входом источника питания.
Кроме того, блок фильтров содержит последовательно соединенные первый фильтр, специальный кабель, второй фильтр, причем первый фильтр расположен у выхода датчика температуры, а второй фильтр – у входа устройства ввода информации.
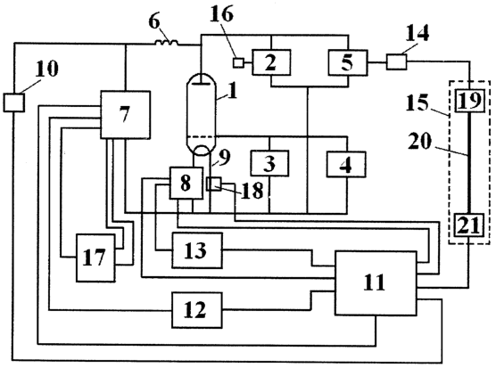
Структурная схема лампового генератора приведена на чертеже.
Ламповый генератор содержит генераторный триод 1, анодный контур 2, цепь 3 переменной составляющей сеточного тока, цепь 4 постоянной составляющей сеточного тока, нагрузку 5, блокировочный анодный дроссель 6, источник 7 питания, дополнительный источник 8 питания, цепь 9 накала, датчик 10 напряжения, устройство 11 ввода информации, систему 12 управления источником питания, систему 13 управления дополнительным источником питания, датчик 14 температуры, блок 15 фильтров, переключатель 16, соединенный с анодным контуром 2, систему 17 защиты от перегрева, трансформатор 18 тока.
Блок 15 фильтров содержит последовательно соединенные первый фильтр 19, специальный кабель 20, второй фильтр 21.
Первый вывод анодного контура 2, первый вывод нагрузки 5 и первый вывод блокировочного анодного дросселя 6 соединены с анодом генераторного триода 1, первый вывод цепи 3 переменной составляющей сеточного тока и первый вывод цепи 4 постоянной составляющей сеточного тока соединены с сеткой генераторного триода 1, первая выходная шина источника 7 питания соединена с вторым выводом блокировочного анодного дросселя 6 и входом датчика 10 напряжения, первый вывод цепи 9 накала генераторного триода 1 соединен с первым выводом дополнительного источника 8 питания, вторая выходная шина источника 8 питания, второй выход анодного контура 2, второй вывод нагрузки 5, второй вывод цепи 3 переменной составляющей сеточного тока, второй вывод цепи 9 накала и второй вывод дополнительного источника 8 питания соединены с общей шиной.
Входы устройства 11 ввода информации соединены с выходами датчика 10 напряжения, блока 15 фильтров и выходом дополнительного источника 8 питания, а его выходы с входами системы 12 управления источником питания, системы 13 управления дополнительным источником 8 питания и источника 7 питания, выходы системы 12 управления источником питания и системы 13 управления дополнительным источником питания соединены с входами источника 7 питания и дополнительного источника 8 питания, вход и выход датчика 14 температуры соединены соответственно с нагрузкой 5 и с входом блока 15 фильтров. Выход источника 7 питания и выход устройства 11 ввода информации соединены со входами системы 17 защиты от перегрева. Выход системы 17 защиты от перегрева соединен со входом источника 7 питания.
Первый фильтр 19 расположен у выхода датчика 14 температуры, а второй фильтр 21 у входа устройства 11 ввода информации. Нагрузка 5 содержит последовательно соединенные выходной контур и индуктор (не показаны), причем выходной контур индуктивно связан с анодным контуром 2.
Ламповый генератор работает следующим образом.
Из полученных результатов предварительных испытаний уточняется режим нагрева и параметры термоцикла. Время нагрева от заданной минимальной температуры до заданной максимальной температуры вводится в систему 17 защиты от перегрева.
В устройство 11 ввода информации вводится программа термоциклических испытаний. Устанавливают переключатель 16 анодного контура 2 в положение, соответствующее требуемой частоте тока. Нагрузка 5 представляет собой последовательно соединенные выходной контур и индуктор (не показаны). На испытуемой детали (не показана) устанавливают датчик 15 температуры. Внутри индуктора размещают деталь.
Из устройства 11 ввода информации сигналы “на включение” подаются в системы 12 и 13 управления и в источники 7 и 8 питания. Включаются системы 12 и 13 управления и источники 7 и 8 питания и другие вспомогательные системы (не показаны) лампового генератора. С выхода источника 7 питания сигнал “на включение” подается в систему 17 защиты от перегрева. Система 17 включается.
При включении источника 8 обеспечивается заданное минимальное напряжение цепи 9 накала лампы.
Сигнал, пропорциональный напряжению на выходе источника 7, сигнал с выхода источника 8 и сигнал, пропорциональный току накала лампы, с выхода трансформатора 18 тока подаются на входы устройства 11 ввода информации. Из устройства 11 обработанный сигнал подается в систему 13 управления. Система 13 осуществляет управление источником 7 питания и обеспечивает плавное увеличение напряжения накала лампы до заданного максимального напряжения цепи 8 накала лампы. В результате ток накала лампы постепенно увеличивается и в процессе нагрева детали может изменяться по заданной программе. Благодаря этому осуществляется плавное регулирование без бросков тока, устраняется возможный выход из строя лампы при ее включении.
Мощный высокочастотный сигнал генерируется с помощью генераторного триода 1, анодное напряжение на который подается с источника 7 питания через блокировочный анодный дроссель 6, цепи 3 переменной составляющей сеточного тока и цепи 4 постоянной составляющей сеточного тока за счет емкостной обратной связи через паразитные элементы генераторного триода 1. Генерируемый сигнал выделяется на анодном контуре 2 и подается в нагрузку 5 (через выходной контур в индуктор). В детали наводятся вихревые токи высокой частоты и она нагревается. Сигнал с выхода датчика 14 температуры через блок 15 фильтров (первый фильтр 19, специальный кабель и второй фильтр 21) подается на вход устройства 11 ввода информации. Датчик 10 напряжения вырабатывает сигнал, пропорциональный напряжению на выходе источника 7 питания. Сигнал с выхода датчика 10 напряжения подается на вход устройства 11. Устройство 11 ввода информации обрабатывает указанные сигналы и выдает сигнал в систему 13 управления для нагрева детали с требуемым темпом по заданной программе. В системе 17 текущая температура (от датчика 15 температуры) сравнивается с заданной максимальной температурой. При достижении заданной максимальной температуры с выходов устройства 11 выдается сигнал в систему управления 12 на поддержание указанной максимальной температуры в течение заданного времени (выдержки) и сигнал в систему 17 защиты от перегрева на ее отключение. После указанного времени сигнал “на отключение” с выхода устройства 11 подается на вход источника 7 питания и он отключается.
Если время нагрева до режима выдержки превысило заданное на заданную малую величину (0,1-0,2 с), т.е. в случае выхода из строя датчика 15 температуры, источник 7 питания продолжает работать, то сигнал из системы 17 защиты от перегрева поступает в источник 7 питания и отключает его.
В заявленном ламповом генераторе, работающем на частоте 0,44-1,00 мГц, использована лампа ГУ-66Б с модернизированной системой водяного охлаждения. Система 17 защиты от перегрева выполнена из следующих элементов: электронное реле времени, блок задания времени, блок индикации, блок управления. В качестве устройства ввода информации и систем управления источниками питания использованы компьютерные системы.
Расширение функциональных возможностей лампового генератора позволяет осуществить проведение термоциклических испытаний деталей турбомашин и двигателей различного назначения, обеспечить высокие скорости нагрева 50-400°С/с, повысить долговечность лампы и частоту тока, сократить сроки процессов нагрева испытуемых деталей и материалов при всех видах испытаний. Система защиты от перегрева позволяет устранить перегрев или плавление детали и повысить качество испытаний. Кроме того, установка блока фильтров в ламповом генераторе позволяет устранить помехи в цепях управления лампового генератора и, тем самым, повысить точность испытаний.
Формула изобретения
1. Ламповый генератор, содержащий генераторный триод, анодный контур, цепь переменной составляющей сеточного тока, цепь постоянной составляющей сеточного тока, нагрузку, блокировочный анодный дроссель, источник питания, дополнительный источник питания, цепь накала и датчик напряжения, при этом первый вывод анодного контура, первый вывод нагрузки и первый вывод блокировочного анодного дросселя соединены с анодом генераторного триода, первый вывод цепи переменной составляющей сеточного тока и первый вывод цепи постоянной составляющей сеточного тока соединены с сеткой генераторного триода, причем первая выходная шина источника питания соединена со вторым выводом блокировочного анодного дросселя и входом датчика напряжения, первый вывод цепи накала генераторного триода соединен с первым выводом дополнительного источника питания, а вторая выходная шина источника питания, второй вывод анодного контура, второй вывод нагрузки, второй вывод цепи переменной составляющей сеточного тока, второй вывод цепи накала и второй вывод дополнительного источника питания соединены с общей шиной, отличающийся тем, что генератор снабжен устройством ввода информации, системой управления источником питания, системой управления дополнительным источником питания, датчиком температуры, блоком фильтров, переключателем, соединенным с анодным контуром, системой защиты от перегрева и трансформатором тока, соединенным с цепью накала, при этом входы устройства ввода информации соединены с выходом датчика напряжения, выходом блока фильтров и выходом дополнительного источника питания, а выходы устройства ввода информации – с входами системы управления источником питания, входом системы управления дополнительным источником питания и входом источника питания, выходы системы управления источником питания и системы управления дополнительным источником питания соединены с входом источника питания и входом дополнительного источника питания, причем вход и выход датчика температуры соединены соответственно с нагрузкой и с входом блока фильтров, выход трансформатора тока соединен со входом устройства ввода информации, выходы источника питания и устройства ввода информации соединены со входами системы защиты от перегрева, выход которой соединен со входом источника питания.
2. Ламповый генератор по п.1, отличающийся тем, что блок фильтров содержит последовательно соединенные первый фильтр, специальный кабель, второй фильтр, причем первый фильтр расположен у выхода датчика температуры, а второй фильтр – у входа устройства ввода информации.
РИСУНКИ
|
|