|
|
(21), (22) Заявка: 2003127828/09, 03.09.2003
(24) Дата начала отсчета срока действия патента:
03.09.2003
(45) Опубликовано: 20.06.2005
(56) Список документов, цитированных в отчете о поиске:
RU 2094814 C1, 27.10.1997. RU 2186696 C1, 10.08.2002. RU 2180293 С2, 10.03.2002. RU 2042548 C1, 27.08.1995. RU 2061319 C2, 27.05.1996.
Адрес для переписки:
197348, Санкт-Петербург, Богатырский пр-т, 2, ЛенСпецСМУ, В.А. Заренкову
|
(72) Автор(ы):
Заренков В.А. (RU), Заренков Д.В. (RU), Дикарев В.И. (RU)
(73) Патентообладатель(и):
Заренков Вячеслав Адамович (RU), Заренков Дмитрий Вячеславович (RU), Дикарев Виктор Иванович (RU)
|
(54) АВТОМОБИЛЬНОЕ УСТРОЙСТВО ОБНАРУЖЕНИЯ СИГНАЛОВ РАДАРНЫХ УСТАНОВОК КОНТРОЛЯ СКОРОСТИ ДВИЖЕНИЯ НА АВТОТРАССАХ
(57) Реферат:
Изобретение относится к области обнаружения и регистрации СВЧ-излучений. Технический результат заключается в расширении функциональных возможностей устройства путем оперативного обнаружения и задержания угонного автомобиля и злоумышленника. Устройство работает в двух режимах: в режиме обнаружения СВЧ-сигналов радарных установок и в режиме дистанционного поиска и обнаружения в общем транспортном потоке угнанного автомобиля, причем в обоих режимах работы используют один и тот же генератор сигнала окраски. Различные пути прохождения сигнала окраски обеспечивают, в том числе, использованием СВЧ-переключателя и дуплексера, а также подключением входа малошумящего СВЧ-усилителя к выходу дуплексера. 3 ил. 
Предлагаемое устройство относится к области обнаружения и регистрации СВЧ-излучений.
Известны устройства для обнаружения и регистрации СВЧ-излучений (патенты РФ №№2.066.866, 2.084.910, 2.094.814; В.А. Глебов, Ю.Н. Ерофеев. Обнаружитель сигналов радарных установок контроля скоростного движения на автотрассах. Журнал «Конверсия», вып. 9/92, 1992, с. 15, рис. 3; Палий А.И. Радиоэлектронная борьба. – М.: Воениздат МО СССР, 1974, с. 12, рис. 13; Вакин С.А., Шустов Л.Н. Основы радиопротиводействия и радиотехнической разведки. – М.: Сов. радио, 1968, с. 408, рис. 10.18 и другие).
Из известных устройств наиболее близким к предлагаемому является «Автомобильное устройство обнаружения сигналов радарных установок контроля скорости движения на автотрассах» (патент РФ №2.094.814, G 01 R, 29/08,1993), которое и выбрано в качестве прототипа.
Указанное устройство обеспечивает обнаружение и регистрацию СВЧ-излучения и обнаружение автомобиля при его угоне.
Однако оно не позволяет оперативно обнаружить и задержать угнанный автомобиль и злоумышленника.
Технической задачей изобретения является расширение функциональных возможностей устройства путем оперативного обнаружения и задержания угнанного автомобиля и злоумышленника.
Поставленная задача решается тем, что в автомобильное устройство обнаружения сигналов радарных установок контроля скорости движения на автотрассах, содержащее приемопередающую антенну, последовательно включенные маломощный СВЧ-усилитель, амплитудный СВЧ-модулятор, второй вход которого соединен с выходом генератора сигнала окраски, электронно-управляемый СВЧ-переключатель с клеммой для подачи сигнала управления при установлении несанкционированного использования автомобиля, первый амплитудный детектор, усилитель сигнала окраски, синхронный детектор, опорный вход которого соединен с выходом генератора сигнала окраски, и регистрирующее устройство. При этом генератор сигнала окраски выполнен с фиксированной частотой выходного сигнала, обеспечивающей имитацию запрещенной скорости движения автомобиля, введены дуплексер, второй амплитудный детектор, накопитель, пороговый блок, ключ, реле, выключатель, катушка зажигания, ключ зажигания, аккумулятор, звуковой сигнализатор, габаритные лампы, кнопка, тиристор, конденсатор и блок временной задержки, причем к второму выходу электронно-управляемого СВЧ-переключателя через дуплексер, вход-выход которого связан с приемопередающей антенной, подключен вход маломощного СВЧ-усилителя, к второму выходу электронно-управляемого СВЧ-переключателя последовательно подключены второй амплитудный детектор, накопитель, пороговый блок и ключ, между плюсовой клеммой аккумулятора, минусовая клемма которого соединена с корпусом автомобиля, и корпусом автомобиля последовательно включены ключ зажигания, ключ, обмотка реле и выключатель, между ключом зажигания и корпусом автомобиля последовательно включены размыкающий контакт реле и катушка зажигания, между плюсовой шиной аккумулятора и корпусом автомобиля последовательно включены замыкающий контакт реле, параллельно соединенные звуковой сигнализатор и габаритные сигнальные лампы, параллельно соединенные кнопка, тиристор, конденсатор и блок временной задержки.
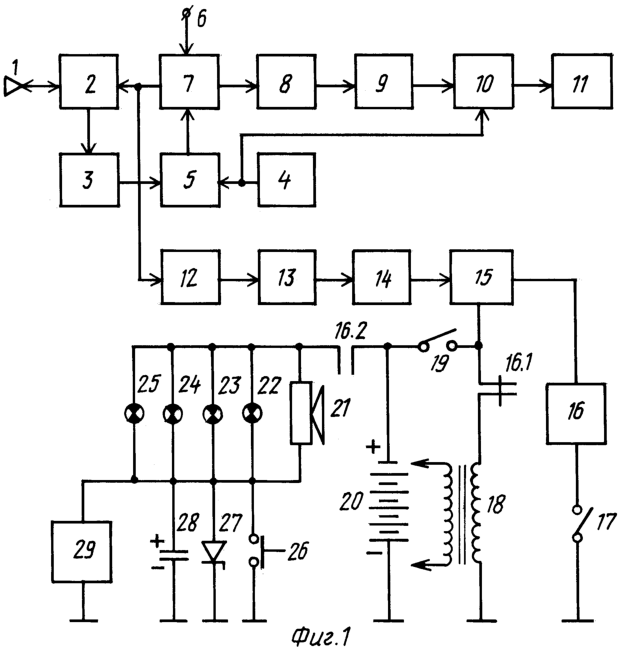
Структурная схема предлагаемого устройства представлена на фиг.1. Временные диаграммы, поясняющие принцип работы устройства, изображены на фиг.2. Амплитудный спектр ретранслируемого сигнала при работе устройства в режиме СВЧ-сигнала, имитирующего скорость движения автомобиля, которая превышает разрешенное значение, показана на фиг.3.
Автомобильное устройство обнаружения сигналов радарных установок контроля скорости движения на автотрассах содержит последовательно включенные электронно-управляемый СВЧ-переключатель 7 с клеммой 6 для подачи сигнала управления при установлении несанкционированного использования автомобиля, дуплексер 2, вход-выход которого связан с приемопередающей антенной 1, малошумящий СВЧ-усилитель 3, амплитудный СВЧ-модулятор 5, второй вход которого соединен с выходом генератора 4 сигнала окраски, электронно-управляемый СВЧ-переключатель 7, первый амплитудный детектор 8, усилитель 9 сигнала окраски, синхронный детектор 10, опорный вход которого соединен с выходом генератора 4 сигнала окраски, и регистрирующее устройство 11. К второму выходу электронно-управляемого СВЧ-переключателя последовательно подключены второй амплитудный детектор 12, накопитель 13, пороговый блок 14 и ключ 15. Между плюсовой клеммой аккумулятора 20, минусовая клемма которого соединена с корпусом автомобиля, и корпусом автомобиля последовательно включены ключ 19 зажигания, ключ 15, обмотка 16 реле и выключатель 17. Между ключом 19 зажигания и корпусом автомобиля последовательно включены размыкающий контакт 16.1 реле и катушка 18 зажигания. Между плюсовой клеммой аккумулятора 20 и корпусом автомобиля последовательно включены замыкающий контакт 16.2 реле, параллельно соединенные звуковой сигнализатор 21 и габаритные сигнальные лампы 22-25, параллельно соединенные кнопка 26, тиристор 27, конденсатор 28 и блок 29 временной задержки.
Принцип дистанционного поиска и обнаружения в общем транспортном потоке угнанного автомобиля основан на обнаружении радарной установкой транспортного потока, имитации приращения скорости угнанного автомобиля до 100 км/час, детектировании, накапливании сигнала окраски и использовании его для включения габаритных сигнальных ламп и звукового сигнализатора и выключении двигателя. Причем имитация превышения скорости, включенные лампы и звуковой сигнализатор являются признаками оперативного обнаружения угнанного автомобиля, а выключенный двигатель обеспечивает задержание угнанного автомобиля и злоумышленника.
Устройство работает следующим образом.
СВЧ-сигнал, излучаемый радаром контроля скорости движения автомобиля на автотрассе (фиг.2, а)
U0(t)=V0·Cos(2 f0t+ 0), 0 t Т0,
где V0, f0, 0, Т0 – амплитуда, несущая частота, начальная фаза и длительность сигнала;
принимается приемопередающей антенной 1 и через дуплексер 2 поступает на вход малошумящего СВЧ-усилителя 3, в котором он усиливается по амплитуде, а следовательно, и по мощности (фиг.2, б)
U1(t)=V1·Cos(2 f0t+ 0), 0 t То.
Усиленный СВЧ-сигнал с выхода малошумящего СВЧ-усилителя 3 поступает на вход амплитудного СВЧ-модулятора 5, на вход управления которого подается низкочастотное переменное напряжение генератора 4 сигнала окраски. В простейшем случае сигнал окраски представляет собой меандровое напряжение U2(t) низкой частоты F0 в несколько сотен Гц или единицы кГц (фиг.2, в). В амплитудном СВЧ-модуляторе 5 поступающий СВЧ-сигнал U1(t) (фиг.2, б) приобретает «окраску» – амплитудную манипуляцию U3(t) (фиг.2, г).
«Окрашенный», т.е. амплитудно-манипулированный сигнал U3(t) (фиг.2, г) с выхода амплитудного СВЧ-модулятора 5 поступает на вход электронно-управляемого СВЧ-переключателя 6. Дальнейшее прохождение «окрашенного» СВЧ-сигнала U3(t) (фиг.2, г) будет зависеть от значения управляющего напряжения на клемме 6 для подачи сигналов управления. Это напряжение U4(t) (фиг.2, д) может принимать два значения:
а) значение логического нуля «0»;
б) значение логической единицы «1».
Если сигнал на клемме 6 для подачи сигналов управления, а следовательно, и на входе управления электронно-управляемого СВЧ-переключателя 7 равен логическому нулю «0», то «окрашенный» СВЧ-сигнал U5(t) (фиг.5,е) с первого выхода электронно-управляемого СВЧ-переключателя 7 поступает на вход первого амплитудного детектора 8, в котором осуществляется операция детектирования СВЧ-сигнала, в результате которой на выходе амплитудного детектора 8 выделяется огибающая СВЧ-сигнала. Эта огибающая имеет частоту и фазу, заданную напряжением сигнала окраски, вырабатываемым генератором 4 сигнала окраски. Сигнал огибающей с выхода амплитудного детектора 8 поступает на вход усилителя 9 сигнала окраски. Данный усилитель имеет полосу частот, согласованную с априорно известной частотой «окраски», частота сигнала окраски находится в полосе частот усилителя 9 сигнала окраски. В результате переменное напряжение, соответствующее огибающей СВЧ-сигнала, усиливается усилителем 9 сигнала окраски и поступает на сигнальный вход синхронного детектора 10, на опорный вход которого подается выходное напряжение генератора 4 сигнала окраски. Так как напряжения на сигнальном входе и опорном входе синхронного детектора 10 имеют одинаковую частоту (частоту «окраски») и практически одинаковую фазу, то на выходе синхронного детектора 10 выделяется постоянное напряжение. При достаточной мощности входного СВЧ-сигнала это напряжение превысит порог срабатывания регистрирующего устройства 11, и регистрирующее устройство 11 вырабатывает сигнал, указывающий на наличие СВЧ-излучения радара на данном участке автотрассы. Информация об СВЧ-излучении от регистрирующего устройства 11 поступает в форме, удобной для восприятия автоводителем – звуковой или световой.
Данный режим соответствует режиму работы устройства как обнаружителя СВЧ-сигналов радарных установок.
Другой режим соответствует режиму дистанционного поиска и обнаружения в общем транспортном потоке угнанного автомобиля и его оперативного задержания вместе со злоумышленником.
Покидая салон автомобиля, водитель замыкает выключатель 17, который устанавливается на автомобиле в месте, известном только водителю, а также подключает управляющее напряжение к клемме 6 управления предлагаемого устройства. Данное напряжение переводит устройство из работы в режиме обнаружения в режим ретрансляции принимаемых СВЧ-сигналов при наделении ретранслируемого СВЧ-сигнала модуляцией, имитирующей ложную скорость движения автомобиля, превышающую разрешенное значение. При несанкционированном использовании такой автомобиль, даже если он движется с малой или разрешенной скоростью, будет выявлен постом автоинспекции и остановлен, так как радар на посту автоинспекции будет фиксировать превышение скорости.
Следовательно, если на клемме 6 для подачи сигналов управления и на соединенном с ней входе управления электронно-управляемого СВЧ-переключателя 7 напряжение приняло уровень логической «1» (фиг.2, д), то электронно-управляемый СВЧ-переключатель 7 переключается и СВЧ-сигнал с его входа будет передаваться на его второй выход. Далее этот «окрашенный» СВЧ-сигнал U6(t) (фиг.2, ж) через дуплексер 2 поступает в приемопередающую антенну 1 и переизлучается ею в том направлении, с которого был принят зондирующий СВЧ-сигнал U0(t) (фиг.2, а), т.е. в сторону радара контроля скорости движения. Так как принимаемый СВЧ-сигнал был предварительно усилен по мощности в малошумящем СВЧ-усилителе 3 и наделен амплитудной манипуляцией («окраской») на частоте генератора 4 сигнала окраски в амплитудном СВЧ-модуляторе 5, то излучаемый СВЧ-сигнал будет иметь спектр частотных составляющих, одна из которых f0 + F0 (первая «правая» боковая) (фиг.3) сдвинута на величину F0, равную частоте окраски, относительно несущей f0. Эта частота соответствует скорости движения, превышающей разрешенное значение. Величина сдвига F0 может быть установлена путем выбора частоты генератора 4 сигнала окраски.
Таким образом, излучаемый СВЧ-сигнал будет имитировать движение автомобиля с недопустимой большой скоростью. Такой автомобиль должен быть задержан органами автоинспекции за превышение скорости движения, хотя его реальная скорость может и не превышать допустимое значение.
Переключающий сигнал, вызывающий перевод устройства из одного режима в другой, подается на клемму 6 для подачи сигнала управления. Источник получения такого сигнала с точки зрения существа данной заявки непринципиален: им может служить антиугонное устройство, которое срабатывает при несанкционированном проникновении в салон автомобиля, сигнал от переключателя или коммутатора, который включает водитель, оставляя салон автомобиля, или другие подобные источники управляющего напряжения.
При практической реализации устройства необходимо иметь в виду, что генератор 4 сигнала окраски может быть выполнен по простейшей схеме с фиксированной частотой окраски. Частота окраски должна иметь значение около 2 кГц, которое имитирует приращение скорости автомобиля порядка 100 км/час, и даже при низкой скорости движения радар контроля скорости будет получать информацию о скорости автомобиля более 100 км/час, что должно служить основанием для задержания несанкционированно используемого автомобиля.
С другой стороны, несанкционированно используемый автомобиль весьма сложно определить в общем транспортном потоке и оперативно его задержать, так как он не проявляет никаких внешних признаков несанкционированного использования.
Для дистанционного поиска и обнаружения в общем транспортном потоке угнанного автомобиля и его оперативного задержания в предлагаемом устройстве используется «окрашенный» СВЧ-сигнал U6(t) (фиг.2,ж).
Этот сигнал со второго выхода электронно-управляемого СВЧ-переключателя 7 поступает на вход второго амплитудного детектора 12, где выделяется его огибающая U7(t) (фиг.2,з) в виде положительных импульсов. Эти импульсы после накопления в накопителе 13 превышают порог срабатывания Vпор в пороговом блоке N. При превышении указанного порога срабатывания в пороговом блоке 14 формируется постоянное напряжение, которое поступает на управляющий вход ключа 15, открывая его. В исходном состоянии ключ 15 всегда закрыт. При этом постоянное напряжение аккумулятора 20 через замкнутый ключ 19 зажигания, открытый ключ 15 и замкнутый выключатель 17 подается на обмотку 16 реле. Выключатель 17 устанавливается на автомобиле в месте, известном только владельцу, и замыкается при выходе водителя из салона автомобиля. При срабатывании реле контакт 16.1 размыкается, а контакт 16.2 замыкается. Разомкнутый контакт 16.1 выключает двигатель, что приводит к остановке автомобиля. Включить двигатель можно только при размыкании выключателя 17 и обесточивании обмотки 16 реле. Местоположение выключателя 17 известно только водителю.
Постоянное напряжение аккумулятора 20 через замкнутый контакт 16.2 подается на звуковой сигнализатор 21, габаритные сигнальные лампы 22-25 и блок 29 временной задержки. Через определенный интервал времени (например, 10-15 с) напряжение на блоке 29 временной задержки достигает напряжения открывания тиристора 27 и срабатывают звуковой сигнализатор 21 и габаритные сигнальные лампы 22-25. Для поддержания тиристора 27 в открытом состоянии используется заряд конденсатора 28 и звуковой сигнализатор 21, и габаритные сигнальные лампы 22-25 продолжают работать до оперативного задержания автомобиля и угонщика.
При срабатывании звукового сигнализатора 21 и габаритных сигнальных ламп 22-25 их невозможно выключить, только отключив ключ 19 зажигания. Для выключения звукового сигнализатора 21 и габаритных сигнальных ламп 22-25 необходимо выключить зажигание и кратковременно нажать на кнопку 26, которая также находится в потайном месте, известном только водителю. Этим достигается запирание тиристора 27 и исключается его повторное открытие.
Так обеспечивается дистанционный поиск и обнаружение угнанного автомобиля, находящегося в общем транспортном потоке, и его оперативное задержание. Это достигается тем, что «окрашенный» СВЧ-сигнал детектируется, накапливается и используется для включения звукового сигнализатора и габаритных сигнальных ламп и выключения двигателя.
Причем включенные звуковой сигнализатор и габаритные сигнальные лампы являются признаком обнаружения угнанного автомобиля, а выключенный двигатель обеспечивает оперативное задержание автомобиля и угонщика. В схеме противоугонного устройства используются уже имеющиеся на автомобиле звуковой сигнализатор, габаритные сигнальные лампы и другие элементы.
Тем самым функциональные возможности автомобильного устройства обнаружения сигналов радарных установок контроля скорости движения на автотрассах расширены.
Формула изобретения
Автомобильное устройство обнаружения сигналов радарных установок контроля скорости движения на автотрассах, содержащее приемопередающую антенну, последовательно включенные маломощный СВЧ-усилитель, амплитудный СВЧ-модулятор, второй вход которого соединен с выходом генератора сигнала окраски, электронно-управляемый СВЧ-переключатель с клеммой для подачи сигнала управления при установлении несанкционированного использования автомобиля, первый амплитудный детектор, усилитель сигнала окраски, синхронный детектор, опорный вход которого соединен с выходом генератора сигнала окраски, и регистрирующее устройство, при этом генератор сигнала окраски выполнен с фиксированной частотой выходного сигнала, обеспечивающей имитацию запрещенной скорости движения автомобиля, отличающееся тем, что в него введены дуплексер, второй амплитудный детектор, накопитель, пороговый блок, ключ, реле, выключатель, катушка зажигания, ключ зажигания, аккумулятор, звуковой сигнализатор, габаритные сигнальные лампы, кнопка, тиристор, конденсатор и блок временной задержки, причем приемопередающая антенна подключена к дуплексеру, выход которого подключен к входу малошумящего СВЧ-усилителя, а вход – к второму выходу электронно-управляемого СВЧ-переключателя, к которому последовательно подключены второй амплитудный детектор, накопитель, пороговый блок и ключ, между плюсовой клеммой аккумулятора, минусовая клемма которого соединена с корпусом автомобиля, и корпусом автомобиля последовательно включены ключ зажигания, ключ, обмотка реле и выключатель, между ключом зажигания и корпусом автомобиля последовательно включены размыкающий контакт реле и катушка зажигания, между плюсовой клеммой аккумулятора и корпусом автомобиля последовательно включены размыкающий контакт реле, параллельно соединенные звуковой сигнализатор и габаритные сигнальные лампы, параллельно соединенные кнопка, тиристор, конденсатор и блок временной задержки.
РИСУНКИ
MM4A Досрочное прекращение действия патента Российской Федерации на изобретение из-за неуплаты в установленный срок пошлины за поддержание патента в силе
Дата прекращения действия патента: 04.09.2005
Извещение опубликовано: 27.01.2007 БИ: 03/2007
|
|