|
|
(21), (22) Заявка: 2003130456/28, 15.10.2003
(24) Дата начала отсчета срока действия патента:
15.10.2003
(45) Опубликовано: 20.06.2005
(56) Список документов, цитированных в отчете о поиске:
RU 2087918 C1, 20.08.1997. RU 2077062 C1, 10.04.1997. SU 1580259 А2, 23.07.1990. GB 2040477 A, 28.08.1980. GB 2227846 A, 08.08.1990. US 4532471 A, 30.07.1985.
Адрес для переписки:
355029, г.Ставрополь, ул. Ленина, 415, ОАО “Концерн Энергомера”, Аналитический отдел СГИ
|
(72) Автор(ы):
Сильчев А.Ю. (RU)
(73) Патентообладатель(и):
Открытое Акционерное Общество “Концерн Энергомера” (RU)
|
(54) СЧЕТЧИК ЭЛЕКТРИЧЕСКОЙ ЭНЕРГИИ
(57) Реферат:
Изобретение относится к электроизмерительной технике и используется для измерения электрической энергии в цепях переменного тока. Счетчик содержит датчик тока, перемножитель тока на напряжение, преобразователь тока в частоту импульсов, трансформатор тока с двумя первичными обмотками и выпрямитель. При этом одна из первичных обмоток трансформатора соединена с фазным проводником измерительной сети, а другая с нулевым проводником и одной вторичной обмоткой, на которой сигнал пропорционален разности токов первичных обмоток. Выходы трансформатора через выпрямитель подключены к преобразователю тока в частоту импульсов. Изобретение обеспечивает защиту счетчиков электрической энергии от хищений, а также наказание потребителей, предпринимающих попытку хищений. 1 ил. 
1. Область техники, к которой относится изобретение
Изобретение относится к электроизмерительной технике и используется для измерения электрической энергии в цепях переменного тока с целью ее учета.
2. Уровень техники
Известны счетчики электрической энергии, выпускаемые различными предприятиями, как в России, так и за рубежом. Аналогами заявленного изобретения могут служить:
Счетчик электрической энергии (патент 93013095, МПК G 01 R 11/00, 09.07.1995 г.).
Счетчик киловатт-часов (патент 93050784, МПК G 01 R 11/32, 10.07.1996 г.).
Счетчик электроэнергии (патент 93001760, МПК G 01 R 11/00, 10.02.1995 г.).
Но у всех у них есть общий недостаток – они не имеют защиты от хищений электроэнергии.
Наиболее близким аналогом можно считать устройство для измерения электрической энергии в двухпроводных сетях с защитой от хищения (патент RU 2087918 C1, опубликован 20.08.1997 г.). В этом устройстве предлагается в качестве сигнала, характеризующего токи фазного и нулевого проводов, использовать сумму токов фазного и нулевого проводов, в качестве сигнала, характеризующего ток нагрузки использовать суммарный сигнал, а преобразованию в частоту импульсного сигнала подвергать сигнал мощности нагрузки. Однако счетчик-прототип обеспечивает возможность предотвращения хищений электроэнергии, но не обеспечивает наказание потребителей, предпринимающих попытку хищений.
3. Раскрытие изобретения
Целью изобретения является защита счетчиков электрической энергии от хищений электроэнергии, а также наказание потребителей, предпринимающих попытку хищений.
Поставленная цель достигается следующим образом. В счетчик дополнительно вводится трансформатор тока с двумя первичными обмотками, одна из которых соединена с фазным проводником измерительной цепи, другая с нулевым проводником и вторичной обмоткой, на которой сигнал пропорционален разности токов первичных обмоток. Выход трансформатора через выпрямитель, преобразующий переменный сигнал в сигнал постоянного тока, подсоединен к преобразователю тока в частоту импульсов.
При равенстве токов в нулевом и фазном проводниках сигнал с выхода выпрямителя равен нулю и счетчик работает в обычном режиме. При попытке хищений электроэнергии путем заземления одного из выходов нагрузки, разность токов между фазным и нулевым проводниками становится не равной нулю и превышает сигнал с выхода перемножителя. Таким образом, преобразователь тока в частоту импульсов выдает максимальную частоту импульсов и счетчик считает быстрее, наказывая таким образом потребителей, предпринимающих попытку хищений электроэнергии.
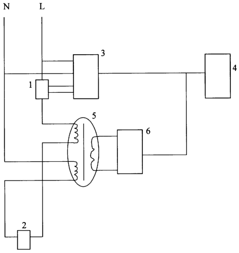
4. Краткое описание чертежа
На чертеже представлена схема счетчика электрической энергии, не позволяющая допуска хищений электроэнергии, где:
1 – датчик тока;
2 – нагрузка;
3 – перемножитель тока на напряжение;
4 – преобразователь тока в частоту импульсов;
5 – трансформатор тока с двумя первичными обмотками и одной вторичной;
6 – выпрямитель;
L – фазный проводник;
N – нулевой проводник.
5. Осуществление изобретения
Работа счетчика электрической энергии осуществляется следующим образом. В счетчик, содержащий датчик тока 1, перемножитель тока на напряжение 3, преобразователь тока в частоту импульсов 4 дополнительно введен трансформатор тока 5 с двумя первичными обмотками и одной вторичной обмоткой, на которой сигнал пропорционален разности токов первичных обмоток и выпрямитель 6, преобразующий переменный сигнал в сигнал постоянного тока. При попытке хищений электроэнергии путем заземления одного из выходов нагрузки 2 разность токов фазного проводника L и нулевого проводника N становится не равной нулю и сигнал с выхода выпрямителя 6, превышая сигнал с выхода перемножителя 3, подается на преобразователь тока в частоту импульсов 4. В свою очередь преобразователь тока в частоту импульсов 4 выдает максимальную частоту импульсов, счетчик начинает считать быстрее положенного. Таким образом, счетчик, схема которого приведена на чертеже, обеспечивает возможность предотвращения хищений электроэнергии, а также наказание за попытку таких хищений.
6. Библиографические данные
1. Счетчик электрической энергии (патент 93013095, МПК G 01 R 11/00, 09.07.1995 г.).
2. Счетчик киловатт-часов (патент 93050784, МПК G 01 R 11/32, 10.07.1996 г.).
3. Счетчик электроэнергии (патент 93001760, МПК G 01 R 11/00, 10.02.1995 г.).
4. Счетчик электрической энергии (патент 2166766, МПК G 01 R 22/00, опубликован 10.05.2001 г.).
Формула изобретения
Счетчик электрической энергии, содержащий датчик тока, выходы которого соединены с перемножителем тока на напряжение, который, в свою очередь, соединен с преобразователем тока в частоту импульсов, трансформатор тока с двумя первичными обмотками, одна из которых соединена с фазным проводником измерительной сети, другая с нулевым проводником и одной вторичной обмоткой, на которой сигнал пропорционален разности токов первичных обмоток, и выпрямитель, отличающийся тем, что выходы трансформатора через выпрямитель, преобразующий переменный сигнал в сигнал постоянного тока, подключены к преобразователю тока в частоту импульсов, при этом если сигнал с выхода выпрямителя, превышая сигнал с выхода перемножителя тока на напряжение, подается на преобразователь тока в частоту импульсов, то преобразователь тока в частоту импульсов выдает максимальную частоту импульсов.
РИСУНКИ
QB4A Регистрация лицензионного договора на использование изобретения
Лицензиар(ы): Открытое акционерное общество “Концерн Энергомера”
НИЛ
Лицензиат(ы): Закрытое акционерное общество “Электротехнические заводы “Энергомера”
Договор № РД0070195 зарегистрирован 22.09.2010
Извещение опубликовано: 10.11.2010 БИ: 31/2010
* ИЛ – исключительная лицензия НИЛ – неисключительная лицензия
|
|