|
|
(21), (22) Заявка: 2003134863/28, 01.12.2003
(24) Дата начала отсчета срока действия патента:
01.12.2003
(45) Опубликовано: 20.06.2005
(56) Список документов, цитированных в отчете о поиске:
RU 2123706 С1, 20.12.1998. RU 2152622 C1, 10.07.2000. SU 256855 А, 10.04.1970. GB 1273988 A, 10.05.1972. DE 3131431 А1, 24.02.1983.
Адрес для переписки:
607190, Нижегородская обл., г. Саров, пр-т Мира, 37, ФГУП РФЯЦ-ВНИИЭФ, ОПИНТИ
|
(72) Автор(ы):
Кудасов Ю.Б. (RU)
(73) Патентообладатель(и):
Федеральное государственное унитарное предприятие Российский федеральный ядерный центр – Всероссийский научно-исследовательский институт экспериментальной физики – ФГУП РФЯЦ-ВНИИЭФ (RU)
|
(54) МОСТ ПЕРЕМЕННОГО ТОКА
(57) Реферат:
Изобретение относится к технике высокочастотных электрических измерений пассивных, нелинейных и активных двухполюсников. Мост содержит источник питания, два источника электрических сигналов, выполненные неуправляемыми, две электрические ветви и регистратор. Первая электрическая ветвь состоит из пары сопротивлений, а вторая – из сопротивления и измеряемого комплексного сопротивления. Электрические ветви соединены с регистратором. При этом вторые выводы первой и второй ветвей подключены к выходу соответствующего источника электрических сигналов, входы которых подсоединены к источнику питания моста. В качестве регистратора электрических сигналов использованы последовательно включенные дифференциальный усилитель и регистратор амплитуды и временного сдвига. Второй вход регистратора амплитуды и временного сдвига подключен к источнику питания моста. Изобретение обеспечивает повышение быстродействия измерений. 1 ил. 
Мост переменного тока относится к измерителям параметров двухполюсников и, в частности, может быть использован в технике высокочастотных (ВЧ) электрических измерений пассивных, нелинейных и активных двухполюсников.
Известно устройство измерений ВЧ отклика нелинейного двухполюсника (Ю.Б.Кудасов. Высокочастотные измерения проводимости бесконтактным методом в сверхсильных магнитных полях, ПТЭ. – 1999. – Вып.4. – С.527), представляющего собой кабельную линию, замкнутую на одном конце комплексной нагрузкой, которая быстро изменяется под действием внешних факторов. Это устройство состоит из источника питания, создающего гармонический электрический сигнал, источника электрического сигнала, вход которого подключен к источнику питания, а выход – к первому выводу исследуемого двухполюсника, суммирующего усилителя, один вход которого подключен к входу источника электрического сигнала, а второй – к его выходу, и регистратора сигнала, подключенного к выходу суммирующего усилителя. Общие провода источника питания моста, источника электрического сигнала, суммирующего усилителя, регистратора и второй вывод исследуемого двухполюсника подсоединены к общему проводу моста. Источник электрического сигнала инвертирует электрический сигнал, поступающий на его вход. Параметры схемы выбираются таким образом, чтобы при согласовании внутреннего выходного сопротивления источника электрического сигнала с сопротивлением исследуемого двухполюсника сигналы на двух входах суммирующего усилителя были одинаковой амплитуды, но находились в противофазе. Тогда сигнал на выходе суммирующего усилителя равняется нулю. При изменении параметров двухполюсника возникает рассогласование выходного сопротивления источника электрического сигнала и сопротивления двухполюсника и появляется сигнал на выходе суммирующего усилителя. По величине сигнала можно установить величину сопротивления двухполюсника. В данной схеме можно добиться высокого быстродействия. Постоянная времени измерения составляет порядка 200 нс. Кроме того, достоинствами данной схемы являются развязка источника питания от измеряемого двухполюсника, осуществляемая источником электрического сигнала, и высокая помехоустойчивость. Развязка источника питания от измеряемого двухполюсника особенно важна для ВЧ измерений, потому что выходное сопротивление ВЧ генераторов, как правило, невелико, например 50 или 75 Ом, и согласовано с сопротивлением нагрузки, т.е. выходное сопротивление генератора и сопротивление нагрузки примерно равны. В этом случае изменение сопротивления нагрузки приводит к заметному изменению выходного напряжения и тока генератора, т.е. к систематической ошибке при измерении параметров двухполюсника. К недостаткам данной схемы относится низкая чувствительность.
Известно мостовое устройство измерения отклика двухполюсника на электрический сигнал (Г.И.Атабеков. Теория линейных электрических цепей – М.: – Советское радио. – 1960). Это устройство состоит из источника питания моста, создающего постоянное или переменное напряжение, двух параллельных электрических ветвей, подключенных к источнику питания моста, первая из которых состоит из двух активных, реактивных или комплексных сопротивлений известной величины, включенных последовательно, а вторая – из активного, реактивного или комплексного сопротивления известной величины и измеряемого двухполюсника, включенных последовательно, нуль-органа, один из входов которого подключен к точке соединения сопротивлений первой ветви, а второй – к точке соединения сопротивления и двухполюсника второй ветви. Это устройство известно как мостовая схема измерения проводимости (в том числе и комплексной). Напряжение генератора в каждой из двух параллельных электрических ветвей, которые являются делителями напряжения, делится в соответствии с величиной сопротивлений. Разность напряжений, полученная в делителях, определяется нуль-органом. Для измерения активной части сопротивления двухполюсника в качестве генератора используется постоянный источник напряжения, а при измерении комплексного сопротивления двухполюсника – генератор гармонического сигнала. Измерение сопротивления двухполюсника выполняют подбором известных сопротивлений моста таким образом, чтобы достигнуть нулевого напряжения на нуль-органе. В мостовой схеме можно добиться высокой чувствительности. Недостатками мостовой схемы являются большое время измерения, которое определяется временем подбора сопротивлений, и отсутствие развязки между источником питания моста и измеряемым двухполюсником, что может привести к систематической ошибке, особенно при ВЧ измерениях и при измерении активных сопротивлений двухполюсника.
Известен мост переменного тока (В.В.Скугарев. Мост переменного тока – патент RU 2123706, опубликовано 20.12.98, МПК: G 01 R 17/10). Его мы выберем в качестве прототипа. Это устройство содержит источник питания моста, три управляемых источника электрических сигналов, две электрические ветви, первая из которых содержит два активных сопротивления известной величины, включенных последовательно, а вторая – активное сопротивление известной величины и неизвестное комплексное сопротивление (активно-емкостное), включенные последовательно, и нуль-орган, который является регистратором электрических сигналов. Общие провода источника питания, всех источников электрических сигналов и первые выводы двух электрических ветвей соединены с общим проводом моста, выход источника питания моста соединен со входами трех источников напряжения, выходы первого и второго источников электрических сигналов соединены со вторыми выводами первой и второй ветви. Выход третьего источника питания подсоединен через конденсатор известной величины к точке соединения двух сопротивлений первой ветви. Первый вход нуль-органа подсоединен к точке соединения сопротивлений первой ветви, а второй вход нуль-органа – к точке соединения сопротивлений второй ветви. Изменением выходных напряжений источников электрических сигналов прототипа добиваются нулевого напряжения на нуль-органе. При этом, зная амплитуды выходных напряжений источников, можно вычислить значения активной и емкостной частей неизвестного сопротивления. Достоинством прототипа по сравнению с предыдущей мостовой схемой является повышенная скорость измерения, потому что подбор выходного напряжения источника электрических сигналов, осуществляемый при помощи электронного управления, выполняется значительно быстрее подбора резисторов в мостовой схеме во втором аналоге. При этом прототип сохраняет высокую точность, присущую мостовым схемам. К достоинствам прототипа следует отнести также развязку источника питания моста от измеряемого сопротивления, что позволяет использовать прототип для ВЧ измерений.
Недостатком прототипа является то, что при его использовании невозможно выполнить измерения двухполюсников с быстро изменяющимися параметрами (нелинейные и активные двухполюсники). Это связано с тем, что процедура уравновешивания моста производится путем многократного изменения выходных напряжений источников напряжения и измерения напряжения на нуль-органе.
В связи с этим возникает техническая задача создания измерительного моста для определения быстроизменяющихся параметров двухполюсников.
Техническим результатом заявляемого решения является повышение быстродействия измерений.
Заявляемый технический результат достигается за счет того, что в мост переменного тока, содержащий источник питания, два источника электрических сигналов, входы которых подсоединены к выходу источника питания, две электрические ветви, первая из которых содержит два известных комплексных сопротивления, включенных последовательно, а вторая – известное комплексное сопротивление и измеряемое комплексное сопротивление, включенные последовательно, и регистратора электрических сигналов, два вывода которого подключены к проводникам, соединяющим сопротивления в электрических ветвях, причем общие провода источника питания, источников электрических сигналов, регистратора электрических сигналов и первые выводы двух электрических ветвей подсоединены к общему проводу моста, в качестве регистратора электрических сигналов введены дифференциальный усилитель, один вход которого подключен к проводнику, соединяющему сопротивления первой ветви, а второй вход – к проводнику, соединяющему сопротивления второй ветви, и регистратор амплитуды и временного сдвига сигналов, один вход которого подключен к выходу дифференциального усилителя, а другой – к источнику питания моста, и источники электрических сигналов являются неуправляемыми. Общие провода дифференциального усилителя и регистратора подключены к общему проводу моста.
Источник питания моста создает переменный электрический сигнал, который управляет источниками электрических сигналов. Источники электрических сигналов создают одинаковые во времени и по амплитуде сигналы на вторых входах двух электрических ветвей. Амплитуда напряжений на входе дифференциального усилителя определяется соотношением значений сопротивлений в обеих ветвях. На выходе дифференциального усилителя сигнал пропорционален разности входных сигналов. Регистратор фиксирует амплитуду и временной сдвиг сигнала с выхода дифференциального усилителя относительно сигнала источника питания моста. Поскольку известны амплитуды сигналов на выходах источников электрических сигналов, значения обоих сопротивлений в первой ветви и одного сопротивления во второй ветви, а также коэффициент усиления дифференциального усилителя, то по амплитуде и временному сдвигу сигнала с выхода дифференциального усилителя можно однозначно установить значение вещественной и мнимой частей измеряемого сопротивления. При этом не требуется многократной перестройки напряжений источников электрических сигналов, поэтому источники электрических сигналов неуправляемы. Таким образом достигается повышенное быстродействие устройства. Коэффициент обратной передачи сигнала источников электрических сигналов должен быть малым, чтобы обеспечить развязку источника питания от измеряемого сопротивления. Входное сопротивление дифференциального усилителя должно быть много больше модуля любого из сопротивлений в первой или во второй ветви, чтобы дифференциальный усилитель не оказывал влияния на прохождение электрического сигнала по двум ветвям.
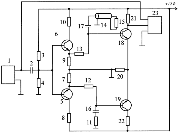
Пример реализации устройства показан на чертеже.
В качестве источника питания моста 1 использован генератор Hewlett Packard НР33120А, который создает на выходе гармонический сигнал с частотой 50 МГц и амплитудой 0,1 В. Выход генератора 1 подсоединен к двум источникам электрических сигналов через конденсатор 2, который устраняет связь генератора с транзисторами 5 и 6 по постоянному току. Первый источник электрического сигнала собран на транзисторе 5 и резисторах 7, 8 по схеме эмиттерного повторителя. Второй источник электрического сигнала собран на транзисторе 6 и резисторах 9 и 10 также по схеме эмиттерного повторителя. Резисторы 3 и 4 задают рабочую точку по постоянному току для транзисторов 5 и 6. Резисторы 11 и 12 образуют первую электрическую ветвь, а резистор 13 и измеряемый двухполюсник, который представляет собой кабельную линию 14, замкнутую с одной стороны неизвестной комплексной нагрузкой 15, – вторую ветвь. Разделительные конденсаторы 16 и 17 служат для развязки по постоянному току. Дифференциальный усилитель собран на транзисторах 18 и 19 с общим эмиттерным сопротивлением 20 и коллекторными сопротивлениями 21 и 22. Сигнал с выхода дифференциального усилителя, с коллектора транзистора 18, подается на первый канал четырехканального осциллографа Hewlett Packard HP 54810А, который используется в качестве регистратора амплитуды и фазы сигнала 23. Сигнал с источника питания моста 1 подается на второй канал осциллографа. В схеме, показанной на чертеже, все транзисторы – типа 2Т939А, все конденсаторы имеют номинал 1 мкФ. Резисторы имеют следующие номиналы: 3-400 Ом, 4-200 Ом, 7, 8, 9 и 10 – 37,5 Ом, 11, 12, 13, 21, 22 – 75 Ом, 20 – 300 Ом. Волновое сопротивление кабельной линии 14 составляет 75 Ом.
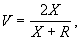
Сигнал с выхода генератора 1 поступает на эмиттерные повторители, которые собраны на элементах 2, 3, 4, 5, 6, 7, 8, 9, 10, задержка распространения сигнала в обоих повторителях должна быть одинаковой. В этом случае сигнал на выходах эмиттерных повторителей будет идентичным. При необходимости производится подбор пары транзисторов 5 и 6 из большой партии. Коэффициент обратной передачи эмиттерных повторителей много меньше коэффициента прямой передачи, поэтому они осуществляют эффективную развязку генератора от исследуемого двухполюсника. Сигналы с выходов эмиттерных повторителей, т.е. с эмиттеров транзисторов 5 и 6, поступают на первую (резисторы 11, 12 и конденсатор 16) и вторую (резистор 13, кабельная линия 14, сопротивление 15 и конденсатор 17) электрические ветви. Когда нагрузка кабельной линии 15 чисто активная и составляет 75 Ом, она согласована с волновым сопротивлением кабельной линии. Поэтому входное сопротивление кабельной линии, т.е. сопротивление измеряемого двухполюсника, чисто активное и равно 75 Ом. В этом случае две электрические ветви представляют собой активные делители напряжения с одинаковым коэффициентом деления. Таким образом, на входы дифференциального усилителя, собранного на элементах 18, 19, 20, 21 и 22, поступают идентичные сигналы и на его выходе, т.е. на коллекторе транзистора 18, сигнал отсутствует. Поскольку выход эмиттерного повторителя на транзисторе 6 согласован с кабельной линией (величина сопротивления 13 равна величине волнового сопротивления кабеля), сигнал на входе кабельной линии 14 состоит из суммы напряжений падающей волны U1 и отраженной волны U2. Напряжение на резисторе 11 равно напряжению падающей волны U1, поскольку значение его сопротивления равно волновому сопротивлению кабеля. На выходе дифференциального усилителя напряжение равно разности входных напряжений, умноженной на коэффициент усиления, т.е. 2 U2. Измерение амплитуды и фазы сигнала с выхода дифференциального усилителя позволяет установить комплексный коэффициент отражения волны кабельной линии 14 от нагрузки 15. Коэффициент отражения, в свою очередь, определяется выражением

где X – значение комплексного сопротивления нагрузки, R – волновое сопротивление кабеля. Из этого выражения можно вычислить значение неизвестного сопротивления X. Устройство (см. чертеж) позволяет выполнять измерения нелинейных двухполюсников с быстро изменяющимися параметрами. Характерное время изменения сопротивления нагрузки 15 должно быть много больше периода колебаний генератора, например при частоте 50 МГц оно может составлять 200 нс.
Формула изобретения
Мост переменного тока, включающий источник питания моста, два источника электрических сигналов, две электрические ветви, первая из которых состоит из пары сопротивлений известных величин, включенных последовательно, вторая – из сопротивления известной величины и измеряемого комплексного сопротивления, включенных последовательно, и регистратор электрических сигналов, два вывода которого подключены к проводникам, соединяющим сопротивления в электрических ветвях, общие провода источника питания моста и двух источников электрических сигналов, регистратора электрических сигналов, а также первые выводы двух ветвей подключены к общему проводу моста, при этом второй вывод первой ветви подключен к выходу первого источника, а второй вывод второй ветви – к выходу второго источника электрических сигналов, а входы источников электрических сигналов подсоединены к источнику питания моста, отличающийся тем, что источники электрических сигналов являются неуправляемыми, а в качестве регистратора электрических сигналов использован регистратор амплитуды и временного сдвига сигналов и дифференциальный усилитель, при этом два входа дифференциального усилителя являются выводами регистратора электрических сигналов, а выход дифференциального усилителя подключен к одному входу регистратора амплитуды и временного сдвига сигналов, а другой его вход подключен к источнику питания моста.
РИСУНКИ
|
|