|
|
(21), (22) Заявка: 2003136657/28, 17.12.2003
(24) Дата начала отсчета срока действия патента:
17.12.2003
(45) Опубликовано: 20.06.2005
(56) Список документов, цитированных в отчете о поиске:
SU 1673880 A1, 30.08.1991. SU 570799 А, 24.10.1977. RU 2193169 C2, 20.11.2002. SU 1464050 А1, 07.03.1989. US 4830514 A, 16.05.1989.
Адрес для переписки:
392000, г.Тамбов, ул. Советская, 106, ТГТУ, патентный отдел
|
(72) Автор(ы):
Коробов Р.М. (RU), Брусенцов Ю.А. (RU), Королев А.П. (RU), Фесенко А.И. (RU)
(73) Патентообладатель(и):
Тамбовский Государственный Технический Университет (ТГТУ) (RU)
|
(54) УСТРОЙСТВО ДЛЯ ИЗМЕРЕНИЯ РАЗНОСТИ ТЕМПЕРАТУР
(57) Реферат:
Изобретение относится к измерительной технике. Устройство содержит два терморезистора, включенных в плечи электрического моста, последовательно соединенные усилитель, следящий пиковый детектор, запоминающий конденсатор, генератор управляемой частоты, стандартизатор амплитуды и длительности импульсов, преобразователь частоты в напряжение. К измерительной диагонали моста подключены входы усилителя. При этом выход преобразователя частоты в напряжение связан с изолированным управляющим электродом терморезистора. Выход стандартизатора амплитуды и длительности импульсов подключен к диагонали питания моста. А выход генератора управляемой частоты через блок задержки соединен с входом управления следящего пикового детектора и связан с выходом устройства. Изобретение позволяет повысить точность измерений путем введения в схему отрицательной обратной связи на управляемый резистор измерительного моста. 2 ил. 
Предлагаемое изобретение относится к измерительной технике и может быть использовано для измерения разности температур.
Известно устройство для измерения разности температур (SU 1673869 А1, G 01 К 3/08) авторов В.С.Москалева, А.А.Леонова и Л.А.Свержина, опубликованное 30.08.91 в бюл. №32, содержащее два терморезистора, включенных в смежные плечи первого электрического моста, к измерительной диагонали которого подключены входы первого дифференциального усилителя, генератор частоты с термочувствительным пьезоэлектрическим резонатором, на поверхности которого нанесены пленочные нагреватели, подключенные к выходу первою дифференциального усилителя, термостат в рабочей камере которою расположены термочувствительный пьезоэлектрический резонатор и холодные спаи термоэлектрической микробатареи, горячие спаи которой расположены на радиаторе термостата, второй электрический мост, в одно из плеч которого включен третий терморезистор, расположенный в рабочей камере термостата, а к измерительной диагонали подключены входы второго дифференциального усилителя, измерительный блок, подключенный к выходу генератора частоты, а также схема сравнения напряжений и преобразователь частота – напряжение, вход которого подключен к выходу генератора частоты, а выход соединен с первым входом схемы сравнения напряжений, второй вход которой подключен к выходу второго дифференциального усилителя, а выход соединен с входом термоэлектрической микробатареи.
Недостатком данного устройства является низкая точность измерений, которая обусловлена отсутствием в схеме измерения отрицательной обратной связи с измерительным мостом, управляемых терморезисторов, следовательно, отсутствием автоматического управления измерительной системой.
Известно также устройство для измерения разности температур, наиболее близкое к предлагаемому изобретению (SU 1673880 А1, G 01 К 7/32, 3/08) авторов В.С.Москалева и А.А.Леонова, опубликованное 30.08.91 в бюл. №32), содержащее два терморезистора, включенных в смежные плечи электрического моста, к измерительной диагонали которого подключены входы первого дифференциального усилителя, генератор частоты с термочувствительным пьезоэлектрическим резонатором, размещенным в рабочей камере термостата, с расположенными в ней холодными спаями термоэлектрической батареи, горячие спаи которой расположены на радиаторе термостата, второй электрический мост, в одно из плеч которого включен терморезистор, расположенный в рабочей камере термостата, а к измерительной диагонали подключены входы второго дифференциального усилителя, выход которого соединен с термоэлектрической батареей и измерительный прибор, а также дополнительная термоэлектрическая батарея, генератор частоты с термочувствительным пьезоэлектрическим резонатором и преобразователь частоты, входы которого соединены с выходами обоих генераторов частоты, а выход подключен к измерительному прибору, причем один из пьезоэлектрических резонаторов установлен на охлаждающей, а другой – на нагревающей поверхности термоэлектрической батареи, которая расположена в рабочей камере термостата и соединена с выходом первого дифференциального усилителя.
Недостатком является также низкая точность измерений из-за отсутствия в мостовой схеме измерения управляемых резисторов и отрицательной обратной связи на измерительный мост, которая обеспечивает автоматическое управление системой.
Технической задачей предлагаемого изобретения является повышение точности измерений путем введения в схему отрицательной обратной связи на управляемый резистор измерительного моста, обеспечивая автоматическое управление измерительной системой.
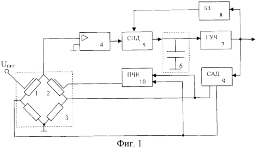
На фиг.1 представлена структурная схема устройства для измерения разности температур.
Сущность предлагаемого изобретения заключается в следующем. Устройство содержит терморезисторы 1 и 2, управляемые потенциалом на изолированном электроде, которые включены в плечи электрического моста 3, к измерительной диагонали которого последовательно подключены входы усилителя 4, селектируемый пиковый детектор 5. запоминающий конденсатор 6, генератор управляемой частоты 7, к выходу которого подключены блок задержки 8, стандартизатор амплитуды и длительности импульсов 9, подключенный своим выходом к диагонали питания моста 3 и соединенный с входом преобразователя частоты в напряжение 10, выход которого связан с управляющим электродом терморезистора 2, при этом выход блока задержки 8 соединен с входом управления селектируемого пикового детектора 5, а выход генератора управляемой частоты 7 связан с выходом устройства.
На фиг.2 представлена структура управляемого терморезистора 2. Терморезистор выполнен по стандартной планарной технологии на кремниевой подложке 1 n – типа проводимости, легированной фосфором. В качестве диэлектрика используется оксид кремния SiO2 2, электроды 3 выполнены напылением в вакууме алюминия.
Устройство работает следующим образом.
При равенстве температур контролируемых объектов Т1=Т2 сопротивления терморезисторов 1 и 2 имеют значения, при которых мост 3 сбалансирован, при этом на входах усилителя 4 разность потенциалов равна нулю, при Т1>Т2 мост разбалансирован. Напряжение разбаланса моста поступает на вход усилителя 4. Пиковый детектор 5 преобразует усиленное импульсное напряжение в постоянное, равное амплитуде импульса, которое запоминается конденсатором 6. Постоянное напряжение с конденсатора 6 управляет частотой генератора импульсов 7. Выходные импульсы этого генератора формируются по длительности и амплитуде с помощью стандартизатора амплитуды и длительности 9, которые поступают на преобразователь частоты в напряжение 10, выход которого соединен с затвором управляемого терморезистора 2, а также питает мостовую схему 3. Усилитель 4, селектируемый пиковый детектор 5, конденсатор 6, генератор управляемой частоты 7 охвачены петлей обратной связи.
Предложенный преобразователь представляет собой следящую систему автоматическою управления.
Таким образом, введение отрицательной обратной связи в схему измерения и применение управляемого терморезистора 2 позволяет значительно повысить точность измерений разности температур по сравнению с прототипом.
Формула изобретения
Устройство для измерения разности температур, содержащее два терморезистора, включенных в плечи электрического моста, к измерительной диагонали которого подключены входы усилителя, отличающееся тем, что в него введены последовательно соединенные следящий пиковый детектор, запоминающий конденсатор, генератор управляемой частоты, стандартизатор амплитуды и длительности импульсов, преобразователь частоты в напряжение, причем вход селектируемого пикового детектора соединен с выходом усилителя, а выход преобразователя частоты в напряжение связан с изолированным управляющим электродом терморезистора, выход стандартизатора амплитуды и длительности импульсов подключен к диагонали питания моста, при этом выход генератора управляемой частоты через блок задержки соединен с входом управления селектируемого пикового детектора и связан с выходом устройства.
РИСУНКИ
MM4A Досрочное прекращение действия патента Российской Федерации на изобретение из-за неуплаты в установленный срок пошлины за поддержание патента в силе
Дата прекращения действия патента: 18.12.2005
Извещение опубликовано: 27.01.2007 БИ: 03/2007
|
|