|
|
(21), (22) Заявка: 2004103510/04, 09.02.2004
(24) Дата начала отсчета срока действия патента:
09.02.2004
(45) Опубликовано: 20.06.2005
(56) Список документов, цитированных в отчете о поиске:
ПЛАНОВСКИЙ А.Н., НИКОЛАЕВ П.И. Процессы и аппараты химической и нефтехимической технологии. М.: Химия, 1987, с. 282-283. РУМЯНЦЕВ О.В. Оборудование цехов синтеза высокого давления в азотной промышленности. М.: Химия, с. 61-62. RU 2087178 С1, 20.08.1997.
Адрес для переписки:
109377, Москва, ул. Зеленодольская, 11, кв.93, В.Г. Цегельскому
|
(72) Автор(ы):
Цегельский В.Г. (RU), Жидков М.А. (RU)
(73) Патентообладатель(и):
ООО “Техновакуум” (RU)
|
(54) СПОСОБ ПЕРЕРАБОТКИ УГЛЕВОДОРОДОВ (ВАРИАНТЫ)
(57) Реферат:
Изобретение относится к нефтепереработке, преимущественно к способам разделения углеводородов при стабилизации бензина или продуктов переработки синтез-газа. Способ переработки углеводородов по первому варианту включает подачу жидких углеводородов в ректификационную колонну, отвод из нижней ее части остатка и с верхней части – парогазовой фазы, которую охлаждают в холодильнике-конденсаторе и частично конденсируют. Полученную газожидкостную смесь разделяют на конденсат и обедненную паром парогазовую фазу. Затем часть конденсата в качестве флегмы подают в ректификационную колонну, а другую часть конденсата в качестве дистиллята выводят по назначению. При этом обедненную паром парогазовую фазу направляют в рекуперативный теплообменник и после конденсации части парогазовой фазы отделяют полученный конденсат. Отдельную газовую фазу направляют в вихревую трубу с ее разделением на холодный и горячий потоки. При этом холодный поток направляют в рекуперативный теплообменник в качестве охлаждающей среды. Нагретый в рекуперативном теплообменнике холодный поток и горячий поток выводят по назначению, а конденсат из сепаратора смешивают с выводимым дистиллятом. По второму варианту способ включает подачу синтез-газа в колонну синтеза и отвод из нее смеси газов, содержащей продукт синтеза и непрореагировавший синтез-газ. Смесь газов направляют в холодильник-конденсатор, в котором конденсируют продукт синтеза, после чего разделяют смесь на конденсат и парогазовую фазу. Конденсат выводят по назначению. Одну часть парогазовой фазы используют как продувочный газ, а другую часть возвращают в колонну синтеза на повторную обработку. При этом продувочный газ направляют в рекуперативный теплообменник, в котором конденсируют часть продувочного газа, а затем отделяют конденсат от газовой фазы. Полученную газовую фазу направляют в вихревую трубу, где газовую фазу разделяют на холодный и горячий потоки. Холодный поток направляют в рекуперативный теплообменник в качестве среды, охлаждающей продувочный газ. Нагретый в теплообменнике холодный поток и горячий поток выводят по назначению. Конденсат продувочного газа из сепаратора выводят потребителю. Технический результат – повышение эффективности переработки углеводородов путем снижения потерь продуктов при их разделении. 2 н. и 2 з.п. ф-лы, 2 ил. 
Изобретение относится к области нефтепереработки, преимущественно к способам переработки углеводородов, в частности к способам стабилизации бензина в ректификационных колоннах и способам синтеза углеводородов, метанола и других органических соединений.
Известен способ переработки углеводородов, включающий подачу исходного сырья в ректификационную колонну, отвод из нее остатка, боковых погонов и парогазовой фазы (см. SU 910725, кл. С 10 G 7/06, 07.03.82).
Однако данный способ переработки нефти и ее продуктов требует больших затрат энергии и сложной технологической схемы для его реализации, что снижает привлекательность данного способа переработки.
Наиболее близким к одному из вариантов изобретения по технической сущности и достигаемому результату является способ переработки жидких углеводородов, включающий подачу жидких углеводородов в ректификационную колонну, отвод из нижней ее части остатка и с верхней части – парогазовой фазы, причем последнюю после выхода из колонны охлаждают в холодильнике-конденсаторе и частично конденсируют, после чего полученную газожидкостную смесь разделяют на конденсат и обедненную паром парогазовую фазу, затем часть конденсата в качестве флегмы подают в ректификационную колонну, а другую часть конденсата в качестве дистиллята выводят по назначению (см. Плановский А.Н., Николаев П.И., Процессы и аппараты химической и нефтехимической технологии, Москва, Химия, 1987, с.282-283).
Наиболее близким к другому варианту переработки углеводородов является способ переработки углеводородов, включающий подачу синтез-газа в колонну синтеза и отвод из нее смеси газов, содержащей продукт синтеза и непрореагировавший синтез-газ, смесь газов направляют в холодильник-конденсатор, в котором конденсируют продукт синтеза, после чего разделяют смесь на конденсат продукта синтеза и парогазовую фазу, а затем этот конденсат выводят по назначению, часть парогазовой фазы выводят как продувочный газ, а другую часть возвращают в колонну синтеза на повторную обработку (см. О.В.Румянцев, Оборудование цехов синтеза высокого давления в азотной промышленности, Химия, Москва, 1970, с.61-62).
Однако одним из основных недостатков данных способов переработки углеводородов является потеря части продукта переработки углеводородов, а в тоже время достаточно высокое давление парогазовой фазы на выходе из ректификационной колонны и продувочного газа в месте его вывода в установках синтеза бесполезно дросселируется, что приводит к потере давления, как вида энергии.
Задачей, на решение которой направлено настоящее изобретение, является повышение эффективности способов переработки углеводородов путем снижения потерь продуктов переработки за счет полезного использования давления парогазовой фазы и продувочного газа после выхода их соответственно из ректификационной колонны и колонны синтеза и, как следствие, увеличение выхода дистиллята и продукта синтеза.
Указанная задача решается за счет того, что способ переработки углеводородов по первому варианту включает подачу жидких углеводородов в ректификационную колонну, отвод из нижней ее части остатка и с верхней части – парогазовой фазы, причем последнюю после выхода из колонны охлаждают в холодильнике-конденсаторе и частично конденсируют, после чего полученную газожидкостную смесь разделяют на конденсат и обедненную паром парогазовую фазу, затем часть конденсата в качестве флегмы подают в ректификационную колонну, а другую часть конденсата в качестве дистиллята выводят по назначению, при этом обедненную паром парогазовую фазу направляют в рекуперативный теплообменник, в котором путем охлаждения конденсируют часть обедненной паром парогазовой фазы, а затем отделяют полученный в рекуперативном теплообменнике конденсат от газовой фазы, после чего газовую фазу направляют в вихревую трубу с разделением в последней газовой фазы на холодный и горячий потоки, при этом холодный поток направляют в рекуперативный теплообменник в качестве среды, охлаждающей обедненную паром парогазовую фазу, после чего нагретый в рекуперативном теплообменнике холодный поток и горячий поток выводят по назначению, а конденсат из сепаратора смешивают с выводимым дистиллятом.
Обедненная паром парогазовая фаза перед подачей в рекуперативный теплообменник может быть предварительно охлаждена в дополнительном холодильнике.
Указанная задача по второму варианту решается за счет того, что способ переработки углеводородов включает подачу синтез-газа в колонну синтеза и отвод из нее смеси газов, содержащей продукт синтеза и непрореагировавший синтез-газ, смесь газов направляют в холодильник-конденсатор, в котором конденсируют продукт синтеза, после чего разделяют смесь на конденсат продукта синтеза и парогазовую фазу, а затем этот конденсат выводят по назначению, часть парогазовой фазы выводят как продувочный газ, а другую часть возвращают в колонну синтеза на повторную обработку, при этом продувочный газ направляют в рекуперативный теплообменник, в котором путем охлаждения конденсируют часть продувочного газа, а затем отделяют полученный в рекуперативном теплообменнике конденсат продувочного газа от газовой фазы, после чего газовую фазу направляют в вихревую трубу с разделением в последней газовой фазы на холодный и горячий потоки, при этом холодный поток направляют в рекуперативный теплообменник в качестве среды, охлаждающей продувочный газ, после чего нагретый в рекуперативном теплообменнике холодный поток и горячий поток выводят по назначению, а конденсат продувочного газа из сепаратора выводят потребителю.
Продувочный газ перед подачей в рекуперативный теплообменник может быть предварительно охлажден в дополнительном холодильнике.
В ходе проведенных исследований было установлено, что одним из основных недостатков способов переработки углеводородов является потеря части продуктов переработки (дистиллята и продукта синтеза), содержащихся в обедненной парогазовой фазе и в продувочном газе. Используемые холодильники не позволяют достигнуть в полной мере конденсации паров дистиллята и продукта синтеза, что приводит к потере с газовой «сдувкой» ценных углеводородов, например бензиновых фракций или продуктов синтеза. При этом давление в зоне отвода парогазовой фазы с верха ректификационной колонны может достигать 0,5 МПа – 0,8 МПа, а давление в месте вывода продувочного газа может достигать десятков МПа. Такое достаточно высокое давление парогазовой фазы и продувочного газа позволяет организовать более эффективную конденсацию продукта переработки (дистиллята и продукта синтеза) после его выхода соответственно из ректификационной колонны и колонны синтеза.
Как показал проведенный анализ, предложенный способ позволяет увеличить количество выделяемого конденсата дистиллята и продукта синтеза из парогазовой фазы и продувочного газа путем рационального использования энергии давления, соответственно обедненной паром парогазовой фазы и продувочного газа, что уменьшает потери дистиллята и продукта синтеза. Этого удалось добиться путем использования энергии давления обедненной паром парогазовой фазы и продувочного газа для их охлаждения. Как следствие, более глубокое охлаждение обедненной паром парогазовой фазы и продувочного газа позволяет интенсифицировать процесс конденсации соответственно дистиллята и продукта синтеза из обедненной паром парогазовой фазы продувочного газа и за счет этого повысить экологическую безопасность процессов переработки углеводородов. В результате на сжигание подается парогазовая фаза, в составе которой остались только относительно легкие углеводороды, что снижает содержание вредных продуктов сгорания в дымовых газах, а в случае процесса синтеза в продувочном газе резко увеличивается содержание инертных, безопасных для окружающей среды газов.
Таким образом, удалось добиться выполнения поставленной в изобретении задачи – повышение эффективности процессов переработки углеводородов путем снижения потерь дистиллята и продукта синтеза за счет использования давления обедненной паром парогазовой фазы и продувочного газа после выхода последних соответственно из ректификационной колонны и колонны синтеза. Одновременно повысилась экологическая безопасность процесса переработки углеводородов.
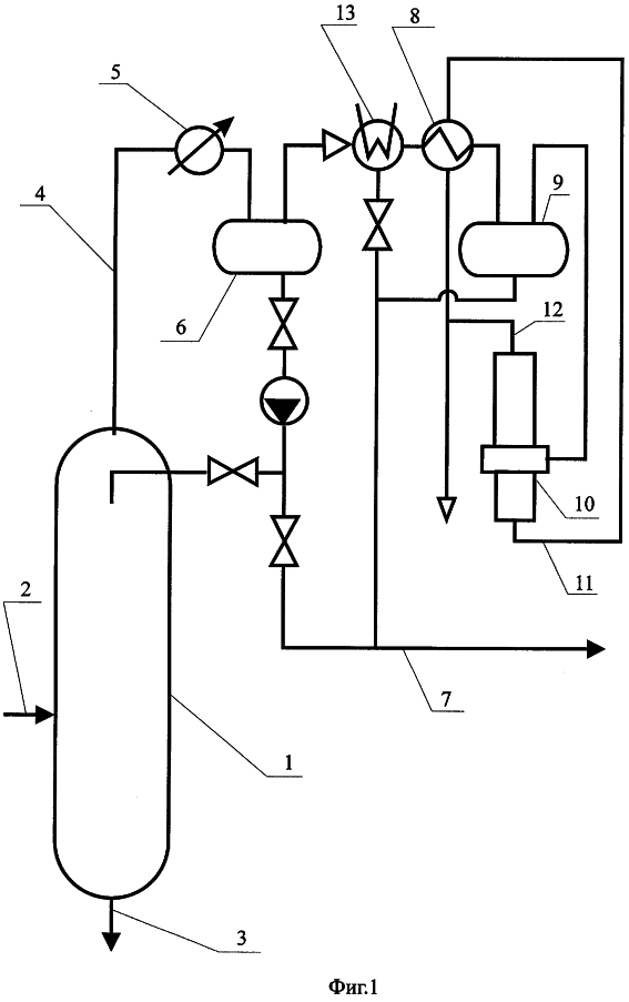
На фиг.1 представлена принципиальная схема установки, в которой реализуется описываемый способ переработки жидких углеводородов путем их перегонки, а на фиг.2 представлена принципиальная схема установки переработки синтез-газа.
Установка переработки углеводородов путем их перегонки (см. фиг.1) содержит ректификационную колонну 1 с подключенными к ней трубопроводом 2 подвода жидких углеводородов, трубопроводом 3 отвода остатка и трубопроводом 4 отвода парогазовой фазы. Последний подключен через холодильник-конденсатор 5 к сепаратору-дефлегматору 6, который выходом из него конденсата подключен к верху ректификационной колонны 1 и трубопроводу 7 отвода дистиллята, а выходом обедненной паром парогазовой фазы – к рекуперативному теплообменнику 8, который, в свою очередь, подключен к сепаратору 9. Сепаратор 9 выходом конденсата подключен к трубопроводу 7 отвода дистиллята, а выходом газовой фазы – к вихревой трубе 10 с подключенными к ней трубопроводами 11 и 12 соответственно отвода холодного и горячего потоков. При этом трубопровод 11 отвода холодного потока подключен к рекуперативному теплообменнику 8. Установка может быть снабжена дополнительным холодильником 13, установленным перед рекуперативным теплообменником 8.
Установка для переработки углеводородов, в частности синтез-газа, содержит колонну синтеза 14 с подключенными к ней трубопроводом 15 подачи синтез-газа и трубопроводом 16 отвода смеси газов, который подключен через холодильник-конденсатор 17 к сепаратору 18 синтез-газа. Сепаратор 18 синтез-газа выходом конденсата продукта синтеза подключен к трубопроводу 19 отвода продукта синтеза, а выходом парогазовой фазы – к колонне синтеза 14 со стороны ввода в нее синтез-газа, например, при помощи трубопровода 27. Кроме того, выход парогазовой фазы из сепаратора 18 синтез-газа подключен к трубопроводу 20 отвода продувочного газа, который, в свою очередь, через рекуперативный теплообменник 21 подключен к сепаратору 22 продувочного газа. Сепаратор 22 выходом конденсата продувочного газа подключен к трубопроводу 19 отвода продукта синтеза, а выходом газовой фазы – к вихревой трубе 23 с трубопроводами 24 и 25 соответственно отвода холодного и горячего потоков газовой фазы. Трубопровод 24 отвода холодного потока газовой фазы подключен к рекуперативному теплообменнику 21. Установка может быть снабжена дополнительным холодильником 26, установленным перед рекуперативным теплообменником 21.
Описываемый способ переработки углеводородов, например перегонки жидких углеводородов, реализуется следующим образом. Жидкие углеводороды нагревают и подают по трубопроводу 2 в ректификационную колонну 1. Из нижней части ректификационной колонны по трубопроводу 3 отводят остаток, а по трубопроводу 4 отводят парогазовую фазу. Последнюю после выхода из колонны 1 охлаждают в холодильнике-конденсаторе 5 и частично конденсируют. После этого полученную газожидкостную смесь в сепараторе 6 разделяют на конденсат и обедненную паром парогазовую фазу. Затем часть конденсата в качестве флегмы подают в ректификационную колонну 1, а другую часть конденсата в качестве дистиллята по трубопроводу 7 выводят из установки переработки углеводородов по назначению, например в резервуары для хранения дистиллята. Обедненную паром парогазовую фазу из сепаратора 6 направляют в рекуперативный теплообменник 8, в котором путем охлаждения конденсируют часть обедненной паром парогазовой фазы. Затем в сепараторе 9 отделяют полученный в рекуперативном теплообменнике 8 конденсат от газовой фазы, после чего газовую фазу направляют в вихревую трубу 10 с разделением в последней газовой фазы на холодный и горячий потоки. Холодный поток по трубопроводу 11 направляют в рекуперативный теплообменник 8 в качестве среды, охлаждающей обедненную паром парогазовую фазу. Нагретый в рекуперативном теплообменнике 8 холодный поток и горячий поток по трубопроводу 12 выводят по назначению, например в качестве топлива в печи котельной установки. Конденсат из сепаратора 9, который представляет собой конденсат дистиллята, направляют в трубопровод 7 отвода дистиллята и смешивают с выводимым дистиллятом. Процессы, протекающие в рекуперативном теплообменнике 8 и сепараторе 9, могут реализовываться в одном устройстве, например в модернизированном рекуперативном теплообменнике 8. При этом в этом теплообменнике 8 за счет охлаждения будет происходить не только процесс конденсации части обедненной паром парогазовой фазы, но и отделение конденсата от газовой фазы. Обедненная паром парогазовая фаза перед подачей в рекуперативный теплообменник 8 может быть предварительно охлаждена в дополнительном холодильнике 13. Данная процедура охлаждения может быть необходима при работе в жарких условиях, например в летний период.
В случае реализации второго варианта способа переработки углеводородов в колонну синтеза 14 подают по трубопроводу 15 синтез-газ и отводят из нее по трубопроводу 16 смесь газов, содержащую продукт синтеза и непрореагировавший синтез-газ. Смесь газов направляют в холодильник-конденсатор 17, в котором конденсируют продукт синтеза. После этого в сепараторе 18 разделяют смесь на конденсат продукта синтеза и парогазовую фазу. Этот конденсат по трубопроводу 19 выводят из установки по назначению, например в резервуар для хранения продукта синтеза. Часть парогазовой фазы из сепаратора 18 выводят как продувочный газ по трубопроводу 20, а другую часть возвращают в колонну синтеза 14, например, по трубопроводу 27 на повторную переработку. Продувочный газ по трубопроводу 20 направляют в рекуперативный теплообменник 21, в котором путем охлаждения конденсируют часть продувочного газа. Затем в сепараторе 22 отделяют полученный в рекуперативном теплообменнике 21 конденсат продувочного газа от газовой фазы, после чего газовую фазу направляют в вихревую трубу 23 с разделением в последней газовой фазы на холодный и горячий потоки. Холодный поток по трубопроводу 24 направляют в рекуперативный теплообменник 21 в качестве среды, охлаждающей продувочный газ, после чего нагретый в рекуперативном теплообменнике 21 холодный поток и горячий поток по трубопроводу 25 выводят по назначению, например в систему его сжигания в котельной установке, а конденсат продувочного газа (продукт синтеза колонны синтеза 14) из сепаратора 22 выводят по назначению, например в трубопровод 19. Процессы, протекающие в рекуперативном теплообменнике 21 и сепараторе 22, могут реализовываться в одном устройстве, например в модернизированном рекуперативном теплообменнике 21. При этом в этом рекуперативном теплообменнике 21 за счет охлаждения будет происходить не только процесс конденсации части продувочного газа, но и отделение (сепарация) образованного конденсата от газовой фазы. Продувочный газ перед подачей в рекуперативный теплообменник 21 может быть предварительно охлажден в дополнительном холодильнике 26. Данная процедура охлаждения может быть необходима при работе в жарких условиях, например в летний период.
Настоящее изобретение может быть использовано в химической и нефтегазовой промышленности при перегонке нефти и нефтепродуктов, а также при синтезе аммиака, метанола и других продуктов химической промышленности.
Формула изобретения
1. Способ переработки углеводородов, включающий подачу жидких углеводородов в ректификационную колонну, отвод из нижней ее части остатка и с верхней части – парогазовой фазы, причем последнюю после выхода из колонны охлаждают в холодильнике-конденсаторе и частично конденсируют, после чего полученную газожидкостную смесь разделяют на конденсат и обедненную паром парогазовую фазу, затем часть конденсата в качестве флегмы подают в ректификационную колонну, а другую часть конденсата в качестве дистиллята выводят по назначению, отличающийся тем, что обедненную паром парогазовую фазу направляют в рекуперативный теплообменник, в котором путем охлаждения конденсируют часть обедненной паром парогазовой фазы, а затем отделяют полученный в рекуперативном теплообменнике конденсат от газовой фазы, после чего газовую фазу направляют в вихревую трубу с разделением в последней газовой фазы на холодный и горячий потоки, при этом холодный поток направляют в рекуперативный теплообменник в качестве среды охлаждающей обедненную паром парогазовую фазу, после чего нагретый в рекуперативном теплообменнике холодный поток и горячий поток выводят по назначению, а конденсат из сепаратора смешивают с выводимым дистиллятом.
2. Способ по п.1, отличающийся тем, что обедненную паром парогазовую фазу перед подачей в рекуперативный теплообменник предварительно охлаждают в дополнительном холодильнике.
3. Способ переработки углеводородов, включающий подачу синтез-газа в колонну синтеза и отвод из нее смеси газов, содержащей продукт синтеза и непрореагировавший синтез-газ, смесь газов направляют в холодильник-конденсатор, в котором конденсируют продукт синтеза, после чего разделяют смесь на конденсат продукта синтеза и парогазовую фазу, а затем этот конденсат выводят по назначению, часть парогазовой фазы выводят как продувочный газ, а другую часть возвращают в колонну синтеза на повторную обработку, отличающийся тем, что продувочный газ направляют в рекуперативный теплообменник, в котором путем охлаждения конденсируют часть продувочного газа, а затем отделяют полученный в рекуперативном теплообменнике конденсат продувочного газа от газовой фазы, после чего газовую фазу направляют в вихревую трубу с разделением в последней газовой фазы на холодный и горячий потоки, при этом холодный поток направляют в рекуперативный теплообменник в качестве среды, охлаждающей продувочный газ, после чего нагретый в рекуперативном теплообменнике холодный поток и горячий поток выводят по назначению, а конденсат продувочного газа выводят потребителю.
4. Способ по п.3, отличающийся тем, что продувочный газ перед подачей в рекуперативный теплообменник предварительно охлаждают в дополнительном холодильнике.
РИСУНКИ
MM4A – Досрочное прекращение действия патента СССР или патента Российской Федерации на изобретение из-за неуплаты в установленный срок пошлины за поддержание патента в силе
Дата прекращения действия патента: 10.02.2008
Извещение опубликовано: 27.12.2009 БИ: 36/2009
|
|