|
|
(21), (22) Заявка: 2003122602/09, 23.07.2003
(24) Дата начала отсчета срока действия патента:
23.07.2003
(43) Дата публикации заявки: 27.01.2005
(45) Опубликовано: 10.06.2005
(56) Список документов, цитированных в отчете о поиске:
RU 2173886 C1, 20.09.2001. RU 2100844 C1, 27.12.1997. WO 98/11513 A1, 19.03.1998. JP 55046178 A, 31.03.1980.
Адрес для переписки:
121165, Москва, Г-165, а/я 15, ООО “ППФ-ЮСТИС” Пат.пов. А.Е.Груниной рег. № 401
|
(72) Автор(ы):
Лисютин И.А. (RU), Ушаков А.И. (RU), Мант В.М. (RU), Матюхин И.А. (RU), Селезнев А.В. (RU), Пронин А.Н. (RU), Чурсинов В.А. (RU), Яковлев А.Н. (RU), Каракозов М.Г. (RU), Белоус А.С. (RU)
(73) Патентообладатель(и):
Открытое акционерное общество “ЭЛЕКС ПОЛЮС ТАКСИ” (RU)
|
(54) СИСТЕМА УПРАВЛЕНИЯ И КОНТРОЛЯ ПЕРЕВОЗОК ПАССАЖИРОВ НА ТАКСИ
(57) Реферат:
Система относится к средствам обеспечения управления выполнением заказов на обслуживание пассажиров такси, перевозки пассажиров и контроля за выполнением этих процессов. Технический результат заключается в обеспечении оптимального управления движением такси. Система управления и контроля перевозок пассажиров на такси содержит размещаемые на каждом такси формирователь сообщения, с которым соединены приемник GPS, счетчик текущего времени и формирователь кода состояния такси, и блок звуковой связи такси, выход формирователя сообщения через приемопередатчик связан с приемопередатчиком диспетчерского пункта, на котором размещены блок звуковой связи, блок селекции параметров, соединенный с памятью данных о такси, предназначенной для хранения текущих данных о параметрах всех работающих такси с координатами их местоположения, блок ввода данных о заказах на перевозки, процессор, блок контроля выполнения заказов, блок памяти данных о заказах на перевозки, блок сравнения, блок отображения и телефон для связи с заказчиками, а на каждом такси размещен таксометр, связанный с соответствующим входом соответствующего формирователя сообщений. 3 ил.

Система относится к средствам обеспечения управления производственными процессами, в частности управления выполнением заказов на обслуживание пассажиров такси, перевозки пассажиров и контроля за выполнением этих процессов.
Известны системы сбора и передачи сообщений о транспортных средствах, содержащие установленные на транспортном средстве приемник навигационных сигналов (GPS), блок управления, блоки памяти с информацией о транспортном средстве, устройство передачи и приема сообщений для передачи и приема информации с диспетчерского пункта. На диспетчерском пункте известные системы содержат устройство передачи и приема сообщений, блок выделения сообщений, базу данных и средство отображения (WO 98/11513 A1, G 07 С 5/00, 19.03.1998; RU 2113013 C1, G 08 G 1/01, 10.06.1998; RU 2143745 C1, G 08 С 19/12, 27.11.1999 и RU 2173885 C1, G 07 С 5/00, 20.09.2001).
Наиболее близкой по технической сущности заявленной системе является система (RU 2173885 С1, G 07 С 5/00, 20.09.2001) управления и контроля работы транспортных средств, содержащая на каждом транспортном средстве устройство, включающее формирователь сообщения, с которым соединены приемник GPS, счетчик текущего времени, формирователь кода состояния, выход формирователя сообщения через приемопередатчик связан с приемопередатчиком устройства диспетчерского пункта, на котором размещен приемопередатчик, связанный через блок селекции параметров с памятью данных, предназначенной для хранения текущих данных о параметрах всех работающих транспортных средств. В известной системе предусмотрен блок звуковой связи между диспетчером и водителями.
Техническим результатом заявленной системы является обеспечение оптимального управления движением такси к месту вызова, обеспечение возможности выбора или замены одного такси на другое при условии невозможности выполнения заказа по различным обстоятельствам, обеспечение контроля перевозок пассажиров на такси во время выполнения заказов и учета различных показателей работы каждого такси и всего парка такси по обслуживанию пассажиров.
Технический результат достигается тем, что в системе управления и контроля перевозок пассажиров на такси, содержащей на каждом такси формирователь сообщения, с которым соединены приемник GPS, счетчик текущего времени, формирователь кода состояния и блок звуковой связи такси, выход формирователя сообщения через приемопередатчик связан с приемопередатчиком диспетчерского пункта, на котором также размещены связанные с приемопередатчиком диспетчерского пункта блок звуковой связи диспетчерского пункта, предназначенный для связи с водителем каждого транспортного средства посредством блока звуковой связи такси и подключенный к соответствующему входу-выходу приемопередатчика, другой вход-выход приемопередатчика диспетчерского пункта связан через блок селекции параметров с памятью данных о такси, предназначенной для хранения текущих данных о параметрах всех работающих транспортных средств с координатами их местоположения, согласно изобретению, введены блок ввода данных о заказах на перевозки, процессор, предназначенный для осуществления управления работой диспетчерского пункта, блок контроля выполнения заказов, блок памяти данных о заказах на перевозки и блок сравнения, предназначенный для сравнения текущих координат такси с координатами адреса начала выполнения заказа на перевозку, соответствующие выходы памяти данных о такси связаны с соответствующими первыми входами блока сравнения, вторые соответствующие входы которого связаны с соответствующими выходами блока памяти для хранения данных о заказах на перевозки, выход указанного блока сравнения соединен с формирователем данных о выбранном для выполнения заказа такси, один выход блока ввода данных о заказах непосредственно, а другой через преобразователь адресов заказа в координаты их местоположения подключен к блоку памяти данных о заказах на перевозки, блок контроля выполнения заказов на перевозки одними входами связан с соответствующими выходами памяти данных о такси, другими входами связан с соответствующими выходами блока памяти данных о заказах на перевозки, входы которого связаны с выходами блока контроля выполнения заказов, выходы памяти данных о такси также связаны с блоком отображения, процессор связан шинами данных и управления с памятью данных о такси, блоком памяти данных о заказах на перевозки, блоком сравнения, блоком ввода данных о заказах на перевозки, блоком отображения и блоком контроля выполнения заказов, на диспетчерском пункте также установлен телефон для связи с заказчиками, а на каждом такси размещен таксометр, связанный с соответствующим входом соответствующего формирователя сообщений.
Система иллюстрируется чертежами.
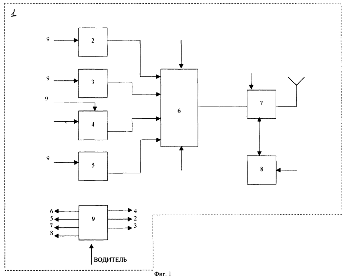
На фиг.1 приведена функциональная схема устройства системы, размещенная на каждом транспортном средстве (такси), входящем в состав системы, на фиг.2 приведена функциональная схема устройства диспетчерского пункта заявленной системы, на фиг.3 приведена функциональная схема блока контроля выполнения заказов.
Устройство 1 системы, размещенное на такси, содержит (фиг.1) приемник 2 GPS, предназначенный для приема координат местоположения такси и выдачи сигналов координат для последующей передачи на диспетчерский пункт 11, счетчик 3 текущего времени для передачи данных о времени тех или иных событий на такси, формирователь 4 кода состояния такси с датчиками состояния сиденья пассажиров, таксометр 5, все вышеперечисленные блоки 2-5 связаны с формирователем 6 сообщения, к которому подключены элементы памяти (на чертеже не показаны) с данными о номере транспортного средства и фамилии водителя.
Указанные элементы памяти выполнены с возможностью изменения номера транспортного средства и фамилии водителя в случае необходимости их замены.
Выход формирователя 6 соединен с первым входом-выходом приемопередатчика 7. На транспортном средстве установлен блок 8 звуковой связи такси, предназначенный для звуковой связи между водителем такси и диспетчером на диспетчерском пункте. Приемопередатчик 7 выполнен с возможностью приема и передачи кодовых сообщений по каналам связи между ним и диспетчерским пунктом. Все блоки 2-8 устройства связаны с устройством 9 управления, предназначенным для включения блоков и управления режимами их работы, как будет описано ниже.
На фиг.2 приведена функциональная схема устройства диспетчерского пункта. Устройство 11 диспетчерского пункта включает приемопередатчик 12, один вход-выход которого соединен с блоком 13 селекции параметров. Блок 34 звуковой связи выполнен с возможностью связи между ним и блоками 8 звуковой связи такси. Блок 13 предназначен для выделения в каждой кодовой посылке, поступившей из приемопередатчика 12, номера транспортного средства и параметров его работы, сформированных формирователями 6, установленными на транспортных средствах (такси). Выделенные кодовые посылки поступают в память 15 данных о такси. Память 15 предусматривает хранение данных о всех параметрах работы по всем такси, задействованным в системе, в соответствующих элементах 14 памяти и данных о их текущих координатах.
Устройство 11 содержит блок 21 памяти данных по всем обслуживаемым в системе заказам.
Выходы соответствующих элементов 14 памяти связаны по шинам 19 и 20 с одними входами блока 22 сравнения, предназначенного для сравнения координат текущего местоположения транспортных средств, поступающих из элементов 14 памяти, и координат места начала выполнения заказа из блока 21 памяти данных, т.е. места подачи такси, поступающих на другой вход блока 22 сравнения.
Текущие координаты всех работающих такси поступают со своими номерами также в блок 16 отображения, предназначенный для визуального воспроизведения положения каждого работающего такси на карте заданной территории и обеспечения визуального контроля диспетчером выполнения каждого заказа.
Выход блока 22 сравнения связан с формирователем 23 данных о выбранном для выполнения заказа такси. Устройство 11 диспетчерского пункта представляет собой компьютерную систему, все перечисленные блоки которой связаны по шинам управления 19 и данных 20 с процессором 17, предназначенным для осуществления управления работой заявленного диспетчерского пункта по алгоритму работы, приведенному ниже.
Устройство 11 диспетчерского пункта также включает блок 18 ввода данных о заказах на перевозки, связанный по шинам 19 и 20 с блоком 21, предназначенным для хранения данных о заказах. Выходы блока 18 ввода данных о заказах на перевозки также связаны с преобразователем 24, предназначенным для преобразования вводимых адресов заказов в координаты карты территории, на которой такси осуществляют перевозку пассажиров, и также связанным с блоком 21 памяти данных о заказах.
Устройство 11 диспетчерского пункта содержит (фиг.3) блок 25 контроля выполнения заказов, также связанный по шинам 19 и 20 со всеми блоками системы и с процессором 17.
Блок 25 содержит элементы 30 сравнения по числу заказов, при этом на первый вход каждого элемента 30 сравнения поступают от соответствующих элементов памяти 14 текущие координаты такси, обслуживающего данный заказ, а на второй вход поступают координаты места подачи такси, т.е. начала соответствующего заказа из блока 21 памяти. При совпадении координат местоположения такси и координат места начала заказа элемент 30 сравнения срабатывает и формируется сигнал об этом событии. Выходы элементов 30 сравнения подключены к одним входам элементов 26 совпадения, ко вторым входам которых подключены соответствующие элементы 14 памяти, в которых хранятся параметры состояния сиденья такси и состояния таксометра, обслуживающего данный заказ. В случае, если состояние сиденья и таксометра изменились, например, с “0” на “1”, соответствующий элемент 26 совпадения этих событий для каждого заказа срабатывает и формирует сигнал о начале обслуживания. Это сообщение передается в блок 21 памяти, в строку с записью о данных обслуживания соответствующего заказа с временем начала обслуживания. Система продолжает контроль за выполнением каждого заказа до его завершения. Для этого предусмотрена другая группа элементов 31 сравнения по числу заказов. На первый вход каждого элемента 31 сравнения поступают текущие координаты такси, обслуживающего данный заказ, от соответствующего элемента 14 памяти, а на второй вход поступают координаты места окончания маршрута, т.е. координаты места назначения-окончания заказа, из блока 21 памяти. При их совпадении соответствующие элементы 31 сравнения по каждому из заказов срабатывают и формируется сигнал о событии окончания заказа. Выходы элементов 31 сравнения подключены к одним входам элементов 27 совпадения, ко вторым входам которых подключены соответствующие элементы 14 памяти, в которых хранятся параметры состояния сиденья и таксометра такси, обслуживающего данный заказ.
В случае если состояние сиденья и таксометра изменились, например, с “1” на “0”, что соответствует тому, что пассажир вышел из такси, соответствующий элемент 26 совпадения этих событий для каждого заказа срабатывает и формирует сигнал об окончании обслуживания. Это сообщение передается в блок 21 памяти для записи данных об окончании заказа с указанием времени.
Также следует отметить, что данные о текущих координатах всех такси, поступающие через приемопередатчик 12 и блок 13 в память 15, также отображаются в блоке 16 отображения на карте территории, т.е. диспетчер может визуально следить за положением всех имеющихся такси на маршрутах.
Система работает следующим образом.
Система управляет парком такси, на которых установлены устройства 1 с формирователем 6 сообщения о такси, который формирует текущие данные о координатах такси, поступающих с приемника 2 GPS, о времени события и передачи сообщения со счетчика 3 текущего времени, с формирователя 4 о состоянии сиденья такси (свободно или с пассажиром), данные с таксометра 5 и данные о водителе и номере транспортного средства такси. Эти сообщения от каждого работающего такси через выделенный канал связи поступают в приемопередатчик 12 устройства 11 диспетчерского пункта.
Данные по каждому из полученных сообщений выделяются блоком 13 селекции параметров и запоминаются в памяти 15 в соответствующих элементах памяти 14 для каждого из параметров и для каждого транспортного средства (такси). Данные по шинам данных 19 и управления 20 под управлением процессора 17 поступают в блок 16 отображения с картой территории, на которой перемещение каждого такси визуализируется, т.е. обеспечивается возможность диспетчеру на карте блока 16 отображения следить за перемещением или остановкой каждого из контролируемых такси.
Заказ на диспетчерском пункте отрабатывается следующим образом. В устройстве диспетчерского пункта размещен телефон 33 сети общего пользования, по которому дозвонившийся заказчик сообщает данные о заказе, о времени подачи такси, об адресах места подачи такси и пункта конечного назначения. Диспетчер с помощью блока 18 ввода данных о заказах на перевозки осуществляет ввод данных об адресе начала маршрута, времени начала и месте назначения по шинам 19 и 20 в блок 21 памяти. Кроме того, поскольку система работает с координатами местоположения объектов в системе, данные об указанных заказчиком адресах преобразуются в блоке 24 преобразования адресов заказа в координаты, связанном с блоком 18 ввода данных о заказах на перевозки, и также передаются в блок 21 памяти для хранения данных о заказах, поступивших в систему. При поступлении этих данных в систему система осуществляет поиск такси, наиболее близкого к координатам начала обслуживания. Для этого в блок 22 сравнения вводятся координаты начала соответствующего заказа, а также текущие координаты всех такси, например, осуществляя их последовательное сравнение. На выходе блока 22 сравнения при совпадении заданных координат заказа с координатами такси, взятыми с некоторым допуском на время нахождения в пути к месту вызова, могут формироваться сигналы совпадения координат по нескольким номерам такси с совпавшими условиями выполнения заказа. Диспетчер выбирает один из номеров, связывается с водителем этого транспортного средства и через блоки 34 и 8 звуковой связи сообщает о параметрах заказа. Далее диспетчер сообщает заказчику номер, время и место начала заказа, обслуживания по телефону. Однако может быть ситуация, когда выбранное диспетчером транспортное средство по каким-либо причинам не может быть на месте начала заказа во время. Это определяется визуально с помощью карты блока 16 отображения и с помощью блока 22 сравнения и блока 25 контроля за выполнением заказов.
Следует пояснить, что система постоянно следит за местоположением и состоянием транспортных средств и временем подачи машины, запоминает данные в памяти 15 и отображает положение такси на карте блока 16 отображения.
Если диспетчер выявит ситуацию, приводящую к возможности невыполнения заказа выбранным транспортным средством, он вновь задает системе задание о выборе такси по этому заказу. Процедура сравнения всех текущих координат такси осуществляется с некоторым допуском, обусловленным временем пути до места начала заказа, поэтому существует разрешенная временная зона, для которой можно изменить транспортное средство для обслуживания заказа. При этом блок 22 сравнения сравнивает постоянно изменяющиеся координаты транспортных средств с координатами начала маршрута заказа, выполнение которого еще не начато. Диспетчер выявляет дополнительное транспортное средство, обеспечивающее также возможность выполнения заказа, связывается с ним и через блоки 34 и 8 звуковой связи сообщает о заказе. Водитель принимает заказ, а диспетчер уточняет с заказчиком номер такси. Диспетчер также может поставить в известность водителя такси об отмене заказа в случае, если возникли обстоятельства, препятствующие ему прибыть на место заказа во время.
Таким образом, в системе обеспечена возможность изменения номера такси при обслуживании заказчика, если произойдет какой-либо сбой (например, транспортные пробки и т.п.).
Контроль за работой и выполнением всех заказов осуществляют следующим образом. В блоке 25 контроля содержатся элементы 30 и 31 сравнения по числу заказов, которые обслуживает система. В то же время очевидно, что число элементов 30 и 31 сравнения должно быть, по крайней мере, не меньше числа всех такси на территории. Постоянно на первый вход каждого элемента 30 сравнения поступают текущие координаты транспортного средства, обслуживающего данный заказ, а на второй вход поступают координаты места подачи такси, т.е. начала заказа, выходы элементов 30 сравнения подключены к одним входам элементов 26 совпадения, ко вторым входам которых подключены элементы 14 памяти, в которых хранятся параметры состояния сиденья и таксометра такси, обслуживающего данный заказ. В случае, если состояние сиденья и таксометра изменилось, например, с “0” на “1”, соответствующий элемент 26 совпадения этих событий (совпадения координат и сигналов наличия пассажира и включения таксометра для каждого заказа) срабатывает и формирует сигнал о начале обслуживания. Это сообщение передается в блок 21 памяти, в строку с записью о данных обслуживания соответствующего заказа с временем начала обслуживания. Сигнал о начале обслуживания подается также в блок 22 сравнения для окончания выбора подходящего такси для этого заказа.
Система продолжает контроль за выполнением каждого заказа, при этом на первый вход каждого элемента 31 сравнения поступают текущие координаты транспортного средства, обслуживающего данный заказ, а на второй вход поступают координаты места окончания заказа, т.е. координаты места назначения (окончания заказа), выходы элементов 31 сравнения подключены к одним входам элементов 27 совпадения, ко вторым входам которых подключены элементы 14 памяти, в которых хранятся параметры состояния сиденья и таксометра такси, обслуживающего данный заказ.
В случае, если состояние сиденья и таксометра изменилось, например, с “1” на “0”, что соответствует тому, что пассажир вышел из такси, соответствующий элемент 26 совпадения этих событий (совпадения координат и сигналов, что пассажир покинул пассажирское место и таксометр выключен) для каждого заказа срабатывает и формирует сигнал об окончании обслуживания. Это сообщение передается в блок 21 памяти для регистрации окончания обслуживания заказа. Все данные о каждом заказе также вносятся в блок 21 памяти данных о заказах и могут быть использованы для учета и обработки.
Кроме того, поскольку на диспетчерском пункте формируются сообщения о показаниях таксометра, т.е. время включения и выключения, пробег и сведения о стоимости поездки, эти данные фиксируются в соответствующей каждому заказу области блока 21 памяти. Таким образом, можно оптимально управлять работой большим количеством транспортных средств таксопарка, увеличить количество принимаемых заказов, контролировать выполнения заказов пассажиров и перевозки, а также учитывать параметры и показатели работы каждого такси и всего парка транспортных средств в целом.
Очевидно, что приведенные примеры осуществления заявленной системы являются одним из возможных вариантов осуществления и не ограничивают другие формы воплощения в рамках заявленной системы управления и контроля.
Формула изобретения
Система управления и контроля перевозок пассажиров на такси, содержащая размещаемые на каждом такси формирователь сообщения, с которым соединены приемник GPS, счетчик текущего времени и формирователь кода состояния такси, и блок звуковой связи такси, выход формирователя сообщения через приемопередатчик связан с приемопередатчиком диспетчерского пункта, на котором также размещены связанные с приемопередатчиком диспетчерского пункта блок звуковой связи диспетчерского пункта, предназначенный для связи с каждым блоком звуковой связи такси, и блок селекции параметров, соединенный с памятью данных о такси, предназначенной для хранения текущих данных о параметрах всех работающих такси с координатами их местоположения, отличающаяся тем, что в систему введены блок ввода данных о заказах на перевозки, процессор, предназначенный для осуществления управления работой диспетчерского пункта, блок контроля выполнения заказов, блок памяти данных о заказах на перевозки и блок сравнения, предназначенный для сравнения текущих координат такси с координатами адреса начала заказа на перевозки, соответствующие выходы памяти данных о такси связаны с соответствующими первыми входами блока сравнения, вторые соответствующие входы которого связаны с соответствующими выходами блока памяти данных о заказах на перевозки, выход указанного блока сравнения соединен с формирователем данных о выбранном для выполнения заказа такси, один выход блока ввода данных о заказах на перевозки непосредственно, а другой через преобразователь адресов заказа в координаты их местоположения подключены к блоку памяти данных о заказах на перевозки, блок контроля выполнения заказов на перевозки одними входами связан с соответствующими выходами памяти данных о такси, другими входами связан с соответствующими выходами блока памяти данных о заказах на перевозки, в который передаются сообщения из блока контроля выполнения заказов, выходы памяти данных о такси связаны с блоком отображения, процессор связан по шинам данных и управления с памятью данных о такси, блоком памяти данных о заказах на перевозки, блоком сравнения, блоком ввода данных о заказах на перевозки, блоком отображения и блоком контроля выполнения заказов, на диспетчерском пункте также установлен телефон для связи с заказчиками, а на каждом такси размещен таксометр, связанный с соответствующим входом соответствующего формирователя сообщений.
РИСУНКИ
MM4A – Досрочное прекращение действия патента СССР или патента Российской Федерации на изобретение из-за неуплаты в установленный срок пошлины за поддержание патента в силе
Дата прекращения действия патента: 24.07.2006
Извещение опубликовано: 20.06.2007 БИ: 17/2007
|
|