|
|
(21), (22) Заявка: 2003135158/28, 04.12.2003
(24) Дата начала отсчета срока действия патента:
04.12.2003
(45) Опубликовано: 10.06.2005
(56) Список документов, цитированных в отчете о поиске:
SU 1472771 A1, 15.04.1989. SU 998872 A, 23.02.1983. US 4198676 A, 15.04.1980. US 5056048 A, 08.10.1991.
Адрес для переписки:
140103, Московская обл., г. Раменское, Гурьева, 2, ОАО “РПКБ”
|
(72) Автор(ы):
Баженов В.И. (RU), Будкин В.Л. (RU), Горбатенков Н.И. (RU), Федулов Н.П. (RU)
(73) Патентообладатель(и):
Открытое акционерное общество “Раменское приборостроительное конструкторское бюро” (ОАО “РПКБ”) (RU)
|
(54) УСТРОЙСТВО ДЛЯ ИЗМЕРЕНИЯ ТЕМПЕРАТУРЫ
(57) Реферат:
Изобретение относится к области измерительной техники. Устройство содержит источник тока, аналого-цифровой преобразователь, блок управления, ключи, образцовые резисторы, мультиплексор, подключенный к его входу терморезистор, генератор сигналов, счетчик, регистр, процессор. При этом образцовые резисторы подключены к входу мультиплексора через сдвоенный ключ. Выход источника тока подключен к выходу мультиплексора, к которому также подключен вход аналого-цифрового преобразователя. Входы блока управления подключены к выходу аналого-цифрового преобразователя и к первому и второму выходам генератора сигналов. Выходы блока управления подключены к входам счетчика и входу разрешения записи регистра. Выход счетчика подключен к входу данных регистра. Выходы процессора подключены к входу сдвоенного ключа и ко входу разрешения чтения регистра. Выход регистра соединен шиной данных с входом процессора. Изобретение обеспечивает повышение точности измерения температуры. 3 ил.

Изобретение относится к области измерительной техники, а именно к измерительным преобразователям температурных условий.
Известно устройство для измерения температуры [1], содержащее терморезистор, коммутатор, усилитель, аналого-цифровой преобразователь, преобразователь сопротивление-код, ключ, блок управления, образцовый резистор.
Наиболее близким по технической сущности является устройство для измерения температуры [2], содержащее источник тока, аналого-цифровой преобразователь, блок управления, ключи, первый образцовый резистор, мультиплексор, подключенный к его первому входу терморезистор.
Недостатком такого устройства для измерения температуры является погрешность измерения температуры вследствие потери информации при преобразовании и различиях разрешающей способности на верхнем и нижнем пределах измерения температуры, вызванных нелинейной функцией преобразования терморезистора.
Техническим результатом изобретения является повышение точности измерения температуры.
Данный технический результат достигается в устройстве для измерения температуры, содержащем источник тока, аналого-цифровой преобразователь, блок управления, ключи, первый образцовый резистор, мультиплексор, подключенный к его первому входу терморезистор, тем, что в него введены многофункциональный генератор сигналов, счетчик, регистр, процессор, выполненный с сопротивлением 40-60 от сопротивления первого образцового резистора второй образцовый резистор, первый ключ выполнен как сдвоенный ключ с одним замыкающим контактом и одним размыкающим контактом, первый образцовый резистор подключен к входу замыкающего контакта сдвоенного ключа, второй образцовый резистор подключен к входу размыкающего контакта сдвоенного ключа, выходы замыкающего и размыкающего контактов сдвоенного ключа соединены и подключены к второму входу мультиплексора; в источнике тока нагрузка выполнена из последовательно соединенных первого и второго резисторов, сопротивление первого резистора выполнено с отношением 4-10 к сопротивлению второго резистора, вход одного из ключей подключен к первому выводу первого резистора, выход этого ключа подключен к второму выводу первого резистора, выход источника тока подключен к выходу мультиплексора, к которому также подключен вход аналого-цифрового преобразователя, выход аналого-цифрового преобразователя подключен к первому входу блока управления, к второму входу блока управления подключен первый выход многофункционального генератора сигналов с первой частотой, по крайней мере в два раза большей максимальной частоты преобразования аналого-цифрового преобразователя, к третьему входу блока управления подключен второй выход многофункционального генератора сигналов со второй частотой, по крайней мере на два порядка меньшей первой частоты, первый выход блока управления подключен к входу счета счетчика, к входу обнуления которого подключен второй выход блока управления, выход счетчика подключен к входу данных регистра, к входу разрешения записи которого подключен третий выход блока управления, первый выход процессора подключен к управляющему входу сдвоенного ключа, второй выход процессора подключен к входу управления ключа в источнике тока, третий выход процессора подключен к входу разрешения чтения регистра, еще два выхода процессора подключены к входам селекции мультиплексора, выход регистра соединен шиной данных с входом процессора; блок управления содержит первый, второй, третий, четвертый и пятый D-триггеры, первый, второй, третий, четвертый, пятый, шестой и седьмой инверторы, первое и второе логические устройства 2И-НЕ, логическое устройство И, являющийся первым входом блока управления вход первого инвертора предназначен для подключения выхода аналого-цифрового преобразователя, выход первого инвертора подключен к сигнальному входу первого D-триггера, прямой выход которого подсоединен к сигнальному входу второго D-триггера и первому входу первого логического устройства 2И-НЕ, инверсный выход первого D-триггера подключен к первому входу логического устройства И, являющиеся вторым входом блока управления тактовый вход первого D-триггера, тактовый вход пятого D-триггера, вход второго инвертора предназначен для подключения к первому выходу многофункционального генератора сигналов, к выходу второго инвертора подключены тактовые входы второго D-триггера и четвертого D-триггера, являющийся третьим входом блока управления тактовый вход третьего D-триггера предназначен для подключения к второму выходу многофункционального генератора сигналов, выход третьего D-триггера подключен к второму входу логического устройства И, выход которого соединен с сигнальным входом четвертого D-триггера, выход четвертого D-триггера подключен к сигнальному входу пятого D-триггера и первому входу второго логического устройства 2И-НЕ, выход которого соединен с входом третьего инвертора и с входом сброса третьего D-триггера, инверсный выход второго D-триггера подсоединен к второму входу первого логического устройства 2И-НЕ, выход которого является первым выходом блока управления и предназначен для подключения к входу счета счетчика, инверсный выход пятого D-триггера подключен к второму входу второго логического устройства 2И-НЕ, выход третьего инвертора, являющийся третьим выходом блока управления и предназначенный для подключения к входу разрешения записи регистра, подключен к входу четвертого инвертора, выход которого соединен с входом пятого инвертора, выход пятого инвертора соединен с входом шестого инвертора, выход которого подключен к входу седьмого инвертора, выход седьмого инвертора является вторым выходом блока управления, предназначенным для подключения к входу обнуления счетчика.
Введение в устройство для измерения температуры многофункционального генератора сигналов, счетчика, регистра, процессора, подключение выхода аналого-цифрового преобразователя к первому входу блока управления, а первого выхода блока управления к входу счета счетчика, выполнение многофункционального генератора сигналов с первым выходом с первой частотой, по крайней мере в два раза большей максимальной частоты преобразования аналого-цифрового преобразователя, со вторым выходом со второй частотой, по крайней мере на два порядка меньшей первой частоты, подключение выходов многофункционального генератора сигналов к входам блоков управления, выполнение блока управления в составе пяти D-триггеров, семи инверторов, двух логических устройств 2И-НЕ, логического устройства И вследствие достигаемой синхронизации работы устройства для измерения температуры обеспечивает сохранение информации в процессе преобразования, что повышает точность измерения температуры.
Посредством введения второго образцового резистора и процессора, выполнения одного из ключей в виде сдвоенного ключа, выполнения сопротивления второго образцового резистора с сопротивлением 40-60 от сопротивления первого образцового резистора, выполнения нагрузки источника тока из последовательно соединенных первого и второго резисторов, выполнения сопротивления первого резистора с отношением 4-10 к сопротивлению второго резистора, подключения ключа к выводам первого резистора, подключения первого и второго образцовых резисторов к входам сдвоенного ключа, подключения соединенных вместе выходов сдвоенного ключа ко второму входу мультиплексора, подключения выхода источника тока к выходу мультиплексора обеспечивается в большей степени одинаковая разрешающая способность измерения температуры.
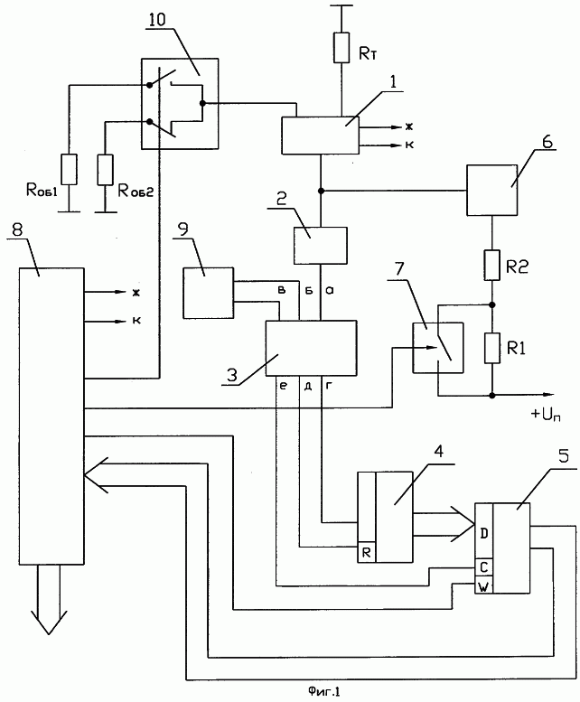
На фиг.1 представлена общая схема устройства для измерения температуры, на фиг.2 – электрическая принципиальная схема блока управления, на фиг.3 – циклограмма сигналов в устройстве для измерения температуры.
Устройство для измерения температуры (фиг.1) содержит мультиплексор 1, аналого-цифровой преобразователь 1, блок управления 3, счетчик 4, регистр 5, источник тока 6, ключ 7, процессор 8, многофункциональный генератор сигналов 9, сдвоенный ключ 10, терморезистор RT, подключенный к первому входу мультиплексора 1, первый образцовый резистор ROБ1, второй образцовый резистор ROБ2. Сопротивление второго образцового резистора RОБ2 составляет 40-60 от сопротивления первого образцового резистора RОБ1. Первый образцовый резистор RОБ1 подключен к входу замыкающего контакта сдвоенного ключа 10, второй образцовый резистор RОБ2 подключен к входу размыкающего контакта сдвоенного ключа 10. Выходы замыкающего и размыкающего контактов сдвоенного ключа 10 соединены и подключены к второму входу мультиплексора 1. В источнике тока 6 нагрузка выполнена из последовательно соединенных первого R1 и второго R2 резисторов, сопротивление первого резистора R1 выполнено с отношением 4-10 к сопротивлению второго резистора R2. Вход ключа 7 подключен к первому выводу первого резистора R1, выход ключа 7 подключен к второму выводу первого резистора R1. Выход источника тока 6 подключен к выходу мультиплексора 1, к которому также подключен вход аналого-цифрового преобразователя 2, выход аналого-цифрового преобразователя 2 подключен к первому входу “а” блока управления 3. К второму входу “б” блока управления 3 подключен первый выход многофункционального генератора сигналов 9 с первой частотой f1, по крайней мере в два раза большей максимальной частоты преобразования аналого-цифрового преобразователя 2. К третьему входу “в” блока управления 3 подключен второй выход многофункционального генератора сигналов 9 с второй частотой f2, по крайней мере на два порядка меньшей первой частоты f1. Первый выход “г” блока управления 3 подключен к входу счета счетчика 4, к входу обнуления которого подключен второй выход “д” блока управления 3. Выход счетчика 4 подключен к входу данных регистра 5, к входу разрешения записи которого подключен третий выход “е” блока управления 3. Первый выход процессора 8 подключен к управляющему входу сдвоенного ключа 10, второй выход процессора 8 подключен к входу управления ключа 7, третий выход процессора 8 подключен к входу разрешения чтения регистра 5, еще два выхода “ж” и “к” процессора 8 подключены к входам селекции мультиплексора 1. Выход регистра 5 соединен шиной данных с входом процессора 8.
Блок управления 3 (фиг.2) содержит первый 11′, второй 11″, третий 11′”, четвертый 11IV и пятый 11V D-триггеры, первый 12′, второй 12″, третий 12′”, четвертый 12IV и пятый 12V, шестой 12VI и седьмой 12VII инверторы, первое 13′ и второе 13″ логические устройства 2И-НЕ, логические устройство И 14.
Являющийся первым входом “а” блока управления 3 вход первого инвертора 12′ предназначен для подключения выхода аналого-цифрового преобразователя 2. Выход первого инвертора 12′ подключен к сигнальному входу первого D-триггера 11′, прямой выход которого подсоединен к сигнальному входу второго D-триггера 11″ и первому входу первого логического устройства 2И-НЕ 13′. Инверсный выход первого D-триггера 11′ подключен к первому входу логического устройства И 14. Являющиеся вторым входом “б” блока управления 3 тактовый вход первого D-триггера 11′, тактовый вход пятого 11V D-триггера, вход второго инвертора 12″ предназначены для подключения к первому выходу многофункционального генератора сигналов 9. К выходу второго инвертора 12″ подключены тактовые входы второго D-триггера 11″ и четвертого D-триггера 11IV. Являющийся третьим входом “в” блока управления 3 тактовый вход третьего D-триггера 11′” предназначен для подключения к второму входу многофункционального генератора сигналов 9. Выход третьего D-триггера 11′” подключен к второму входу логического устройства И 14, выход которого соединен с сигнальным входом четвертого D-триггера 11IV. Выход четвертого D-триггера 11IV подключен к сигнальному входу пятого D-триггера 11V и первому входу второго логического устройства 2И-НЕ 13″, выход которого соединен с входом третьего инвертора 12′” и с входом сброса третьего D-триггера 11′”. Инверсный выход второго D-триггера 11″ подсоединен к второму входу первого логического устройства 2И-НЕ 13′, выход которого является первым выходом “г” блока управления 3 и предназначен для подключения к входу счета счетчика 4. Инверсный выход пятого D-триггера 11V подключен к второму входу второго логического устройства 2И-НЕ 13″. Выход третьего инвертора 12′”, являющийся третьим выходом “е” блока управления 3 и предназначенный для подключения к входу разрешения записи регистра 5, подключен к входу четвертого инвертора 12IV, выход которого соединен с входом пятого инвертора 12V. Выход пятого инвертора 12V соединен с входом шестого инвертора 12VI, выход которого подключен к входу седьмого инвертора 12VII. Выход седьмого инвертора 12VII является вторым выходом “д” блока управления 3, предназначенным для подключения к входу обнуления счетчика 4.
Устройство для измерения температуры работает следующим образом. Когда к выходу мультиплексора 1 (фиг.1) подключен терморезистор RT, то протекающим через терморезистор RT током с выхода источника тока 6 создается падение напряжения, которое поступает на вход аналого-цифрового преобразователя 2, где преобразуется в частотно-импульсный сигнал, частота которого пропорциональна величине падения напряжения на терморезисторе RT.
Поступающими на вход второго инвертора 12″ и тактовый вход первого D-триггера 11′ блока управления 3 импульсами частотой f1 (фиг.3,а) с первого выхода многофункционального генератора сигналов 9 тактируются приходящие на первый вход “а” (вход первого инвертора 12′) блока управления 3 импульсы частотой f3 (фиг.3,б) с выхода аналого-цифрового преобразователя 2 так, что с первого выхода “г” блока управления 3 на вход счетчика 4 поступают импульсы частотой f3 и длительностью 1/f1 (фиг.3,г). На первый вход логического устройства И 14 с инверсного выхода первого D-триггера 11′ подаются тактированные частотой f1 импульсы частотой f3 с длительностью 2/f1 (фиг.3,д).
Импульсы частотой f2 (фиг.3,в) на тактовом входе третьего D-триггера 11″’ с второго выхода многофункционального генератора сигналов 9 на выходе третьего D-триггера 11′” преобразуются в импульсы частотой 2/f1 (фиг.3,е), которые поступают на второй вход логического устройства И14. В результате на выходе четвертого D-триггера 11IV образуются импульсы частотой f2 и длительностью 2/f1 (фиг.3,ж), а на выходе второго логического устройства 2И-НЕ 13″ и на входе сброса третьего D-триггера 11’” образуются импульсы частотой f2 и длительностью 1/f1 (фиг.3,и). В течение времени, которое определяется интервалами между импульсами с частотой f2 с выхода “е” третьего инвертора 12′” (фиг.3,к), счетчик 4 считает поступающие на его вход с первого выхода “г” блока управления 3 импульсы частотой f3 и в момент прихода очередного импульса с выхода третьего инвертора 12′” содержимое счетчика 4 переписывается в регистр 5. Количество импульсов, подсчитанное счетчиком 4, является кодом падения напряжения на резисторе RT. По приходу на вход счетчика 4 с второго выхода “д” блока управления 3 (выход седьмого инвертора 12VII) импульса (фиг.3,л), передний фронт которого отстает на t от переднего фронта импульса с третьего выхода “е” блока управления 3 вследствие запаздывания распространения импульса между третьим 12′” и седьмым 12VII инверторами, счетчик 4 обнуляется. По получении сигнала с третьего выхода процессора 8 на вход разрешения чтения регистр 5 по выходной шине передает на вход процессора 8 код температуры, определяемый кодом, переписанным из счетчика 4.
Вследствие тактирования частотой f1 импульсов с выхода аналого-цифрового преобразователя 2 в блоке управления 3 исключается пропуск поступающих на вход счетчика 4 импульсов, полученных при преобразовании в аналого-цифровом преобразователе 2. В результате повышается точность измерения температуры.
Сила тока источника тока 6 при разомкнутом ключе 7 по крайней мере на порядок меньше силы тока при замкнутом ключе 7.
При такой температуре, когда сопротивление терморезистора RT близко к его максимальному значению, ключ 7 разомкнут, протекающим через терморезистор RT с большим сопротивлением малым током от источника тока 6 на терморезисторе RT создается падение напряжения величиной, достаточной для измерения температуры с высокой разрешающей способностью.
После измерения падения напряжения на терморезисторе RT по поступающим из процессора 8 сигналам на входы селекции “ж”, “к” мультиплексора 1 к выходу мультиплексора 1 подключается второй образцовый резистр RОБ2, на большом сопротивлении которого малым протекающим током от источника тока 6 создается большое падение напряжения. После преобразования падения напряжения в код тем же самым образом, как и преобразование падения напряжения на терморезисторе RT, код падения напряжения поступает в процессор 8. По результату сравнения кодов падений напряжения на терморезисторе RT и втором образцовом резисторе RОБ2 на основании записанной в процессоре 8 функции преобразования с выхода процессора 8 поступает код температуры.
При изменении температуры, когда сопротивление терморезистора RT приближается к его минимальному значению, падение напряжения на терморезисторе RT уменьшается и, когда оно достигает установленного порогового значения, по сигналу с второго выхода процессора 8 ключ 7 замыкается, по сигналу с первого выхода процессора 8 срабатывает сдвоенный ключ 10, подключая к своему выходу первый образцовый резистор RОБ1. Теперь на малом сопротивлении терморезистора RT большим протекающим током от источника 6 создается большое падение напряжения, достаточное для измерения температуры с высокой разрешающей способностью. После подачи на входы селекции “ж”, “к” мультиплексора 1 сигналов с выходов процессора 8 к выходу мультиплексора 1 подключается первый образцовый резистор RОБ1 и на его меньшем сопротивлении, чем сопротивление второго образцового резистора RОБ2, большим током, чем при разомкнутом ключе 7, создается падение напряжения, сравнимое с падением напряжения на втором образцовом резисторе RОБ2 при вышеприведенных условиях. По результатам сравнения кодов падений напряжения на терморезисторе RT и первом образцовом резисторе RОБ1 с выхода процессора 8 поступает код измененного значения температуры. В результате обеспечивается одинаковость разрешающей способности измерения температуры в широком диапазоне изменения сопротивления терморезистора RT в диапазоне температур, что повышает точность измерения температуры.
Источники информации
1. Авторское свидетельство СССР №1362951 А1, кл. G 01 К 7/30. Устройство для измерения температуры. 1987 г.
2. Авторское свидетельство СССР №1472771 А1, кл. G 01 К 7/30. Устройство для измерения температуры. 1989 г.
Формула изобретения
Устройство для измерения температуры, содержащее источник тока, аналого-цифровой преобразователь, блок управления, ключи, первый образцовый резистор, мультиплексор, подключенный к его первому входу терморезистор, отличающееся тем, что в него введены многофункциональный генератор сигналов, счетчик, регистр, процессор, выполненный с сопротивлением 40-60 от сопротивления первого образцового резистора второй образцовый резистор, первый ключ выполнен как сдвоенный ключ с одним замыкающим контактом и одним размыкающим контактом, первый образцовый резистор подключен к входу замыкающего контакта сдвоенного ключа, второй образцовый резистор подключен к входу размыкающего контакта сдвоенного ключа, выходы замыкающего и размыкающего контактов сдвоенного ключа соединены и подключены к второму входу мультиплексора; в источнике тока нагрузка выполнена из последовательно соединенных первого и второго резисторов, сопротивление первого резистора выполнено с отношением 4-10 к сопротивлению второго резистора, вход одного из ключей подключен к первому выводу первого резистора, выход этого ключа подключен к второму выводу первого резистора, выход источника тока подключен к выходу мультиплексора, к которому также подключен вход аналого-цифрового преобразователя, выход аналого-цифрового преобразователя подключен к первому входу блока управления, к второму входу блока управления подключен первый выход многофункционального генератора сигналов с первой частотой, по крайней мере в два раза большей максимальной частоты преобразования аналого-цифрового преобразователя, к третьему входу блока управления подключен второй выход многофункционального генератора сигналов с второй частотой, по крайней мере на два порядка меньшей первой частоты, первый выход блока управления подключен к входу счета счетчика, к входу обнуления которого подключен второй выход блока управления, выход счетчика подключен к входу данных регистра, к входу разрешения записи которого подключен третий выход блока управления, первый выход процессора подключен к управляющему входу сдвоенного ключа, второй выход процессора подключен к входу управления ключа в источнике тока, третий выход процессора подключен к входу разрешения чтения регистра, еще два выхода процессора подключены к входам селекции мультиплексора, выход регистра соединен шиной данных с входом процессора; блок управления содержит первый, второй, третий, четвертый и пятый D-триггеры, первый, второй, третий, четвертый, пятый, шестой и седьмой инверторы, первое и второе логические устройства 2И-НЕ, логическое устройство И, являющийся первым входом блока управления вход первого инвертора предназначен для подключения выхода аналого-цифрового преобразователя, выход первого инвертора подключен к сигнальному входу первого D-триггера, прямой выход которого подсоединен к сигнальному входу второго D-триггера и первому входу первого логического устройства 2И-НЕ, инверсный выход первого D-триггера подключен к первому входу логического устройства И, являющиеся вторым входом блока управления тактовый вход первого D-триггера, тактовый вход пятого D-триггера, вход второго инвертора предназначены для подключения к первому выходу многофункционального генератора сигналов, к выходу второго инвертора подключены тактовые входы второго D-триггера и четвертого D-триггера, являющийся третьим входом блока управления тактовый вход третьего D-триггера предназначен для подключения к второму выходу многофункционального генератора сигналов, выход третьего D-триггера подключен к второму входу логического устройства И, выход которого соединен с сигнальным входом четвертого D-триггера, выход четвертого D-триггера подключен к сигнальному входу пятого D-триггера и первому входу второго логического устройства 2И-НЕ, выход которого соединен с входом третьего инвертора и с входом сброса третьего D-триггера, инверсный выход второго D-триггера подсоединен к второму входу первого логического устройства 2И-НЕ, выход которого является первым выходом блока управления и предназначен для подключения к входу счета счетчика, инверсный выход пятого D-триггера подключен к второму входу второго логического устройства 2И-НЕ, выход третьего инвертора, являющийся третьим выходом блока управления и предназначенный для подключения к входу разрешения записи регистра, подключен к входу четвертого инвертора, выход которого соединен с входом пятого инвертора, выход пятого инвертора соединен с входом шестого инвертора, выход которого подключен к входу седьмого инвертора, выход седьмого инвертора является вторым выходом блока управления, предназначенным для подключения к входу обнуления счетчика.
РИСУНКИ
|
|