|
|
(21), (22) Заявка: 2003117697/14, 17.06.2003
(24) Дата начала отсчета срока действия патента:
17.06.2003
(45) Опубликовано: 10.06.2005
(56) Список документов, цитированных в отчете о поиске:
RU 2077264 C1, 20.04.1997. RU 2030899 C1, 20.03.1995. RU 2203614 С1, 10.05.2003. SU 1512563 А1, 07.10.1989.
Адрес для переписки:
127642, Москва, ул. Сухонская, 1, кв.89, В.И.Иванову
|
(72) Автор(ы):
Жуков С.А. (RU), Иванов В.И. (RU)
(73) Патентообладатель(и):
Жуков Сергей Алексеевич (RU), Иванов Владимир Иванович (RU)
|
(54) СИГНАЛИЗАТОР РАННЕЙ ДИАГНОСТИКИ ГИПОГЛИКЕМИЧЕСКОГО СОСТОЯНИЯ
(57) Реферат:
Изобретение относится к медицине и может быть использовано для ранней диагностики гипогликемических состояний (ГС) у больных, страдающих сахарным диабетом, инсулиномой, гипотиреозом, гипокортицизмом и другими заболеваниями, протекающими с ГС, в лечебных учреждениях, домах престарелых и в домашних условиях. Сигнализатор содержит делитель, узел сравнения, генератор, звуковой излучатель, регулируемый источник тока, источник постоянного стабильного напряжения, узел эквивалента пота, ключевой элемент, световой излучатель, датчик проводимости с двумя электродами, первый коммутатор, узел задержки, триггер, инвертор, узел сброса, второй коммутатор, узел индикации наличия питающего напряжения. При этом первые входы узла задержки и первого коммутатора соединены с выходом узла сравнения, выход первого коммутатора соединен с первым входом генератора, узел задержки, триггер, инвертор соединены последовательно, выход инвертора соединен со вторым входом первого и второго коммутаторов, первый вход второго коммутатора соединен с другим электродом датчика проводимости, а выход через резистор соединен с корпусом. Изобретение позволяет: значительно снизить величину тока через кожу пациента после срабатывания сигнализатора с сохранением функции сигнализации, исключить негативные влияния на кожу при длительной работе сигнализатора на руке пациента во время приступа гипогликемии, обеспечить более энергосберегающий режим работы прибора и контроль готовности прибора к работе. 1 з.п. ф-лы, 4 ил.

Изобретение относится к медицине и может быть использовано для ранней диагностики гипогликемических состояний (ГС) преимущественно во время сна или отдыха у больных, страдающих сахарным диабетом (СД), инсулиномой, гипотиреозом, гипокортицизмом и другими заболеваниями, протекающими с ГС, в лечебных учреждениях, домах престарелых и в домашних условиях.
Устройство основано на фиксированной пороговой регистрации электрического сопротивления участка кожи в начальной стадии приступа гипогликемии.
Известны сигнализаторы для диагностики ГС, основанные на наложении двух электродов на участок кожи, которые фиксируют любое снижение сопротивления участка кожи пациента. К таким устройствам можно отнести, например, сигнализатор по патенту США №4, 509,531 от 09.04.1985 г.
Известное устройство не имеет технических средств для фиксации изменения сопротивления кожи, характерного для приступа ГС (возникновение потливости у некоторых категорий больных может быть вызвано рядом других причин и носить кратковременный, не нарастающий характер) и, следовательно, не позволяет избирательно диагностировать его.
Указанное обстоятельство может привести к частым ложным срабатываниям известного прибора, что может из-за нарушения сна негативно сказаться как на психоэмоциональном состоянии больного, так и на течении сахарного диабета.
Известно также устройство ранней диагностики гипогликемического состояния (патент RU 2077264 А 61 В 5/05 05.06.1992 г., опубликованный 20.04.97 г. бюл. №11), измеритель электрокожного сопротивления которого по своей технической сущности и совокупности конструктивных признаков может быть выбран в качестве прототипа.
Устройство содержит измеритель электрокожного сопротивления 1, состоящий из последовательно соединенных делителя 2, узла сравнения 3, генератора 4, звукового излучателя 5, а также регулируемого источника тока 6, источник постоянного стабильного напряжения 7, узла эквивалента пота 8, ключа 9, светового индикатора 10, датчика проводимости 11 с двумя электродами, один из которых соединен с делителем, а второй с корпусом, а также приемник аварийного звукового сигнала тревоги, обеспечивающий ретрансляцию этого сигнала на пост медицинской сестры, близким больного и т.д.
Устройство прототип работает следующим образом.
Предварительно на контролируемый участок кожи больного (например, предплечье) тампоном наносится тонким слоем 0,1-0,2 мл физиологического раствора, который эквивалентен по электропроводимости поту, выделяемому потовыми железами при гипогликемии.
На контролируемый участок кожи устанавливается измеритель таким образом, чтобы электроды датчика касались кожного покрова, после чего на измеритель подается напряжение питания. В этот момент между электродами датчика возникает электрическая цепь для прохождения тока. Величина тока зависит от проводимости участка кожи и сопротивления входной цепи. Проводимость кожи величина переменная и зависит от индивидуальных особенностей человека.
При сухой коже, что в основном характерно для больных СД, оно может быть более одного мегома. При потливости или увлажнении кожи электрическое сопротивление кожи резко изменяется в сторону уменьшения.
Проходящий ток входной цепи создает падение напряжения, которое является входным сигналом узла 3 по входу 1. С помощью регулируемого потенциометрического делителя (потенциометр делителя имеет большой диапазон регулировки сопротивления) узла 8 по входу 2 устанавливается значение напряжения, равное напряжению по входу 1 узла 3.
При выравнивании сигналов по обоим входам (что эквивалентно измерению проводимости кожи на данном участке) на выходе узла 3 появляется положительный перепад напряжения, который обеспечивает запуск генератора 4.
При этом срабатывает звуковой излучатель 5 и засвечивается мигающим светом световой индикатор 10. Срабатывание измерителя соответствует прогнозируемому состоянию начала приступа ГС, присущего конкретному больному СД.
В узле 8 (за счет потенциометрического делителя) фиксируется (запоминается) значение сопротивления, пропорциональное проводимости участка кожи, смоченного физиологическим раствором. После чего прибор снимается и удаляются слой физиологического раствора с кожи и остатки его с датчика 11. При удалении слоя раствора цепь электродов датчика разрывается, что приводит к перебрасыванию узла 3 в исходное состояние.
После этого измеритель вновь устанавливают на контролируемый участок кожи. Далее работа устройства происходит автоматически в ждущем режиме. При этом по входной цепи (вход 1) узла 3 происходят текущее слежение за проводимостью участка кожи и сравнение его с фиксированной (запомненной) величиной напряжения уже по входу 2.
В случае начала потоотделения у больного, находящегося под контролем, начинает уменьшаться сопротивление кожи. При этом обязательно наступает момент, когда потенциалы по обоим входам (входы 1 и 2) узла 3 выравниваются, и измеритель выдает звуковой и световой сигналы тревоги. Звуковой сигнал тревоги улавливается анализатором (приемником) и ретранслируется на пост дежурного. При слабом, не характерном для гипогликемии поте, потенциалы по обоим входам будут различны и измеритель не сработает.
При срабатывании прибора он должен быть снят с предплечья пациента до принятия мер по купированию приступа. После оказания необходимой медицинской помощи и ликвидации клинических признаков ГС измеритель может быть повторно использован без дополнительной регулировки.
Устройство по патенту 2077264, хотя и решает поставленную задачу по ранней диагностике ГС, в то же время имеет ряд недостатков.
Например, при несвоевременном снятии измерителя при его срабатывании (такая ситуация может возникнуть из-за невнимательности медперсонала или близких людей, ухаживающих за больным, при глубоком сне больного или потери им сознания) действие электрических факторов у определенной категории больных может усиливаться и негативно влиять на кожу пациента. Как уже подчеркивалось выше, при дальнейшем увеличении потливости резко уменьшается проводимость кожи и, следовательно, увеличивается протекающий через электроды ток, что небезопасно для больного. Указанное обстоятельство приводит также к повышению потребления электроэнергии измерителем.
Техническим результатом предложенного решения является повышение безопасности устройства, а также снижение его электропотребления.
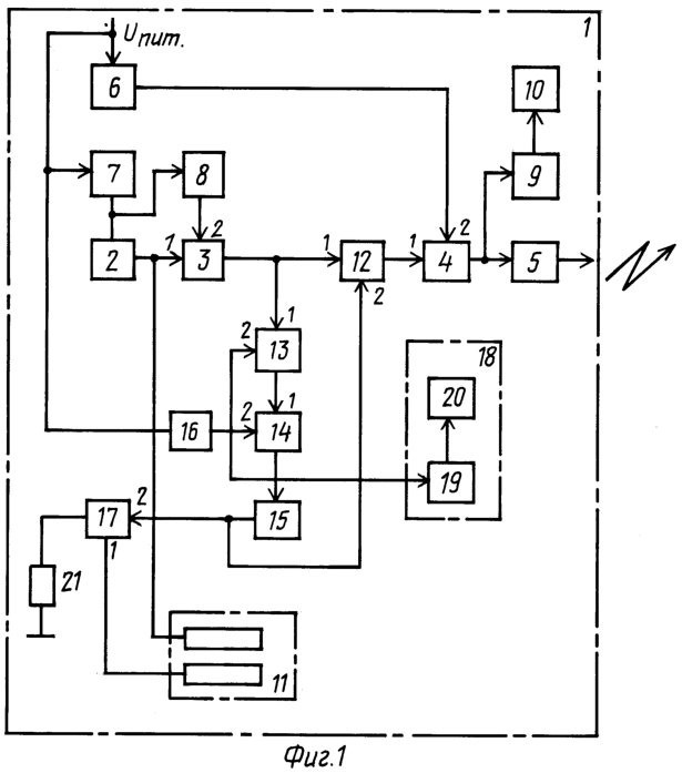
Структурная схема устройства приведена на фиг.1.
На фиг.2-4 представлены:
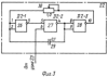
на фиг.2 – схема узла задержки 13;
на фиг.3 – схема генератора узла 13;
на фиг.4 – вариант схемы подключения коммутаторов 12 и 17.
Предлагаемый сигнализатор 1 содержит датчик проводимости с двумя электродами 11, последовательно соединенные источник постоянного стабильного напряжения 7, делитель 2, узел сравнения 3, первый коммутатор 12, генератор 4, звуковой излучатель 5, последовательно подключенные узел задержки 13, первый триггер 14, первый инвертор 15, второй коммутатор 17, выход которого через резистор 21 соединен с корпусом, последовательно соединенные ключевой элемент 9 и световой излучатель 10, а также регулируемый источник тока 6, выход которого подключен ко второму входу генератора 4, узел эквивалента пота 8, выполненный в виде потенциометрического делителя, вход которого соединен с выходом источника постоянного стабильного напряжения 7 и входом делителя 2, а выход со вторым входом узла сравнения 3, узел сброса 16, вход которого соединен с источником питания и входом источника постоянного стабильного напряжения 7, а выход со вторыми входами узла задержки 13, первого триггера 14 и входом узла индикации наличия питающего напряжения 18. При этом первый вход узла задержки соединен с выходом узла сравнения 3, второй вход первого коммутатора 12 подключен к выходу первого инвертора 15, один из электродов датчика 11 соединен с выходом делителя 2, а другой с первым входом второго коммутатора 17.
В предпочтительном варианте выполнения заявленного устройства отдельные его узлы имеют следующую структуру: узел задержки 13 (фиг.2) содержит генератор 22, второй триггер 23, 14-ти разрядный счетчик 24, второй инвертор 25 и предназначен для формирования команды управления первым 12 и вторым 17 коммутатором по сигналу с выхода узла сравнения 3. Команда формируется с задержкой 10-15 секунд. Время задержки определено экспериментально и характеризует устойчивую динамику изменения кожного сопротивления с момента появления потливости. Время задержки определяется частотой импульсов RC генератора (фиг.3). Данное время устанавливается потенциометром 30.
Генератор 22 (фиг.3) состоит из двух инверторов 26, 28, элемента И-НЕ 27 и элементов время задающей цепи 29, 30.
Особенностью выполнения схемы генератора является связь по второму входу элемента И-НЕ со счетчиком 24 через инвертор 25.
В результате после заполнения счетчика 24 на второй вход элемента И-НЕ 27 поступает “Лог 0” и генерация импульсов прекращается. Узел сброса 16 в простейшем случае может быть выполнен в виде кнопки, зашунтированной конденсатором емкостью 0,1 мкФ (конденсатор установлен для устранения дребезга). Кнопка подключена к источнику питания прибора и выполняет при ее нажатии двоякую функцию:
– обеспечивает подачу на вторые входы узлов 13 и 14 (см. фиг.1) напряжения, равного уровню “Лог 1”, что приводит к их перебросу в исходное состояние;
– обеспечивает контроль подачи питающего напряжения на сигнализатор.
Узел индикации питающего напряжения 18 состоит из ключевого элемента 19, нагрузкой которого является световой индикатор 20. При нажатии кнопки узла сброса напряжение источника питания поступает на вход ключевого элемента, который срабатывает и засвечивает светодиод 20, сигнализируя о подаче напряжения на прибор.
Назначение коммутаторов (см. фиг.4) заключается в следующем: коммутатор 17 обеспечивает отключение входной (вход 1) цепи узла сравнения 3. В исходном состоянии он имеет малое входное сопротивление, практически не влияющее на проводимость кожи. При его срабатывании входное сопротивление резко увеличивается (порядка нескольких Мом), что вызывает отключение датчика 11 и переброс узла сравнения 3. Указанное обстоятельство приводит к тому, что ток через кожу пациента после срабатывания сигнализатора практически прекращается, чем устраняется его негативное воздействие на кожу, а также приводит к снижению потребления электропитания.
Коммутатор 12 обеспечивает самоблокировку генератора 4 путем разрыва цепи выхода узла сравнения 3 и входа генератора 4 (выводы микросхемы 5, 6 размыкаются) и подключении резистора R32 (выводы микросхемы 1, 2 замыкаются) ко входу 1 генератора 4.
С помощью резистора R32 обеспечивается формирование уровня “Лог 1” на входе генератора 4, что необходимо для устойчивой его работы в режиме самоблокирования. При отсутствии коммутатора 12 и резистора R 32 самоблокировки не произойдет, т.к. входная цепь узла сравнения 3 отключена коммутатором 17 и, следовательно, отсутствует перепад положительного напряжения, запускающего генератор.
Управляющим сигналом для обоих коммутаторов является сигнал с выхода узла 15 в виде “Лог 1”, поступающий на входы 2 (см. фиг.1, 4).
Конструкция датчика 11 может быть выполнена аналогично датчику известного решения. Анализатор (приемник) сигнала тревоги, излучаемого узлом 5, может быть выполнен по структурной схеме прототипа.
Следует отметить, что сигнализатор может быть реализован на микросхемах большей степени интеграции (БИС), но при обязательном сохранении структуры описанного выше предпочтительного варианта. В таком случае прибор может иметь достаточно малые габариты.
Работа заявленного устройства состоит из двух этапов:
1. Предварительная подготовка, заключающаяся в нанесении на контролируемый участок кожи предплечья физиологического раствора (в домашних условиях возможно применение однопроцентного раствора натрия хлорида) с последующей установкой сигнализатора на контролируемый участок кожи больного и соответствующей регулировкой потенциала по входу 2 узла сравнения 3 по отношению ко входу 1;
2. Режим контроля за больным (ждущий режим), когда осуществляется автоматическое слежение за проводимостью участка кожи (вход 1 узла 3) и сравнение его с фиксированной величиной потенциала (вход 2 узла сравнения 3).
Работа устройства на первом этапе происходит следующим образом. На контролируемый участок кожи больного наносится слой физиологического раствора по технологии, описанной в патенте 2077264.
После этого на контролируемый участок кожи устанавливается сигнализатор таким образом, чтобы электроды датчика 11 касались кожного покрова.
После включения питающего напряжения, нажатием кнопки узла сброса 16, сигнализатор устанавливается в рабочее состояние. При этом через триггер 23 обнуляется счетчик 24 узла задержки 13, а триггер 14 устанавливается в исходное состояние. Одновременно подается питание на ключевой элемент 19 узла индикации 18, который срабатывая, кратковременно засвечивает световой индикатор 20, что свидетельствует о готовности сигнализатора к работе.
В первоначальный момент потенциалы на входах 1 и 2 узла сравнения 3 различны. При этом потенциал по входу 1 зависит от проводимости участка кожи, смоченного физиологическим раствором (что эквивалентно проводимости от пота, выделяемого при гипогликемии), а потенциал по входу 2 – от положения движка потенциометра узла 8. С помощью движка потенциометра (вручную) выравнивают потенциал по входу 2 относительно потенциала по входу 1, что приводит к срабатыванию узла 3. При этом перепадом напряжения, равного 4,4 В через коммутатор 12, запускается генератор 4 и срабатывают звуковой излучатель 5 и световой индикатор 10. Срабатывание сигнализатора соответствует прогнозируемому состоянию начала приступа ГС. Это состояние фиксируется положением движка потенциометра узла 8.
После этого сигнализатор снимается с предплечья пациента. Далее удаляется слой физиологического раствора с электродов датчика 11 и участка кожи больного.
При этом цепь электродов датчика 11 со входом 1 узла сравнения 3 разрывается, что приводит к перебросу узла сравнения в исходное состояние.
После этого сигнализатор вновь устанавливают на контролируемый участок кожи пациента. Режим контроля за больным (этап 2) предусматривает автоматическое слежение за проводимостью участка кожи и сравнение изменяющегося потенциала по входу 1 с фиксированным потенциалом по входу 2 узла сравнения 3.
В случае начала потоотделения у больного начинает резко уменьшаться сопротивление кожи, что приводит к изменению потенциала по входу 1. При этом обязательно наступает момент, когда потенциалы по обоим входам выравниваются, что приводит к срабатыванию узла 3. Перепадом напряжения через коммутатор 12 запускается генератор 4 и срабатывают звуковой излучатель 5 и световой индикатор 10. Одновременно положительный перепад поступает так же на первый вход второго триггера 23 узла задержки 13. Триггер перебрасывается и запускает счетчик 24. По заполнении счетчика 24 выдается с задержкой 10-15 сек команда в виде “Лог 1” на первый вход триггера 14.
При поступлении задержанного сигнала на триггер 14 он срабатывает и через инвертор 15 выдает “Лог 1” через резистор 33 на входы 2 первого и второго коммутаторов (см. фиг 4), что приводит к их срабатыванию. При этом коммутатор 17 отключает входную цепь узла сравнения 3 по входу 1, вызывая его переброс в исходное состояние.
Коммутатор 12 разрывает цепь подачи положительного перепада по первому входу генератора 4. При этом вход 1 генератора 4 (см. фиг 4) оказывается подключенным через резистор 32 к шине положительного питания, чем обеспечивается подача “Лог 1” на первый вход генератора, а следовательно, стабильная его генерация (при отсутствии резистора и разрыве цепи может произойти срыв генерации или случайное срабатывание генератора).
Генератор 4 продолжает выдавать сигнал тревоги на звуковой излучатель 5 и световой индикатор 10 при отсутствии сигнала информации на входе сигнализатора. Возврат схемы сигнализатора в исходное состояние осуществляется нажатием кнопки узла сброса.
Таким образом, благодаря введению новых конструктивных признаков обеспечиваются:
– значительное снижение величины тока, проходящего через кожу больного после срабатывания сигнализатора с сохранением функции сигнализации;
– исключение негативных влияний на кожу при длительной работе сигнализатора на руке пациента во время приступа гипогликемии;
– более энергосберегающий режим работы сигнализатора;
– контроль готовности сигнализатора к работе.
Формула изобретения
1. Сигнализатор ранней диагностики гипогликемического состояния, содержащий датчик проводимости с двумя электродами, источник постоянного стабильного напряжения, последовательно соединенные делитель и узел сравнения, а также регулируемый источник тока, узел эквивалента пота, выход которого соединен со вторым входом узла сравнения, последовательно соединенные генератор и звуковой излучатель, последовательно соединенные ключевой элемент и световой индикатор, при этом вход ключевого элемента соединен с выходом генератора, один электрод датчика проводимости соединен с выходом делителя, выход источника постоянного стабильного напряжения соединен со входом делителя и входом узла эквивалента пота, выход регулируемого источника тока соединен со вторым входом генератора, входы источника постоянного стабильного напряжения и регулируемого источника тока подключены к источнику питания, причем выходом сигнализатора является сигнал звукового излучения, отличающийся тем, что в него введены первый коммутатор, выход которого соединен с первым входом генератора, последовательно соединенные узел задержки, первый триггер, первый инвертор, второй коммутатор, первый вход которого подключен к другому электроду датчика проводимости, а выход через резистор соединен с корпусом, выход первого инвертора соединен со вторым входом первого коммутатора, а также узел сброса, вход которого соединен с источником питания, а выход подключен ко вторым входам узла задержки и первого триггера, узел индикации наличия напряжения питания, состоящий из последовательно соединенных второго светового индикатора и второго ключевого элемента, вход которого соединен с выходом узла сброса, при этом первые входы узла задержки и первого коммутатора соединены с выходом узла сравнения.
2. Сигнализатор по п.1, отличающийся тем, что узел задержки содержит второй триггер, последовательно соединенные второй генератор, счетчик, второй инвертор, при этом выход второго триггера соединен с первым входом счетчика, выход второго инвертора соединен со входом второго генератора, первый и второй входы второго триггера являются входами узла, а выход счетчика является выходом узла.
РИСУНКИ
|
|