|
|
(21), (22) Заявка: 2003121226/09, 08.07.2003
(24) Дата начала отсчета срока действия патента:
08.07.2003
(43) Дата публикации заявки: 27.01.2005
(45) Опубликовано: 20.05.2005
(56) Список документов, цитированных в отчете о поиске:
КАГАНОВ И.Л. Промышленная электроника, Москва, Высшая школа, 1968, с.214, рис.3.6. SU 1046901 А, 07.10.1983. SU 699664, 27.11.1979. SU 1072241 A, 07.02.1984. RU 18466 U1, 20.06.2001. DE 1939631, 11.03.1971. US 3649929, 14.03.1972. US 6278338 B1, 21.08.2001. АЛЕКСЕНКО А.Г. и др. Применение прецизионных аналоговых микросхем, Москва, Радио и связь, 1985, с.133, рис.4.4.
Адрес для переписки:
607220, Нижегородская обл., г. Арзамас, ул. Кирова, 26, ОАО АНПП “ТЕМП-АВИА”
|
(72) Автор(ы):
Конопля В.Е. (RU), Семёнов И.А. (RU)
(73) Патентообладатель(и):
Открытое акционерное общество Арзамсское научно-производственное предприятие “ТЕМП-АВИА” (ОАО АНПП “ТЕМП-АВИА”) (RU)
|
(54) ГЕНЕРАТОР СИНУСОИДАЛЬНОГО НАПРЯЖЕНИЯ
(57) Реферат:
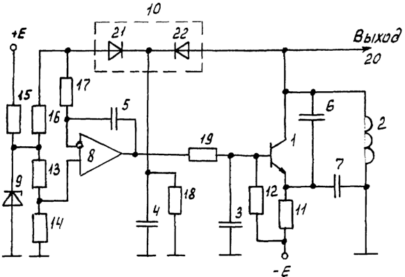
Изобретение относится к радиоэлектронной технике. Технический результат заключается в сохранении стабильности при изменении параметров элементов. Генератор содержит транзистор (Т) (1), катушку (2) индуктивности, конденсаторы (К) (3-7), операционный усилитель (ОУ) (8), стабилитрон (СТ) (9), диодную сбрку (10) из диодов (Д) (21) и (22), резисторы (Р) (11-19), выход 20 устройства. Выходной (20) синусоидальный сигнал выпрямляется Д (22) и на К (4) устанавливается постоянное напряжение, равное амплитуде выходного сигнала. На анод Д (21) подается отпирающее напряжение со СТ (9) через Р (16). Д (21) отпирается и напряжение с К (4) подается на ОУ (8) через Р (17). На другой вход ОУ (8) подается постоянное напряжение. С выхода ОУ (8) корректирующее напряжение подается на базу Т (1), изменяя рабочую точку Т (1) так, чтобы выходной сигнал изменился до прежнего уровня. 1 ил.

Изобретение относится к области радиоэлектронной техники и может быть использовано в качестве генератора незатухающих синусоидальных колебаний.
Известен генератор синусоидального напряжения [1], содержащий последовательно соединенные входную цепь, полосовой фильтр, операционный усилитель, выпрямитель, фильтр нижних частот, пороговый элемент, диод, подключенный к средней точке последовательно соединенных резисторов, включенных между входным устройством и полосовым фильтром.
Недостатком этого устройства является низкая частота выходного сигнала из-за ограниченных частотных свойств операционных усилителей.
Известен также генератор [2], содержащий транзистор, катушку индуктивности, конденсаторы, соединенные определенным образом. Такой генератор известен как емкостная трехточечная схема, называемая также схемой Колпитца.
Недостатком этого устройства является значительная зависимость установившихся колебаний от параметров колебательного контура и транзистора.
Задачей, на решение которой направлено данное изобретение, является сохранение стабильности работы генератора при изменении параметров его элементов.
Поставленная задача достигается за счет того, что в генератор синусоидального напряжения, содержащий транзистор, коллектор которого является выходом устройства и соединен с одним выводом катушки индуктивности, другой вывод которой соединен через первый конденсатор с базой, эмиттер и база транзистора соединены между собой через первый и второй последовательно соединенные резисторы, согласно заявленному решению дополнительно введены стабилитрон, семь резисторов, четыре конденсатора, диодная сборка, содержащая первый и второй диоды, операционный усилитель, неинвертирующий вход которого соединен со средней точкой последовательно соединенных третьего и четвертого резисторов, подключенных параллельно стабилитрону, анод которого соединен с общим проводом, являющимся средней точкой источника питания, катод соединен через пятый резистор с положительным полюсом источника питания и через последовательно соединенные шестой и седьмой резисторы с инвертирующим входом операционного усилителя, а средняя точка резисторов с анодом первого диода диодной сборки, катод которого соединен с катодом второго диода той же сборки, соединенного анодом с коллектором транзистора, а точка соединения диодов соединена через параллельно включенные восьмой резистор и второй конденсатор с общим проводом, выход операционного усилителя соединен через третий конденсатор с его инвертирующим входом, через девятый резистор с базой транзистора, эмиттер которого соединен через четвертый конденсатор с его коллектором и через пятый конденсатор с общим проводом, точка соединения первого конденсатора и катушки индуктивности соединена с общим проводом, а точка соединения первого и второго резисторов с отрицательным полюсом источника питания.
Стабильность выходного сигнала генератора зависит от стабильности рабочей точки базы, которая связана со стабильностью параметров транзистора. Для обеспечения стабильности выходного сигнала предлагается производить выбор рабочей точки транзистора автоматически за счет обратной связи, которая осуществляется путем введения в известную схему дополнительных элементов, включенных определенным образом.
На чертеже представлена схема устройства. Предлагаемый генератор содержит транзистор 1, катушку 2 индуктивности, первый 3, второй 4, третий 5, четвертый 6, пятый 7 конденсаторы, операционный усилитель (ОУ) 8, стабилитрон 9, диодную сборку 10, содержащую первый 21 и второй 22 диоды, первый 11, второй 12, третий 13, четвертый 14, пятый 15, шестой 16, седьмой 17, восьмой 18, девятый 19 резисторы, выход 20 устройства.
К коллектору транзистора 1 подключена одним выводом катушка 2 индуктивности, другим выводом подключенная к общему проводу. Эмиттер транзистора 1 подключен через конденсатор 6 к коллектору транзистора 1, через конденсатор 7 к общему проводу, через резистор 11 к отрицательному полюсу источника питания. База транзистора 1 соединена через резистор 12 с отрицательным полюсом источника питания, через конденсатор 3 с общим проводом, через резистор 19 с выходом ОУ 8, неинвертирующий вход которого соединен со средней точкой последовательно соединенных резисторов 13 и 14, подключенных параллельно стабилитрону 9, анод которого соединен с общим проводом, катод соединен через резистор 15 с положительным полюсом источника питания и через последовательно соединенные резисторы 16 и 17 с инвертирующим входом ОУ 8, средняя точка резисторов 16 и 17 соединена с анодом первого диода 21 диодной сборки 10, катод которого соединен с катодом второго диода 22, соединенного анодом с коллектором транзистора 1, а точка соединения диодов 21 и 22 соединена через параллельно включенные резистор 18 и конденсатор 4 с общим проводом, выход ОУ 8 соединен через конденсатор 5 с его инвертирующим входом.
Генератор работает следующим образом.
При подаче питания на коллекторе транзистора 1 появляется выходной синусоидальный сигнал, который выпрямляется диодом 22, и на конденсаторе 4 устанавливается постоянное напряжение, равное амплитуде выходного сигнала. На анод диода 21 подается отпирающее напряжение со стабилитрона 9 через резистор 16, диод отпирается и напряжение с конденсатора 4 подается на инвертирующий вход ОУ 8 через резистор 17. На неинвертирующий вход ОУ 8 подается постоянное напряжение с делителя напряжения, выполненного на резисторах 13 и 14. ОУ 8 сравнивает эти напряжения и выдает сигнал рассогласования на базу транзистора 1, тем самым выбирая рабочую точку базы. При влиянии различных дестабилизирующих факторов амплитуда выходного сигнала изменится, это изменение сравнится с опорным напряжением и ОУ 8 изменит рабочую точку транзистора 1 так, чтобы выходной сигнал изменился до прежнего уровня. Таким образом осуществляется стабилизация выходного сигнала генератора.
Использование предлагаемого генератора позволило создать высокостабильное устройство для обработки сигнала датчика угла.
Источники информации
1. Свидетельство РФ на полезную модель N18466, 2001 г., кл. Н 03 В 5/00.
2. И.Л.Каганов Промышленная электроника, М., Высшая школа, 1968 г. стр.214 рис.3.6 (прототип).
Формула изобретения
Генератор синусоидального напряжения, содержащий транзистор, коллектор которого является выходом устройства и соединен с одним выводом катушки индуктивности, другой вывод которой соединен через первый конденсатор с базой, эмиттер и база транзистора соединены между собой через первый и второй последовательно соединенные резисторы, отличающийся тем, что в него дополнительно введены стабилитрон, семь резисторов, четыре конденсатора, диодная сборка, содержащая первый и второй диоды, операционный усилитель, неинвертирующий вход которого соединен со средней точкой последовательно соединенных третьего и четвертого резисторов, подключенных параллельно стабилитрону, анод которого соединен с общим проводом, являющимся средней точкой источника питания, катод соединен через пятый резистор с положительным полюсом источника питания и через последовательно соединенные шестой и седьмой резисторы с инвертирующим входом операционного усилителя, а средняя точка резисторов с анодом первого диода диодной сборки, катод которого соединен с катодом второго диода той же сборки, соединенного анодом с коллектором транзистора, а точка соединения диодов соединена через параллельно включенные восьмой резистор и второй конденсатор с общим проводом, выход операционного усилителя соединен через третий конденсатор с его инвертирующим входом, через девятый резистор с базой транзистора, эмиттер которого соединен через четвертый конденсатор с его коллектором и через пятый конденсатор с общим проводом, точка соединения первого конденсатора и катушки индуктивности соединена с общим проводом, а точка соединения первого и второго резисторов с отрицательным полюсом источника питания.
РИСУНКИ
MM4A – Досрочное прекращение действия патента СССР или патента Российской Федерации на изобретение из-за неуплаты в установленный срок пошлины за поддержание патента в силе
Дата прекращения действия патента: 09.07.2008
Извещение опубликовано: 20.06.2010 БИ: 17/2010
|
|