|
| На основании пункта 3 статьи 13 Патентного закона Российской Федерации от 23 сентября 1992 г. № 3517-I патентообладатель обязуется передать исключительное право на изобретение (уступить патент) на условиях, соответствующих установившейся практике, лицу, первому изъявившему такое желание и уведомившему об этом патентообладателя и федеральный орган исполнительной власти по интеллектуальной собственности, – гражданину РФ или российскому юридическому лицу. |
|
(21), (22) Заявка: 2003132136/09, 04.11.2003
(24) Дата начала отсчета срока действия патента:
04.11.2003
(45) Опубликовано: 20.05.2005
(56) Список документов, цитированных в отчете о поиске:
SU 1422303 A1, 07.08.1988. RU 2000638 C1, 07.09.1993. RU 2046487 C1, 20.10.1995. SU 997180 A1, 15.02.1983. SU 493858 A1, 30.11.1975. US 5994795 A, 30.11.1999.
Адрес для переписки:
109548, Москва, Полбина, 24, кв.108, И.Н. Джусу
|
(72) Автор(ы):
Джус И.Н. (RU)
(73) Патентообладатель(и):
Джус Илья Николаевич (RU)
|
(54) СПОСОБ БЫСТРОДЕЙСТВУЮЩЕГО АВТОМАТИЧЕСКОГО ВКЛЮЧЕНИЯ
(57) Реферат:
Использование: на электростанциях. Технический результат заключается в повышении надежности. После отключения нагрузки от сети ведется контроль за напряжениями нагрузок и сети, определяется разница фаз. По двум значениям времени и фаз аппроксимируется изменение разницы фаз. Производится вычисление значений времени, когда разница фаз будет близка к заданному значению. Из полученных значений вычитается время включения выключателя резервного ввода. Наименьшая положительная разница времени принимается за значение выдержки времени до подачи команды на включение резервного выключателя. В результате коммутация осуществляется с минимальными бросками тока. Дополнительно при каждом включении измеряется время включения данного выключателя, которое заносится в память и будет использовано при следующем включении. 1 з.п. ф-лы, 2 ил.

Изобретение относится к электротехнике и может использоваться на электростанциях. Широко известный способ автоматического включения [1] (повторного или резерва) состоит в отключении поврежденной секции и подключении ее к сети (той же или резервной) с задержкой. Недостаток способа состоит в ограниченной функциональной способности, так как он может использоваться только при использовании тиристорных выключателей.
Наиболее близким по технической сути и достигаемым результатам является способ [2] быстродействующего автоматического включения секции сети, содержащей двигательную нагрузку, состоящий в отключении ее при возникновении соответствующего режима сети, контроле за углом между векторами напряжений секции и сети и последующем включении, когда этот угол близок к заданному значению. Недостаток подобного способа состоит в относительно низкой надежности. Причиной этого является возможность включения при противофазе напряжений, что приведет к большим броскам пусковых токов. Целью изобретения является повышение надежности, снижение потерь энергии. Поставленная цель достигается за счет того, что вычисляют значения времен до заданного значения угла, выбирают меньшее из этих значений, но превышающее время включения выключателя, устанавливают выдержку времени, равную разности этих значений, и по истечении этого времени подают команду на включение выключателя.
Дополнительное отличие состоит в том, что при каждом включении производят измерение времени включения выключателя, запоминают его и используют при последующем расчете.
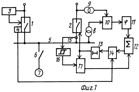
На фиг.1 приведена структурная схема для осуществления способа. Обозначено: 1, 2 – вводные выключатели, 3 – блок защиты, 4 – блок-контакт выключателя (датчик отключенного состояния), 5 – шины, 6 – выключатель, 7 – нагрузка, 8, 9 – датчики (трансформаторы) напряжений, 10 – фазовый детектор (датчик разности фаз), 11 – вычислительное устройство, 12 – вычитатель, 13 – блок уставки времени, 14 – ключ, 15 – датчик тока, 16 – пороговый элемент, 17 – датчик времени срабатывания.
Способ реализуется следующим образом при автоматическом вводе резерва. Нагрузка 7 питается через выключатель 6 от шин 5, на которые подается питание через выключатель 1 ввода. При исчезновении напряжения на этом основном вводе 1, блок защиты 3 отключает выключатель 1 и через блок-контакт 4 подает сигнал на разрешение включения резервного ввода 2. Датчики напряжений 8 и 9 дают информацию о текущих значениях напряжений сети 2 и шин 5. Напряжение на последних затухает вследствие торможения двигателей, подключенных к этим шинам. В процессе выбега двигателей разница углов напряжений сети 2 и шин 5 представляет кривую, близкую к прямой или экспоненте [3]. На фиг.2 представлен типичный пример для атомной электростанции [3]. Разница значений фаз (угол) сети 2 и шин 5 непрерывно определяется датчиком 10, по поступающим на него сигналам от трансформаторов напряжений 8 и 9. Зафиксировав два значения угла рассогласования 1 и 2 для двух разных моментов времени t1 и t2, вычислитель 11 прогнозирует (рассчитывает) значения времен, кратные 360 градусам электрическим плюс заданный угол включения ( ). Вычисления проводятся по формуле

где n=1, 2, 3,…. Значение принимается равным фазовому углу эквивалентной нагрузки и лежит в пределах от нуля до 90 градусов электрических.
Вычитатель 12 вычитает из полученных значений времен собственное время включения выключателя, поступающее с датчика 17. Из полученных после вычитания значений выбирается наименьшее положительное значение, которое задается блоку 13 задержки времени. По истечении этого заданного времени блок 13 подает сигнал на включение выключателя 2, замыкание которого произойдет с разницей фаз напряжений, равной фазовому углу эквивалентной нагрузки. Для двигательной нагрузки фазовый угол нагрузки близок к 30-80 градусам электрических. Такое включение исключает броски токов. Одновременно с подачей команды на включение выключателя 2 обнуляется и запускается датчик 17 времени включения выключателя, который начинает измерение времени до момента, пока на выходе порогового элемента 16 не появится сигнал, свидетельствующий о появлении тока в датчике 15 тока. Это значение измеряется в электрических градусах, запоминается и будет использовано при следующем включении.
Источники информации
1. Рубашов Г.М. и др. АВР в сетях 6 кВ на тиристорном выключателе. “Промышленная энергетика”, 1986, №8.
2. Вершинина С.И. и др. Комплекс устройств быстродействующего АВР. В книге: У1 Симпозиум Электротехника 2010, ВЭИ-Травэк, Моск. обл., 2001, том 2, стр.44-48.
3. Фельдман М.Л., Черновец А.К. Особенности электрической части атомных электростанций. Л., Энергоатомиздат, 1983, стр.102-103.
Формула изобретения
1. Способ быстродействующего автоматического включения секции сети, содержащей двигательную нагрузку, состоящий в отключении ее при исчезновении напряжения на основном вводе, контроле за углом между векторами напряжений секции и сети, отличающийся тем, что вычисляют значение времени от текущего до заданного угла включения, выбирают меньшее из этих значений, но превышающее время включения выключателя резервного ввода, устанавливают выдержку времени, равную разности выбранного значения времени и времени включения выключателя резервного ввода, и по истечении этой выдержки времени дают команду на включение этого выключателя.
2. Способ по п.1, отличающийся тем, что при каждом включении производят измерение времени включения выключателя резервного ввода, запоминают его и используют при последующем расчете.
РИСУНКИ
|
|