|
|
(21), (22) Заявка: 2003131979/06, 31.10.2003
(24) Дата начала отсчета срока действия патента:
31.10.2003
(45) Опубликовано: 20.05.2005
(56) Список документов, цитированных в отчете о поиске:
RU 2208513 C2, 20.07.2003. SU 549593 A, 05.03.1977. SU 260416 A, 07.05.1970. US 2141731 A, 08.05.1936.
Адрес для переписки:
117638, Москва, ул. Сивашская, 2, корп.2, кв.231, Н.Н.Новинькову
|
(72) Автор(ы):
Новиньков Н.Н. (RU)
(73) Патентообладатель(и):
Новиньков Николай Никонорович (RU)
|
(54) ДВУХТАКТНЫЙ ПНЕВМОГИДРАВЛИЧЕСКИЙ ИМПУЛЬСНЫЙ НАСОС
(57) Реферат:
Устройство предназначено для использования в области гидромашиностроения. Содержит пару пневмогидромультипликаторов, снабженных каждый генератором импульсов и соединенных с парой пневмогидроаккумуляторов в замкнутую гидросистему. Пневмополости пневмогидромультипликаторов соединены с выходами генераторов пневмоипульсов по встречнопараллельной схеме. Гидролиния выхода из полости высокого давления первого гидромультипликатора подключена через обратный гидроклапан к гидролинии второго пневмогидроаккумулятора. Гидролиния первого пневмогидроаккумулятора по встречной схеме подключена через свой обратный гидроклапан к гидролинии высокого давления второго пневмогидромультипликатора. К гидролиниям высокого давления обоих пневмогидроаккумуляторов параллельно присоединена гидролиния бака. Выходы гидролинии высокого давления обоих пневмогидромультипликаторов параллельно подключены к входам гидроклапана ИЛИ с выходом в гидролинию высокого давления замкнутой гидросистемы. Это позволяет сгладить пики высокого давления и обеспечить равномерность хода гидроприводов. 1 ил.

Изобретение относится к машиностроению, использующему в гидроприводах пневмогидравлические импульсные насосы высокого гидродавления.
В частности, известно применение пневмогидравлического импульсного насоса в упрощенном адаптивном пневмогидравлическом роботе (патент RU №2208513), который снабжен замкнутой гидросистемой, содержащей импульсный насос в виде пневмогидромультипликатора, соединенного с пневмогидроаккумулятором.
Недостатком известного пневмогидравлического импульсного насоса является то, что во время холостого хода пневмогидромультипликатора в замкнутой гидросистеме исчезает высокое гидродавление и гидропривод по этой причине работает также импульсно, из-за чего наблюдается неравномерность его хода.
Предлагаемый двухтактный пневмогидравлический импульсный насос сглаживает пики давления. Техническим результатом применения двухтактного импульсного насоса является равномерность поступательных и поворотных ходов механизмов машин.
Это достигается за счет того, что двухтактный пневмогидравлический импульсный насос, состоящий из пары пневмогидромультипликаторов, снабженных каждый генератором пневмоимпульсов, механически переключаемым ходом пневмопоршня, и соединенных с парой пневмогидроаккумуляторов в замкнутую гидросистему, в которой пневмополости пневмогидромультипликаторов соединены с выходами генераторов пневмоимпульсов по встречно-параллельной схеме, гидролиния выхода из полости высокого гидродавления первого пневмогидромультипликатора подключена через обратный гидроклапан к гидролинии второго пневмогидроаккумулятора, а гидролиния первого пневмогидроаккумулятора по встречной схеме подключена через свой обратный гидроклапан к гидролинии высокого давления второго пневмогидромультипликатора, причем к гидролиниям высокого давления пневмогидроаккумуляторов параллельно присоединена гидролиния бака, а выходы гидролиний высокого давления обоих пневмогидромультипликаторов параллельно подключены к входам гидроклапана ИЛИ с выходом в гидролинию выского давления замкнутой гидросистемы.
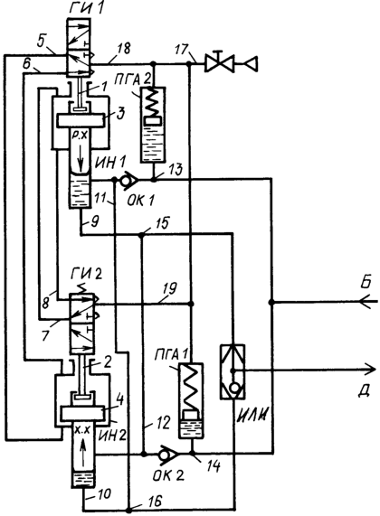
На чертеже показана принципиальная пневмогидросхема двухтактного пневмогидравлического импульсного насоса. Тонкими линиями показаны линии пневматические, толстыми – гидравлические.
Двухтактный пневмогидравлический импульсный насос выполнен в виде пары пневмогидромультипликаторов ИН1 и ИН2, которые снабжены каждый своим генератором пневмоимпульсов ГИ1 и ГИ2, механически связанным штоками 1 и 2 с пневмопоршнями 3 и 4. Выходы 5-6 и 7-8 генераторов ГИ1 и ГИ2 пневмоимпульсов по встречно-параллельной схеме соединены с пневмополостями пневмогидромультипликаторов. К двум линиям 9-10 и 11-12 каждой из гидрополостей также по встречной схеме присоединены гидролинии пневмогидроаккумуляторов ПГА1 и ПГА2: линия 9 ИН1 через линию 12 и обратный клапан ОК2 присоединена к гидролинии пневмогидроаккумулятора ПГА1, а линия 10 ИН2 через линию 11 и обратный клапан OK1 – к гидролинии пневмогидроаккумулятора ПГА2. Параллельно к тройникам 13 и 14 присоединена линия Б (бака), а тройники 15 и 16 параллельно присоединены к входам гидроклапана ИЛИ, выход которого выведен в линию Д высокого давления замкнутой гидросистемы.
Работа двухтактного пневмогидравлического насоса происходит следующим образом.
Первый такт.
С подачей сжатого воздуха в линию 17 входы обоих золотников ГИ1 и ГИ2 пропускают его в линии 5 и 8. При этом одновременно начинается рабочий ход ИН1 (стрелка р. х. на фиг.1) и холостой ход ИН2 (стрелка х. х.). Под высоким давлением гидрожидкость от ИН1, минуя OK1, по линии 9 проходит через гидроклапан ИЛИ, происходит нагнетание высокого давления в линию Д замкнутой гидросистемы. Одновременно гидрожидкость от гидропривода поступает в линию Б. Через гидроклапан OK1 она всасывается холостым ходом ИН2, а при остановке гидропривода – из ПГА2 через OK1, когда боковая линия от тройника 13 в полости высокого давления еще перекрыта плунжером ИН1.
Второй такт.
Когда поршень 4 доходит до упора вверх, шток 2 переключает золотник ГИ2 в противоположное положение. Сжатый воздух от линии 19 проходит по линии 8 в нижнюю полость ИН1. Начинается его холостой ход вверх. В конце хода поршень 3 штоком 1 переключает золотник ГИ1 в положение, противоположное исходному, и начинается рабочий ход ИН2.
При холостом ходе ИН1 происходит всасывание гидрожидкости, как и в первом такте, из линии Б или/и из ПГА1 через ОК2 и из линии 12.
При частоте ходов ИН 120…130 в минуту пауза между окончанием рабочего хода одного пневмомультипликатроа вверх до открытия бокового отверстия всасывания и перекрытием такого же бокового отверстия плунжером полости высокого давления другого пневмомультипликатора не велика и не сказывается на непрерывности хода гидропривода.
Формула изобретения
Двухтактный пневмогидравлический импульсный насос, состоящий из пары пневмогидромультипликаторов, снабженных каждый генератором пневмоимпульсов, механически переключаемым ходом пневмопоршня, и соединенных с парой пневмогидроаккумуляторов в замкнутую гидросистему, отличающийся тем, что пневмополости пневмогидромультипликаторов соединены с выходами генераторов пневмоимпульсов по встречно-параллельной схеме, гидролиния выхода из полости высокого давления первого гидромультипликатора подключена через обратный гидроклапан к гидролинии второго пневмогидроаккумулятора, а гидролиния первого пневмогидроаккумулятора по встречной схеме подключена через свой обратный гидроклапан к гидролинии высокого давления второго пневмогидромультипликатора, причем к гидролиниям высокого давления обоих пневмогидроаккумуляторов параллельно присоединена гидролиния бака, а выходы гидролиний высокого давления обоих пневмогидромультипликаторов параллельно подключены к входам гидроклапана ИЛИ с выходом в гидролинию высокого давления замкнутой гидросистемы.
РИСУНКИ
MM4A – Досрочное прекращение действия патента СССР или патента Российской Федерации на изобретение из-за неуплаты в установленный срок пошлины за поддержание патента в силе
Дата прекращения действия патента: 01.11.2007
Извещение опубликовано: 10.05.2009 БИ: 13/2009
|
|