|
|
(21), (22) Заявка: 2003133339/06, 10.11.2003
(24) Дата начала отсчета срока действия патента:
10.11.2003
(45) Опубликовано: 20.05.2005
(56) Список документов, цитированных в отчете о поиске:
RU 2189455 C1, 20.09.2002. ЩЕГЛЯЕВ А.В. и др., Паровые турбины, Москва, Энергия, 1976, с.29. ЩЕГЛЯЕВ А.В. и др., Паровые турбины, Москва, Энергия, 1976, с.27. SU 1090899 A, 07.05.1984. SU 1211423 A, 15.02.1986. RU 2033528 C1, 20.04.1995. DE 1426891 A, 25.01.1973. FR 2127769 A, 13.10.1979.
Адрес для переписки:
195271, Санкт-Петербург, ул. Замшина, 50, кв.217, В.С. Шаргородскому
|
(72) Автор(ы):
Шаргородский В.С. (RU), Божко В.В. (RU)
(73) Патентообладатель(и):
Шаргородский Виктор Семенович (RU), Божко Виктор Владимирович (RU)
|
(54) СХЕМА ПАРОТУРБИННОЙ УСТАНОВКИ
(57) Реферат:
Изобретение относится к области теплоэнергетики и может быть использовано при проектировании новых и модернизации существующих паротурбинных установок. Предложена схема паротурбинной установки, включающая котел, соединенный паропроводом с турбиной, с регенеративными подогревателями и конденсатором, а также второй котел, соединенный паропроводом со второй турбиной с системой регенерации и бойлером нагрева сетевой воды, при этом трубопровод подвода сетевой воды к бойлеру второй турбины соединен трубопроводом с линией подвода конденсата на участке за одним из регенеративных подогревателей первой турбины, а трубопровод выхода сетевой воды из бойлера второй турбины соединен трубопроводом с линией подвода конденсата на входе последующего регенеративного подогревателя первой турбины, кроме того, на линии конденсата между этими регенеративными подогревателями установлена задвижка. Такое выполнение позволит обеспечить возможность работы противодавленческой турбины вне зависимости от наличия или отсутствия тепловых и промышленных потребителей, тем самым исключить длительные простои оборудования, улучшить экономичность схемы по сравнению с раздельной работой обеих турбин. 1 ил.

Изобретение относится к области теплоэнергетики и может быть использовано при проектировании новых и модернизации существующих паротурбинных установок.
Известны схемы паротурбинной установки, содержащие последовательно соединенные между собой котел, турбину, регенеративные подогреватели, конденсатор. При такой схеме отработанный пар из турбины сбрасывается в регенеративные подогреватели и конденсатор, в которых происходит конденсация этого пара. Образовавшийся конденсат направляется в систему регенерации и котел.
Недостатком известных схем является невозможность использования тепла тепловыми потребителями (А.В.Щегляев, Паровые турбины, Энергия, Москва, 1976 г., стр.29).
Известны также схемы комбинированной выработки энергии, когда часть пара котла (котлов) поступает на турбину, оснащенную конденсатором и системой регенерации, а часть пара подается к турбине, отработавший пар которой отводится тепловому потребителю (А.В.Щегляев, Паровые турбины. Энергия, Москва, 1976 г., стр.27).
Недостатком таких схем является то, что когда нет необходимости в тепловом потреблении, турбины, работающие на теплового потребителя, должны быть полностью выключены из работы. При этом простаивает дорогостоящее оборудование, в сеть не подается ранее (при наличии тепловых потребителей) вырабатываемая электроэнергия. Кроме того, длительные простои оборудования требуют дополнительных расходов на поддержание оборудования в работоспособном состоянии. В связи с этим возникает необходимость создания таких турбоустановок, которые позволяют использовать большой парк противодавленческих турбин для выработки электроэнергии и при условиях, когда нет потребности в промышленном или тепловом потреблении пара.
Известна схема паротурбинной установки, включающая котел, соединенный паропроводом с турбиной, с регенеративными подогревателями и конденсатором, второй котел, соединенный паропроводом со второй турбиной с системой регенерации и бойлером нагрева сетевой воды, при этом трубопровод подвода сетевой воды к бойлеру второй турбины соединен трубопроводом с конденсатором первой турбины, а трубопровод выхода сетевой воды из бойлера второй турбины соединен трубопроводом с трубопроводом подвода конденсата на регенеративные подогреватели первой турбины (Патент РФ №21899455, МПК F 01 K 13/00, опубликован 20.09.2002 г. – Прототип).
Недостатком известной схемы принятой за прототип, является то, что при наличии в схеме регенерации первой турбины смешивающих подогревателей нельзя подводить нагретый конденсат после бойлера в эти подогреватели. Это объясняется тем, что в смешивающих подогревателях низкого давления будет происходить вскипание этого конденсата, т.к. его температура может быть более высокой по сравнению с температурой конденсации при давлении данного подогревателя и возможен заброс капель воды в проточную часть. Кроме того, как показали расчетные исследования, при применении данной схемы возможны также условия, когда через последнюю ступень будет проходить расход пара больше допустимого, что потребует либо частично снижать нагрузку турбины, либо проводить дополнительную модернизацию турбины.
Заявляемое решение позволяет обеспечить возможность работы противодавленческой турбины вне зависимости от наличия или отсутствия тепловых и промышленных потребителей, тем самым исключить длительные простои оборудования, улучшить экономичность схемы по сравнению с раздельной работой обеих турбин.
Предложена схема паротурбинной установки, включающая котел, соединенный паропроводом с турбиной, с регенеративными подогревателями и конденсатором, а также второй котел, соединенный паропроводом со второй турбиной с системой регенерации и бойлером нагрева сетевой воды, при этом трубопровод подвода сетевой воды к бойлеру второй турбины соединен трубопроводом с линией подвода конденсата на участке за одним из регенеративных подогревателей первой турбины, а трубопровод выхода сетевой воды из бойлера второй турбины соединен трубопроводом с линией подвода конденсата на входе последующего регенеративного подогревателя первой турбины, кроме того, на линии конденсата между этими регенеративными подогревателями установлена задвижка.
Изобретение иллюстрируется чертежом.
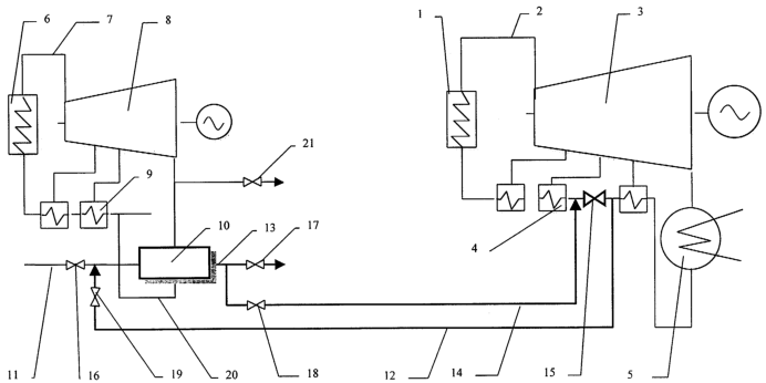
Схема паротурбинной установки включает котел 1, соединенный паропроводом 2 с турбиной 3 с подсоединенной к ней системой регенерации – регенеративными подогревателями 4 и конденсатором 5, а также второй котел 6, соединенный паропроводом 7 с турбиной 8 с подсоединенной к ней системой регенерации – регенеративными подогревателями 9 и бойлером нагрева сетевой воды 10. При этом трубопровод подвода сетевой воды 11 к бойлеру нагрева сетевой воды 10 второй турбины 8 соединен трубопроводом 12 с линией подвода конденсата на участке за одним из регенеративных подогревателей системы регенерации 4 первой турбины 3, а трубопровод отвода сетевой воды 13 из бойлера 10 второй турбины 8 соединен трубопроводом 14 с линией подвода конденсата на входе последующего регенеративного подогревателя системы регенерации 4 первой турбины 3. На линии конденсата между этими подогревателями установлена задвижка 15. На трубопроводе подвода сетевой воды 11 к бойлеру 10 установлена задвижка 16. На трубопроводе отвода сетевой воды 13 из бойлера 10 установлена задвижка 17. На трубопроводе 14 установлена задвижка 18, на трубопроводе 12 – задвижка 19. Бойлер 10 соединен трубопроводом 20 с системой регенерации 9 турбины 8. На линии промышленного отбора из турбины 8 устанавлена задвижка 21.
Схема паротурбинной установки работает следующим образом. Вырабатываемый в котлах 1 и 6 пар подается соответственно в турбины 3 и 8. После прохождения через проточную часть турбин пар из турбины 3 поступает в конденсатор 5, а из турбины 8 – в бойлер 10, где и конденсируется пропускаемой через них охлаждающей водой. В качестве охлаждающей воды в конденсаторе 5 турбины 3 во всех случаях используется циркуляционная вода внешнего источника. В бойлере 10 в качестве охлаждающей воды в зависимости от условий работы может использоваться как сетевая вода, так и конденсат, поступающий после прохождения одного из подогревателей системы регенерации 4 турбины 3. В том случае, когда имеются тепловые потребители, для конденсации пара в бойлере используется сетевая вода, то есть в этом случае задвижки на подводе и отводе сетевой воды 16 и 17 открываются, а задвижки 18 и 19 закрываются. Открывается также задвижка 15. В этом случае конденсат бойлера направляется по трубопроводу 20 в систему регенерации 9 турбины 8 и затем в котел 6. Из конденсатора 5 конденсат поступает в систему регенерации 4 и затем в котел 1.
При отсутствии тепловых потребителей в качестве охлаждающего агента для бойлера 10 используется конденсат из системы регенерации 4, который обеспечивает конденсацию пара, поступающего в бойлер 10 из турбины 8. При такой работе задвижки 16 и 17 подвода и отвода сетевой воды закрыты. Также закрыта задвижка 15 на линии пропуска конденсата турбины 3. Полностью или частично закрывается задвижка 21, открываются задвижки 18 и 19. При этом конденсат, отбираемый из линии конденсата за одним из подогревателей по трубопроводу 12 через задвижку 19, направляется в бойлер 10. Нагретый в бойлере конденсат турбины 3 поступает по трубопроводу 14 в линию конденсата системы регенерации 4 и затем в котел 1.
При такой схеме в работе остаются и вырабатывают электрическую мощность обе турбины как при наличии, так и отсутствии тепловых потребителей. Причем, в том случае когда тепловые потребители отсутствуют и через бойлер 10 пропускается конденсат турбины 3, электрические мощности, вырабатываемые турбинами 3 и 8, взаимосвязаны и, в основном, определяются условиями теплового баланса при нагреве конденсата турбины 3 в бойлере 10.
Возможным вариантом предлагаемой совмещенной схемы паротурбинной установки может быть схема, в которой пар на обе турбины подается из одного источника (одного котла или общестанционного коллектора для котлов с параллельными связями по острому пару). В остальном схема аналогична схеме с двумя котлами.
Формула изобретения
Схема паротурбинной установки, включающая котел, соединенный паропроводом с турбиной, с регенеративными подогревателями и конденсатором, второй котел, соединенный паропроводом со второй турбиной с системой регенерации и бойлером нагрева сетевой воды, отличающаяся тем, что трубопровод подвода сетевой воды к бойлеру второй турбины соединен трубопроводом с линией подвода конденсата на участке за одним из регенеративных подогревателей первой турбины, а трубопровод выхода сетевой воды из бойлера второй турбины соединен с линией подвода конденсата на входе последующего регенеративного подогревателя первой турбины, при этом на линии конденсата между этими подогревателями установлена задвижка.
РИСУНКИ
|
|