|
|
(21), (22) Заявка: 2003133021/06, 11.11.2003
(24) Дата начала отсчета срока действия патента:
11.11.2003
(45) Опубликовано: 20.05.2005
(56) Список документов, цитированных в отчете о поиске:
RU 2109962 C1, 27.04.1998. RU 2211340 C1, 27.08.2003. RU 2170829 C1, 20.07.2001. RU 2170828 C1, 20.07.2001. US 5165237 A, 24.11.1992. DE 3726786 A1, 23.02.1989.
Адрес для переписки:
432027, г.Ульяновск, ул. Северный Венец, 32, Ульяновский государственный технический университет (УлГТУ), Проректору по научной работе
|
(72) Автор(ы):
Шарапов В.И. (RU), Макарова Е.В. (RU)
(73) Патентообладатель(и):
Ульяновский государственный технический университет (RU)
|
(54) ТЕПЛОВАЯ ЭЛЕКТРИЧЕСКАЯ СТАНЦИЯ
(57) Реферат:
Изобретение относится к области теплоэнергетики и предназначено для использования на тепловых электростанциях. Техническим результатом, достигаемым заявленным изобретением, является повышение экономичности и надежности тепловой электрической станции. Для достижения этого результата предложена тепловая электрическая станция, содержащая паровую турбину с трубопроводом основного конденсата, подключенным к деаэратору повышенного давления, вакуумный деаэратор добавочной питательной воды с трубопроводами исходной воды и греющего агента, отличающаяся тем, что трубопровод исходной добавочной питательной воды соединен с трубопроводом конденсата первого по ходу основного конденсата регенеративного подогревателя низкого давления соединительным трубопроводом, тепловая электростанция снабжена регулятором содержания растворенного кислорода в смешанном потоке основного конденсата и добавочной питательной воды, регулятор соединен с датчиком содержания кислорода, подключенным к трубопроводу основного конденсата за пределами вакуумной системы турбоустановки, например за вторым по ходу основного конденсата подогревателем низкого давления, и с регулирующим органом, установленным на соединительном трубопроводе. 1 з.п. ф-лы, 1 ил.

Изобретение относится к области теплоэнергетики и может быть использовано на тепловых электростанциях.
Известны аналоги – тепловые электрические станции, содержащие паровую турбину с трубопроводом основного конденсата, подключенным к деаэратору повышенного давления, вакуумный деаэратор добавочной питательной воды с трубопроводами исходной воды и греющего агента (см. патент №2109962, БИ 1998, №12). Этот аналог принят в качестве прототипа.
Недостатками аналогов и прототипа являются пониженная надежность и экономичность тепловых электростанций из-за недостаточного качества потоков питательной воды и увеличенных энергозатрат на деаэрацию добавочной питательной воды. В частности, при увеличении присосов воздуха в вакуумную систему турбоустановки, например, при изменении режима работы турбоустановки, ухудшается качество потоков питательной воды, подаваемой в деаэратор повышенного давления. С другой стороны, при высокой герметичности вакуумной системы турбоустановки имеют место повышенные энергозатраты на работу деаэратора добавочной питательной воды, несмотря на достаточное качество смешанного потока основного конденсата и добавочной питательной воды, подаваемых в деаэратор повышенного давления.
Техническим результатом, достигаемым настоящим изобретением, является повышение экономичности и надежности тепловой электрической станции путем обеспечения высокого качества потоков питательной воды перед деаэратором повышенного давления при различных режимах работы турбоустановки, а также путем снижения энергозатрат на деаэрацию добавочной питательной воды и за счет снижения затрат электроэнергии на собственные нужды.
Для достижения этого результата предложена тепловая электрическая станция, содержащая паровую турбину с трубопроводом основного конденсата, подключенным к деаэратору повышенного давления, вакуумный деаэратор добавочной питательной воды с трубопроводами исходной воды и греющего агента.
Особенность заключается в том, что трубопровод исходной добавочной питательной воды соединен с трубопроводом конденсата первого по ходу основного конденсата регенеративного подогревателя низкого давления соединительным трубопроводом, тепловая электростанция снабжена регулятором содержания растворенного кислорода в смешанном потоке основного конденсата и добавочной питательной воды, регулятор соединен с датчиком содержания кислорода, подключенным к трубопроводу основного конденсата за пределами вакуумной системы турбоустановки, например за вторым по ходу основного конденсата подогревателем низкого давления, и с регулирующим органом, установленным на соединительном трубопроводе.
Новая взаимосвязь элементов позволяет повысить надежность и экономичность работы тепловой электрической станции за счет гарантированного обеспечения заданной величины содержания растворенного кислорода в смешанном потоке основного конденсата и добавочной питательной воды за пределами вакуумной системы турбоустановки, т.е. понизить интенсивность внутренней коррозии трубопровода основного конденсата, вызванной присосами воздуха в вакуумную систему турбоустановки, а также снизить энергозатраты на деаэрацию добавочной питательной воды и затраты электроэнергии на собственные нужды.
Далее рассмотрим сведения, подтверждающие возможность осуществления изобретения с получением искомого технического результата.
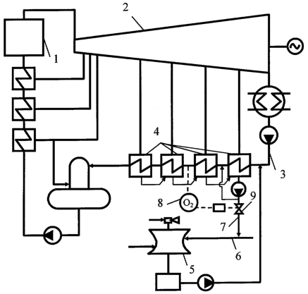
На чертеже изображена принципиальная схема тепловой электрической станции, содержащей котел 1, паровую турбину 2 с конденсатором, трубопровод основного конденсата турбины 3 с включенными в него регенеративными подогревателями низкого давления 4, вакуумный деаэратор добавочной питательной воды 5 с трубопроводами исходной воды 6 и греющего агента. Трубопровод исходной добавочной питательной воды 6 соединен с трубопроводом конденсата первого по ходу основного конденсата регенеративного подогревателя низкого давления соединительным трубопроводом 7, тепловая электростанция снабжена регулятором содержания растворенного кислорода в смешанном потоке основного конденсата и добавочной питательной воды, который соединен с датчиком содержания кислорода 8, подключенным к трубопроводу основного конденсата 3 за пределами вакуумной системы турбоустановки, например за вторым по ходу основного конденсата подогревателем низкого давления, после точки подключения трубопровода деаэрированной добавочной питательной воды к трубопроводу основного конденсата, и с регулирующим органом 9, установленным на соединительном трубопроводе 7.
Тепловая электрическая станция работает следующим образом.
Вырабатываемый в котле 1 пар направляют в турбину 2, конденсат отработавшего пара из конденсатора по трубопроводу основного конденсата турбины 3 подают в регенеративные подогреватели низкого давления 4 и далее в деаэратор повышенного давления, после которого основной конденсат турбины питательным насосом прокачивают через подогреватели высокого давления и подают в паровой котел. Потери пара и конденсата из цикла станции компенсируют добавочной питательной водой. Исходную добавочную питательную воду нагревают путем смешения ее с конденсатом первого по ходу основного конденсата подогревателя низкого давления. Регулирование расхода конденсата подогревателей низкого давления производят с помощью регулирующего органа 9, регулятора и датчика 8 по заданной величине содержания растворенного кислорода в смешанном потоке добавочной питательной воды и основного конденсата турбин за пределами вакуумной системы турбоустановки, например за вторым по ходу основного конденсата подогревателем низкого давления. Датчиком 8 измеряют остаточное содержание кислорода в смешанном потоке основного конденсата и добавочной питательной воды и, при отклонении его от заданного, например вследствие увеличения присосов воздуха в вакуумную систему турбоустановки или ухудшения качества деаэрации добавочной питательной воды, регулятор расхода с помощью регулирующего клапана 9 повышает расход греющего агента на вакуумный деаэратор добавочной питательной воды 5, устанавливая тем самым его величину необходимой и достаточной для поддержания заданной величины остаточного содержания кислорода в смешанном потоке основного конденсата турбин и добавочной питательной воды за пределами вакуумной системы турбоустановки. Напротив, при уменьшении присосов воздуха в вакуумную систему турбоустановки или повышении качества вакуумной деаэрации добавочной питательной воды, по импульсу от датчика содержания растворенного кислорода 8, подаваемому на регулятор, с помощью регулирующего органа 9 снижают расход греющего агента в вакуумный деаэратор добавочной питательной воды 5. Далее производят деаэрацию смешанного потока основного конденсата и добавочной питательной воды в деаэраторе повышенного давления и затем питательным насосом прокачивают через подогреватели высокого давления и подают в паровой котел.
Таким образом, предложенное решение позволяет обеспечить эффективную деаэрацию добавочной питательной воды с использованием для подогрева исходной добавочной питательной воды теплоты низкопотенциальных источников и снизить интенсивность внутренней коррозии тракта основного конденсата турбин за счет регулирования качества деаэрации по заданному значению содержания растворенного кислорода в смешанном потоке основного конденсата и добавочной питательной воды, т.е. повысить надежность и экономичность работы тепловой электрической станции.
Формула изобретения
1. Тепловая электрическая станция, содержащая паровую турбину с трубопроводом основного конденсата, подключенным к деаэратору повышенного давления, вакуумный деаэратор добавочной питательной воды с трубопроводами исходной воды и греющего агента, отличающаяся тем, что трубопровод исходной добавочной питательной воды соединен с трубопроводом конденсата первого по ходу основного конденсата регенеративного подогревателя низкого давления соединительным трубопроводом.
2. Тепловая электрическая станция по п.1, отличающаяся тем, что станция снабжена регулятором содержания растворенного кислорода в смешанном потоке основного конденсата и добавочной питательной воды, регулятор соединен с датчиком содержания кислорода, подключенным к трубопроводу основного конденсата за пределами вакуумной системы турбоустановки, например за вторым по ходу основного конденсата подогревателем низкого давления, и с регулирующим органом, установленным на соединительном трубопроводе.
РИСУНКИ
MM4A – Досрочное прекращение действия патента СССР или патента Российской Федерации на изобретение из-за неуплаты в установленный срок пошлины за поддержание патента в силе
Дата прекращения действия патента: 12.11.2005
Извещение опубликовано: 27.04.2007 БИ: 12/2007
MM4A – Досрочное прекращение действия патента СССР или патента Российской Федерации на изобретение из-за неуплаты в установленный срок пошлины за поддержание патента в силе
Дата прекращения действия патента: 12.11.2005
Извещение опубликовано: 20.06.2007 БИ: 17/2007
|
|