|
(21), (22) Заявка: 2003103270/11, 04.02.2003
(24) Дата начала отсчета срока действия патента:
04.02.2003
(43) Дата публикации заявки: 20.08.2004
(45) Опубликовано: 20.05.2005
(56) Список документов, цитированных в отчете о поиске:
RU 2181327 С1, 20.04.2002. RU 2100258 С1, 27.12.1997. US 6308640 B1, 30.10.2001.
Адрес для переписки:
644021, г.Омск, ул. Богдана Хмельницкого, 226, Конструкторское бюро ФГУП ПО “Полет”, зам. ГДО главному конструктору В.В. Маркелову
|
(72) Автор(ы):
Касаткин Г.М. (RU), Катунский А.А. (RU), Подзоров В.Н. (RU), Сергеева М.Д. (RU), Сеченов Ю.Н. (RU)
(73) Патентообладатель(и):
Федеральное государственное унитарное предприятие Производственное объединение “Полет” ( ФГУП ПО “Полет”) (RU)
|
(54) ТРАНСПОРТНО-ТЕХНОЛОГИЧЕСКИЙ АГРЕГАТ
(57) Реферат:
Изобретение относится к технологическому оборудованию для сборки и подготовки блоков космических аппаратов. Транспортно-технологический агрегат состоит из опорной платформы 2, шарнирно установленной на стойках 4 рамы 1. На опорной платформе 2 установлено поворотное устройство 5 с узлами крепления блока космических аппаратов и размещенные по обе стороны от оси ее вращения балластная емкость 11 и технологическая площадка 19. Балластная емкость 11 связана пружиной растяжения 12 с рамой 1, на которой установлен регулируемый упор 13, контактирующий с днищем 14 балластной емкости 11. На опорной платформе 2 со стороны рамы 1 между стойками 4 и технологической площадкой 19 установлен кронштейн 22, связанный с рамой 1 пружиной растяжения 23 и контактирующий с упором 24 рамы 1. Наполнение балластной емкости 11 водой обеспечивает установку (наклон) опорной платформы 2 в требуемое угловое положение. Изобретение расширяет функциональные возможности и повышает эксплуатационные характеристики. 7 ил.

Изобретение относится к технологическому оборудованию, а более конкретно, к наземным агрегатам для сборки, обслуживания и технологической подготовки блоков (пакетов) космических аппаратов.
Известна технологическая подставка, предназначенная для размещения изделий космической техники и состоящая из опорной платформы, закрепленной на нерегулируемой раме (см. журнал “Новости космонавтики”, Москва, №8, август 2002 г., фотография на л.28).
Известна также технологическая подставка, предназначенная для размещения изделий космической техники и состоящая из опорной платформы, закрепленной на регулируемой раме (журнал “Новости космонавтики”, Москва, №12, декабрь 2002 г., фотография на л.43).
Недостатком данного устройства является невозможность обеспечения, даже с использованием кранового оборудования, установки на раму (адаптер) полезной нагрузки космических аппаратов, плоскость стыка которых с рамой (адаптером) полезной нагрузки не горизонтальна. Это становится особенно актуальным в настоящее время, когда широко практикуется групповое (пакетное) выведение в одном пуске нескольких различных типов космических аппаратов, при этом, из соображений максимального использования подобтекательного пространства и обеспечения безударности отделения, компоновка блока (пакета) обуславливает различные положения плоскостей отделения космических аппаратов от рамы (адаптера) полезной нагрузки. Также устройство имеет ограниченные возможности по обслуживанию полезной нагрузки в процессе проведения ряда испытаний (в том числе, испытаний механических систем космических аппаратов в составе блока (пакета) на раскрытие).
Кроме того, так как устройство не обеспечивает транспортировку собранного блока космических аппаратов к месту стыковки с ракетой-носителем, то либо участок сборки блока космических аппаратов должен быть снабжен мостовым краном, либо требуется специальный транспортный агрегат.
Задачей (целью) предлагаемого изобретения являются расширение функциональных возможностей (возможность установки на раму (адаптер) полезной нагрузки космических аппаратов, плоскости стыка которых с рамой (адаптером) не горизонтальны, исключение необходимости в использовании на участке сборки блока космических аппаратов мостового крана либо специального транспортного агрегата) и повышение эксплуатационных характеристик (возможность проведения испытаний механических систем космических аппаратов в составе блока (пакета) на раскрытие, удобство технического обслуживания блока (пакета) космических аппаратов) транспортно-технологического агрегата.
Поставленная задача (цель) достигается тем, что горизонтально размещенная опорная платформа шарнирно устанавливается на двух стойках рамы, снабженной поворотными колесами. Узлы крепления блока (пакета) космических аппаратов выполняются на наружном кольце поворотного устройства, внутреннее соосное кольцо которого вертикально закрепляется на опорной платформе. Наружное кольцо устанавливается с возможностью поворота относительно внутреннего кольца. Опорная платформа снабжается балластной емкостью и технологической площадкой, размещенными по обе стороны от оси вращения опорной платформы. Балластная емкость закрепляется на опорной платформе со стороны рамы и связывается с последней посредством пружин растяжения. На раме устанавливается регулируемый упор, контактирующий с днищем балластной емкости. Балластная емкость снабжается заливным и выпускным штуцерами с установленными на них запорными кранами. Технологическая площадка шарнирно устанавливается на опорной платформе с возможностью фиксации ее положения относительно опорной платформы. Соответствующая балансировка (центровка) технологической площадки обеспечивает размещение ее центра масс в вертикальной плоскости, проходящей через ось вращения технологической площадки относительно опорной платформы, ниже оси вращения. На опорной платформе со стороны рамы между стойками и технологической площадкой устанавливается кронштейн, связанный с рамой посредством пружины растяжения и контактирующий с упором, закрепленным на раме. На опорной платформе со стороны балластной емкости закрепляется указатель положения, взаимодействующий с градуированной штангой, закрепленной на раме. Наполнение балластной емкости водой обеспечивает установку (наклон) опорной платформы в требуемое угловое положение. Слив жидкости из балластной емкости обеспечивает возврат опорной платформы в горизонтальной положение. Требуемое положение блока (пакета) космических аппаратов в вертикальной плоскости достигается их вращением на поворотном устройстве. Размещение центра масс технологической площадки в плоскости, проходящей через ось ее вращения относительно опорной платформы, обеспечивает горизонтальное положение технологической площадки при различных углах наклона опорной платформы. Последующая фиксация положения технологической площадки относительно опорной платформы обеспечивает размещение на ней обслуживающего персонала и используемого инструмента.
Следует отметить, что с помощью предлагаемого транспортно-технологического агрегата можно обеспечить горизонтальное положение плоскости стыковки космического аппарата к адаптеру при различных углах наклона космического аппарата по отношению к адаптеру (обычно углы наклона космического аппарата к вертикальной оси адаптера составляют от 5 до 20°). Это достигается путем установки адаптера в требуемое положение на опорной платформе за счет поворота адаптера с блоком (пакетом) космических аппаратов на поворотном устройстве и последующего наклона опорной платформы за счет заполнения балластной емкости водой. Очевидно, что угол наклона опорной платформы по отношению к ее горизонтальному положению равен углу наклона космического аппарата по отношению к вертикальной оси адаптера. При этом плоскость стыка космического аппарата с адаптером будет находиться в горизонтальном положении.
Наклон опорной платформы в требуемое положение за счет наполнения (опорожнения) балластной емкости водой происходит плавно, что обеспечивает снижение нагрузок на космические аппараты, ранее установленные на адаптер.
Требуемое угловое положение опорной платформы для стыковки конкретного космического аппарата с адаптером определяется заливкой соответствующего количества воды. В случае размещения на технологической площадке обслуживающего персонала и необходимого инструмента в балластную емкость после установки последней на регулируемый упор может быть залито дополнительное количество воды, рассчитанное из условия равновесия наклонного положения опорной платформы с учетом массы обслуживающего персонала и инструмента, планируемых к размещению на технологической площадке.
Предлагаемое устройство поясняется на фиг.1-7.
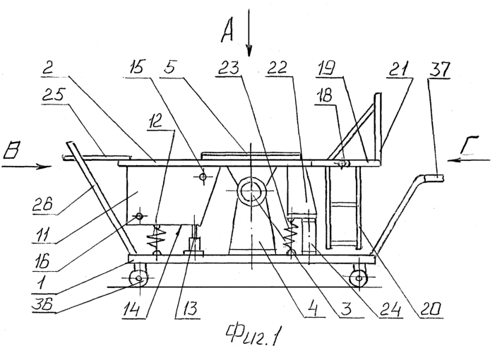
На фиг.1 показан общий вид транспортно-технологического агрегата в исходном положении.
На фиг.2 представлен вид А согласно фиг.1.
На фиг.3 изображен общий вид транспортно-технологического агрегата с установленным на нем адаптером в момент установки на адаптер космического аппарата плоскость стыковки которого с адаптером горизонтальна.
На фиг.4 показан вид Б согласно фиг.3.
На фиг.5 представлен общий вид транспортно-технологического агрегата с установленным на нем адаптером в момент установки на адаптер космического аппарата, плоскость стыковки которого с адаптером не горизонтальна (при вертикальном положении адаптера).
На фиг.6 изображен вид В согласно фиг.1.
На фиг.7 показан вид Г согласно фиг.1.
Предлагаемый транспортно-технологический агрегат содержит раму 1 (фиг.1) с горизонтально размещенной опорной платформой 2, установленной посредством шарниров 3 на двух стойках 4 рамы 1.
На раме 1 установлено поворотное устройство 5 (фиг.1), продольная ось симметрии которого находится в вертикальной плоскости, проходящей через ось вращения опорной платформы 2 на шарнирах 3 стоек 4. Узлы крепления 6 (фиг.2) блока космических аппаратов 7 (фиг.5) выполнены на наружном кольце 8 (фиг.2) поворотного устройства 5. Наружное кольцо 8 установлено с возможностью его поворота на шариках 9 (фиг.2) относительно соосно размещенного внутреннего кольца 10, вертикально закрепленного на опорной платформе 2.
На опорной платформе 2 со стороны рамы 1 закреплена балластная емкость 11 (фиг.1), связанная с рамой 1 посредством пружин растяжения 12 (фиг.1, 6). На раме 1 также установлен регулируемый упор 13 (фиг.1), контактирующий с днищем 14 балластной емкости 11. На балластной емкости 11 выполнены заливной 15 (фиг.1) и выпускной 16 штуцеры с установленными на них запорными кранами (условно не показаны). На рычагах 17 (фиг.2) опорной платформы 2 посредством шарниров 18 (фиг.1) установлена технологическая площадка 19.
Балластная емкость 11 и технологическая площадка 19 размещены на опорной платформе 2 по противоположные стороны (фиг.1) от оси вращения ее на шарнирах 3 стоек 4 рамы 1.
Технологическая площадка 19 снабжена встроенной лестницей 20 (фиг.1) и элементами ограждения (перилами) 21. Центр масс технологической площадки 19 находится в вертикальной плоскости, проходящей через ось вращения технологической площадки 19 относительно опорной платформы 2, ниже оси вращения технологической площадки 19.
На опорной платформе 2 со стороны рамы 1 между стойками 4 и технологической площадкой 19 установлен кронштейн 22 (фиг.1), связанный с рамой 1 посредством пружины растяжения 23 и контактирующий с упором 24, закрепленным на раме 1. На опорной платформе 2 со стороны балластной емкости 11 закреплен указатель положения 25 (фиг.1), взаимодействующий с градуированной штангой 26, закрепленной на раме 1.
Транспортно-технологический агрегат функционирует следующим образом.
В исходном положении транспортно-технологический агрегат установлен на участке сборки блока космических аппаратов 7. При этом опорная платформа 2 находится в горизонтальном положении (фиг.1). Кронштейн 22 опорной платформы 2 контактирует (фиг.1, 7) с упором 24 рамы 1, а регулируемый упор 13 рамы 1 контактирует с днищем 14 балластной емкости 11. Фактически регулируемый упор 13 обеспечивает поджатие кронштейна 22 к упору 24.
Горизонтальное положение опорной рамы 2 при этом обеспечивается за счет того, что сумма высот кронштейна 22 и упора 24 конструктивно закладывается равной расстоянию между опорной платформой 2 и рамой 1.
Технологическая площадка 19 находится в горизонтальном положении и зафиксирована относительно опорной платформы 2 (элементы фиксации условно не показаны).
Наружное кольцо 8 находится в вертикальном положении (продольная ось симметрии наружного кольца 8 размещена в вертикальной плоскости) и зафиксировано относительно внутреннего кольца 10 (элементы фиксации условно не показаны).
Сначала на наружное кольцо 8 краном (условно не показан) устанавливается адаптер 27 (фиг.3) блока космических аппаратов 7 и крепится к узлам крепления 6 (элементы крепления условно не показаны) наружного кольца 8. Затем на центральное посадочное место 28 (фиг.3) адаптера 27 также краном (условно не показан) устанавливается космический аппарат 29 (фиг.3) и крепится (элементы крепления условно не показаны) к адаптеру 27. Доступ к узлам крепления 6 адаптера 27 к поворотному устройству 5 обслуживающего персонала обеспечивается (в зависимости от уровня высоты зоны обслуживания) либо с пола, либо с технологической площадки 19. Для облегчения доступа к зонам обслуживания космического аппарата 29 наружное кольцо 8 расфиксируется (элементы фиксации условно не показаны) относительно внутреннего кольца 10 и поворачивается вручную с использованием рукояток (условно не показаны) на шариках 9 в требуемое положение. После завершения работ по установке и обслуживанию космического аппарата 29 (фиг.4), а также по повороту адаптера 27 в вертикальной плоскости с размещением периферийного посадочного места 30, выполненном на адаптере 27 в положение для установки на него космического аппарата 31 (фиг.5), наружное кольцо 8 вновь фиксируется относительно наружного кольца 10 (элементы фиксации условно не показаны).
Затем проводится установка космического аппарата 31 (фиг.5) на периферийное посадочное место 30 адаптера 27. Для этого технологическая площадка 19 расфиксируется относительно опорной платформы 2 (элементы фиксации условно не показаны). Регулируемый упор 13 отводится в крайнее нижнее положение. К заливному штуцеру 15 герметичной балластной емкости 11 подсоединяется шланг (условно не показан) от системы водоснабжения. К выпускному штуцеру 16 подсоединяется сливной шланг (условно не показан). После открытия запорного крана (условно не показан) на заливном штуцере 15 происходит заполнение водой 32 (фиг.5) балластной емкости 11. При этом центр масс системы, установленной на шарнирах 3 стоек 4, перемещается в сторону балластной емкости 11. Опорная платформа 2 наклоняется (фиг.5). По достижении требуемого угла наклона опорной платформы 2 (угол наклона определяется по размещению указателя положения 25 на градуированной штанге 26) подача воды 32 в балластную емкость 11 прекращается. Регулируемый упор 13 выдвигается до контакта с днищем 14 балластной емкости 11. Технологическая площадка 19 при наклоне опорной платформы 2 сохраняет свое горизонтальное положение (фиг.5), поворачиваясь на шарнирах 18. После перевода опорной платформы 2 в требуемое положение технологическая площадка 19 фиксируется относительно опорной платформы 2 в данном положении (элементы фиксации условно не показаны). Балластная емкость 11 фиксируется к раме 1, например, стяжкой (условно не показана).
При повороте опорной платформы 2 в наклонное положение плавность ее перемещения обеспечивается за счет срабатывания пружины растяжения 23.
В результате указанного поворота периферийное место 30 крепления космического аппарата 31 занимает горизонтальное положение. После чего краном (условно не показан) космический аппарат 31 устанавливается на периферийное посадочное место 30 адаптера 27 и крепится к нему (элементы крепления условно не показаны). Доступ к зонам крепления и обслуживания космического аппарата 31 производится обслуживающим персоналом либо с пола, либо с технологической площадки 19 (в зависимости от высоты зоны обслуживания).
После установки космического аппарата 31 на адаптер 27 и его крепления на адаптере 27 проводятся следующие работы:
– демонтируются элементы фиксации (условно не показаны) технологической площадки 19 к опорной платформе 2;
– демонтируется стяжка крепления (условно не показана) балластной емкости 11 к раме 1;
– открывается запорный кран (условно не показан) на выпускном штуцере 16 балластной емкости 11;
– вода 32 (самотеком) сливается из балластной емкости 11, вследствие чего центр масс системы, установленной на шарнирах 3 стоек 4, смещается в сторону технологической площадки 19, и опорная платформа 2 поворачивается в горизонтальное положение (до контакта кронштейна 22 с упором 24).
Плавность поворота опорной платформы 2 обеспечивается срабатыванием пружин растяжения 12.
После перевода опорной платформы 2 в горизонтальное положение проводятся:
– фиксация (элементы фиксации условно не показаны) технологической площадки 19 относительно опорной платформы 2;
– подведение регулируемых упоров 13 до контакта их с днищем 14 балластной емкости 11.
Затем наружное кольцо 8 поворотного устройства 5 расфиксируется (элементы фиксации условно не показаны) относительно внутреннего кольца 10, и адаптер 27 с установленными на нем космическими аппаратами 29 и 31 поворачивается в требуемое положение в вертикальной плоскости (до размещения периферийного посадочного места 33 (фиг.4) напротив технологической площадки 19). Наружное кольцо 8 фиксируется относительно внутреннего кольца 10 (элементы фиксации условно не показаны).
После этого проводится крановая установка других космических аппаратов (условно не показаны) на периферийные посадочные места 33, 34 и 35 (фиг.4) аналогично процессу установки на периферийное посадочное место 30 космического аппарата 31.
После установки всех космических аппаратов (полной сборки блока космических аппаратов 7) опорная платформа 2 переводится в горизонтальное положение.
При этом:
– технологическая площадка 19 зафиксирована (элементы фиксации условно не показаны) относительно опорной платформы 2;
– кронштейн 22 контактирует с упором 24;
– регулируемый упор 13 контактирует с днищем 14 балластной емкости 11;
– наружное кольцо 8 зафиксировано относительно внутреннего кольца 10.
В дальнейшем блок космических аппаратов 7 перемещается к месту стыковки с ракетой-носителем (условно не показана). При этом, если участок сборки блока космических аппаратов оборудуется мостовым краном, то обеспечивается крановое перемещение блока космических аппаратов 7 к месту стыковки с ракетой-носителем, если же на участке отсутствует мостовой кран, то блок космических аппаратов 7 перемещается к месту стыковки с ракетой-носителем на предлагаемом транспортно-технологическом агрегате. Перемещение транспортно-технологического агрегата на поворотных колесах 36 (фиг.1) обеспечивается либо вручную (используется ручка 37), либо с помощью, например, электрокара.
При проведении работ по сборке блока (пакета) космических аппаратов транспортно-технологический агрегат находится в заторможенном положении (элементы фиксации колес 36 условно не показаны).
Проведенные расчеты показали, что при сборке блока (пакета) космических аппаратов общей массой 600 кг при размещении центра масс собранного блока космических аппаратов на высоте 1 метр от опорной платформы требуемая масса воды для поворота опорной платформы на угол не более 20° при жесткости пружин растяжения С=7,8 кН/м составит не более 90 литров. А размеры балластной емкости объемом, например, 200 литров составят 1,0 м × 0,5 м × 0,4 м, что вполне приемлемо с точки зрения минимизации массово-габаритных характеристик предложенного транспортно-технологического агрегата.
Таким образом, предложенное устройство имеет существенные отличия от ранее известных транспортно-технологических агрегатов и позволяет расширить их функциональные возможности и повысить их эксплуатационные характеристики.
Формула изобретения
Транспортно-технологический агрегат, содержащий раму с опорной платформой, снабженной узлами крепления блока космических аппаратов, отличающийся тем, что опорная платформа размещена горизонтально и шарнирно установлена на двух стойках рамы, снабженной поворотными колесами, а узлы крепления блока космических аппаратов выполнены на наружном кольце поворотного устройства, внутреннее соосное кольцо которого закреплено на опорной платформе, причем ось внутреннего соосного кольца расположена в вертикальной плоскости, при этом наружное кольцо установлено с возможностью поворота относительно внутреннего кольца, а опорная платформа снабжена балластной емкостью и технологической площадкой, размещенными по обе стороны от оси вращения опорной платформы, при этом балластная емкость закреплена на опорной платформе со стороны рамы и связана с последней посредством пружины растяжения, причем на раме установлен регулируемый упор, контактирующий с днищем балластной емкости, а балластная емкость снабжена заливным и выпускным штуцерами с установленными на них запорными кранами, при этом технологическая площадка шарнирно установлена на опорной платформе с возможностью ее фиксации относительно опорной платформы, а на опорной платформе со стороны рамы между стойками и технологической площадкой установлен кронштейн, связанный с рамой посредством пружины растяжения и контактирующий с упором, закрепленным на раме, при этом на опорной платформе со стороны балластной емкости закреплен указатель положения, взаимодействующий с градуированной штангой, закрепленной на раме.
РИСУНКИ
MM4A – Досрочное прекращение действия патента СССР или патента Российской Федерации на изобретение из-за неуплаты в установленный срок пошлины за поддержание патента в силе
Дата прекращения действия патента: 05.02.2007
Извещение опубликовано: 20.02.2008 БИ: 05/2008
|