|
|
(21), (22) Заявка: 2003129215/28, 30.09.2003
(24) Дата начала отсчета срока действия патента:
30.09.2003
(45) Опубликовано: 27.04.2005
(56) Список документов, цитированных в отчете о поиске:
ПЕРЕДЕЛЬСКИЙ Г.И. О свойстве четырехполюсников с повторяющимися ячейками, одинаковыми по схеме и включению. Электричество. 1999, №9, с.49, рис.2. SU 1213421 А, 23.02.1986. RU 2141672 C1, 20.11.1999.
Адрес для переписки:
302020, г.Орел, Наугорское ш., 29, ОрелГТУ
|
(72) Автор(ы):
Ионочкин Д.А. (RU), Передельский Г.И. (RU)
(73) Патентообладатель(и):
Орловский государственный технический университет (ОрелГТУ) (RU)
|
(54) МОСТОВОЕ УСТРОЙСТВО ДЛЯ ОПРЕДЕЛЕНИЯ СОПРОТИВЛЕНИЙ N РЕЗИСТИВНЫХ ДАТЧИКОВ
(57) Реферат:
Устройство может быть использовано при измерениях физических величин резистивными датчиками. Устройство содержит генератор последовательностей импульсов, мостовую цепь и нуль-индикатор. Генератор состоит из нескольких формирователей импульсов по закону степенных функций, коммутатора и усилителя мощности. В каждую из двух ветвей введены n-1 цепей наращивания, состоящих из функционального резистора, катушки индуктивности и усилителя. Вход усилителя подключен к точке соединения функционального резистора и катушки индуктивности. Выходы усилителей подключены к входам двух аналоговых сумматоров. Каждая последующая цепь наращивания подключается к выходу усилителя предыдущей цепи наращивания. Выходы аналоговых сумматоров каждой из двух ветвей моста образуют измерительную диагональ и соединены с входами нуль-индикатора. В устройстве отсутствует необходимость коммутации резистивных датчиков электронными ключами, следовательно, нет составляющей погрешности от их прямого и обратного сопротивлений и нестабильности. 1 ил.

Изобретение относится к информационно-измерительной технике, промышленной электронике, автоматике и может быть использовано для контроля и определения активных сопротивлений, а также физических величин посредством резистивных параметрических датчиков, включенных в электрический мост.
Известен мостовой измеритель параметров n-элементных двухполюсников [1], способный определять значения сопротивлений резисторов или резистивных датчиков, включенных в многоэлементный двухполюсник, содержащий генератор питающих импульсов сложной формы, многоплечий электрический мост с раздельным уравновешиванием регулируемыми резисторами, первая ветвь которого состоит из резистивно-емкостного многоэлементного пассивного четырехполюсника определенной структуры с регулируемыми резисторами, вторая ветвь образована резистором плеча отношения и пассивным резистивно-емкостным многоэлементным двухполюсником, содержащим активные сопротивления, вместо которых могут быть включены резистивные датчики, выход генератора соединен с диагональю питания: моста, а измерительная диагональ моста подключена к входам нуль-индикатора.
Недостатком его является необходимость использования форм питающих импульсов, количество которых превышает количество резистивных датчиков, а также быстро уменьшающаяся чувствительность при увеличении числа резистивных датчиков, что вызывает большую составляющую погрешности.
Наиболее близким по технической сущности и достигаемому результату к заявляемому устройству является выбранный в качестве прототипа электрический мост [2], содержащий генератор сложных импульсов, мостовую цепь с раздельным уравновешиванием регулируемыми резисторами, две ветви которой содержат одинаковые по структуре резистивно-индуктивные многоэлементные четырехполюсники, в один из которых вместо соответствующих функциональных резисторов включаются уравновешивающие регулируемые резисторы, а в другой – резистивные датчики, количество которых равно количеству форм питающих импульсов, генератор питающих импульсов соединен со входом мостовой цепи, а ее выход подключен ко входу нуль-индикатора.
Недостатком его является быстро уменьшающаяся чувствительность при увеличении числа резистивных датчиков, что также вызывает большую составляющую погрешности.
Задача, на решение которой направлено изобретение, состоит в повышении чувствительности мостовой цепи и соответствующем уменьшении составляющей погрешности вследствие недостаточной чувствительности при сохранении раздельного уравновешивания ее регулируемыми резисторами.
Это достигается тем, в мостовое устройство для определения сопротивления n резистивных датчиков, содержащее генератор импульсов, который состоит из формирователей импульсов с изменением напряжения в течение их длительности по закону K0t0, K1t1, K2t2,… ,Kn-1tn-l (где К0 K1, K2… – постоянные коэффициенты, t – время), коммутатора, входы которого соединены с выходами формирователей, а выход соединен с усилителем мощности, выход которого образует первый выход генератора импульсов, блока синхронизации, выходы которого соединены со входами синхронизации формирователей и коммутатора, а один из выходов его образует второй выход генератора импульсов (выход синхронизации); генератор импульсов подключен ко входу электрического моста, состоящего из двух одинаковых ветвей, каждая из которых включает в себя одиночный резистор, один из выводов которого заземлен, и первый функциональный резистор, один из выводов которого соединен с первым выходом генератора импульсов, функциональные резисторы одной ветви моста являются регулируемыми резисторами, а функциональные резисторы другой ветви моста – резистивными датчиками; нуль-индикатор, один вход которого (вход синхронизации) соединен со вторым выходом генератора; общая шина нуль-индикатора и общая шина генератора импульсов соединены с землей, введены в каждую из двух ветвей моста аналоговый сумматор и n-1 одинаковых цепей наращивания, где n – число резистивных датчиков, а одиночный резистор и первый функциональный резистор последовательно соединены между собой, цепь наращивания состоит из последовательно соединенных функционального резистора, катушки индуктивности, общий вывод которых соединен со входом усилителя напряжения, свободный вывод функционального резистора первой цепи наращивания соединен с первым выводом генератора импульсов, а свободный вывод функционального резистора каждой последующей цепи наращивания соединен с выходом усилителя напряжения предыдущей цепи наращивания, свободные выводы катушек индуктивности соединены с землей, а выходы усилителей каждой цепи наращивания, общий вывод одиночного резистора и первого функционального резистора соединены со входами аналогового сумматора, выходы аналоговых сумматоров каждой из двух ветвей моста образуют выход моста, который соединен с дифференциальным входом нуль-индикатора; число формирователей в генераторе импульсов равно числу резистивных датчиков (n).
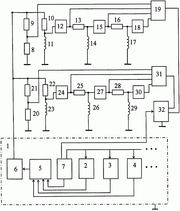
Сущность изобретения поясняется чертежом. Мостовое устройство для определения сопротивлений n резистивных датчиков содержит генератор импульсов 1, который состоит из требующегося числа формирователей импульсов с изменением напряжения в течение их длительности по закону степенных функций, в частности формирователя последовательности прямоугольных импульсов 2 (K0t0), формирователя последовательности импульсов линейно изменяющегося напряжения 3 (K1t1), формирователя последовательности квадратичных импульсов 4 (K2t2) и т.д. В генератор также входит коммутатор 5, усилитель мощности 6 и блок синхронизации 7. Общая шина генератора соединена с землей. Выход усилителя мощности 6 образует первый выход генератора 1. а один из выходов блока синхронизации 7 – второй выход (выход синхронизации). Первая ветвь электрического моста включает в себя одиночный резистор 8 (R8), регулируемый резистор 9 (R9) и сложную цепь, состоящую из регулируемого резистора 10 (R10), катушки индуктивности 11 (L11), усилителя напряжения 12. регулируемого резистора 13 (R13), катушки индуктивности 14 (L14), усилителя напряжения 15, регулируемого резистора 16 (R16), катушки индуктивности 17 (L17), усилителя напряжения 18, аналогового сумматора 19. Выход аналогового сумматора 19 образует один из выводов выхода моста. Вторую ветвь моста образуют одиночный резистор 20 (R20), резистивный датчик 21 (R21) и сложная цепь, состоящая из резистивного датчика 22 (R22), катушки индуктивности 23 (L23), усилителя напряжения 24, резистивного датчика 25 (R25), катушки индуктивности 26 (L26), усилителя напряжения 27, резистивного датчика 28 (R28), катушки индуктивности 29 (L29), усилителя напряжения 30, аналогового сумматора 31. Пара усилителей 12 и 24 имеют одинаковый коэффициент усиления, равный k1 пара усилителей 15 и 27 имеют одинаковый коэффициент усиления, равный k2, а пара усилителей 18 и 30 имеют одинаковый коэффициент усиления, равный k3. Выход аналогового сумматора 31 образует второй вывод выхода моста. Первый вход (дифференциальный вход) нуль-индикатора 32 соединен с выходом моста, а второй вход его (вход синхронизации) – со вторым выходом генератора 1 импульсов.
Мостовое устройство для определения сопротивлений n резистивных датчиков работает следующим образом. В исходном состоянии напряжения на входе и выходе электрического моста равны нулю. Посредством коммутатора 5 вначале подадим на мост с генератора 1 последовательность импульсов прямоугольной формы. При воздействии очередного импульса в установившемся режиме в ветвях моста устанавливаются неизменяющиеся напряжения. Напряжение неравновесия зависит здесь только от значений сопротивлений резисторов 8, 9, 20 и 21. Первое условие равновесия моста

Однократной регулировкой значения сопротивления регулируемого резистора 9 (R9) плоская вершина импульсного сигнала неравновесия приводится к нулю, тем самым выполняется первое условие равновесия моста (1). Равновесие моста здесь и в дальнейшем отмечается по осциллографу (32) (нуль-индикатору). Значение сопротивления резистивного датчика R21 определяется из выражения

Абсолютные значения абсолютной чувствительности моста по определяемому сопротивлению датчика 21 и по регулируемому резистору 9 определяется соответственно по формулам

где U1 – амплитуда питающего импульса. Далее посредством коммутатора 5 подаем на мост с генератора 1 последовательность импульсов линейно изменяющегося напряжения. При воздействии очередного такого импульса на выходе моста после окончания переходного процесса устанавливается импульсный сигнал неравновесия с плоской вершиной. Второе условие равновесия моста

Выполнить его можно регулировкой значения сопротивления резистора 10 (R10) Однократной регулировкой этого резистора приводим плоскую вершину импульсного сигнала неравновесия к нулю, то есть выполняем второе условие равновесия (4). Значение сопротивления резистивного R22 датчика определяется из выражения

Значения абсолютной чувствительности моста по определяемому сопротивлению датчика 22 и по регулируемому резистору 10 определяются соответственно по формулам

Регулировкой коэффициента усиления k1 пары усилителей 12 и 24 устанавливаем необходимое значение чувствительности. После этого посредством коммутатора 5 подаем на мост с генератора 1 последовательность квадратичных импульсов. При воздействии очередного импульса после окончания переходного процесса на выходе моста устанавливается импульсный сигнал неравновесия с плоской вершиной. Третье условие равновесия имеет вид

Однократной регулировкой резистора 13 (R13) приводим плоскую вершину импульсного напряжения неравновесия к нулю и выполняем третье условие равновесия (7). Значение сопротивления резистивного датчика R25 определяется по формуле

Абсолютные значения абсолютной чувствительности моста по определяемому сопротивлению датчика 25 и по регулируемому резистору 13 определяется соответственно по формулам

Регулировкой коэффициента усиления k2 пары усилителей 15 и 27 устанавливаем требуемую чувствительность. При воздействии на мост питающих импульсов всех последующих форм и выполнении всех последующих условий равновесия в каждое очередное условие равновесия будут входить катушка индуктивности и резистор очередной новой цепи наращивания, позволяющий, не нарушив предыдущих условий равновесия, выполнить очередное условие равновесия, аналогично последнему описанному случаю, а в формулы для абсолютной чувствительности по очередным определяемым и регулируемым параметрам обязательно входит новый коэффициент усиления пары новых усилителей, допускающих регулировку, ее необходимого значения. В частности, для четвертого условия равновесия при А2=0, А3=0

Регулируемым элементом является резистор 16 (R16). Значение сопротивления резистивного датчика 28 (R28) определяется из выражения

Абсолютные значения чувствительности по определяемому сопротивлению резистивного датчика 28 (R28) и регулируемого резистора 16 (R16) определяются из выражений

и могут быть установлены регулировкой двух одинаковых коэффициентов усиления k3 усилителей 18 и 30.
Таким образом, данное мостовое устройство для определения сопротивлений n резистивных датчиков при раздельном уравновешивании регулируемыми резисторами обладает повышенной чувствительностью и меньшей составляющей погрешности от ее малого значения. В нем отсутствует необходимость коммутации резистивных датчиков электронными ключами, следовательно, нет составляющей погрешности от их прямого и обратного сопротивлений и нестабильности.
Источники информации
1. Патент РФ №2141672, МПК G 01 R 17/10. Мостовой измеритель параметров n-элементных двухполюсников / Передельский Г.И. – Опубл. в 1999, Бюл. №32.
2. Передельский Г.И. О свойстве четырехполюсников с повторяющимися ячейками, одинаковыми по схеме и включению. – Электричество, 1999, №9, с.49, схема на рис 2 – прототип.
Формула изобретения
Мостовое устройство для определения сопротивления n резистивных датчиков, содержащее генератор импульсов, который состоит из формирователей импульсов с изменением напряжения в течение их длительности по закону K0t0, K1t1, K2t2,…, Кn-1tn-1 (где K0, К1, К2,… – постоянные коэффициенты, t – время), коммутатора, входы которого соединены с выходами формирователей, а выход соединен с усилителем мощности, выход которого образует первый выход генератора импульсов, блока синхронизации, выходы которого соединены со входами синхронизации формирователей и коммутатора, а один из выходов его образует второй выход генератора импульсов (выход синхронизации); генератор импульсов подключен ко входу электрического моста, состоящего из двух одинаковых ветвей, каждая из которых включает в себя одиночный резистор, один из выводов которого заземлен, и первый функциональный резистор, один из выводов которого соединен с первым выходом генератора импульсов, функциональные резисторы одной ветви моста являются регулируемыми резисторами, а функциональные резисторы другой ветви моста – резистивными датчиками; нуль-индикатор, один вход которого (вход синхронизации) соединен со вторым выходом генератора; общая шина нуль-индикатора и общая шина генератора импульсов соединены с землей, отличающееся тем, что введены в каждую из двух ветвей моста аналоговый сумматор и n-1 одинаковых цепей наращивания, где n – число резистивных датчиков, а одиночный резистор и первый функциональный резистор последовательно соединены между собой, цепь наращивания состоит из последовательно соединенных функционального резистора и катушки индуктивности, общий вывод которых соединен со входом усилителя напряжения, свободный вывод функционального резистора первой цепи наращивания соединен с первым выводом генератора импульсов, а свободный вывод функционального резистора каждой последующей цепи наращивания соединен с выходом усилителя напряжения предыдущей цепи наращивания, свободные выводы катушек индуктивности соединены с землей, а выходы усилителей каждой цепи наращивания, общий вывод одиночного резистора и первого функционального резистора соединены со входами аналогового сумматора, выходы аналоговых сумматоров каждой из двух ветвей моста образуют выход моста, который соединен с дифференциальным входом нуль-индикатора; число формирователей в генераторе импульсов равно числу резистивных датчиков (n).
РИСУНКИ
MM4A – Досрочное прекращение действия патента СССР или патента Российской Федерации на изобретение из-за неуплаты в установленный срок пошлины за поддержание патента в силе
Дата прекращения действия патента: 01.10.2005
Извещение опубликовано: 10.06.2007 БИ: 16/2007
|
|