|
|
(21), (22) Заявка: 2003127867/28, 16.09.2003
(24) Дата начала отсчета срока действия патента:
16.09.2003
(45) Опубликовано: 27.04.2005
(56) Список документов, цитированных в отчете о поиске:
RU 2023979 C1, 30.11.1994. SU 1551979 A1, 23.03.1990. Беклемищев А.И., Судаков В.А. Устройство для автоматизации исследований метрологических характеристик. Труды ЦАГИ. Вып. 2105. 1981, с.75, рис.3. Хорна О. Тензометрические мосты. – М. – Л.: Госэнергоиздат, 1962, с.154, рис.43.
Адрес для переписки:
140180, Московская обл., г. Жуковский, ул. Жуковского, 1, ФГУП “ЦАГИ”, отдел 80
|
(72) Автор(ы):
Шевчук В.В. (RU)
(73) Патентообладатель(и):
Федеральное государственное унитарное предприятие “Центральный аэрогидродинамический институт им. проф. Н.Е. Жуковского” (ФГУП “ЦАГИ”) (RU)
|
(54) ЧЕТЫРЕХПРОВОДНЫЙ ИМИТАТОР ДИСКРЕТНОГО ПРИРАЩЕНИЯ СОПРОТИВЛЕНИЯ ТЕНЗОРЕЗИСТОРА
(57) Реферат:
Имитатор содержит опорный резистор, резистор диапазона имитации, последовательную цепочку из N резисторов ступеней, включенную параллельно резистору диапазона, и переключатель. Цепочка из N резисторов ступеней включена последовательно с опорным резистором. Токовыми выводами имитатора являются вывод цепочки из N резисторов ступеней и свободный вывод опорного резистора. К выводам резисторов ступеней подключены входы переключателя. Параллельно цепочке из N резисторов ступеней включен резистор диапазона имитации. Свободный вывод опорного резистора также является потенциальным выводом имитатора. Другим потенциальным выводом имитатора является выход переключателя. Техническим результатом изобретения является снижение погрешности имитации приращения сопротивления тензорезистора до 150 раз. 1 ил.

Изобретение относится к электроизмерительной технике и может быть использовано для имитации приращения сопротивления тензорезисторов.
В силу известных преимуществ наиболее распространенным и универсальным видом измерения различных физических величин (деформаций, перемещений, давлений, моментов, сил… ) является электротензометрия. Количество измерительных приборов, используемых для этих целей, исчисляется сотнями тысяч. Метрологическими характеристиками этих приборов определяется степень совершенства технологических процессов промышленного производства, экономии сырья, материалов и энергоресурсов, повышения качества продукции и производительности труда во многих отраслях науки, техники и ведущих отраслях народного хозяйства, включая авиастроение, ракетостроения, машиностроение, судостроение, тракторостроение, автомобилестроение, станкостроение, мостостроение, приборостроение, атомную, металлургическую, химическую, нефтяную, газовую, угольную, легкую, пищевую, лесобумажную, электротехническую промышленности, строительство, транспорт, сельское хозяйство, медицину, торговлю… Требования к точностным характеристикам постоянно растут и в ближайшее время погрешность тензометрических приборов и соответствующих метрологических средств, включающих имитаторы приращения сопротивления тензорезисторных датчиков, должны быть снижены до величин порядка 0,01… 0,002% (Ю.С.Плискин, А.П.Ракаев. Перспективы развития приборов для тензорезисторных датчиков. Труды НИКИМПа, Вопросы совершенствования испытательных машин, приборов и средств измерения масс, Москва, 1980, с.92… 95).
Широко известен имитатор дискретного приращения сопротивления тензорезисторных датчиков, представляющий собой опорный резистор с параллельными шунтами (Хорна О. Тензометрические мосты, М.-Л., Госэнергоиздат, 1962, с.154, рис.43). Однако точность такого имитатора не высока из-за значительного влияния сопротивлений соединительных и выводных проводников имитатора.
Известны более совершенные имитаторы дискретного приращения сопротивления тензорезисторных датчиков (с опорным резистором и параллельными шунтами), включаемые в измерительную цепь по четырехпроводной схеме (Беклемишев А.И., Судаков В.А. Устройство для автоматизации исследований метрологических характеристик. Труды ЦАГИ, вып. 2105, 1981, с.75, рис.3). Здесь влияние сопротивлений выводных проводников исключается многопроводным включением имитатора в измерительную цепь с использованием потенциальных и токовых выводных проводников. Этот принцип давно и широко известен и с успехом применяется в измерительной технике. Однако влияние сопротивления элемента соединительной связи шунта со схемой имитатора, куда входит сопротивление соединительного провода и коммутирующего элемента включения шунта, в особенности при быстрых (порядка нескольких тысяч в секунду) переключениях, необходимых для поверки быстродействующих измерительных приборов и систем, представляет собой сложную научно-техническую проблему. Требование высокого быстродействия обязывает использовать для включения шунта в измерительную схему имитатора бесконтактные переключатели типа МОП-транзисторов, имеющие при всех своих положительных качествах значительное сопротивление в открытом состоянии. Лучшие на настоящее время типы таких отечественных коммутирующих элементов (серия микросхем “590”) обладают сопротивлением в открытом состоянии порядка 70 Ом (590КН5). При типичных значениях в тензометрии (сопротивление опорного резистора – 120 Ом; диапазон имитируемых приращений сопротивления тензорезистора – 4,8 Ом; сопротивление коммутирующего элемента переключателя в открытом состоянии – 70 Ом) относительная погрешность имитации приращения сопротивления равна 2,3%, что недопустимо даже для среднего класса измерений.
Наиболее близким по технической сущности и достигаемому эффекту к предлагаемому изобретению является четырехпроводный имитатор дискретного приращения сопротивления тензорезистора, в котором шунты включены через добавочный резистор последовательно токовому выводному проводнику имитатора (Патент РФ №2023979 “Имитатор дискретного приращения сопротивления тензорезисторов”). При аналогичных типичных значениях в тензометрии относительная погрешность имитации приращения сопротивления равна 0,46%, что недостаточно для точных измерений.
Задачей настоящего изобретения является повышение точности имитации дискретного приращения сопротивления тензорезистора.
Техническим результатом изобретения является значительное, например порядка в 150 раз, снижение погрешности имитации приращения сопротивления тензорезистора.
Решение поставленной задачи и технический результат достигаются тем, что в четырехпроводном имитаторе дискретного приращения сопротивления тензорезистора с двумя парами выводов, каждая из которых является токовым и потенциальным выводами имитатора, содержащем опорный резистор, один вывод которого соединен с одной парой выводов имитатора, и переключатель с N+1 входами и одним выходом, другой вывод опорного резистора через последовательную цепь N штук резисторов ступеней имитации соединен с токовым выводом другой пары выводов имитатора, потенциальный вывод которой подключен к выходу переключателя, а его входы соединены последовательно со всеми выводами последовательной цепи N штук резисторов ступеней имитации, и дополнительно введен резистор диапазона имитации, включенный между токовым выводом другой пары выводов имитатора и любым выводом опорного резистора.
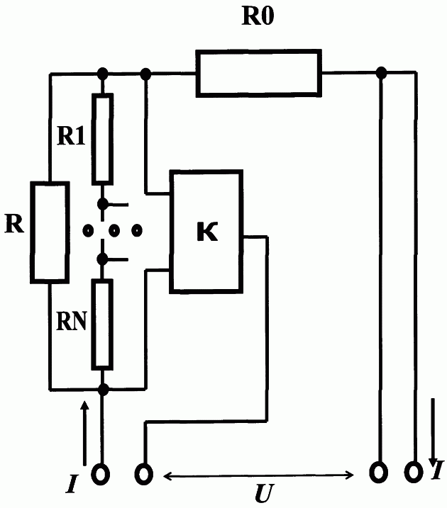
На чертеже показана схема заявляемого четырехпроводного имитатора дискретного приращения сопротивления тензорезистора.
Четырехпроводный имитатор дискретного приращения сопротивления тензорезистора (см. чертеж) имеет две пары выводов, каждая пара из которых является токовым “I” и потенциальным “U” выводами имитатора, и содержит опорный резистор R0, N штук резисторов R1… Rn ступеней имитации (назначение которых – формирование величин ступеней имитации), переключатель К с N+1 входами и одним выходом, резистор R диапазона имитации (назначение которого – формирование диапазона имитации). Один вывод опорного резистора R0 соединен с одной парой выводов имитатора, другой – через последовательную цепь N штук резисторов R1… Rn ступеней имитации с токовым выводом другой пары выводов имитатора. Потенциальный вывод другой пары выводов имитатора подключен к выходу переключателя К, входы которого соединены последовательно со всеми выводами последовательной цепи N штук резисторов R1… Rn ступеней имитации. Резистор R диапазона имитации включен между токовым выводом другой пары выводов имитатора и любым выводом опорного резистора R0.
Четырехпроводный имитатор дискретного приращения сопротивления тензорезистора работает следующим образом.
Электрический ток I от измерительного прибора протекает по следующей цепи имитатора: токовый вывод имитатора, последовательная цепь резисторов R1… Rn ступеней имитации, опорный резистор R0, другой токовый вывод имитатора. Часть Ir тока I протекает по резистору R диапазона имитации параллельно цепи резисторов R1… Rn ступеней имитации с током Is.
Т.е.: I=Ir+Is,
где
I – электрический ток от измерительного прибора, протекающий по имитатору в целом;
Ir – электрический ток, протекающий по резистору R диапазона имитации;
Is – электрический ток резисторов R1… Rn ступеней имитации.
Измерительный прибор, на вход которого включается имитатор, “оценивает” сопротивление имитатора Ru по падению напряжения U на нем с помощью его потенциальных выводов, причем при известной (прибору) величине тока I, протекающему по токовым выводам имитатора:

Как правило, сопротивления резисторов R1… Rn ступеней имитации равны друг другу.
Пусть:
R1=… =Rn=Rs.
Тогда:
IrR=IsNRs;


Откуда:

Тогда напряжение U имитатора на потенциальных выводах при m-ой его ступени (т.е. при соответствующем включении переключателя К) имеет вид:

Причем m=0, 1, 2,… N и соответственно номера входов переключателя. Сопротивление имитатора, оцениваемого измерительной цепью, в которую он включается по четырехпроводной схеме, при m-ой его ступени имитации равно:

Приращения сопротивления имитатора на m-ой ступени имитации, следовательно:


т.е. линейно зависит от номера m ступени имитации, что и следовало доказать.
С другой стороны, диапазон имитируемого приращения сопротивления имитатора, что соответствует максимальной его ступени (m=N):

Отсюда: RNRs+ RR=NRsR;
R(NRs- R)= RNRs;

Таким образом, при известных: диапазоне имитируемого приращения сопротивления, количестве необходимых имитируемых ступеней N+1 и выбранных резисторах Rs ступеней имитации (удобного с точки зрения обеспечения высокой их стабильности номинального сопротивления) несложно вычислить требуемое сопротивление резистора R диапазона имитации по приведенной выше формуле.
Что касается погрешности имитации имитатором сопротивления тензорезистора из-за наличия ненулевого сопротивления ключевых элементов переключателя, то здесь следует заметить следующее. Сопротивления резисторов ступеней Rs в тензометрии в имитаторах дискретного приращения сопротивления тензорезистора во много (порядка 100… 200) раз меньше опорного резистора R0, что позволяет при оценке рассматриваемой погрешности исключить их из рассмотрения, с целью упрощения расчетов. С другой стороны, входное сопротивление измерительной цепи Рц, оценивающей выходное напряжение имитатора (это, как правило, входы операционных усилителей), очень высокое (порядка 108… 1011 Ом), что позволяет пренебречь сопротивлением ключевых элементов переключателя, поскольку они включены в электрической цепи последовательно. Рассмотрим простейший случай, когда переключатель своим первым входом передает напряжение на выход имитатора с соответствующего вывода опорного резистора R0. В этом случае входное сопротивление Rц измерительной цепи (к которой подключается имитатор) оказывается включенным параллельно опорному резистору R0.
В идеальном случае (когда Rц= ) сопротивление имитатора:
Ru=R0.
В реальном случае при наличии шунтирующего действия измерительной цепи резистором Rц сопротивление имитатора:

Относительная погрешность имитации приращений сопротивлений имитатора равна разнице сопротивлений реального и идеального случаев, отнесенной к диапазону имитируемого приращения сопротивления:


При типичных значениях для имитаторов приращения сопротивления тензорезисторов: R0=120 Ом, R=4,8 Ом, Кц=100 МОм:

что в 157 раз лучше прототипа.
К дополнительному существенному положительному эффекту следует отнести также и тот факт, что резисторы ступеней имитации здесь не требуют в каждом конкретном случае реализации нестандартных (как правило, необычных) номинальных величин сопротивлений – можно взять любой (чуть больший) близкий номинал сопротивления ступени и зашунтировать цепь резисторов ступеней одним (расчетным) резистором диапазона имитации, причем (что также очень важно) этот резистор определяет только величину диапазона, не влияя на опорный номинал имитатора. Это обстоятельство кроме экономических выгод существенно положительно влияет на стабильность получаемых точностных характеристик имитатора в процессе использования.
Кроме того, например, при имитации тензорезисторов, работающих только на растяжение, весьма полезен и тот факт, что заявляемый имитатор относительно опорного резистора обеспечивает именно положительное (по знаку) эффективное приращение сопротивление имитатора, а не отрицательное, как у большинства аналогов.
Следует заметить, что заявляемый эффект изобретения может быть получен и в случае, когда резистор R диапазона имитации соединен с другим выводом опорного резистора R0, с той лишь разницей, что необходимо будет вычислять, кроме того, и величину сопротивления самого опорного резистора, которое не будет равно его сопротивлению в приведенном выше случае.
По данному предложению в институте выполнены соответствующие теоретические и экспериментальные исследования по созданию конкретных имитаторов дискретного приращения сопротивления тензорезистора, которые подтверждают реализуемость рассмотренного имитатора и возможность получения заявленного технического эффекта.
Реализация предложения в ИИС для прочностных исследований авиационных конструкций позволит существенно повысить достоверность результатов испытаний, а следовательно, надежность рекомендаций, выдаваемых промышленности, по совершенствованию конструкций летательных аппаратов.
Формула изобретения
Четырехпроводный имитатор дискретного приращения сопротивления тензорезистора с двумя парами выводов, каждая из которых является токовым и потенциальным выводами имитатора, содержащий опорный резистор, один вывод которого соединен с одной парой выводов имитатора, и переключатель с N+1 входами и одним выходом, отличающийся тем, что другой вывод опорного резистора через последовательную цепь N штук резисторов ступеней имитации соединен с токовым выводом другой пары выводов имитатора, потенциальный вывод которой подключен к выходу переключателя, а его входы соединены последовательно со всеми выводами последовательной цепи N штук резисторов ступеней имитации, и в имитатор дополнительно введен резистор диапазона имитации, включенный между токовым выводом другой пары выводов имитатора и любым выводом опорного резистора.
РИСУНКИ
|
|