|
|
(21), (22) Заявка: 2003128572/06, 23.09.2003
(24) Дата начала отсчета срока действия патента:
23.09.2003
(45) Опубликовано: 10.04.2005
(56) Список документов, цитированных в отчете о поиске:
SU 256931 А, 14.04.1970. SU 1043359 А, 23.09.1983. SU 1652663 A1, 30.05.1991. DE 4115805 A1, 19.11.1992. DE 4423322 A1, 04.01.1996.
Адрес для переписки:
610007, г.Киров, ул. Ленина, 166а, Государственное учреждение Зональный научно-исследовательский институт сельского хозяйства Северо-Востока им. Н.В. Рудницкого
|
(72) Автор(ы):
Бурков А.И. (RU)
(73) Патентообладатель(и):
Государственное учреждение Зональный научно-исследовательский институт сельского хозяйства Северо-Востока им. Н.В. Рудницкого (RU)
|
(54) ДИАМЕТРАЛЬНЫЙ ВЕНТИЛЯТОР
(57) Реферат:
Изобретение относится к вентиляторостроению, в частности к рабочим колесам диаметральных вентиляторов. Диаметральный вентилятор содержит корпус с входным и нагнетательным патрубками, рабочее колесо с загнутыми вперед лопатками, укрепленными на боковых дисках, установленных на сквозном валу. Диаметр вала внутри колеса не превышает 0,1D2 диаметра колеса, благодаря этому достигается повышение развиваемых давлений, производительности и КПД вентилятора. 3 ил., 1 табл.

Изобретение относится к вентиляторостроению, в частности к рабочим колесам диаметральных вентиляторов.
Известны диаметральные вентиляторы, содержащие корпус с входным и нагнетательным патрубками, рабочее колесо с загнутыми вперед лопатками, укрепленными на его боковых дисках (например, а.с. СССР №240158, МПК F 04 D 17/04, 1969, Бюл. №12). Данный вентилятор создает равномерный поток по ширине, но при большой длине колеса для придания достаточной прочности конструкции его лопатки выполнены из толстого листового металлопроката, что существенно снижает развиваемые давления, производительность и коэффициент полезного действия (КПД).
Известен диаметральный вентилятор, включающий корпус с входным и нагнетательным патрубками, рабочее колесо с загнутыми вперед лопатками, укрепленными на его боковых дисках, в котором с целью повышения прочности и точности изготовления рабочее колесо снабжено сквозным валом (а.с. СССР №256931, МПК F 04 D 25/00, 1969, Бюл. №35).
По технической сущности и совокупности существенных признаков данный вентилятор наиболее близок заявляемому устройству и принят за прототип.
Недостатком прототипа является то, что при установке вала внутри колеса снижаются развиваемые давления, производительность и КПД вентилятора.
Задачей изобретения является повышение развиваемых давлений, производительности и КПД диаметрального вентилятора.
Поставленная задача решена с помощью предлагаемого диаметрального вентилятора, содержащего корпус с входным и нагнетательным патрубками, рабочее колесо с загнутыми вперед лопатками, укрепленными на боковых дисках, установленных на сквозном валу, причем диаметр вала внутри колеса не превышает 0,1D2 диаметра колеса. Повышение развиваемых давления, производительности и КПД достигается за счет оптимального сочетания размеров диаметра вала внутри колеса и наружного диаметра колеса.
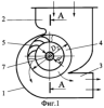
На фиг.1 изображена схема диаметрального вентилятора; на фиг.2 – продольный разрез рабочего колеса.
Диаметральный вентилятор содержит корпус 1 с входным 2 и нагнетательным 3 патрубками, рабочее колесо 4 с загнутыми вперед лопатками 5, укрепленными на боковых дисках 6, установленных на сквозном валу 7. Диаметр вала внутри колеса может быть меньше диаметра вала снаружи (посадочные места под подшипники).
Диаметральный вентилятор работает следующим образом.
Воздух поступает во входной патрубок 2, захватывается лопатками 5, проходит по межлопаточным каналам колеса 4 сначала в центростремительном, а затем в центробежном направлении, получая в нем энергию, и далее подается в нагнетательный патрубок 3. При движении внутри колеса воздушный поток набегает на вращающийся вал цилиндрической формы, получая лобовое сопротивление. В результате потери давления увеличиваются. При этом чем больше диаметр dв вала, тем больше потери давления, обусловленные увеличением площади “миделева” сечения вала и уменьшением площади отверстия для прохода воздуха. Однако при малых значениях диаметра вала потери давления на преодоление местного сопротивления от сужения потока воздуха примерно равны потерям давления на расширение потока в средней части колеса без вала. Поэтому потери давления при установке вала относительно малого диаметра обусловлены в основном лобовым сопротивлением.
На фиг.3. приведены результаты экспериментального исследования влияния относительного диаметра вала на номинальные аэродинамические и шумовые показатели диаметрального вентилятора шириной 0,1 м, имеющего двенадцатилопаточное колесо диаметром 0,3 м.
Функциональные зависимости изменения номинальных значений коэффициентов полного давления н.i/ н.о, производительности максимального КПД max и приведенного уровня шума при установке вала вовнутрь колеса представлены в таблице (индексы н.i и н.о относятся к вентилятору с валом определенного диаметра и без вала).
| Таблица |
Зависимость изменения номинальных значений коэффициентов н.i/ н.о, и max диаметрального вентилятора от относительного диаметра вала (%) |
| Показатели |
Уравнение регрессии |
Коэффициент корреляции, корреляционное отношение |
| Коэффициент полного давления, % |
 |
0,972 |
| Коэффициент производительности, % |
 |
-0,970 |
| Приведенный уровень шума, дБ |
 |
0,814 |
| Максимальный КПД |
 |
-0,999 |
Анализ экспериментальных данных позволяет сделать вывод о том, что оптимальный размер диаметра вала не должен превышать 0,1D2 наружного диаметра колеса. При dв/D2=0,1 коэффициенты давления и производительности снижаются по сравнению с вентилятором без вала на 19 и 6%, max – на 3%, а приведенный уровень шума повышается на 1,4 дБ. При увеличении относительного диаметра вала, например, до 0,13 коэффициент полного давления уменьшается на 27,5%, а КПД – на 3,9%, что не оправдывает повышения прочности и точности изготовления колеса вентилятора.
Подобные закономерности влияния вала на снижение развиваемых давлений, производительности и КПД получены при исследовании колес с большим числом лопаток (Z=16; 20) и длиной В=0,1 и 0,9 м.
Таким образом, за счет оптимального сочетания размеров диаметра вала внутри колеса и наружного диаметра колеса (dв/D2 0,1) достигается повышение развиваемых давлений, производительности и КПД диаметрального вентилятора по сравнению с вентилятором, снабженным рабочим колесом, имеющим внутри вал большого относительного диаметра.
Формула изобретения
Диаметральный вентилятор, содержащий корпус с входным и нагнетательным патрубками, рабочее колесо с загнутыми вперед лопатками, укрепленными на боковых дисках, установленных на сквозном валу, отличающийся тем, что вал внутри колеса имеет диаметр, не превышающий 0,1 диаметра колеса.
РИСУНКИ
MM4A – Досрочное прекращение действия патента СССР или патента Российской Федерации на изобретение из-за неуплаты в установленный срок пошлины за поддержание патента в силе
Дата прекращения действия патента: 24.09.2005
Извещение опубликовано: 27.04.2007 БИ: 12/2007
MM4A – Досрочное прекращение действия патента СССР или патента Российской Федерации на изобретение из-за неуплаты в установленный срок пошлины за поддержание патента в силе
Дата прекращения действия патента: 24.09.2005
Извещение опубликовано: 20.06.2007 БИ: 17/2007
|
|